Fórum témák
» Több friss téma |
- Ez a felület kizárólag, az elektronikában kezdők kérdéseinek van fenntartva és nem elfelejtve, hogy hobbielektronika a fórumunk!
- Ami tehát azt jelenti, hogy a nagymama bevásárlását nem itt beszéljük meg, ill. ez nem üzenőfal! - Kerülendő az olyan kérdés, amit egy másik meglévő (több mint 17000 van), témában kellene kitárgyalni! - És végül büntetés terhe mellett kerülendő az MSN és egyéb szleng, a magyar helyesírás mellőzése, beleértve a mondateleji nagybetűket is!
Én max. a tizedét adnám érte, 35 - 40 éves műszerről van szó. Az eladó valószínűleg madarat keres, ne te legyél az.
Most látom kadarist hozzászólását. Akkor már mindegy is. A hozzászólás módosítva: Dec 12, 2016
Halkan megjegyzem, ez nem levelezős fórum, hanem beszélgetős. Beszélgetés közben nem szoktak minden gondolat előtt megszólítást, a végén aláírást használni, helyette viszont a válasz gombot kellene használni, hogy tudjuk kinek a hozzászólására válaszolsz, és a beszélgetés követhetősége ne szakadjon meg. Figyeld meg, hogy a többiek hogy csinálják.
Köszönöm a felvilágosítást ,ehhez fogom tartani magamat!
Ha nem vagy ,bementem volna a csőbe.Kösz!
Azért, mert a témádnak van helye, azt ott kell megbeszélni. Ez a szabály és így jó.
Sziasztok! Adott két karácsonyfa izzósor. Mindkettő 16 db sorbakötött izzóból áll. Viszont:
-a régebbi izzósorban 14V 3W-os izzók voltak -az újban pedig 15V 2,5 W-os izzók vannak. Használhatók egymással egy sorba kötve a különböző izzók? Válaszaitokat előre is köszönöm! A hozzászólás módosítva: Dec 13, 2016
Igen használhatóak abban az esetben, ha az összfeszültségük legalább eléri, vagy kicsivel meghaladja a tápfeszültség értékét. Arra fel kell készülni, hogy a nagyobb névleges feszültségű izzók esetleg valamennyivel halványabban világítanak majd, de nem biztos, hogy számottevő lesz a fényeltérés.
Esetleg még arra is számolhatsz, hogy sejtésem szerint, az elhasználódásból eredően ez után inkább már a kissebb névleges feszültségű izzók fognak tönkre menni.
Ha vegyesen használod őket, akkor a kisebb teljesitményű izzókra magasabb feszültség fog jutni és hamar ki fognak égni. Egyforma izzókat illik sorbakötni. 3 W-os a szokásos érték, azt villanyszerelési boltban lehet kapni.
Érdemes egy 1N4007-et sorbakötni az izzósorral, sokkal szebben világit (szerintem) és utána sokkal ritkabban égnek ki az izzók.
Az 50Hz -es félhullámmal táplált izzósor hogy világít szebben mint az 50Hz -el teljes hullámmal táplált izósor ezt nem értem. Így kb fele feszültséget is kap egyébként, és a fényerő is csökken... Nemde?
![]() Nem egyenirányító hidat akartál írni véletlen? A hozzászólás módosítva: Dec 13, 2016
A "szebben" és "jobban" között van árnyalatnyi különbség. Szerintem is szebb a kisebb árammal hajtott karácsonyfaizzó.
És ha a kisebb teljesítményű izzók vannak többségben?
Igazából a régi izzókat használnám teljes darabszámban, és ha kiégne 1-1 db akkor annak a helyére tennék az új izzók közül egyet egyet. Ebben az esetben is nagyobb áram jut a régebbi izzókra?? Idézet: „Ebben az esetben is nagyobb áram jut a régebbi izzókra??” Sorosan kapcsolt fogyasztók árama egyenlő. Régi 16 db -os 14V/3W izzósor (224V): Idényenként 5-6 izzócsere. Kibvővítettem 20 db-os-ra, 20 db 14V/3V (280): Azóta nem cseréltem még izzót, pedig világított már 4 - 5 szezont. Fényerőben nem jelentős a csökkenés.
Igen, de jelentősen fog csökkenni a fényerő mindkét részleten, hisz a darabok egyenként kb. 230 V-ra vannak méretezve, most ketten fognak ezen osztozni.
Sziasztok!
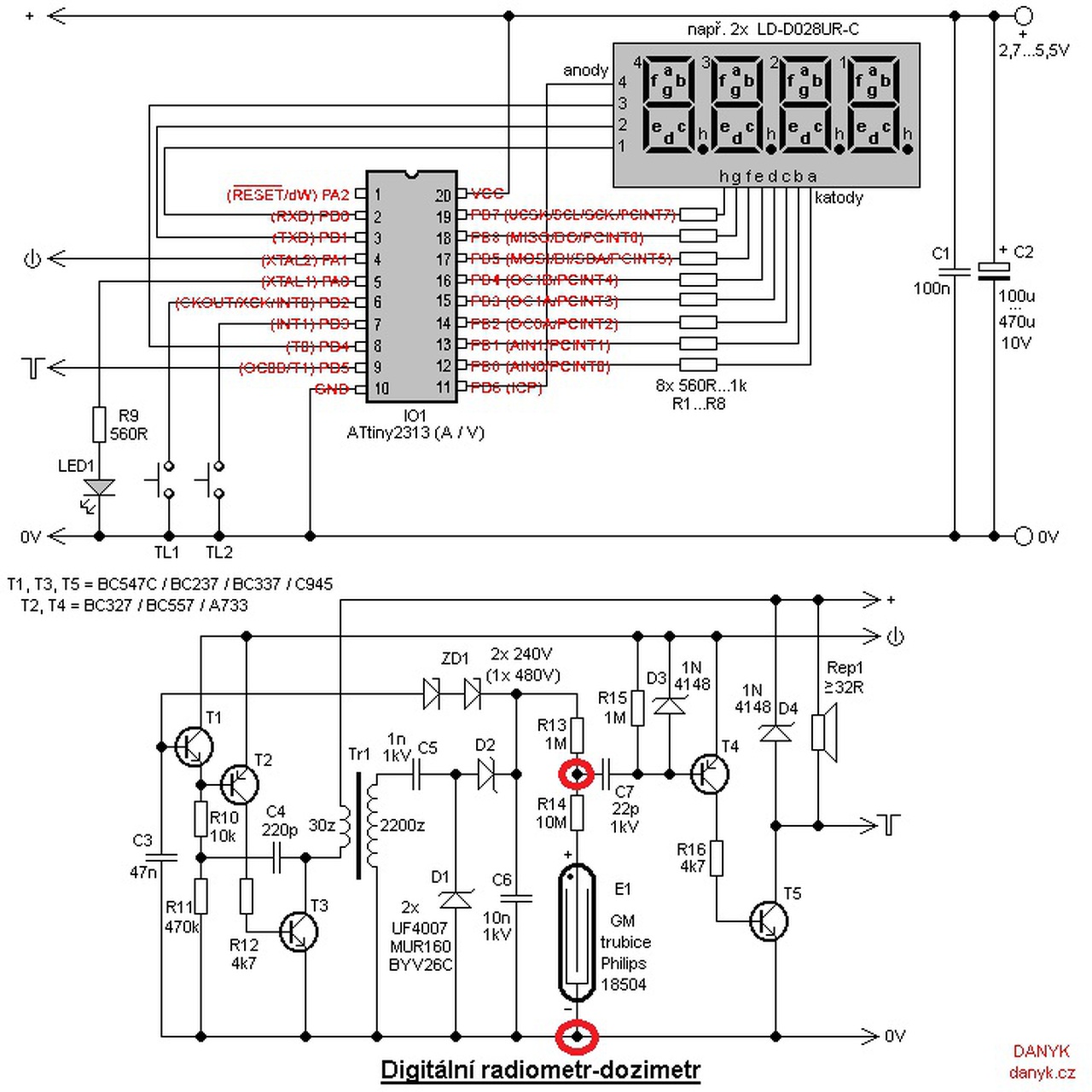
Lenne egy kérdésem, a mellékelt képen lévő kapcsolással próbálkozom, jelenleg a pirossal bekarikázott helyen mérek 400voltot, az ellenállás után már csak 214-et, jelenleg a csövem még úton van. Kérdésen az előtét ellenállás után a csőnél közvetlen kellene meglenni az ajánlott feszültségnek? Hozzáteszem eléggé kezdő vagyok elektronika terén.
A műszered vélhetőleg 10MOhm belső ellenállású, az R14-es ellenállással feszültségosztót alkot. Emiatt méred a kb. fele feszültséget. Akkor tudnál a cső kapcsain 400V körüli feszültséget mérni, ha a műszered belső ellenállása nagyon nagy, mondjuk 100 MOhm körüli lenne. (Nem sok műszer lehet ilyen nagy belső ellenállású, mert általában nincs szükség rá.)
Köszönöm a választ, már csak fel kell tornáznom kb 500 voltra
Hello! Ha esetleg nem értenéd a lényeget..
Ahogy Hp41C is írta, soros kapcsolásnál az áram közös. Vagy is minden izzón ugyanakkora áram fog átfolyni. Tehát olyan izzókat lehet sorba kötni, aminek az árama azonos. 3W/14V=0,214A 2,5W/15V=0,166A. Vagy is a 3W-os árama 1,3-szor több. Így a 15V-os izzón 0,214A áramra nagyobb feszültség fog kialakulni és előbb ég ki. A feszültség és a teljesítmény másodlagos. Pld. egy 230V/60W-os izzó sorba köthető, egy 6V/0,3A-es skálaizzóval. Mert 60W/230V=0,26A, míg skálaizzó, 0,3A folyhat át. Avagy a skálaizzó, nem fog teljes fénnyel világítani. De működni fog, mind kettő. Soros kapcsolásnál a feszültség összeadódik (vagy eloszlik, attól függően honnan nézzük). Tehát ha 12V-so izzókat kötnénk sorba a 230V-ra, akkor 230V/12V=19,1 darab jön ki. Tehát 20db-ot kell sorba kötni. A 20db. az 240V-ra jön ki, így 230V-ra épp megfelelő. De ha többet kapcsolsz sorba, pld. 22dB-ot, akkor 230V/22V=10,4V jut egy-egy izzóra és ugyan halványabb lesz, de hosszabb élettartamú a dolog.
Proli007 mesterrel egybehangzó véleményt fogok nyilvánítani, csak kicsit másképpen megfogalmazva.
Ez volt az eredeti kérdés (amda) tollából) Idézet: „ Adott két karácsonyfa izzósor. Mindkettő 16 db sorba kötött izzóból áll. Viszont: -a régebbi izzósorban 14V 3W-os izzók voltak -az újban pedig 15V 2,5 W-os izzók vannak. Használhatók egymással egy sorba kötve a különböző izzók?” Tehát akkor szerintem: 16 * 14 V / 3 W = 224 V / izzónként 65.33 Ohm (névlegesen) 16 * 15 V / 2.5 W = 240 V / izzónként 90 Ohm (névlegesen) Most ugye a hálózati feszültség (névlegesen) 230 V. Ha a 3 W-os izzósorban sorba kötünk 15 db 3 W-os izzót és 1 db 2.5 W-osat, akkor 217 mA fog folyni a körben, és a 3 W-os izzókon 14.2 V fog esni, míg a 2.5 W-oson pedig 17.3 V (azaz 3.3 V túlfeszültség). Ha a 2.5 W-os izzósorban sorba kötünk 15 db 2.5 W-os izzót és 1 db 3 W-osat, akkor 163 mA fog folyni a körben, és a 3 W-os izzón 10.7 V fog esni, míg a 2.5 W-osokon pedig 14.7 V. Látszik, hogy kevésbé veszélyes élettartam szempontjából a kisebb teljesítményű izzósorba nagyobbat tenni, mint nagyobbak közé kisebbet. A számolás sok közelítést tartalmaz, a valóságban a helyzet fokozottabb, mivel az üzemi feszültség alatt működő izzó ellenállása kisebb, míg a magasabban üzemelőé magasabb. Ráadásul a vékonyabb izzószál egyben nagyobb sérülékenységet is jelent... Ökölszabály: Karácsonyfa izzósorba, azonos izzókat teszünk. A dióda meg mindig jót tesz (személyes gumicicám ). A hozzászólás módosítva: Dec 13, 2016
Sziasztok!
Led szalag vezérléséhez 3 Mosfetet használnék. PWM vezérléssel így a FET csak kapcsolóüzemet látna el magas frekvencián. Szinte mindenhol ezt a típust ajánlják, de most elbizonytalanodtam a lábkiosztás miatt (a hűtőlemez is Drain-ként szerepel) , úgyhogy légyszi erősítsetek meg hogy nem lesz attól semmi baj ha közös aluminium hűtőlemezre csavarozom őket. Csatolmány szerint fog kinézni. Az ellenállások 10k Ohm-osak, csak hogy állandó alacsony szintet biztosítsanak amíg az ardu nem kapcsol. Köszi. UI.: Valaki nem tudja mennyi egy próbapanel névleges terhelhetősége? (a kész projektben nem ez lesz, csak amíg programot próbálok kíváncsi vagyok hogy bírná-e)
A panel huzalozása meglepő áramot elbírna, de a dugaszolós csatlakozás a gyenge pont.
Egy ampernél semmiképp se engednék át többet, ha pár másodpercnél továbbtart a kísérlet. 1A kb. 40-100 LED táplálásához elég. A hozzászólás módosítva: Dec 14, 2016
Üdv!
Párhuzamosan bármennyi ledet beköthetek 1db előtét ellenálással? kb. 100db lenneű Előre is köszönöm!
Inkább ne. Olyasmi lenne belőle, mint az orosz rulett.
A hozzászólás módosítva: Dec 14, 2016
Ha valami trükk miatt nem szükséges (pl. kamerák miatt) a nagy frekvencia, használj 300 - 500 Hz-es PWM frekvenciát, kevesebb lesz a veszteség a FET-eken.
Nem csavarozhatod egy bordára a FET-eket elszigetelés nélkül különben olyan lesz az egész, mintha az RGB vezetékeket összekötnéd. Az ellenállás a Gate és a Source láb közé kell.
Köszönöm szépen.
A "lehúzó" ellenállás innen jött, és bár a szövegben így írja ahogy te mondtad, a rajz mást mutat... Szerinted?
LED -ek soros kapcsolásánál elég 1 előtét ellenállás, azzal kevered.
Viszont minden párhuzamos ágba külön előtét ellenállás kell... A hozzászólás módosítva: Dec 14, 2016
Mindenképpen a G-S lábak közé kell az ellenállás. A Gate töltését kell nullázni ahhoz, hogy a FET biztosan lezárjon vezérlés nélkül. A harmadik (alsó) FET-nél jó a bekötés, a másik kettőnél nem.
|
Bejelentkezés
Hirdetés |







). 





