Fórum témák
» Több friss téma |
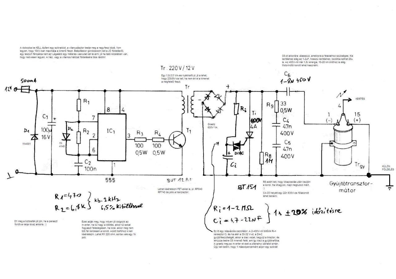
Bevallom, hogy én is arra gondoltam, hogy építek hozzá a sokak által megcsinált -és bevált - elektronikát. Hamarabb lesz mintha nekiállok javítgatni, visszarajzolni, stb.
Köszi a tanácsot !
Nézd meg a gyáriban a nagyfesz rész megoldását, ott szokott lenni egy tirisztor, tekercs, kondi a nagy trafója mellett, azt a kapcsolást próbáld megtartani, akár az eredeti alkatrészeket felhasználva. Azok az elemek ahhoz a trafóhoz vannak méretezve, úgy lesz jó a végeredményed.
Sziasztok !
Javítom azt a bizonyos villanypásztort, a sokak által megépített rajz alapján. De valami nagyon triviális hiba lehet mert csak akkor gyújt be a tirisztor (én triakot használok, mert az van...) ha az időzítő kondit rövidre zárom. Már cseréltem diacot, kondit, de semmi változás. Légy szíves segítsetek, hogy hol a bukta ?
Akkor is,ha megcseréled a triak A1-A2 lábát?
Használj tirisztort, úgy ahogy a többiek.
Ok, csak most sajna nem találok...
De majd túrok valahol. Köszi!
Butaságom története - mondhatnám röviden. Azért leírom, esetleg másnak tanulságként...
Tehát eme rajz alapján készítettem el a készüléket. Nagyon bosszantott a dolog, hogy a mindösszesen 4 alkatrészből álló relax oszci nem működik. Aztán elkezdem a fórumban olvasgatni és egy másik - nem kézzel beírt - rajzon kibukott a baki: én a Ci kondit nanofarad nagyságrendűnek olvastam.... Holott az mikrofarad nagyságrend... Csak egy kicsit gondolkodni kellett volna, de már nagyon fáradt voltam...
A történet tanulságos,jó,hogy leírtad,de még jobb,megtaláltad a hibát.Gondolom...........azóta működik a készülék.
Bevallom, hogy még nem volt időm vele foglalkozni, talán ma. De ha sokaknak működik, akkor nálam is fog....Egyébként mekkora feszültségű (min.) kondit kell oda tenni ?
Én 22µF/63v-os kondit szoktam tenni. A diac letörési feszültsége 32v, azt hiszem.
Nekem 50 V-s kondim van keszleten, azokat hasznalom.
Igazából jó az 50 és 63V kondenzátor is.Ezen a kondenzátoron működő áramkörben 32V+-2-3V lehet a feszültség attól függően,hogy a diak mikor nyit.
Még mindig nem megy. Igaz, hogy triakkal próbáltam, mert tirisztor nincs kéznél. A mérésnél a kondin 32 V-ig felmegy a feszültség és ott megáll. De nem kapcsol be a tirak.
Nem lehet ezt a nyomorult diakot valamivel helyettesíteni ? (zárlatos lett és nincs másik)
És van még egy másik gondom is. kb. 10 másodperc alatt tölti fel a kondit 220-240 voltra az inverter. Akkor az R1 értékén csökkenteni kellene ?
Pár forintos elem, de ha nincs az energia takarékos izzókból tudsz bontani.
Köszi az ötletet ! Az van mert nem szoktam kidobálni az olyan izzókat ami már nem világít. És a második kérdés ? Az R1 csökkentésével nő a kitöltés, és gyorsabban fogja feltölteni a kondit ? (18 mikrós van benne)
A hozzászólás módosítva: Dec 18, 2016
Van a rajzok közt diac helyettesítő kapcsolás. Sajnos nem tudom berajzolni, belinkelni.
Ezt én is megnézném,mond hol van,megpróbálom megkeresni,vagy melyik oldalon van a rajzok közt?
Ha én arra emlékeznék, beírtam volna. Innen másoltam ki, de nem tudom ide betenni (kezelői bénaság
).
Ba..! Lejárt az idő, míg leírtam: 1 db. 28-30 V-os zéner, szembekötve vele 1 db. dióda (pl. 1N4148), ebből 2 db antiparalel.
Köszi mindenkinek, ne keressétek ! Vettem tíz diacot.....Ma este megpróbálom megcsinálni. Arra kérek inkább javaslatot, hogy az inverternél melyik alkatrészen módosítsak, hogy hamarabb töltse fel a kondit ?
Nem én találtam ki, innen valahonnan van. Ha be tudod rajzolni, tedd fel, hadd lássam, jól értetted-e.
Jól értettem... nyugodtan teszteld le egy műkapcsolásban, mit csinál az a "diac" - átvezet 30 volt felett , aztán annyi.
Én nem értek hozzá, de nem az a diac dolga? Aztán ~30 V alatt lezár.
|
Bejelentkezés
Hirdetés |




De majd túrok valahol.
). 




