Fórum témák
» Több friss téma |
- Ez a felület kizárólag, az elektronikában kezdők kérdéseinek van fenntartva és nem elfelejtve, hogy hobbielektronika a fórumunk!
- Ami tehát azt jelenti, hogy a nagymama bevásárlását nem itt beszéljük meg, ill. ez nem üzenőfal! - Kerülendő az olyan kérdés, amit egy másik meglévő (több mint 17000 van), témában kellene kitárgyalni! - És végül büntetés terhe mellett kerülendő az MSN és egyéb szleng, a magyar helyesírás mellőzése, beleértve a mondateleji nagybetűket is!
Vélhetően azért, mert a 1183 zárófeszültség maximuma 50V.
Próbáltam mechanikusan átírni az értéket, keresni a TINA könyvtárban nagyobbakat sikertelenül, egységesen 50V.
Más ötletem nincs (ha jól emlékszemm nekem nincs ilyen a demóban) de próbáld ki egy 1N4007-el, hogy azzal mit tesz.
A teljesítmény LED-ek táplálása gyakorlatilag mindig áramgenerátoros.
Köszönöm, úgy látszik valami könyvtár probléma lehet, mert az említett dióda sincs. Keresek egy aktualizáltabb verziót.
Üdvözlök mindenkit. Az lenne a kérdésem, hogy mit ajánlotok első nagy bevásárlásra? Milyen alap alkatrészeket tudtok ami mindig elszokott fogyni otthon? Beleértve tranzisztorok, ellenállások, kondik stb. Lehet, hogy már valaki feltette ezt a kérdést de sajnos én nem találtam azt a topicot. Ezért elnézést kérek ha rossz helyre került kérdésem.Válaszokat előre is köszönöm! További szép estét.
Hát akkor ha 64W ot fogyaszt 90 helyett és az után fizetünk, az jó.
Ekkora eltérés nem lehet a műszerben. De majd multiméterrel lemérem simán az áramot.
Nekem nem egészen tiszta ez a táblázat amit készítettél. Először is, a fényerőt nem amperben szokták kifejezni, hanem lumenben, és mivel ilyen adat nincs benne, gondolom ezt nem is mérted.
Amperben az áramerősséget szokták mérni, és pont ez amit nem értek a táblázatodban. Mivel a bemeneti feszültség 230V, ha igazak a "mérhető fényerő" oszlopba írt adatok, akkor akárhogy számolok, a teljesítményadatok helytelenek. (Ugyanis P=U*I, tehát 230V*1A=230W). Gondolom a teljesítmény értékeket és a kapocsfeszültséget a műszerről olvastad le. Szóval ha azt vesszük, hogy ebből a két adatból számolunk áramerősséget (I=P/U, akkor 15.4W/230V=0.0669A). Akkor hogy is jött ki neked 1A? ![]() És ez a táblázatod minden sorára érvényes. (Szerintem már itt valami mérési hiba van a dologban...) A hozzászólás módosítva: Jan 15, 2017
Szerintem a kolléga az A, 2*A, stb kifejezéssel azt próbálta érzékeltetni, hogy az eredő fényerősség az alap A-nyi érték (itt az A egyszerűen egységnyi fényt jelent) hányszorosa. Írhatott volna x Candelát is helyette.
A hozzászólás módosítva: Jan 15, 2017
Szerintem teljesen félreértetted a táblázatát... 1 led által adott fényt A-val jelölte. Jelölhette volna X-el is, de neki az A jutott eszébe.
Szerk: Közben nedudgi is leírta. Valószínűleg valami fényelemmel mért valamit, ami nem egy pontos mérés, de összehasonlításként jó lehet. A hozzászólás módosítva: Jan 15, 2017
Az lehet, de nekem ez eszembe se jutott, csak pont az áramerősség mértékegysége ugrott be rögtön az "A" betűről...
Szia! Én fordítva kezdtem, valahogy úgy, ahogy Bakman kolléga mondta. Elkezdtem foglalkozni az elektronikával, és amikor csináltam valamit, mindig több alkatrészt vettem, mint ami kellett hozzá. Így a maradékból összegyűlt egy jelentős mennyiség.
De ahhoz tudni kell, hogy konkrétan mivel akarsz foglalkozni ( erősítő, hajtások, táp,....)
Sziasztok! Egy motor sebesség szabályozót kötöttem be a lemezjátszó áramkörébe, ami tökéletesen állítja a motor sebességét 0-100%-ig, de nagyon nagy zajt csinál a hangszóróba. Mivel lehet ez kiküszöbölni? A bemeneti feszültség 1.8 és 7.5V között van. Köszönöm!
Az biztos megoldás a motorszabályzó, a motor vezeték,
és a teljes motor leárnyékolása. Ha a motor egyenáramú, akkor egy pufferelés is sokat segít. Nem gondoltam volna hogy valaki ekkora madárnak néz.Az nem Amper akart lenni de írhattam volna X-et is, az igaz, úgy nem téveszt meg. Tessék, ha úgy jobban tetszik, 1m távolságból: 1: 565 lx 2: 1130 lx 3: 1695 lx 4: 2260 lx 5: 2825 lx 6: 3390 lx Persze némi kerekítés van benn +/- 50 lx
Jól van, közben rájöttünk, én néztem be...
Nem tudom hogy impulzusüzemű-e a szabályozás, mekkora a lemeztálca tömege, motor nyomatéka, de ha a szabályozás hangfrekvenciás tartományban van, akkor nem kizárt, hogy az is megjelenik a hangszedőn, a sebességingadozás miatt.
Ez a szábályozó: DC Motor speed controller
Ez pedig a zaj ami keletkezik a hangszóróban: Zaj hangfájl
Az ilyen fajta szabályzók termelik a zajokat. Audio áramkörök közelében nem használnék ilyet, mert nagyon macerás kiszűrni a zavarokat. Valami egyszerű áteresztő stabilizátoros szabályzó kellene, például mondjuk LM317-tel, vagy valami hasonlóval.
Ez biztosan impulzus hiszen PWM.
A kimenet szűrése egy néhány tíz mikrós, és egy 47-220nF os kondival kelleni fog, hogy ne ilyen lórúgás-szerű jelek legyenek, az árnyékolás pedig elengedhetetlen. Egy sorol ellenállás, vagy durva fojtó tovább javíthatja...
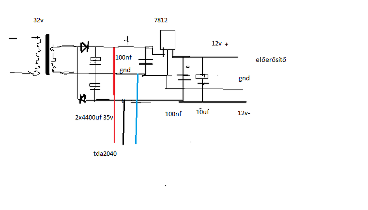
Szia ! leírnád nekem hogy jó lesz így a bekötés alul a rajz . nekem ilyen a trafóm elnézést a csunya rajzért
Lásd melléklet. A rajzon nem szerepelnek a hidegítő 330n és 100 nF-os kondenzátorok. A 7912 kimenetére kell egy kis terhelés mindig, különben felkúszik a feszültsége. Egy LED már elég.
Szia! Ahogy nálam a 18v os trafo virtuális gnd a megoldás a 7812 és a 7912 is kell a folytatáshoz. akkor fogja birni a tda és az előerősítőt is? azt hittem elég lesz a 7812 de a 7912 most már venni kell vagy keresek egy régi tv-ben
Milyen terheletőségű a trafó és a kapcsolások mennyit vesznek fel? Ha ezeket tudod, tudod a választ is.
Sziasztok,
most megint volt időm foglalkozni a kapcsolással és mivel azóta nem érkezett válasz a kérdéseimre ezért frissíteném őket. Tehát EZT a kapcsolást szeretném megépíteni 12V-os asszimetrikus tápegységgel. A számításaim: Egyenirányítás után a tápfeszültség: U=12V*1,41=16.97V=>Legyen 17 a könnyebb számolás miatt. Tehát van 17v tápfeszültségem, ha megnézem az TDA2030 adatlapjának 1. táblázatát akkor ez 6 Ohm-os hangfal esetében kb. 3.5W teljesítményre képes. Tudom a diagrammba nincs 6 Ohm-os lehetőség ezért kb félúton a kettő közé lőttem be. Innen továbbszámolva P=U*I=> ahonnan I=P/U => 3.5/17=0,205A És itt merül fel az első kétely bennem, hogy egy ilyen kis erősítőnek elég lenne egy 0,2-0,3A-es trafó? Mert én eredetileg erre a toroidra gondoltam de ide akkor ez erősen túlméretezett lenne. Köszönöm a segítséget.
Ettől valamennyivel többet fogyaszt az erősítő, lévén a TDA IC-nek is van saját fogyasztása. Azt is vedd számításba, hogy nem baj az (sőt), ha a tápegység többet tud, mint amennyit elvárnak tőle. Kis erősítő, kis trafó. 0,5 - 0,7 A terhelhetőségű már biztosan elég lesz.
12 x 1,41 = ~ 17 V, de ebből még lejön az egyenirányítás vesztesége, amit a diódák nyelnek le, kétutas esetén kb. 2 x 0,5 V-tal kell számolni, marad 16 V. Azon ne lepődj meg, ha a megvásárolt trafó kimeneti feszültsége valamennyivel nagyobb, mint amennyi rá van írva. A kimeneti feszültség általában akkor anyi, mint a névleges, ha terhelve is van a megengedett árammal.
Ott van a lényeg a nyolcadik felsorolási pontban miszerint:
Idézet: „Functionally interchangeable with the NE555; has same pinout” Magyarul funkcionálisan helyettesíthető az NE555 IC -vel, a lábkivezetése azonos. Mindkét adatlapban ott van... (Egyébként paraméterbeli különbségek vannak.) A hozzászólás módosítva: Jan 15, 2017
Köszönöm! Kár,hogy nem tudok külföldiül és a gugli fordítót is elfeledtem.
|
Bejelentkezés
Hirdetés |





Nem gondoltam volna hogy valaki ekkora madárnak néz.






