Fórum témák
» Több friss téma |
WinAVR / GCC alapszabályok: 1. Ha ISR-ben használsz globális változót, az legyen "volatile" 2. Soha ne érjen véget a main() függvény 3. UART/USART hibák 99,9% a rossz órajel miatt van 4. Kerüld el a -O0 optimalizációs beállítást minden áron 5. Ha nem jó a _delay időzítése, akkor túllépted a 65ms-et, vagy rossz az optimalizációs beállítás 6. Ha a PORTC-n nem működik valami, kapcsold ki a JTAG-et Bővebben: AVR-libc FAQ
Sajnos mi sem tudtuk kideriteni az okokat ( a barátom profi AVR alkalmazo és berendezés tervezö ipari célokra). A tény sajnos tény maradt, hogy vagy 30 chipböl csak 5 ment mindenhol.a JTAG-l.
Ezért fel is adtam a kisérletezést és átvettem töle 10 SMD szerelt NYAKot a chipekkel együtt. Érdekes modon azok mind mennek. Itt nem volt tiltás, hiszen ugyanaz a chip a fejlesztö környezetben ment, csak a breadbordon meg/vagy a saját tervezésü NYÁKban nem szolalt meg a JTAG. A hozzászólás módosítva: Ápr 7, 2017
Ha egy LED egyszerre két lábról is kap "high" jelet (5V-ot) akkor az mennyire tesz jót az AVR-nek és károsodik-e a LED?
Ez a kérdés komoly alapismeretekbeli hiányosságokra utal. A LED természetesen nem károsodik (feltéve persze, hogy használsz áramkorlátozó ellenállást). A gond inkább akkor van, ha a két lábat nem egyszerre kapcsolod (ebben az esetben tönkremegy az AVR). Ha nagyobb áramot szeretnél, használj tranzisztort.
Én úgy értelmeztem, hogy az AVR két lábára köti a LED-et. Amennyiben így van, az AVR nyilván nem károsodik. Az sem biztos, hogy az egész AVR tönkre megy, csak az adott PIN-ek, bár régről rémlik valami túláramvédelem. Az írásod többi részével egyetértek.
Hát, ha egy kész áramkörben tönkremegy két láb, akkor én úgy veszem, hogy kuka a mikrokontroller.
Én is úgy értelmeztem, hogy egy AVR két lábára gondolt, feltételezem, hogy a maximális áramkorlátukat akarta ilyen módon kicselezni (rossz ötlet).
A kezdeteknél működik, ha átkonvertálod az elektronikai alapokat a "megfoghatóbb" makróvilágra. Ebben segít, hogy az elektronika alap működése sok szempontból analóg a folyadékok viselkedésével. A feszültség megfeleltethető a folyadékok nyomására, az áram pedig a folyadékok térfogat áramára. Az ellenállás pedig a csőfalak súrlódása (turbulens áramlás esetén borul a dolog).
Ebből máris adódik ha megnyitsz két szelepet és ugyanakkorra a nyomás a két oldalon, akkor nem történik semmi különös, a víz ugyanakkora sebességgel fog áramlani a kisebb nyomású pont felé (pl. kifolyó) és a folyadék térfogatáramat csak az úton lévő elemek ellenállása fogja korlátozni.
Igen, egy kész áramkörre tekintve kuka. A kép szerint gondoltam két lábat felhasználni, nem áramnövelés céljából.
A hozzászólás módosítva: Ápr 7, 2017
Ezzel így semmi baj sincs. Megfelelő konfig esetében.
De felmerül bennem a kérdés, hogy mi értelme van?
"(ebben az esetben tönkremegy az AVR)." - ez egy kicsit durva kijelentés. Károsodhat, de nem feltétlenül fog! A kimenetek olyanok, hogy minél nagyobb áramot veszel ki, annál több fesz. marad az IC-ben (lásd adatlap). Két kimenetnél az egész 5V bent marad, megoszlik a két kimenet között valamilyen arányban, az áram pedig a belső kapcsolástechnika miatt is korlátozva van valahol, tehát nem fog 500mA-nál több folyni, ez tuti. Hogy mennyi fog, meg kell mérni. Aztán hogy ez a keletkező hő mekkora, és milyen sokáig tart, befolyásolja, hogy tönkre megy-e az a kimenet.
Nálam már többször történt ilyen zárlat, sosem lett károsodás. Még az is lehet, hogy az áram korlátozva van x mA-re.
Köszönöm a gyors válaszokat. Nem szerettem volna teljesítményt novelni, csupán lábat spórolni. Az X jelzés elöállításánál ugyanis a keresztezödésben lévö LED kapna két lábról egyszerre is áramot. Az X ferde vonalai ugyanis nem csak ott vannak bekapcsolva, hanem a bal, illetve a jobb nyil megjelenítésénél is. De én magam is ódzkodom ettöl. Ìgy inkább azt az egy szem LED-et egy külön lábról fogom üzemeltetni.
A hozzászólás módosítva: Ápr 7, 2017
Ha az egyik lábat először bementnek állítod, a másikat pedig kimenetnek, akkor nem lesz gond. Ha mindkettő GND vagy mindkettő +VS, akkor se lesz semmi.
A hozzászólás módosítva: Ápr 7, 2017
Az alábbi megoldást választottam. Az ábrán minden egyes szín külön lábat jelöl. Az imént említett kritikus LED (rózsaszínnel jelölve) marad külön lábon inkább. Az alsó LED(fele zöld-fele kék) ugyan két lábról kapna jelet, de nem egyidöben. Az a két láb még kap egy-egy 1N4148-ast is, így visszafelé semmiképp sem folyhat az egyik lábról áram, amíg a másik "high" állapotban van. Ìgy most a legtöbb az 8 db LED, ami egy lábról üzemelne, tranzisztorral.
A hozzászólás módosítva: Ápr 7, 2017
Bocs, de meg kell, hogy kérdezzem, diódás vagy kapcsolást ismered?
A proci akármelyík lábáról magas szint jön, a LED világítani fog... Természetesen, ha teljesítmény ledet használsz, vagy tranzisztor/fet kapcsolja a ledeket, akkor az R ellenállás a teljesítménykapcsolóra megy... Nem kell ezt máshogy trükközni szerintem... A hozzászólás módosítva: Ápr 7, 2017
Akkor azt hiszem félreértettem a dolgot...
Vagy en ertettem felre. Ezert is torlotem a postomat, csak kozben te valaszoltal... Race condition, fejlesztok!!!
Ez alapvetöen rossz (amatör?) áramköri megoldás!!! Talán éppen tegnap beszéltünk arrol, hogy a kimenetek open collectoros voltát kell kihasználni, azaz a kimenet a GND-re huzza aktiv állapotban a kimenetet. A LED-ek ellenálláson keresztül a Vcc kapcsolandok.
Én igy csinálnám.
G- zöld GL- világos zöld V- lila BL-világos kék B- kék GB- kék zöld G a zöld kimenet B a kék kimenet X a kereszt kimenet - valamennyi GND- re kapcsolva aktiv Természetesen a LED lehetnek egyediek vagy több is akárhogyan csoportositva ( sorba kötve vagy párhuzamosan, csak az áramra vagy a feszültségre kell vigyázni). Valamennyi dioda 1N4148 stb.
Nem vágom, nem az a cél, hogy bármelyík kimenet aktív, a led világítson?
(Az ellenállást meg a ledet fel lehet/kell cserélni...) A hozzászólás módosítva: Ápr 7, 2017
Lásd alább - valamennyi LED világit akkor amikor kell.
Kb lerajzoltad ugyan azt, amit az imént, csak te ábrázoltad az összes színt, én meg csak egyet...
De fordítva is működik, ahogy írtam... (Az előzményre nem emlékeztem, azért rajzoltam először pozitív logikával...) A hozzászólás módosítva: Ápr 7, 2017
Köszönöm szépen az ötleteket, hétvégén ki fogom próbálni. Amúgy az "egyszerü eset", a két fehér 3 mm-es víztiszta LED, párhuzamosan 330 Ohm-mal gyönyörüen villognak 20 ms-on egy AVR lábon, mint az igazi Xenon lámpái.
Már ki is próbáltam a 3 láb-1 LED változatot a diódákkal. Minden rendben megy probléma nélkül. Köszönöm.
8 db 1,8 mm-es sárga, párhuzamosan kötött kis diffúz LED-et is kimértem és 330 Ohmos ellenállással 7,5 mA-t vesznek fel.
Na látod 4 port kell meg 4+1 vezeték kell - proci meg a LED fal közé.
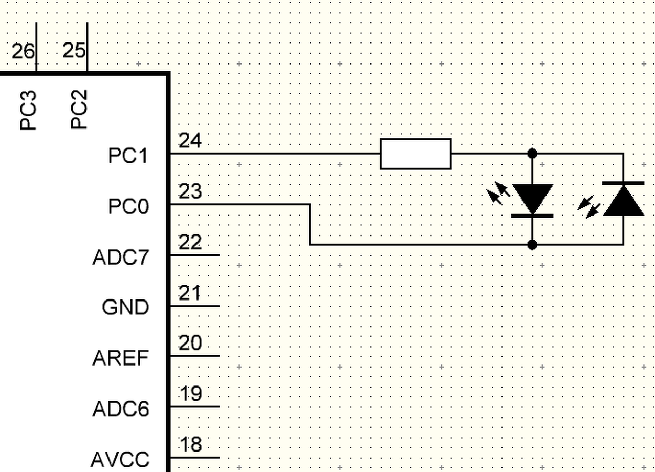
Ez egy antiparalel kapcsolás, és az az értelme hogy 2 vezeték elég, nem kell 3.
Jo napot, sziasztok. Lenne egy kérdésem. Atmega 328 transistor tester voltmérésnél mi történik, ha negativ feszültséget mérek vele. Kijelzi-e vagy tönkremegy. Gondoskodni kell-e a polaritás váltásrol, vagy képes +- mérésre. Elöre is köszönöm a válaszokat. Sajna nem találtam erröl infot sehol.
Szia!
Bővebben: Link A testernek ez a saját topikja. A kapcsolást annyira nem ismerem, hogy a legújabb verziók milyen kiegészítőkkel rendelkeznek, de szerintem nem képes a GND-hez képest negatív feszültséget mérni. Hogy tönkremegy-e az kérdéses, függ a mérendő feszültésgű kör belső ellenállásától. Az AVR tartalmaz belső védődiódát, de az csak 1-2mA elvezetésére elegendő.
Köszönöm a vàlaszt.Àltalànossàgban egy microvezérlö alkalmas-e önmagàban màs alkatrész nélkül plusz minusz feszültség mérésére vagy csak pozitivra?
Én még nem láttam olyan mikrovezérlőt, ami a GND-től negatívabb feszültséget is tudja mérni. Ez nem jelenti egyértelműen azt, hogy nincs ilyen de minden bizonnyal nagyon ritka.
|
Bejelentkezés
Hirdetés |















