Fórum témák
» Több friss téma |
Fórum » TDA7250 Végerősítő
Szia! Ha a bemenet letestelésétől elmúlik a probléma akkor a kimeneten tapasztalt egyenfeszültség egy gyenge oszcilláció átlagfeszültsége lehet. A kábelezés nem lett bolygatva?
Amúgy a kondi hiányában is gerjedés lép fel, ami akár az IC-t, akár a tranzisztorokat megviseli.
A kábelezés nem lett bolygatva,
a végtranzisztorok jók, az az oldal ami ezt csinálja az nyitvhagyott bemenettel eltérő vezérlést kap (+710mV és -1710mv) A bemenetet a becsatoló kondi után kell testelni hogy megszűnjön ez a hiba
Úgy néz ki a hibás oldal bementi differenciál-erősítője sérült. IC cserét javaslok.
köszönöm
Ic hibára gyanakodtam én is, csak reménykedtem hogy hátha valaki nállam okosabb azt mondja h nem az... (majd ha a nagyobb trafót megrendelem rendelek mellé egy ic -t is )
A történet úgy játszhatódott le, hogy az elkó hiányában kialakuló egységnyi erősítés a rendszerbe ágyazott lomha tranziens viselkedés miatt egy szép nagy gerjedést hozott létre. Az invertáló bemenet csaknem táptól-tápig érő jelet kapott. A diff. erősítőben például megnyúlt egy ellenállás.
Értem köszi a segítséget.
(A gyerekek azért szólhatott volna hogy "bocsi de kitörtem valamit...")
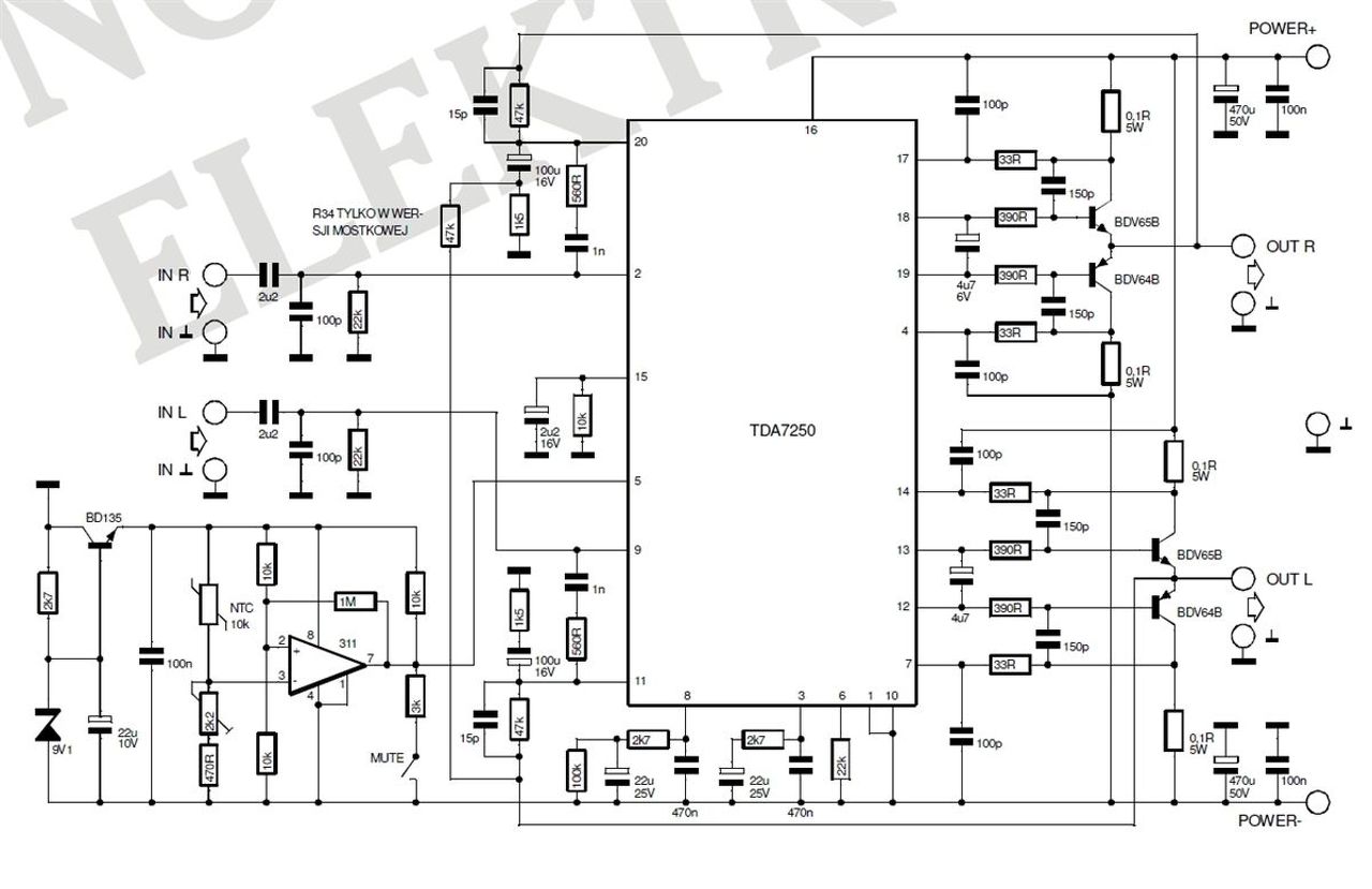
Hellótok. segitségeteket szeretném kérni, mivel olyan problémám van amivel egyedül nem boldogulok
... az van, hogy kimeneten csak nagyon halkan szól a zene, amit a bemenetre köttem. Vettem bele új TDA7250-et, és TIP142 TIP147 párost mindkét oldalra, de a helyzet ugyan az. Merre keressem a hibát? mellékletben a bekötés, ami szerint csináltam.
Szia! A hidaláshoz való R34-et beültetted? Mekkora a feszültség az 5-ös lábon a negatív táphoz képest?
nem. az R34-et nem kötöttem be. ha otthon leszek, akkor lemerem a feszültseget is
lemértem, és a feszültségkülönbség a negativ táphoz képast az 5-ös lábon 0V...
Akkor helyes, hogy nem szól, némításban van az erősítő. Az 5-ös lábnak 3V-tal pozitívabbnak kell lenni a negatív táptól. Nem néztél el véletlenül valamit a hővédelem áramkörben?
éppen ma gondoltam rá én is. Megnéztem az lm311-es IC-t. Nemtudom az lehet e gond, hogy a 7-es láb és az 1-es láb közt 0 az ellenállás. Illetve a 7-es és a 8-as közt is.
Elég komoly zárlat lehet, mert ez azt jelenti, hogy 1-8 között is vezetés van.
Jól ültetted be az IC-t? Minden esetre, ha eltávolítod, működnie kéne az erősítőnek a mute kapcsoló nyitott állásában. Ellenőrizd a BD135 emitterén a negatív táphoz képest +8,5V körüli feszültség jelenlétét!
jól volt becinezve, mivel kb. fél évig ment szépen.
ellenőriztem de a tranzisztor emmitterjén is 0V a feszültség.
A zárlatos IC-t eltávolítottad az emitter-feszültség mérésekor?
Szerk.: a BD135-öt érdemes kimérned. A hozzászólás módosítva: Ápr 28, 2017
igen el volt távolitva. ha egyenesen az 5-os lábra kötném a gnd-t, akkor a minuszhoz képest ott +36 V lenne. Milyen feszültséget vihetek maximum az 5-ös lábra?
Ne légy rest felütni egy TDA7250 adatlapot a google segítségével Bővebben: Link.
Az 5. oldalon szerepel a készenlét és a némítás feszültségtartománya. A negatív táptól 4V-tal pozitívabb feszültség kielégíti a legszűkebb (3,6V) feltételt is. A megengedett legnagyobb feszültség a negatív táphoz képest az 5-ös lábon 12V.
Egyenfeszültség került a kimenetre, vagy más a magyarázat?
Sziasztok!
Valaki megépítette már ezt az erősítőt? Mi a vélemény róla? A hozzászólás módosítva: Okt 19, 2020
Sziasztok!
Magyarázat az előző (fél éve feltett) kérdésemhez.... Régebbi projektből maradt egy TDA7250 IC, amit szeretnék hasznosítani. A fenti kapcsoláshoz szinte minden alkatrész rendelkezésemre áll. A NYÁK viszont majdnem A4 méretű. Ha valaki már megépítette és pozitív véleményt írna róla akkor nem "skótoskodnék", hanem megcsinálnám. De köszönettel fogadnék olyan kapcsolást NYÁK tervvel amihez a rendelkezésemre álló BDW93C-94C 80W-os Darlingtonok felhasználhatók. (Esetleges kisebb NYÁK és helyigény miatt).
Sziasztok!
Elválaszolgatok még magamnak párszor, hátha valaki csatlakozik hozzám... Láttam itt pár kapcsolást TIP142-147 párral, még NYÁK rajzok is vannak hozzájuk. A gond az hogy anyagilag le vagyok amortizálva és kényszerből abból dolgoznék amim van. Na már most nekem elég lenne 8 Ohmra 60W. A BDW-im az "óccsóbb" kategóriába tartoznak, tehát csak úgy egyszerűen nem merem helyettesíteni velük a 125W-os TIP-eket. Ha a táppal lemennék +- 30V-ra talán nem füstgépet építenék de azért néhány jó tanács jól jönne!
Szia! Úgy látszik ez a TDA7250 nem sikertörténet.
Az erősítős topicba tett be valaki alis erősítőt, 60w valami 800ft postával, 12volt kell neki. Nem lenne egyszerűbb? Vagy ez annyira jó hangú?
Szia!
Innen szép a győzelem! Visszaolvasgatva találtam egy kapcsolást 70W-os BDX-ekkel +-25V táppal. Csak hát bolhás kutya legyek, ha ez alapján visszarajzolom a NYÁK-ot... Nézelődök még a NET-en, keresem az "igazit".
Sziasztok!
Találtam egy szimpatikus rajzot PCB, beültetés, meg minden. Csak nem értem mit keres a bemeneten egy optocsatoló? Hoppá! Nem is a bemeneten van! A némításon? Miért? A hozzászólás módosítva: Máj 2, 2021
|
Bejelentkezés
Hirdetés |





... az van, hogy kimeneten csak nagyon halkan szól a zene, amit a bemenetre köttem. Vettem bele új TDA7250-et, és 













