Fórum témák
» Több friss téma |
Fórum » NYÁK terv ellenőrzése
Hibás helyek..
Mellesleg nekem az eredeti se tetszett.. A hozzászólás módosítva: Ápr 24, 2017
Szia!
Ha zavar az SMD, akkor az eredetibe is be tudod rakni a furatszerelt alkatrészeket. Elég nagyok a padek ahhoz, hogy akár átfúrd őket és úgy forraszd be, vagy csak kicsit meghajlítsd a lábakat és a padre úgy forraszd rá az alkatrészeket. Szerintem jobban járnál úgy, minthogy ennyit küzdj az átrajzolással...
Köszönöm szépen!
Szia! A legtöbbet be lehet forrasztani , csak az ic alatti nagyon fontos ellenállást a kondijával nem . Az eredeti panelt is elkészítettem , csak sikerült a legkisebb 1% os smdket megrendelnem. Elkezdtem , de nem tetszik . Normál alkatrészeket meg tartok itthon. Üdv.
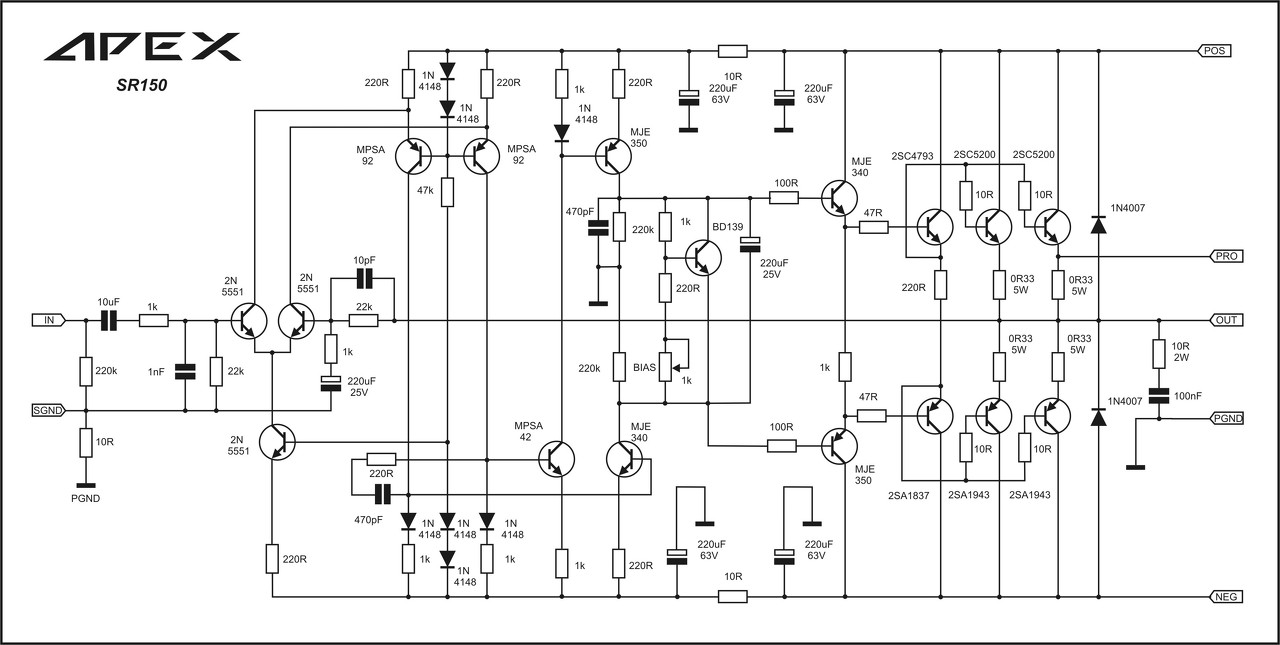
Sziasztok!
Átvizsgálásra szánnám az alant látható tervet. Előre is elnézést kérek a rossz réteghasználatért, de a tranzisztorok a panel alá kerülnek majd, helytakarékosság végett. (2U magas dobozba készül majd) A kapcsolási rajzon sajnos nincs pozició szám.
Ez a fajta megközelítés nem tetszik neked? Nálam nagyon jól bevált.
A terven a csatlakozóknál van egy hosszú horony. Az minek van ott? Ezek a késes csatlakozók 2 db furatba csatlakoznak.
Üdv!
Néztem már a Te általad kiötlött tervet is, de nekem egyenlőre elég lesz az SR150 is. A több paneles elrendezésben nem gondolkodtam, szeretném a lehető legegyszerűbben kivitelezni. Milyen hosszú toronyra gondoltál? A hozzászólás módosítva: Jún 4, 2017
Idézet Alkotó hozzászólásából:
Idézet: „hosszú horony” Idézet Helios hozzászólásából: Idézet: „Milyen hosszú toronyra gondoltál?” Az O (outline) réteg a körvonal rajzát hordozza. Egy gyártó a fehér vonalak mentén kimarná a paneledet a csatlakozó két forrasztási szeme között.
Szia. Jajj. Az régi makró, egy tervről érkezett hozzám, de közben már észrevettem.
Hello! A "torony-horony" amiről szó van, az nem egy ilyen csúszósarú nyákba forrasztható apa?
Sziasztok!
Mikrokontrollerhez építenék dimmer modulokat és egy nullátmenet érzékelőt. Csatolom a kapcsolási rajzot és a nyáktervet. Az észrevételeiteket előre is köszönöm.
Szia.
Én a 230V-ot amennyire lehet, messzire vinném a többi áramkör fóliasávjától. A zerocrossing panelen ezért lefelé húznám az R3 és D1 irányába. A J3 és J4 összekötése fontos? Optocsatoló alatt NEM vinnék semmit, lerövidül a kúszóáram-út! Másik panelen szintén ezek.
Köszi. Most látom, hogy a zerocrossingnál vihetném balról körben is vezetősávot. A J3 és J4 a csavarok furatát jelölni, amik le lesznek földelve. Az azokat összekötő sáv védőföldön lesz.
A kapcsolási rajzban látok gondokat:
- D1 forditva van. - Q1 bázisába kellene egy soros ellenállás, igy semmi sem korlátozza a bázisáramot. - Szerintem a MOC LED-jével mehetne sorba is a D1. - Adatlap ajánlása szerint G és A1 közé kellene ellenállás (én tennék). Cserébe esetleg R3 és C1 esetleg elhagyható.
Sziasztok! 6x6-os matrix kijelzőt készítek, az izzók vezérlése 6-6 modullal lenne megoldva, PIC fogja vezérelni az MOC opto triacot (zerocrossos), az pedig egy BTA16ot, és erre mennek majd az izzók mátrixba kötve....
Abban kérnék segítséget hogy valaki át tudná-e nézni az erőátvitel panelt, hogy fog e így működni?? (A kapcsolási példát az MOC adatlapjából néztem) Előre is köszönöm a segítséget!
Az optocsatolót 400 mil (4 raszter) lábsor távolságúra tervezni, a lábsorok között min. 7.5 mm széles fémmentes részt kihagyni. Ebből következik, hogy az optocsatoló hasa alatt nem mehet huzalozás.
A hozzászólás módosítva: Jún 8, 2017
Hello!
Az adatlap kapcsolása nyilván jó, de itt az MT1 és MT2 fel van cserélve. Mert a 360ohm-nak a Gate és MT1 közé kell csatlakozni, a MOC pedig az MT2-őt kapcsolja a Gate-re a 360ohm-on keresztül. Valamint a MOC diódájának vélhetően van előtét ellenállása, ami jobb ha ezen a panelen helyezkedik el, mielőtt közvetlen tápot adsz véletlenül a "BE+ és BE-" pontok közé és azt a MOC diódája meg fogja köszönni..
Sziasztok. Most készültem el egy kapcsolás nyáktervével és szeretném ha valaki átnézné minden esetre.
Egy kapcsolóüzemű DC-DC converterről van szó, 2,5V bemenet és 5V kimenettel,maximális 3A terhelhetőséggel. Sprint Layout-ban készült a file TIP41C a tranzisztor és 1N5819 a dióda. Az egyik helyen ahol 0,47ohm kéne legyen oda 2x 1ohm van párhuzamban kötve,mivel sajnos 0,47 ohm -ot sehol sem találtam. 82µF-os kondik helyett 100µF-ok vannak,a többi érték változatlan.Mod.: A dióda tudom hogy nem bír 3A-t csak 1-et de ez még csak a próbaverzió lesz,ha működik nagyobb schottky diódát kap. a jelenlegi 1A/40V-os típust leváltom egy 5A-esre. A hozzászólás módosítva: Jún 13, 2017
Szia!
Ha az a sok lyuk az ic felett a tekercs, akkor nem jó, mert a tekercs a 7-es lábra megy nem a 8-ra.
Köszönöm,ez elkerülte a figyelmem. Módosítottam,így már jó?
Az átkötés minek?
a 4-es lábra rá lehet kötni és akkor nem kell..
Javítva. Esetleg még valami észrevétel?
Ha annyira akarod
Szerintem a 2 teljesítmény ellenállás túl közel van egymáshoz, nem fognak elférni egymás mellett, ezenkívül én tennék forr-szemet a ki és bemenet számára is ne hogy leszakadjon a vezetősáv.
Nem olyan nagy teljesítményű ellenállások (fél watt),így elférnek egymás mellet,bár eredetileg a 1,5A-es alkalmazásában is csak egy fél W-os ellenállást láttam.
Látok a panelon egy CE jelet. Ez mit jelent? Minek van ott?
"Európai szabvány". Bár csak ráraktam mert üres hely volt rajta.
Javaslat mit tegyek helyére?
Alkotó kolléga tanácsára lekerült a CE jelzés a panelról.
Igazából kell rá szöveg, hogy tudd melyik oldal melyik a nyák készítésénél, de inkább azt írd rá hogy micsoda vagy a neved.
|
Bejelentkezés
Hirdetés |
















Egy kapcsolóüzemű DC-DC converterről van szó, 2,5V bemenet és 5V kimenettel,maximális 3A terhelhetőséggel. Sprint Layout-ban készült a file 
a 4-es lábra rá lehet kötni és akkor nem kell.. 




