Fórum témák
» Több friss téma |
Igen azzal tisztában vagyok. Meg van hozzá a lendkerék is. Annál ki van hagyva egy kis rész a mágnesek között a jeladónak.
Na közben találtam egy s51E rajzát. Rosszul írtam az előbb amikor azt írtam, hogy mehet akkumulátorról a gyújtás ha elromlik a tekercs.
Úgy gondoltam, hogy ha a töltőtekercs döglik be valamiért akkor viszont mehet akkumulátorról a tirisztor ha a 14-es pontra az akkumulátor pozitivját kötöm, nem? S51E
Szia!
Nem lesz jó.A 12V kevés neki. Egy jobb rajz. Amúgy meg vannak ettől sokkal jobban olvasható rajzok is. Te rajzod 6V és mégis 12Vos fesszabályzót akarsz használni. Ez a rész teljesen más a 6V és 12Vos gépeknél.
Kipróbáltam a feszabályzót amit találtam itthon, de az szerintem a 6 voltosokhoz való vagy nem is működik mert nem csinált semmit.
Terhelésen(akksival) fordulaton 16voltot tölt. ![]() Csak kéne egyet építenem, de akkor már olyat amin van töltésjelző kontroll lámpa is. Ez ugyan az a rajz amit én linkeltem A hozzászólás módosítva: Jún 8, 2017
Olyat építesz amit akarsz, de feleslegesen bonyolítod túl.De ha te karácsonyfát akarsz... bár nem vagyok biztos benne, hogy találni fogsz visszajelzős rajzot.
Amúgy meg nem ugyanaz a rajz,mert az én verziómon helyesen vannak feltüntetve a tekercsek(illetve majdnem helyesen),mert a felső tekercs a féklámpáé,ami egyben a töltő tekercs is. A hozzászólás módosítva: Jún 8, 2017
Na azt nem is figyeltem, hogy a tekercsek, hogy vannak.
Nem karácsonyfát szeretnék, csak teszek rá egy olyan műszeregységet amibe van visszajelző és gondoltam akkor már bekötném azt is.
Egy DC-DC Step Down konvertert lehet használni erre a célra?
Üdv! Akkura 12V zener, és egy zöld led. Előtétellenállás a kívánt fényerőtől függ. 13.8V környékén világítani kezd. Legegyszerűbb
De a töltésjelző kontroll lámpának az lenne a lényege, hogy gyújtás ráadáskor világít, és ha beindítom a motort és van töltés és 12,6V fölé megy az akkumulátor feszültsége akkor elaludjon, ezzel jelezve, hogy van töltés.
Na meg ha esetleg 14,4 fölé megy akkor megint csak világítson, hogy valami gáz van a töltéssel, de ez már nem olyan lényeges. Sokkal inkább az, hogy 12,6V fölött elaludjon.
Akkor pedig ez, potival beállítva hogy 12,6V felett kapcsoljon ki a led. Megépítettem, működik, nekem 11.1V alatt világít.
Köszönöm, de sajnos nem lehet megnyitni a képet, fel tudnád tenni még 1x ha megkérlek?
A hozzászólás módosítva: Jún 9, 2017
Talán így.. morgoelektronika/kapcsolas/komparator.jpg
Na akkor lehet jobban járok ha ott megkeresem mert sajnos megint nem jó.
Pedig nekem mobilon három böngésző is megnyitja.. Feladom, bocsi az offért
Köszönöm szépen.
Pont ez az ami kell nekem. Majd a pic-es gyújtásoddal kapcsolatban kereslek mert az izgatja még a fantáziámat.
Esetleg ebből lehetne olyat is csinálni, hogy ha túltöltésem van, például ha 14,8V fölé emelkedik akkor is világítson a led?
Szóval valami olyasmire gondolok, hogy 13V fölött kialszik a led de 14,8V fölött meg ugye 13V alatt világítson.
Mi a különbség a testfüggetlen tekercs és a testelt tekercs között?
Mik az előnyei illetve hátrányai? Miért mondják azt, hogy a testfüggetlen nem jó? Elnézést a sok hülye kérdés miatt de sehol nem találtam erre magyarázatot.
A testelt tekercs egyik vége a le van testelve. Ha ezt egyenirányítod, akkor csak a pozitív félhullámot tudod kihasználni/hasznosítani,mert a negatív félhullámból a testhez képest negatív feszültség lesz, amit nem tudsz felhasználni.
A testfüggetlen tekercsnél a tekercs egyik kivezetése sincs testre kötve, hanem megy egy Graetz híd váltó pontjaira, így előáll egy olyan egyenfesz, ahol a graetz miatt a pozitív és negatív félperiódus is hasznosítva van. Ezután az egyenirányított feszültség negatív pontját kötöd le a testre. Rajzold le és megérted. Illetve ha rajzolsz akkor ha lerajzolod, hogy ha a testelt tekercset gaetzel egyenirányítod és utána a negatívot a földre kötöd az miért nem jó. Kiborg
Nagyon szépen köszönöm.
Ezt jó szájbarágósan leírtad. Itt van egy rajz pont ugyan így van megoldva ahogy írtad, csak valamiért az enyémből kilopták az elbát, mert olyan rajzot nem sikerült még eddig találnom s51/1B-H-s simsonhoz ahol úgy van megoldva a töltés, hogy az akksi közvetlenül a Graetz-re menne. Nekem van benne egy hagyományos bimetálos index relé meg a gyári kocka Graetz és ennyi. Még egy nyavajás EWR sincs benne, mondjuk az izzók még bírták eddig.
Még lenne kérdésem ha nem gond
![]() Mi történik akkor ha ENNÉL a kapcsolásnál nem az egyutas egyenirányítást használnám ahogy a rajzon is van, henem ugyan úgy egy Graetz kockát kötnék a két kivezetésre és testelném a negatívot? Itt a tekercs vége testelve van. Az s50b2-nél testelve van a tekercs vége és gondolom itt azért csak egyutas az egyenirányítás. Az s50b2-nél váltóáramot kap a fék és a helyzetjelző, a 51b-nél meg már egyenáramot.
Szia! Ezt írta kiborg is előbb. Ha testelt a tekercs egyik vége, utána nem tehetsz graetz-et és nem testelheted újra. Testelt tekercsnél csak egyutas egyenirányítás lehet vagy megszünteted a tekercs testelését és mehet a graetz. Ehhez ki kell venni a tekercset és az eredetileg testelt végét leszigetelve kivezetni.
Szia! Olyan gyári bekötés nincs, hogy csak egy graetz van benne és semmi más!! Csatoltam egy rajzot, ilyen lehetett a tiéd. ELBA-nak kellene benne lennie, ami a töltés szabályzója és az indexrelé egyben. Gondolom a tiédből kivették, ezért van benne hagyományos indexrelé. Viszont itt a tekercsnek testfüggetlennek kellene lennie, hacsak nem cserélte már valaki előtted. A világításnak nem kell szabályzás ennél a megoldásnál! Gyárilag sincs.
Szia! Eddig még nem derült ki, hogy a jelenlegi felállás milyen részletekből tevődik össze avagy Te milyen megoldást szeretnél kialakítani a jelenlegiből. Ennek ismeretében lehetne tovább haladni a megoldás felé. Tehát hány voltos az alaplap, izzókészlet és ehhez kellene hozzárendelni az akkut és töltésszabályzását. A gyújtáskapcsolónál lévő csatlakozások hovatartozására feltétlenül oda kell majd figyelni az összeállításnál.
A kapcsolási rajzok többsége és a keresett rajz EZEN az oldalon található de "Tomi111" már belinkelte Neked, HA valóban ez a jelenlegi motor felépítése.
Szia.
Igen ITT fentebb linkeltem is egy pdf-et, hogy az enyémnek, hogy kellene kinéznie. A rajzon is és a motoromon is minden ugyan így van egy kivétellel, hogy a motoron csak a gyári kocka graetz van és egy fém henger alakú bimetálos indexrelé. A kapcsolási rajzokat megtaláltam egy jó párat már ITT. Itt elég sok simson rajz megtalálható és fedi is a valóságot.
Szia!
Fentebb írtam már azt hiszem, hogy mit is szeretnék pontosan. Az alaplap és az izzókészlet is 12 voltos és az akkumulátor is. Ez a motorom felépítése, csak nekem hiányzik belőle az elba és egy hagyományos bimetálos relé van benne meg a gyári graetz kocka. Semmi mást nem szeretnék csak, hogy ne 18 volt legyen fordulaton az akkumulátor kapcsain. Ezt a fórumot már végigolvastam és itt a bt151-en alapuló szabályzást tárgyalják ki. A legvégén fel is tettem ott is egy kérdést, hogy mi lenne ha egy DC-DC step down-al megpróbálnám a szabályzást. Ezen a fórumon is a fő gondom az volt amiért kérdeztem, hogy sok a töltésem. A tekercsek felé már csak azért kalandoztam el mert érdekelt, hogy mi a két típus közötti különbség, de ezt már kiborg fórumtársunk elég szépen körülírta nekem.
Talán akkor azt lehetne javasolni, hogy építs egy "elbát" és akkor a helyére kerül minden (ki lesz váltva az index villogó) és lesz fesszabályzó is és a saruk csatlakozásai is fel lesznek használva a megfelelő helyre csatlakoztatva. A gyújtáskapcsolónál minden oda legyen csatlakoztatva ahová a motor kapcsolási rajzán fel van tüntetve.
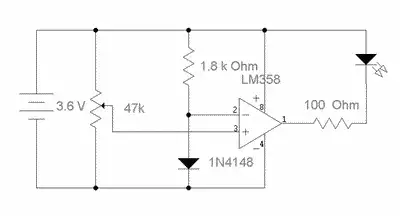
Üdv!
A mellékelt kapcsolásban szeretném a BT151 tirisztort BT152-re cserélni, elég hozzá megdupláznom az anód és gate közti ellenállást vagy mit kell módosítanom hogy működjön vele? Bocsánat ha hülye kérdés de fontos lenne a nagyobb áramterhelhetőség! Előre is köszönet ipi A hozzászólás módosítva: Aug 4, 2017
Szia!
1., hol van a mellékelt kapcsolásod? 2., nem kell semmit se lecserélned a tirisztor csere miatt.
Elnézést kérek a kapcsolást pótoltam, és köszönöm az infót is akkor nyugodt szívvel építhetem a BT152 tirisztorral minden gond nélkül ?
A hozzászólás módosítva: Aug 4, 2017
|
Bejelentkezés
Hirdetés |









A 




