Fórum témák
» Több friss téma |
Hello! Nem egészen tudni miről van szó, de feltételezhetően monostabilról, de nem tudni hogyan indítod, stb..
Ha a 2-esre érkező tranzienstől indul el monostabil, akkor a jelet a 2-es felé egy 100kohm-al és a 2-8 közé egy 100nF bekötésével "meg lehet védeni" a trigger bementet a tranzienstől.
Üdvözöllek kedves Proli007, köszönöm a gyors választ!
Csináltam egy kis lakásriasztót az 555-ös időzítővel oldottam meg, hogy mennyi ideig szóljon. Az idítás a 2-s pin negatívra zárásával történik. Az asztalon próbálva is mingíg beindúl ha feszültség alá helyezem, azt amit javasoltál már mrgcsináltam. Amikor letelelik a beállított idő, akkor kikapcsol, és utána csak a trigger bemenet idításával működik. Kb. tíz évvel ezelőtt készítettem a mellékhelyiség szellőztetésére hasonló időzítést. Semmi gond a traniensekkel, de ha áramstünet van, (ami nyáron elég sűrün megtörténik, mivel kertes házban lakunk) visszakapcsolásnál, kigyiullad a lámpa. Ezt elkerülvén gondolkozok, hogy jó lenne ezt megelőzni a riasztónál. Tudom, hogy akkummulátorral meg lehet csinálni, mert akkor szünetmentes tápom lenne. Azért érdekelne, hogy rá lehet-e bírni az 555-öst, hogy ne idúljon el, csak akkor amikor szükséges, vagy próbálkozzak más időzítés megoldással? Köszönettel! oregharcos
Nekem is volt ilyen gondom az 555-el, a tápfeszültség megjelenésekor automatikusan indult, holott nem ez volt a feladata.
Megoldást a reset lábra kötött párszáz! µF kondenzátor hozott,ami a pozitív tápra pártíz k ohm ellenálláson keresztül kapcsolódott. Az 555 addig reset állapotban van, amíg a 4-es láb feszültsége nem emelkedik 1V fölé, és ezt biztosítja a tápfesz megjelenésekor a párszáz µF , mert az ellenálláson keresztül ms-os késleltetést biztosít, vagyis a töltődés kezdeti szakaszában 1V alatt tartja a reset láb feszültségét. Ezután feltöltődik a tápfeszültség szintjére. Érdemes a töltőellenállással paralell egy diódát kötni, katód a pozitív tápfeszültségen legyen. Ez gyorsan kisüti az elkót, ha megszűnik a tápfesz, és az újbóli megjelenésekor ismét el tudja látni a feladatát.
Szia Mex!
Köszönöm az infót! Igazad van, mert régen kísérleteztem a resettel, ha levettem a tápról nem indult az időzítés. Ezzel az IC-vel is próbálkoztam, de bármit csináltam a 4-es lábbal, indult az időzítés. Lehet, hogy hibás az IC. Holnap megpróbálom amit írtál, ha nem megy kicserélem. Még egyszer köszönöm a segítséget!
Sziasztok,
Szeretném használni ezt 0-10 Bar a szenzort 555-ös IC-vel adott nyomáson ki-be kapcsolásra. (nem akarok PLC-t) Ha a trigger bemenetre ráadom a soros ellenállásról levett jelet akkor be lehet állítani egy kapcsolási pontot. Eddig majdnem tiszta. Na de hogyan tudnám állítani a ki-be kapcsolási hiszterézist, hogy pl. 2 Bar-nak megfelelő jelnél kapcsoljon be és 3 Bar-nal ki a 3-as kimenet. Biztos van valami megoldás de én már itt elvesztettem a fonalat. Minden segítséget előre is köszönök.
Hello! Pld. úgy, hogy kiegészíted egy műveleti erősítővel, meg referencia forrással. Mert az 555 hiszterézise nem állítható szabadon.
Kössz, hogy foglalkozol a témával.
A félelmem beigazolódni látszik, nem úszom meg simán csak 555-el. Azért reménykedtem mert ha 4-5 alkatrésznél több van egy áramkörben akkor ahhoz már nyák is illik, azt meg sajnos nem tudok csinálni itthon, rendelve meg kell hozzá a lottó négyes legalább.
Ezt is lehet a jó öreg 555-ből építeni , mint széles sávú lineáris erősítőt felhasználva:
555 80m szinkrodin rádióvevő Ha már volt akkor bocsánatot kérek!
Üdv! Segítséget szeretnék kérni. 555-tel meg lehetne-e valósítani a Morse jelek késleltetését tized - század sec tartományban? Bemenet: 5V-os impulzusok, kimenet is kb annyi, de időben késleltetve.
Köszönettel: Feri.
Hello! Az 555 nem igazán való erre a feladatra. Késleltetésre "vödörlánc tárolókat" szoktak használni. (Pld. SDA1022 ) Esetleg Shift regisztert lehetne alkalmazni. De olyan túl hosszúakat amiből "értelmes" késleltetési idő kijön, ebből nem szokás gyártani.
Mind kettő adatai az órajel ütemére lépked tovább. De a jel fel és lefutásának időbeli bizonytalansága az órajel két ütemjelének ideje közötti idő. (Azon beül nem veszi észre a változást.) Gitárosok Flanger lábpedálnál szoktak ilyen áramkört alkalmazni. Igaz, analóg jelek késleltetésére.
Szia! Ok! Kösz szépen. Akkor valami mással kell kísérleteznem.
Üdvözletem, egy olyan kérdésem lenne, hogy 555 lehet-e olyan késleltető kapcsolást építeni, ami alap helyzetben 0 kimenetet ad, adott jelre pedig 3-5 másodperc múlva ad egy rövid (1s) hosszú jelet. Lényegében egy késleltettet kapcsoló lenne, ahol szükséges, hogy ha nem működik akkor 0v legyen a kimeneten. A Válaszokat előre is köszönöm.
Szia!
Egymás után kötsz 2 monostabilt 555-tel. Az első kiad 3-5 sec 1 szintet indítás után és amikor ez letelik, kondenzátoron keresztül a lefutó él indítja az 1 másodperces monostabilt.
Hello! "Tolmácsolnám Ferci Javaslatát. Azzal a különbséggel, hogy mivel Te "késleltetett kapcsolót" írtál, a bemeneten nem monostabil van, hanem egyszerű késleltető. A 3..5sec időt az R1 értékével lehet beállítani.
Sziasztok!
Azon gondolkodok, lehet-e valamirevaló feszültségszabályozót építeni 555-el. A kigondolt áramkör a képen van. A pontosság nem szempont, csak működjön. Az egyik potméterrel a feszültséget lehet szabályozni, a másikkal a kapcsolási frekvenciát befolyásolni. Még nem számoltam ki semmit. A fet elé azért raktam tekercset, hogy ne kapjon hirtelen olyan nagy áramot. Ez szükséges a valóságban? Ha igen, kb. milyen nagyságrendű érték kéne oda?
Szia,
A rajz milyen programmal készült? Köszi!
Az 555 alkalmas, de a te kapcsolásod nem szabályzott, hanem csak vezérelt. És bár minden alkatrész adott lenne hozzá, nem kapcsoló üzemű. Lehet rendes kapcsoló üzemű szabályzót is építeni picit több alkatrésszel. Skori oldalán nézz körül!
Sziasztok!
555-el lehetséges, ha igen hogyan lehet olyat csinálni, hogy maximum 2 másodperces impulzusra csak 200ms-ig legyen aktív a kimenete? Tehát a bemenetén 100-2000ms-os impulzust kap ami változik, de mindig csak 200ms-ig legyen a kimenete aktív, 2000ms-os triggernél és 100ms-os triggernél is. Ha meg lehet csinálni, akkor hogyan?
Igen. A bemeneti impulzust felüláteresztővel 50 ms-os tűimpulzussá kell formázni, és ezzel triggerelni az 555-öst.
Helo! Így van, 200ms-os monostabil multiként kel bekötni és differenciáló tag (ez lenne a felüláteresztő) kell a bemenetre. De nem árt azt is figyelembe venni hogy számít-e, hogy mikor jelenik meg a vezérlő impulzushoz képest a kimeneti impulzus kezdete. Mert az 555 trigger (2-es láb) bemenete alapból lefutó élre indul. Vagy is a 200ms akkor indulna, mikor a 100..2000ms-os jelnek "vége van". Ha ez nem jó így, és mindig együtt kellene a vezérlőjellel megjelenni a kimenő jelnek is, akkor invertálni kell a vezérlő jelet. De ez lehet akár egy szem tranyó is. Valamint a vezérlő jelnek, gyors fe-le futásúnak kell lenni a differenciáló tag miatt. Különben "nem viszi át a kondi" az indító impulzust. De lehet egy 556-ot is használni, ahol az egyik 555 benne a monostabil, a másik pedig az inverter. Akkor ilyen probléma nem fog fennállni. Másik megoldás, hogy nem 555-öt kel használni, hanem egy CD4538-at nem újraindítható módban. Mert az élvezérelt lesz. (Remélem érthető..)
Hello!
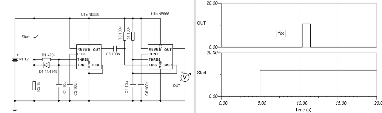
Olyat szeretnék hogy egy555 ic bekapcsoláskor 5 másodpercet vár azután 5 másodpercre bekapcsol ezután újra ki és kikapcsolva marad a következő bekapcsolásig.
Mi az akadálya ? 2 ilyet egymás után kötsz az egyik indítja a másikat ...
A hozzászólás módosítva: Ápr 26, 2019
Tekintve hogy két időről van szó, célszerű azt két időzítővel megoldani.
Igen pont ezt írtam én is ..
![]() Idézet: „2 ilyet egymás után kötsz az egyik indítja a másikat ..” A hozzászólás módosítva: Ápr 26, 2019
Hello! Ha megnézed, ez nem két monostabil. De hogy legyen egy 555-el is..
Én azt hiszem, így csinálnám meg:
A hozzászólás módosítva: Ápr 26, 2019
Egyébiránt ezt a feladatot talán legcélszerűbb 1db. időzítő taggal és egy ablakkomparátorral megoldani. (Nem tudom mit szeretnél vele meghajtani, de nyilván ha valami "teljesítményt", akkor egy tranyó vagy Fet kell a kimenetére, ami képes meghajtani a kiválasztott terhelést.
Nem kezdtem el megtervezni (ez a te asztalod
) Az első ötletem az volt hogy amikor az első monostabil ideje lejár akkor egy tranzisztor segítségével a lefutó él indítja a következő monostabilt Szerintem elvben meg oldható és 2db 55 el ,jó azt is megértem hogy egyszerűbben is lehet ,de nem egy rugóra jár az agyunk . A hozzászólás módosítva: Ápr 27, 2019
|
Bejelentkezés
Hirdetés |






Az egyik potméterrel a feszültséget lehet szabályozni, a másikkal a kapcsolási frekvenciát befolyásolni. Még nem számoltam ki semmit. A fet elé azért raktam tekercset, hogy ne kapjon hirtelen olyan nagy áramot. Ez szükséges a valóságban? Ha igen, kb. milyen nagyságrendű érték kéne oda? 











