Fórum témák

» Több friss téma
Fórum » Autórádió (fejegység) problémák, kérdések, válaszok
Lapozás: OK   153 / 216
(#) laglerakos hozzászólása Júl 25, 2017 /
 
Sziasztok!
Segítséget kérek. Vettem egy kínai navi fejegységet. Minden funkciója működik jól, egyet kivéve: pont a rádió csak a jobb oldalon szól. Ha SD kártyáról megy a zene, akkor mindkét oldalon szól. Tehát a kábelezés jó.
A kínai fószer azt mondta, hogy mérjek ki két-két pontot. Ha sípol, akkor jó. Mellékelt két képet is. Az egyiken bekarikázta, mit kell újraforrasztani ha nem sípol. Ilyen forrasztást ki tud csinálni? Nekem nem lenne merszem hozzá. Tatabánya-Budaörs vonalon valaki vállalná ha a mérés negatív lesz? Persze nem ingyen kérném. Köszönöm!
Isudar a gyártó.
(#) frank28 hozzászólása Aug 7, 2017 /
 
Sziasztok!
A következő a problémám:Van egy Saab 9.5 gyári fejegységgel,típusa Pioneer fx-m 2017zsa.Szeretnék egy aux bemenetet,de nekem elsőre túl bonyolultnak tűnik a megvalósítása.A neten találtam egy bluesaab nevű ketyerét ami megoldaná a problémát,de érdekelne egy hozzáértő véleménye is.Megvan a fejegység full használatija is:https://www.manualslib.com/manual/918849/Pioneer-Fx-M2017zsa-X1b.html.Szóval ha valakinek van bármilyen ötlete... Köszönöm!
A hozzászólás módosítva: Aug 7, 2017
(#) mormogipapa hozzászólása Aug 8, 2017 /
 
Sziasztok. Van egy blaupunkt santa cruz mp34 autórádió a kocsiba pár napja azt csinálja hogy hiába kerestetem vele a rádió csatornákat nem talál semmit. Transzmitterel össze hangolom akkor viszont lejátssza a zenét. Van ötletetek mi lehet a gond. Köszi
(#) Inhouse válasza mormogipapa hozzászólására (») Aug 9, 2017 /
 
Az antennád kellene ellenőrizni.
(#) Inhouse válasza frank28 hozzászólására (») Aug 9, 2017 /
 
A tunernek van egy 14-es AM_B+ lába, azon akkor van feszültség, ha AM-re van kapcsolva a rádiód. Ha beáldozod az AM funkciót (nem hinném, hogy mostanában használtad), akkor egy relé, egy tranzisztor és pár ellenállás... A 7-8 láb a hang kimenet, ezt kell átvinned a relé érintkezőin. Ha nyugalomban van, akkor átenged (FM), ha behúz, akkor a külsőt kapcsolja. A relét egy tranzisztorral kapcsolod, ide kell 2 ellenállás, és egy dióda a relé behúzójára.
(#) frank28 válasza Inhouse hozzászólására (») Aug 11, 2017 /
 
Helló!
Amit javasolsz az tuti tökéletes megoldás,de sajnos nekem kínai.Max. annyit tudnék tenni,hogy kiveszem a fejegységet a helyéről,de az,hogy ennyire belepiszkáljak már elég húzós.
Nem tudtok esetleg valakit Jászberényben vagy környékén aki bevállalná(természetesen nem ingyen kérem)?
Köszönöm!
(#) HL84 hozzászólása Aug 12, 2017 /
 
Sziasztok!

Bocsánat, ha amatőr a kérdés, nem nagyon értek ehhez a témához.
Van egy Fiat Punto 2/B autóba való fejegységem, ami halkan szól, minden üzemmódban (tuner, cd, cd-tár).
A végfok szállhatott el? Vagy esetleg valamelyik kondi? Merre érdemes keresgélnem? Javíthatók ezek általában? Esetleg forrasszam át a panelt, a végfok környékén? Nem szedtem még szét.

Ugyanebben az autóban egy szintén gyári kazettás egység jó hangerővel szól.

Köszönöm a válaszokat!
(#) mormogipapa hozzászólása Aug 14, 2017 /
 
Kiderült hogy bele van törve az antenna adapter (fantom táp) a rádió antenna aljzatába, szerintetek hogyan lehet kiszedni ezt a kicsi darabot?
(#) Alkotó válasza mormogipapa hozzászólására (») Aug 14, 2017 /
 
Megfogod a kilógó kb. 1 cm-es részt, és kihúzod. Ha szorul, akkor erősebben húzod. Ha így sem jön, akkor feláldozod -hiszen úgyis törött- és segítségül hívsz egy fogót.
(#) Inhouse válasza mormogipapa hozzászólására (») Aug 15, 2017 /
 
Ha fogóval megfogva nem jön ki, megpróbálhatod kitolni belülről. Lekapod a tetejét és az antenna aljzat általában elég nyitott. Itt óvatosan feszítve kifelé szinte biztosan megindul.
De kicsit fura ez a kép...ez nem egy antenna adapter az aljzatban? Abba lenne a középső érintkező beletörve?
(#) Tamas 82 hozzászólása Aug 15, 2017 /
 
Sziasztok!
Vettem egy vw gyári fejegységet!
Rádió kód nincs meg!Hol tudok utána nézni?
Köszi!!!

1.JPG
    
(#) zolika60 válasza Tamas 82 hozzászólására (») Aug 15, 2017 /
 
Ha a dobozfedélben benne van az autó alvázszáma amiből származik, vagy valahonnan tudod, akkor egy márkaszerviz megmondhatja. Ha nincs akkor itt.
(#) Bakman válasza Tamas 82 hozzászólására (») Aug 15, 2017 /
 
VW autókereskedésekben.
(#) Tamas 82 hozzászólása Aug 15, 2017 /
 
Köszönöm!!!
(#) mormogipapa válasza Inhouse hozzászólására (») Aug 17, 2017 /
 
Az a kerek a rádión maga az antenna ajzat abba tört bele az adapter vékony érintkezője. Sajnos nagyon a tövébe tört el fogóval nem tudtam megfogni így bele toltam és úgy sikerült kiszedni
(#) zoltanka hozzászólása Aug 18, 2017 /
 
Szép jó napot mindenkinek.
Több éve régi autórádiók felújításával foglalkozom. Van azonban egy hibakör, amelyikhez azóta sem találom a megoldást: konkrétan a Blaupunkt Hamburg SQM 23-as típusú autórádiókról van szó, amelyeknél egy ismétlődő hibát fedeztem fel: magnórész tökéletes, rádió középhullámon tökéletes, de ultrarövidhullámon nem fog semmit: csak szaladnak a számok a kijelzőn 87,7 MHz-től 108,00 MHz-ig,körbe-körbe, anélkül, hogy egy adót is megtalálna.
Pillanatnyilag 9 ilyen, ezzel a hibával rendelkező rádióm van félretéve, melyek a megoldásra várnak.Statisztikailag négyből sajnos három ilyen típusú rádió ezzel a hibával került a munkaasztalomra...
Van-e esetleg valaki, aki már találkozott ezzel a hibával, s van egy megoldása?
Köszönöm, Zoltán
(#) zoka hozzászólása Aug 18, 2017 /
 
Sziasztok! Szeretném megkérdezni hogy általában egy autós fejegység, illetve a különálló autós végfokok mekkora tápfeszültséget bírnak el maximum. Li ion akkuról szeretnék fejegységet és végfokot hajtani. Az elemcellák 3,7V névleges feszültségűek, 4,2V a max fesz. 3 cella kevés. 4 cella meg lead közel 17V ot üresjáratban. Elbír ennyit egy végfok illetve fejegység? Az áramerősség most mellékes.
Köszi!
(#) szamóca válasza zoka hozzászólására (») Aug 18, 2017 /
 
16V-os névleges fesz. tűrésű kondik vannak benne.
(#) zoka válasza szamóca hozzászólására (») Aug 18, 2017 /
 
Hát akkor nem célszerű, akkor inkább DC-DC konverterrel oldom meg.
Köszi.
(#) proba válasza zoltanka hozzászólására (») Aug 21, 2017 /
 
Sok rádióban ilyenkor a hangolófeszültség hiányzik, de hogy ennél hol keresd, nem tudom.
(#) HL84 válasza HL84 hozzászólására (») Aug 21, 2017 /
 
Szétszedtem a fejegységet, csináltam róla pár képet, hátha valaki ezek alapján tud segíteni előrébb jutni.
(#) fecameca válasza HL84 hozzászólására (») Szept 2, 2017 /
 
Szia!
Idézet:
„Ugyanebben az autóban egy szintén gyári kazettás egység jó hangerővel szól.”
Most ez egy másik készülék lenne? Csak nem emezzel van ugyanazokra a hangszórókra kötve? A hangszórók jól vannak a készülékhez csatlakoztatva? Mert amit lefényképeztél, az egy híd kapcsolású erősítő, tilos a hangszórók bármely pontját a testre kötni, hanem, ahogy a készüléken van, úgy kell bekötni, a rajz szerint.
(#) picsu hozzászólása Szept 3, 2017 /
 
Sziasztok,

egy kis segítséget szeretnék kérni. Sajnos nem leltem hasonló topic-ot ebből kifolyólag lehet a kérdésem is hülyeség de mégis bátorkodom feltenni...hátha nem leszek elküldve a francba.

Van egy Pioneer fejegységem a kocsiban. Ha indítok akkor értelemszerűen beboot-ol és indulunk. Ha leállítom az autót de nem veszem ki a kulcsot és ezek után újraindítok akkor a fejegység is újraindul, feltételezem a leeső (kb.10V) feszültség miatt.

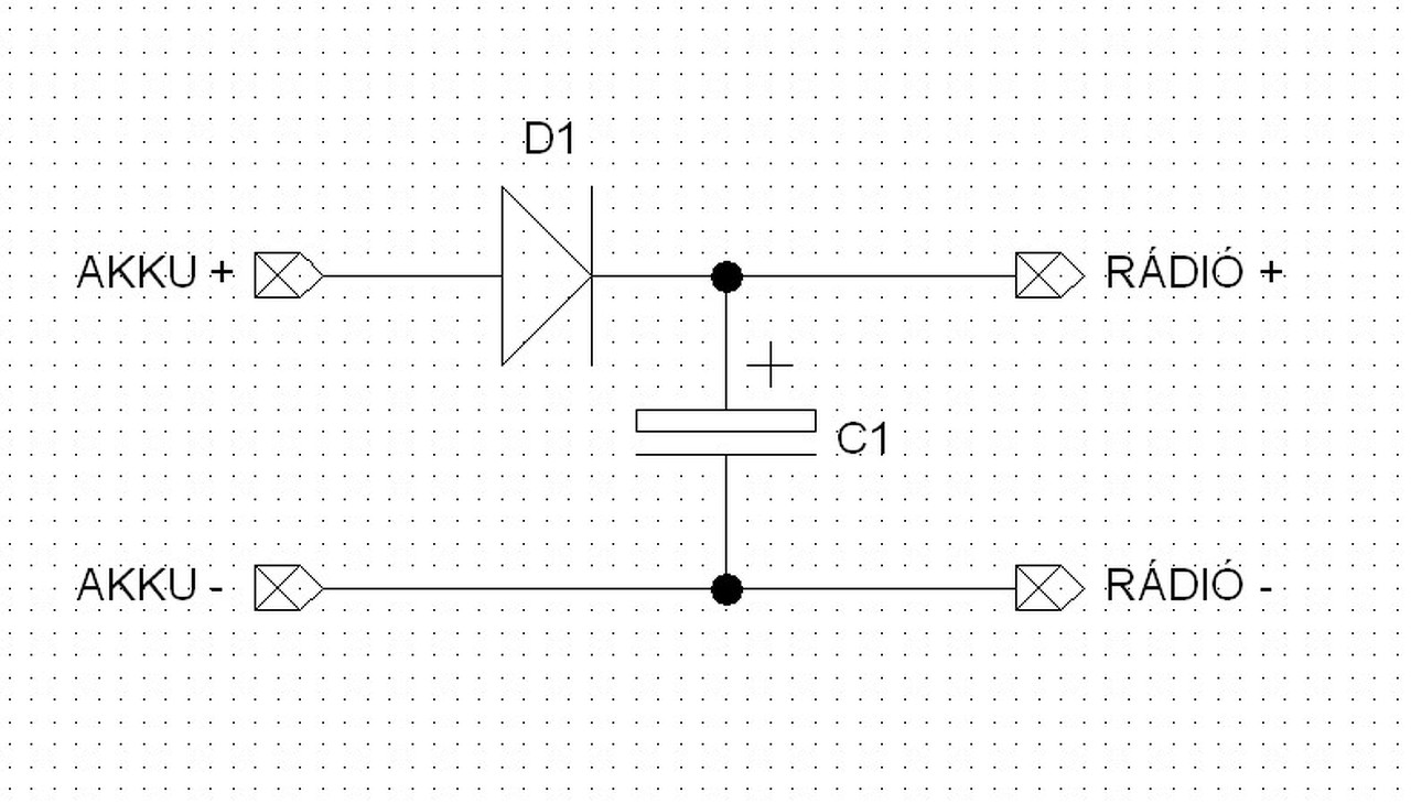
Kérdésem, hogy van e olyan kis szerkezet amin mondjuk egy kondi vagy valami hasonló megakadályozza mindezt bekötve az áramkörbe? Ismétlem laikus vagyok kérem nem nevetni...

Előre is köszönöm nektek. István
(#) elektroncso válasza picsu hozzászólására (») Szept 3, 2017 /
 
Én a mellékelt rajz alapján próbálnám meg. A kondenzátor értékét ki kell kísérletezni, ő tárolja az energiát, amíg a akkufeszültség alacsonyabb a kelleténél. A soros dióda megakadályozza, hogy a önindító a C1-ből is kiszívja az energiát.
(#) vision61 válasza picsu hozzászólására (») Szept 3, 2017 /
 
Szia!
Pontos típus alapján egyszerűbben is megoldható lehet a problémád, mivel pl. az enyémnél (VDO Dayton) a beállításoknál ki lehet kapcsolni ezt az opciót.
(#) picsu válasza vision61 hozzászólására (») Szept 3, 2017 /
 
Szia,

nagyon köszi... A típusa: AVIC F900BT

Üdv.István
(#) picsu válasza elektroncso hozzászólására (») Szept 3, 2017 /
 
Szia,

nagyon köszönöm. A rajz alapján kb. tisztul a dolog. Nem lehet ilyet kapni a piacon?
Gondolom nem csak nekem vannak ilyen gondjaim.

István
(#) lpepe hozzászólása Szept 5, 2017 /
 
Sziasztok!

Egy 2002-es Honda Civicbe tettem Sencor SCT 5017BMR fejegységet. Egy darabig tökéletes működött, azoban pár napja, bedugtam egy pendrive-ot, utána mintha "kifagyott" volna, azóta csak úgy működik, hogy kihúzom a csatlakozóját, várok egy kicsit, visszadugom, de a kocsi leállítasa után megint nem működik, csak ismételt áramtalanítás után....

Mi lehet a baja?
(#) Alkotó válasza picsu hozzászólására (») Szept 5, 2017 /
 
A választ kikerülve kérdezem, a jelenség milyen gondot okoz? Nálam és gondolom sokunknál is ugyanez van, de engem még eddig sosem zavart. Általában azért állítom le a motort, mert kiszállok, tehát direkt jó ha minden meg is áll. Tulajdonképpen el is várom, hogyha kiveszem a kulcsot, akkor álljon le a rendszer. Külön nem kapcsolgatom az egyes egységeket, automatikusa elvárom ezt az autótól.
Belegondolva saját gyakorlatomba, nincs olyan életszerű helyzetem, amikor leállítom a motort, bent ücsörgök, majd újra elindítom.
Nem tudjuk milyen az akusztikus rendszered kiépítése, de a dióda+kondi történet gondot is okozhat, mert csak a fejegységet igyekszik egy ideig szinten tartani. Viszont nálam az erősítő is némít ilyenkor, amit az említett megoldás egyáltalán nem kezel.
(#) zoszka válasza picsu hozzászólására (») Szept 5, 2017 /
 
Először az ACC vezetéken próbálj meg pufferelni. Általában az is elég szokott lenni.
Következő: »»   153 / 216
Bejelentkezés

Belépés

Hirdetés
XDT.hu
Az oldalon sütiket használunk a helyes működéshez. Bővebb információt az adatvédelmi szabályzatban olvashatsz. Megértettem