Fórum témák
» Több friss téma |
Mielőtt kérdezel, a következő két dolgot ellenőrizd!
I. A helyes tápfeszültségek megléte.
II. A kimeneten van-e egyenfeszültség.
Élesztés.
A csatlakozásokat ellenőriztem, elvileg nincs gond.
Ami próbálkozás közben feltűnt, hogy ha kis hangerőn használom akkor nincs gond. Viszont ha felhangosítom 1-2 per után ismét el kezdi csinálni. Ami érdekes, hogy ha kikapcsolás után hagyom egy ideig akkor működik ismét.
Írj nyugottan ha tudunk segítünk
Néhányszor megviccelt egy-két technológiai vegyszer. Azóta ráfújom (ráöntöm) egy kis darab szivacsra, majd 20Mohm-os méréshatárral rámérek. Ha minden rendben akkor lehet használni.
Jó estét!
Van egy yamaha r-n301 erősítőm,ami zene hallgatás közben elnémult egyszerűen.Most csak egy sárga led villog a kijelzőn,ami a védelem leoldását jelzi .Szétszedtem és láttam ,hogy egy üvegcsöves 4A biztosító kiment .(kimértem).Tettem bele másikat ez nem ment ki de semmi változás.Az erősítőnek 8ohmos a kimenete ,de a hangfalaim 4ohmosak. Már elég régóta így használom kis hangerőn ,semmi baja nem volt idáig.Ha van valami ötlet szívesen meghallgatom. Üdv :Géza.
A hibaleírásod alapján legvalószínűbbnek a termikus védelem beavatkozását gondolom, de a hiba kiderítéséhez már mérni kell.
Sziasztok!
Tud valaki olyan kapcsolásban segíteni ami kijelzi egy piros leddel a ha négyszögesedik a színuszjel? Olyan kapcsolásra lenne szükségem ami ezt megoldja az erősítőkimenetről és nem kell az erősítő tápjára is rákötni.
Tehát a hővédelem? Mit kéne mérjek?
Hello, Mérd meg a védelem előtt a hangszóró kimeneteken van-e dc feszültség, pár milivolt nem probléma, azonban volt nagyságrendű igen.
A cserélt biztosíték a primer vagy a szekunder oldalon van ?
Sziasztok !
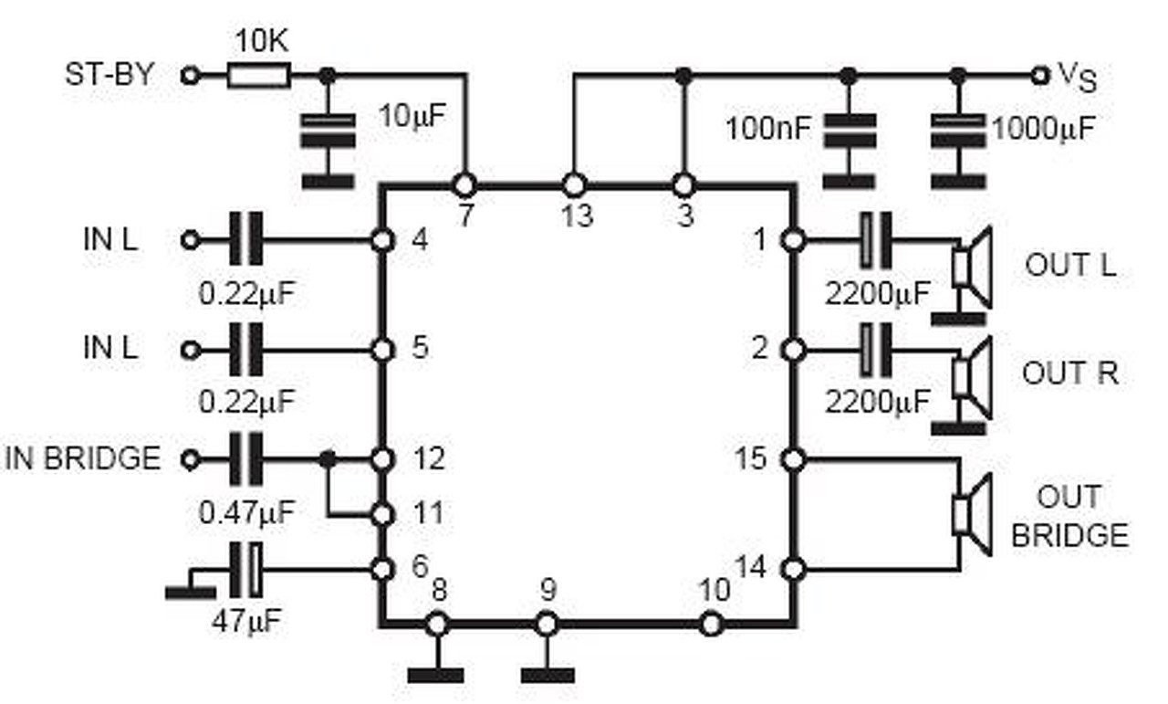
kéne egy kis segítség, számítógéphez szeretnék egy 2.1 erősítőt építeni, TDA7374 et választottam, mert van belőle 5db, csak elő fokozat nincs. találtam rajzot is a végfokról, csak nem vagyok benne biztos hogy működőképes.
Adatlapot megtekintve akár működhet is (ámbár a két "front" hangszórót fordítva kellene bekötni).
Mi az hogy "nincs előfok"?
...vagy valami hiba abban az áramköri részben: "COMMON THERMAL MANAGEMENT & TIME DELAY...".
A főbb pontok (aktív elemek ki és bemenetei, érzékelők) feszültségeit kellene látni, működő és elhallgató kimenet mellett is, de távolról ez igen nehéz, akinek van szerviz tapasztalata az lehet néhány mérésből kideríti a hibát (tudja melyik láb micsoda), így meg lehet még hetekig elleszünk itt vele... Ha van jó szervizdoksi (részletes panelrajz) az sokat segíthet.
Igy nez ki meg van a hiba. Most ki fogtok rohogni es elkuldok a .... ba.
Ami jogos es en is igyan igy vagyok vele. Ez a vegfoknak semmi baja, a hangvaltorol le volt dzakadva a kabel. Illetve ezen kivil ket helyen is rossz volt a forrasztas. Eleg erdekes, mivel ket ugyanolyan topladaval probaltam. A masikat nem szedtem megbszet mivel reggel melo, de hamarosan megnezem.Mikir mindtatok a csatlakozokot le is ellenoriutem a speakonoknal viszont a hangvaltor nem neztem, mert nem akartam szetszedni. Mivel epitett lada eleg nehezkes es hosszadalmas a szet/osszeszerelese. Ugy tunt fel ez a problema, hogy probaltam az egyik ladaval ami szolt ugy hibasan. Utana rakotottem a masikat es nem. Nagy hangeronel valoszinuleg a rezges miatt nem szolt. Amit nem ertek, hogyha a masik oldalt hasznaltam miert nem volt jo. Tehat lehet meg valami problema az erositovel is. Mivel este van igy csak nehany percig tudtam kiprobalni. Minden esetre koszonom mindenkinek a segitseget. Ha meg sem ez lett volna a fo gond akkor jelentkezem.
Nincs kiröhögés, én is jártam így. Felhoztak egy erősítőt, hogy nem jó, mert már kis hangerőn is letilt. Megnéztem, jó. Elviszik, nem jó. Saját hangszóróival nem akar dolgozni. Elszállt a magas, és a csipogó nélkül a rezonanciafrekin 0 ohmra hangolta magát az LC kör. Ezért érzékelt zárlatot a védelem.
Nem röhögünk ki, sajnos sokszor van ez így amire az ember nem gondolna pontosan ott van a galiba a hangszórónál.Driverrel jártam hasonlóképpen...
Előerősítőre gondoltam, ami szűri a magas hangokat a mélynek, és számítógéphez kéne
Nem vagyok biztos benne hogy meghajtja, és az a ST - By mit kezdjek a 7es lábbal. Egyik rajzon össze van kötve a 3 as és a 13 as lábbal, nem lesz baj ha simán össze kötöm?
Én inkább sírnék!
![]() A viccet félretéve, amikor erősítők beüzemelését, javítását végzem és hangra is szükségem van, azt mindig próbahangszóróval teszem, amit régi tévéből bányásztam. Felépítése: két darab 15 Ohmos nagy teljesítményű ellenállás párhuzamosan (7,5 Ohm), velük sorosan pedig egy 0,47 Ohmos, mely utóbbira párhuzamosan kapcsolódik a hangszóró. Kattanást, koppanást, védelmeket, stb biztonságosan tesztelhetünk, mérhetünk így. A hozzászólás módosítva: Aug 31, 2017
Köszönöm a tippet! Tetszik az ötlet.
Köszi a segítséget .Közben sikerült félig megoldani a problémát.Kiderült ,hogy az egyenirányító graetz híd elszállt ,Kicseréltük most jó a kijelző ,végig fut rajta az összes beállítás (net rádugva),de utána beáll alap helyzetbe és kérné megint az újra indítást ,hang továbbra sincs .Felhívtuk a yamaha kereskedőz (szervízt ahonnan vettük) de nem igazán voltak segítő készek Lehet ,hogy valami szervíz kód kellene ,vagy rádugni valami kommunikátort .Úgy tűnik szervíz lesz belőle de az csak pesten van nem tudom mikor jutok el oda és mennyiért csinálják meg.
Na megjavítottam mind két ládát. Most szól mind két oldal. Viszont ami érdekes, hogy a mind két láda be van kötve akkor nincs mély. Hangnyomás van, mert rezeg minden, de nem lehet hallani. Viszont amint lehúzom az egyik ládát mindjárt van mély. Ez mitől lehet? Ellenfázisban szólnának a ládák? Mindent jól kötöttem vissza emlékeim szerint. Arra is gondoltam, hogy nem-e kevés oldalanként az a 4db 3300µF os puffer, de ez hülyeség mivel külön csatornán vannak a ládák. Azt nem tudom, hogy régebben csinálta-e ezt, mert külön csak a 2 topot nem próbáltam, vagy egy top, egy mély vagy két top két mély. Valami ötlet?
Proba szemcsere(szerencse) az egyiken valts polaritast.
Szia. Fordítsd meg az egyik hangfal polarítását.
Az lesz, de ma biztos nem, mert mire megint szétszedem lemegy a nap.
Házilag épített ládáim vannak, nagyon jó kis ládák viszont nem valami szerelő barátok.
Sztereó állásban azonos fázisú, híd állásban az egyik csatorna invertál. Lehet, hogy a múltkori teszt miatt még mindig híd állásban maradt a funkciókapcsoló.
A Pafi féle (meg még néhány gyári) sztereó PA erősítő egyik csatornája mindig invertálva van a kedvezőbb tápterhelés miatt. A kimeneten pedig visszafordítva a hangsugárzó csatlakozókon. Ott nem is kell külön invertáló/neminvertáló fokozat a hidalhatóság miatt. A hozzászólás módosítva: Szept 1, 2017
Nekem is van ilyesmi próbahangszóróm. Egy három ledes kiegészítést ajánlok hozzá, ami jelzi ha a hangsugárzó számára magas DC van az erősítő kimenetén, meg ha gerjed. Ha néhány volt nagyságú, akár a hallható tartomány feletti frekvenciájú jel van az erősítő kimenetén, azt is jelzi.
Van egy 2030-as TDA erősítő gitárhoz. A visszacsatoló ellenállás helyére egy nagyobb potit választottam és az elvárásomnak megfelelően betorzított aztán megnémult. Ki lehet nyírni így egy ic-t?
Ceruzaelemmel lehet vizsgálni a mélysugárzó polaritáshelyes bekötését. Akkor van jól bekötve, ha kifelé mozdul a membrán (+ a pozitívon).
Sziasztok
Van egy játékszer, amiben tönkrement a mikrofon/hangszóró erősítés, Az eredeti áramkört megkerülve szeretném megoldani a problémát. Már szereztem egy új elektrét mikronont előerősítővel. Sajnos ennek erősítése tényleg csak a mikrofon jelszint erősítéséhez elég, kellene valami kis kapcsolás erősítés a kis hangszóróhoz. Nagyon kis teljesítményű kellene. A hangszóró mindössze 0,25W 8ohm alig 2,8cm átmérőjű csipogó méretű Viszont van egy kikötés: összesen 3V a tápfeszültség akár tranzisztoros vagy valami aliexpress-es cucc is jöhet ötletnek.. Amit találtam az mind vagy igényli az 5-6V tápot vagy 3W-os és túl sok a teljesítmény. köszi
Szia! Az XPT8871-en alapuló igazán olcsó KIT fölös teljesítményével kétféleképpen is elbánhatsz. Ez egy hídkapcsolás, használd az egyik kimenetét csatolókondival, a hangszóró másik kivezetése hagyományosan megy a testre. A másik lehetőség, iktass be a hangszóróval soros ellenállást 10-22 Ω értékben.
Bővebben: Link A hozzászólás módosítva: Szept 2, 2017
|
Bejelentkezés
Hirdetés |







Házilag épített ládáim vannak, nagyon jó kis ládák viszont nem valami szerelő barátok. 





