Fórum témák
» Több friss téma |
Egy 220-470nF kondenzátor azért nem ártott volna bele a gombbal párhuzamosan. Kicsit is hibás gombbal összevissza fog kapcsolgatni.
A hozzászólás módosítva: Ápr 4, 2017
Sziasztok!
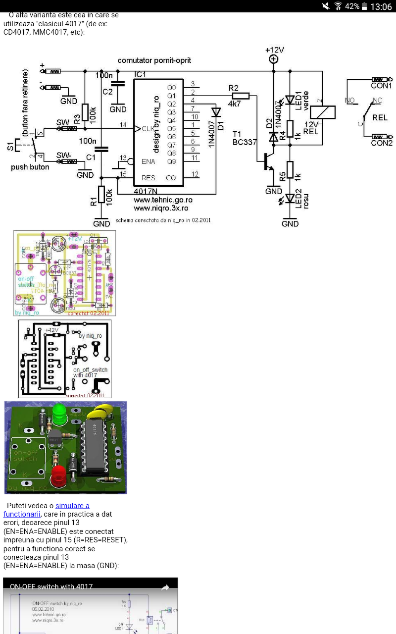
Kicsit csapongok, keresgetek... Ezt találtam megfelelőnek, két színű visszajelző leddel. A relét kapcsoló tranzisztort kicserélhetem bd139-es re?
Sziasztok!
Egy olyan egyszerű pic-es kapcsolásra lenne szükségem, mely 4 nyomógomb nyomásával be/és ki kapcsol 4 kimenetet, vagyis az 1-es gomb első megnyomására H lesz az 1-es kimenet, újbóli nyomásra L. A kettes gomb a kettes kimenetet, a hármas a hármast... Mind ezt minimum 4 "csatornán" azaz négy H/L kimenet, 4 gomb. természetesen mindegyik független a másiktól. Áramkört tudok építeni , azonban a Pic-el bajban vagyok, (programozás, stb)
Ehhez nem feltétlen kell PIC. TTL vagy CMOS IC-kel is megoldható.
A hozzászólás módosítva: Szept 4, 2017
Milyen picre gondoltál ? Tervezd meg a kapcsolást ,én megírom a programot mondjuk a 16f628 ba már belefér
16F628A ~ 700 Ft, PIC16F1503 ~ 300 Ft. A 16F1503 6 csatornáig jó: RA0.. RA5 a nyomógombok, az RC0 .. RC5 a vezérelt kimenet.
Mostanában elkezdtem használni ezt a TTP223-as IC nyomógomb helyet.
Előlapot nem kell kifúrni neki, ha elég vékony a műanyag (1-3mm), akár közvetlenül mögé is lehet tenni. Be lehet állítani 4 különböző módot rajta, ebbe bele tartozik a reteszelődés is. Szerintem ha nem szükséges a hagyományos nyomógomb ez is jó lehet. A hozzászólás módosítva: Szept 4, 2017
Ha ez 4, egymástól független kapcsoló és kimenet, akkor én biztosan nem gondolkodnék mikrovezérlôben. Keresd meg itt, a topikban a legegyszerůbb "egy nyomógomb - egy kimenet" kapcsolást, és azt építsd meg négyszer.
Miért beszélitek le a fejlődésről? Áramköröket már épített, most ki szeretné próbálni a mikrokontrollereket...
Szia
Ajánlom figyelmedbe a flowcode-ot, egyszerüen meg lehet tanulni és könnyű kezelni, nem kell megtanulni egy programozási nyelvet sem csak az alapokat.
Szia! Sajnos nem tudom megtervezni... 16F870-en van pár darab, azzal meglehet oldani? A kész hex filet betudom tölteni.
A 870 -el is megoldható de ha nem tudod a nyákot megtervezni elkészíteni elég bonyolult dolgod lesz ..
Félreértettél... ha van egy komplett rajz, abból megtudom csinálni a teszt modellt, utána a nyákot, valamint a hex feltöltést.
A hozzászólás módosítva: Szept 5, 2017
Köszönöm, nem is rossz az ötlet. Gyakorlatilag 4 db vezérelhet - kiegészítés után - 4 db relét flip/flop módban?
Igen, azt a részt már hozzá tudom tervezni, csak maga a PIC-es rész nem megy sajna... Próbálkoztam 4013-al, de sokkal több alkatrész kellene hozzá...
A hozzászólás módosítva: Szept 5, 2017
A pic egyik oldali lábaira rákötöd közvetlenül egy uln 2003-vagy 2008 "tranzisztormező" vezérlő lábait a kimeneteire meg már mehetnek a relék , a pic másik oldali lábaira rákötsz egy egy ellenállást (1-10k között bármi jó) és a másik végüket leteszed GND re , azok a pic lábak lesznek a bemenetek amire ellenállást tettél és a gombok másik oldali lábai a + 5v ra kötendők . A pic táplábait az adatlapja segítségével azonosíthatod . Ja és az MCLR lábat szintén + ra kell húzni egy 1-10k ellenállással .
Közben megnéztem az adatlapját, már értem miért, a tranzisztorok helyett
Egyszerűbb bekötni és 50v 0,5 A terhelhetőségű (ha jól emlékszem) azt nem írtad milyen feszültségről mennek a relék ezért javasoltam ..
Mivel a PIc 5V- a relék pedig 12V ebben az esetben is használjam az ULN-t vagy maradjon földelt emmiteres kapcsolásban a Bcxxx (NPN) .. további kérdés, a PIC-nek rezonátor, vagy quartzi nem szükséges?
Egyszerűbb strapabíróbb a tranzisztormező , a pic adatlapját nem néztem ha van benne belső oszcillátor akkor nem kell kvarc .
Köszönöm. Ha tudod ránézel, mire is lenne szükségem? (pdf)
Van belső rc oszcillátor csak egy 100nf os kondi kell a két tápláb közé a lehető legközelebb a lábakhoz . Én a RC portra kötném az uln-t (mind a 8 csatornát bekötve ) és az RA porta a gombokat (így semmi nem zavarja a hex feltöltését ha a nyákon akarod megoldani .
A hozzászólás módosítva: Szept 5, 2017
Remek! Holnap összeépítem, már csak egy írt program kell hozzá! Annyiban tudsz még segiteni, hogy melyik lábak legyenek a bemenetek és melyek a kimenetek?
A hozzászólás módosítva: Szept 5, 2017
RA0-3 a bemenetek RC0-3 a kimenetek (most ezek aktívak de később fejleszthető a program azért írtam hogy a teljes c portot kösd össze a tranzisztormezővel)
A hozzászólás módosítva: Szept 5, 2017
Nagyon köszönöm!
Holnap irok, mi lett belőle.
Szia! Összehoztam ezt, de nem igazán csinál semmit... PIC ok, program felment. A PIC egy másik áramkörben, másik programmal ok...
Mintha hiányozna a felprogramozott oszcillátortípus hardveri megvalósítása.
|
Bejelentkezés
Hirdetés |













