Fórum témák
» Több friss téma |
Fórum » LED-es kivezérlésjelzők
Témaindító: KeserűCukor, idő: Márc 27, 2006
Témakörök:
Ezt kezdtem épiten teszek fel képet.de még vezérkése nincs valami kapcsolási ill nyák ill beültetési rajz kéne.nagyon kezdő vagyok még nem is szakmám ha valaki tud segiteni megköszönném.
Amennyiben ez egy kivezérlésjelző, akkor a keresőt tudom ajánlani, a kulcsszavak: VU meter schematic. Ahogy néztem, analóg kijelzésű már igen kevés van. Népszerű ebben a témában az LM3916-os IC, erre is keress rá...Egyszerű a környezete, a nyákkal nem lesz problémád.
modositok ez a másik kép
És belül mi van?
csak a led panelja.
Furcsa sorrendet választottál! Először inkább próbáld ki a kapcsolást, szerintem több LED-del szebb lenne...
szerintem is de ezt 1997 -ben épitettem meg igy csak nem fejeztem be .
Már többedszer látom a kérdésedet, de csak most esett le a képeid alapján mit is akarsz.
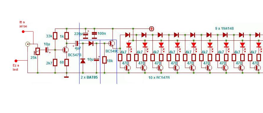
Te 2x5 LED-es VU-meter rajzot keresel . Ettől egyszerübbet aligha találsz. (de kell elé csúcsegyenrángató)
Köszi a segitséget.csak mit jelent a csucsegyenrángato.
Sziasztok!
Rakok fel egy jó pdf dokumentumot, melyben az uaa180-as IC-vel van kapcsolás, mert a HE-án nagyon kevés infó található meg róla! (ja, és az is le van benne írva, hogy hőmérőként hogyan lehet használni!) eredeti helye: www.pattantyus-gyor.sulinet.hu/~kocsisz/a_uaa180.pdf Köszönet a szerzőnek!
Én ezt kezdtem el még 97-hétben de nem sok mindenre jutottam.csak a ledes panel van meg.
Aki eddig az én megnyitott hozzászolásaimba irt amit nyitottam megköszönöm és lehet hogy amoderátor törölni fogja mert már létezik egy kiv.jel topik.elnézést a kellemetlenségért,és köszönöm az eddigi segitséget.
Azthiszem tönkrement a dióda
Üresben(mikor nem kap audiójelet)világit mind a 10 led! IC csere volt,ugyhogy a diódacsere jön mind a 2 irányba vezet,de ezt ugy mértem meg,hogy nem volt kiforrasztva
Sziasztok! Egy ilyet szeretnék építeni a hanglalamba :
http://www.youtube.com/watch?v=Z8_-T6eotVE&feature=related Mi kell ehhez és hagyon tudom megcsinálni?
Csinálj ilyet akkor a"hanglaladba".
kapcsolások->ember méretű kivezérlésjelző lekicsinyített változata(anyi hogy a ledeket közelebb rakod egymáshoz)
kétszer csinálod meg és egymás mellé rakod őket! Skip
Heló!
Haennek a kivezérlésjelzőnek fordított polarítással adtam az áramot, akkor melyik alkatrészeket cseréljem ki benn, hogy újra működjön? Üdv.: Jocó!
Szia
Én a bemeneti 2 tranyóval kezdeném. De elötte inkább mérj.
Sziasztok!
Ami van itt az oldalon kivezérlésjelző, abban a diódákat nem lehetne helyettesíteni 1N4001-el? Meg ha nem találok ilyen tranyót, akkor jó a BC182B helyettük (megnéztem, nemnagyon térnek el a jellemzői..)
mármint a tranyóknál a BC183-as helyett...
Heló!
Kösz a választ az egyik el is füstölt, akkor itt kezedem. Üdv.: Jocó!
ezen az áramkörön hol van a bemenet?
de az közvetlenül érintkezik a földdel (egyébként én is így gondoltam csak...)
Miért is? Nincs ott pötty a csomópontnak! A külső karika a föld, a közepe a melegpont, mint az RCA-nál.
|
Bejelentkezés
Hirdetés |







. Ettől egyszerübbet aligha találsz. (de kell elé csúcsegyenrángató) 

Én köszönöm!






