Fórum témák
» Több friss téma |
Fórum » Villanymotor bekötése
Köszönöm a válaszodat, csak nem értem. Nincs három szabad vezetékem! Ami három vezeték(piros) az megy be a motorba,de abból kettő az irányváltóhoz megy, az irányváltó másik két vezetéke áll szabadon.
Szia!
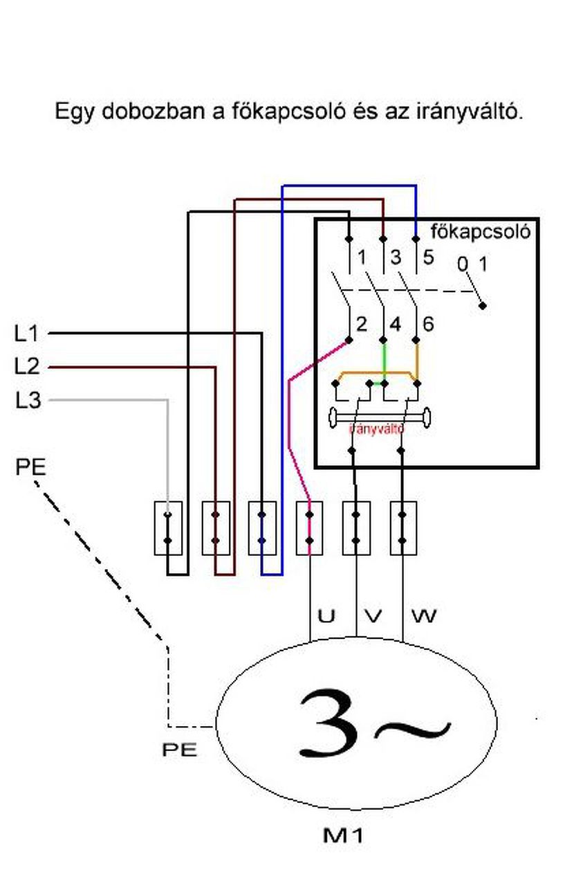
Balról számolva a csoki 2. és a 3. valamint 4. (felülről üres) SZABADon maradt csatlakozási helyére gondolt zolika60. Amit még nem említett az a földelésvezeték, azt pedig a motor fémházához szorítsd! Ez így működőképes is lesz, viszont az irányváltóhoz jobb lenne a 6 eres kábel (nehezebb beszerezni), az irányváltón egy főkapcsolóval. Ebben az esetben már a bekötés is változna, de biztonságosabb lenne vele dolgozni. Jó lett volna egy kép az irányváltóról...
Húú tényleg, köszönöm a kiegészítést. És ma ki is próbáltam és hát teljes a siker, és jól és szépen működik az emelő. Viszont az ötleted a hat eres vezetékre, az hogy is lenne? A két plusz ér mire is szolgálna? Az irány váltó alap esetben középállásban, a kapcsoló két irányban billen, egy irányban emel a másik irányban leenged, hogyha elengedem minden megáll.Az új bekötés hogyan lenne?
Előre is köszönöm a fáradozásodat!!!
Sziasztok !
Segitséget szeretnek kerni ! Van egy imi ozf 90c-4nd villany motor amit asztali korfuresz meghajtasara hasznalnek fel... A motor mehecskebol lett megmentve .. a kabeleket le vagdaltak rola ... Bekotesehez szeretnek segitseget kerni !! Jelenleg 2 kabel jon ki a dobozabol egy 3 eres es 5 eres ..a 3 eresbol megy egy az uzemi kondihoz..
A három eres volt a betáp. Az 5 eres valószínűleg forgásirány váltáshoz kellett. Neked ez a része nem kell. Indítórelé ott van a dobozban. Bekötési rajzot találsz, ha rákeresel a képekre. Jobb felsó sarok, kis nyíl az "Új hozzászólás" alatt.
Elvileg a motor fedelében ott lehetne a rajz.
Koszönöm ! Sajnos a fedelben nincs bekotesi rajz !
Keszitettem egy rajzot a mostani bekotesrol.. Elore is elnezest erte...
Szia! Ez a motor 1100W (1.5LE) 1450f/p fordulatú, 9A névleges áramfelvételű. A bekötését ITT is megtalálod. Talán a fordulata nem túl kedvező egy körfűrész meghajtásához de módosítható az áttétel megfelelő választásával.
Köszönöm szépen. Megpróbálom, hogyha esetleg nem menne, majd jelentkezem. Addig is köszönöm a fáradozást. Üdv!!
Üdvözlet!
Kis felvilágosítást kérnék villanymotor témában! Nem igazán találtam választ a guglival...: Szóval: A 3 fázisú aszinkron motoroknál (jellemzően az általam nézegetett 3-4kw teljesítményűeknél) az alábbi feliratokkal lehet találkozni az adattáblákon: - 660/380V Y/D (D természetesen Deltát jelent) - 380/220V Y/D - 380V D Egyáltalán mi a különbség közöttük? Nekem konkrétan van egy 3kW-os EVIG VZ 100Lh4 típusú motorom. (Adattábláján 380V D) Szalagfűrészhez szeretném majd használni, 3fázisú bekötéssel! Csillag/Delta kapcsolót a fent említett mindhárom fajta villanymotornál kell/lehet/tanácsos alkalmazni? A hozzászólás módosítva: Okt 5, 2017
Az első kettőnél javasolt, mivel a biztosítók nem biztos, hogy bírják az indulási áramot, valamint a szerkezet a túl nagy indító nyomatékot. A második csak csillagban mehet 400 V-ról. A harmadiknál nem tudsz, hacsak a kapocslécén nincs kivezetve a többi tekercsvég is. Itt lágy-indítás jöhet szóba.
Köszönöm! 6 szál vezeték van kivezetve... Lehetne több is??? 3 tekercsnek csak 6 kivezetése lehet nem?
Azt honnan tudhatom meg hogy gyári-e a tekercselése a motornak? A hozzászólás módosítva: Okt 5, 2017
Az ábra szerint fogadjuk el eredetinek. Deltában indítva áramot mérni. Csillagba kapcsolva is áramot kell mérni. Ez valószínűleg kevesebb, mint a delta kötésre írt. A kivezetéseket párosítani kell azért csillagba kötés előtt. Két keményfa léccel lehet terhelést imitálni. Nem kell teljes terhelésre törekedni, de közel egyenlőre a kétféle üzemben. Valószínűleg az ismert módon lehet csillagba kötni. Ez a motor indítható csillag-deltában.
Akkor célszerű csillag/delta kapcsoló használata vagy nem szükséges? Szalagfűrész üresjárati terhelése szerintem nem olyan nagy, de ha kímélem a Y/D indítással akkor inkább úgy használnám!
Sziasztok! Adott egy egyfázisú villanymotor aminek 4 kivezetése van. Egy helyről jön ki egy vastagabb barna egy vékonyabb kék és még egy helyről ugyanígy. A két kék végén mérek 16 ohmot viszont a barnák végén semmit. Ezek szerint a fő vagy a segédfázis le lehet égve vagy szakadva? egyébként egy kapcsolóval lehet ráadni a villanyt egy nyomógombon keresztül pedig az indító kondit. Ha felkapcsolom a kapcsolót és benyomom a nyomógombot zúg a motor de nem indul el ha megforgatom a tengelyt akkor sem. A kondi jó 100uf. Régebben úgy emlékszem úgy működött ha a kapcsolót felkapcsoltam már zúgott a motor és a nyomógombbal indult is. Ötletek?
Szerintem a főfázis tekercse le lesz égve. Legalább is erre utal az ellenállásmérés és az, hogy csak akkor zúg a motor, ha az indítókondin keresztül a segédfázis tekercsre áramot kapcsolsz.
Ezt szomorúan hallom.
Akkor nincs mit tenni, kuka.
Én megnézném belülről, hátha látható helyen van megszakadva a huzal és össze lehetne toldani.
1440 fordulatú motornál nem biztos, hogy kell csillag-delta indítás, mert könnyebben indul, mint a 2880-2900 fordulatúak. Szalagfűrészt általában nem a villanyóra tövében ~3m kábellel használ az ember. A hosszú kábel is csökkenti az indítási áramlökést. Nem kell aggódnod. 3*16A kismegszakító elbírja.
Akkor nincs mit tenni, tekercselés.
Nem írtál teljesítményt: ha kicsi, nem nagy kunszt; ha nagy, akkor meg pláne, mert olcsóbb, mintha tekercselőhöz vinnéd, vagy egy új.
Mindenkinek köszönöm a segítségét, végül is maradtam az eredeti bekötésnél, jó funkcionál, teszi a dolgát. Köszönöm még egyszer.
Sziasztok.
Amerikai szabványos villanymotor (két fázis közt 240V, fázis és nulla közt 120V, a fázisok 180fokkal eltolva) beköthető-e magyar szabvány egyfázisú hálózatra? Ha nem, akkor mi az elvi akadálya?
Miért is ne. Max nem forog. Akkor az egyik tekercs kivezetéseit fel kell cserélni. Ha akkor sem forog akkor csinálni kell neki egy fázisfordító, feszültség csökkentő elektronikát. Vagy egy trafót.
Mekkora az a motor? Idézet: „két fázis közt 240V, fázis és nulla közt 120V, a fázisok 180fokkal eltolva” Nekem ez nem jön össze (de nem értek hozzá)
1':50"-nél tisztán "láthatod"... Bővebben: Link
De itt jobban látszik az A-Neutral-C közötti rész... A hozzászólás módosítva: Okt 11, 2017
Csak elméleti szinten érdekel, egy másik helyen felvetődött a kérdés. Amerikai körfűrészt szeretne az illető itt üzembe helyezni, pontos típus nem derült ki.
Valójában az érdekelt, hogy ezeknek a villanymotoroknak különbözik-e a felépítése az itthoniaktól. Érdekes-e még olvasgatnom utána, vagy elvből problémás. Általában európai gépet szeretnének kivinni, kevés információt találtam az ellenkezőjéről.
Szigetelése jelentősen gyengébb.
60 helyett 50 Hz. Uniman linkjét még most is emésztem
Üdv! A felsorolt motoradatokból kettő ugyanezt jelenti: 660/380V Y/D és a 380V D. Ebben az esetben a motor tekercsei 380V-ra készülnek, így deltában használhatók 380V-os, csillagban indítható kisebb teljesítményen, tehát ezekhez lehet csillag/delta indítást alkalmazni.
A 380/220V Y/D feliratú motor tekercsei 220V-ra készülnek. Ez a motor 380V-on CSAK CSILLAGban használható. Itt nem szabad csillag/delta kapcsolót használni, deltában percek alatt leég. A te motorod deltában 380V-os( tehát csillagban 660V), itt használhatsz kapcsolót. Ha csak három kivezetés van a motorban, akkor nincs átkötési lehetőség. Direktben indítható. ( ez esetben teljesen mindegy, hogy belül csillagba vagy deltába van kötve )
Sziasztok.
Segitségre lenne szükségem. Adott egy villanymotor, amiröl még egyenlöre nem sok mindent tudok. Ennek kellene egy vezérlést kreálnom. Rendelkezésemre áll egy DIL2-22es mágneskapcsoló, egy Ganz KK BH0 motorvédö-hökioldó, egy BE nyomógomb, egy KI nyomógomb és egy vészleállító gomb. Tudna valaki segíteni a vezérlés elkészitésében?
Hány voltos a DIL behúzó tekercse? Mi a cél a "vezérlés" megépítésével?
|
Bejelentkezés
Hirdetés |










Nem írtál teljesítményt: ha kicsi, nem nagy kunszt; ha nagy, akkor meg pláne, mert olcsóbb, mintha tekercselőhöz vinnéd, vagy egy új.





