Fórum témák
» Több friss téma |
http://www.eio.com/crntctrl.htm
Üdvözlök Mindenkit! Most irok a forumra elöször.Lenne egy kérdésem a hozzáértökhöz.Szerintem a fenti linken levö kapcsolásban szertintem ellenmondások vannak.Azt szeretném kérni,hogy valaki átrajzolná a kapcsolást ugy,hogy megépithetö legyen nagyon hálás lennék és még sokan mások is.Köszönöm elöre is:Fater5
Van benne hiba rendesen. A kitöltési tényezőt nem így kell szabályozni. Az SG3524 adatlapjában van egy rajz a belső felépítéséből, abból kell kiindulni.
Szép Estét Uraim!
Egy olyan kérdéssel fordulnék a téma beliekhez, hogy érdemes-e egyáltalán hobby-CNC gépet soros, vagy USB portról vezérelni? Van-e valakinek tapasztalata e téren, illetve létezik-e ilyen konstrukció? Egy hobby-CNC maró-, gravírozó és nyákfuró gép készítésébe vágtam, és rendes vezérlést szeretnék hozzá, csak nem tudom, érdemes-e megkerülni a jó öreg "rendes" párhuzamos portot, a "rakoncátlan" soros portokkal.
Egy kollégámmal dolgozunk egy fúró-maró gépen, de a soros vezérlést elvetettük. Biztos lesz, aki megkritizál, de én nem bízom a soros vezérlésben, pláne nem USB alapon; legfeljebb úgy tudnám elképzelni, hogy pl. a G-kódból számított vezérlési sorrendet áttöltöm egy RAM-ba, amiből a letöltés után kontroller olvas, és végrehajt. Ennél egyszerűbbnek tűnt az LPT, és mivel egy relatíve "buta" gépet is tudtunk foglalni a projekthez, ebbe az irányba indultunk.
Igen, ilyen ötletek keringtek bennem is, de még nem láttam sehol sem másfajta CNC vezérlést.
A léptető- vagy szervómotorok teljesítményfokozatán kívül milyen elektronika van a gépezet vezérlésénél? Én terveztem egy galvanikus leválasztást, és egy mikrokontrollert is, amire egy joystickot téve lehet használni a gépet számítógép nélkül is pl. egyszerű marásra vagy épp csak kisebb alkatrészek megmunkálására. Ehhez társulna egy kis billentyűzet, hogy be tudjam ütni a G-kódot kézzel, és egy kis LCD, hogy lássam mit is ütök be. Így lenne egy Mach vagy KCam-mel vezérelhető CNC-m, és egy független marógépem. Mit szóltok hozzá?
Biztos nem véletlenül nincs (már ha nincs) másféle
Ezek szerint te jóval előttünk jársz... Galvanikus leválasztás és meghajtó-fokozatok, nálunk ennyi van fizikailag, a többi ötletet főként az anyagiak korlátozzák. Beépítésre vár még ugyan két rotary encoder, amikkel az asztalt lehetne kézzel állítani (visszajelzés, azaz pozíció-információ nélkül), és utána két végállás között gombnyomásra oda-vissza végigmenne a fúrófej, de a hozzávaló kontrolleres részről már nem tudtunk megegyezni, így egyelőre jegelődött a téma.
Kollektív tudat? Épp vasárnap írtam egy progit '877-re abból a célból, hogy a kézzel (oszcillátorral) beadott lépéseket leszámolja. 3 bájtos számláló, de a szimulációnál kiderült, hogy kb 2ms a ciklusidő és ez csak a program magja, a bináris-BCD konverzió, az LCD még sehol sincs. Félek, hogy egy PIC a 3D-s pozíciókijelzéshez kevés. 200Hz-et azért tudnia kellene...
Kedves Medve kollega,
Ha jól értem, azt tanácsolod, hogy a párhuzamos portról levett step-dir jeleket közvetlen valami vezérlő elektronikával valós időben vezessem a meghajtó fokozatra, és ne dolgozzam fel mikrokontrollerrel vagy bármi mással, ami "húzza az időt" vagy akár le is fagyhat? A 200Hz egy frissítési ciklusra vonatkozik? Tehát egy mp alatt 200 lépést kell tudni továbbadni a meghajtófokozatnak a 3 motorra?
Nem-nem! Én nem erről beszéltem, habár amit írtál, azzal egyetértek, mert a PC a STEP jeleket a helyes ütemben adja, ezeket módosítani már nem tanácsos.
Én erre reflektáltam: Idézet: Ilyet terveztem én is, egy "skálával", amely az impulzusok számlálásával az elmozdulást méri. "Digitális vonalzó"...„Én terveztem egy galvanikus leválasztást, és egy mikrokontrollert is, amire egy joystickot téve lehet használni a gépet számítógép nélkül is” Jól fogalmaztál, én úgy saccoltam meg, (nemigazán átgondoltan), hogy a 200Hz-> 1 mp/fordulatot célzom meg, hogy "gyorsmenetben" is mérje az elmozdulást. Ez még elég nevetségesnek tűnik, mert elég lassúcska. Na 3 motornál ez csupán 1,6ms "reakcióidő", ezt kellene űberelnie a PIC sebességének, hogy biztonságosan számolhassa az impulzusokat. Jól gondolom? (Egyáltalán érthetően fogolmaztam?) Az megoldás, hogy egyszerre csak egy irányban mozgunk, de detektálva, hogy épp melyik tengelyt mozgatjuk ki tudjuk a 3D-s koordinátát íratni. Egyszerűbb a Kobold által említett útmérő alkalmazása. Az én gépemen, a tengelyeken van egy kar is a motorokon kívül a mozgatásra, ha ezt egy nyomtatott skálával feldíszítem, egyszerűségében úgy érzem mindent tarol!
Őszintén szólva, az általunk tervezett kézi mód nem ennyire valós-idejű. Eredetileg mi is akartunk LCD-t, de az utolsó meglévő kijelzőre ráesett valami, így kihagytuk. A szem és az LCD tehetetlensége miatt nem akartunk minden bejövő impulzushoz megfelelő út-kijelzést is adni, 3-4 frissítés lett volna másodpercenként.
Az első tapasztalatok után én abba az irányba indultam, hogy kézi vezérlésnél a motor ne kövesse azonnal az encoder-t; a bevitel után van egy kis holtidő, és ha az addig megszámolt impulzusok már nem változnak, csak akkor kezdi kiléptetni a motor felé, a véletlen túllökés elkerülésére. Megszakításos kezeléssel nem igazán volt gond sem az encoder, sem a motor impulzusainak számolgatása, az összehasonlítás is elég gyors művelet, meg is állt minden, ahol kellett. De a mi témánk szerintem behalt, én módosítanék a vázon, a gazdája (ő tervezte a keretet) ezt ellenzi, így maradt pár tartalék alkatrészem...
Értek nagyjából mindent, de most így jobban elmerülve tényleg érdemes kikapcsolni minden meghibásodási forrást, és a legegyszerűbb elektronikát tenni a párhuzamos port és a léptetőmotorok vezérlőfokozata közé.
Deguss, kezdetnek mindenképpelég egy STEP-DIR meghajtó s kitudja, ha hozzá okosodunk, egy DC szervó lesz a következő lépés.
![]() Kobold: más úton járunk, ám a cél hasonló. Azt nem írtam meg, hogy az én esetemben is némi egyszerűsítést alkalmaztam. Ha ugyanis egy kettes osztót használok a léptetőimpulzusokra, a kívánt sebesség is kisebb lesz a számláló részéről, a növekmény is elfér egy bájton, s az igy kapott százados felbontás hobbi célra elég.
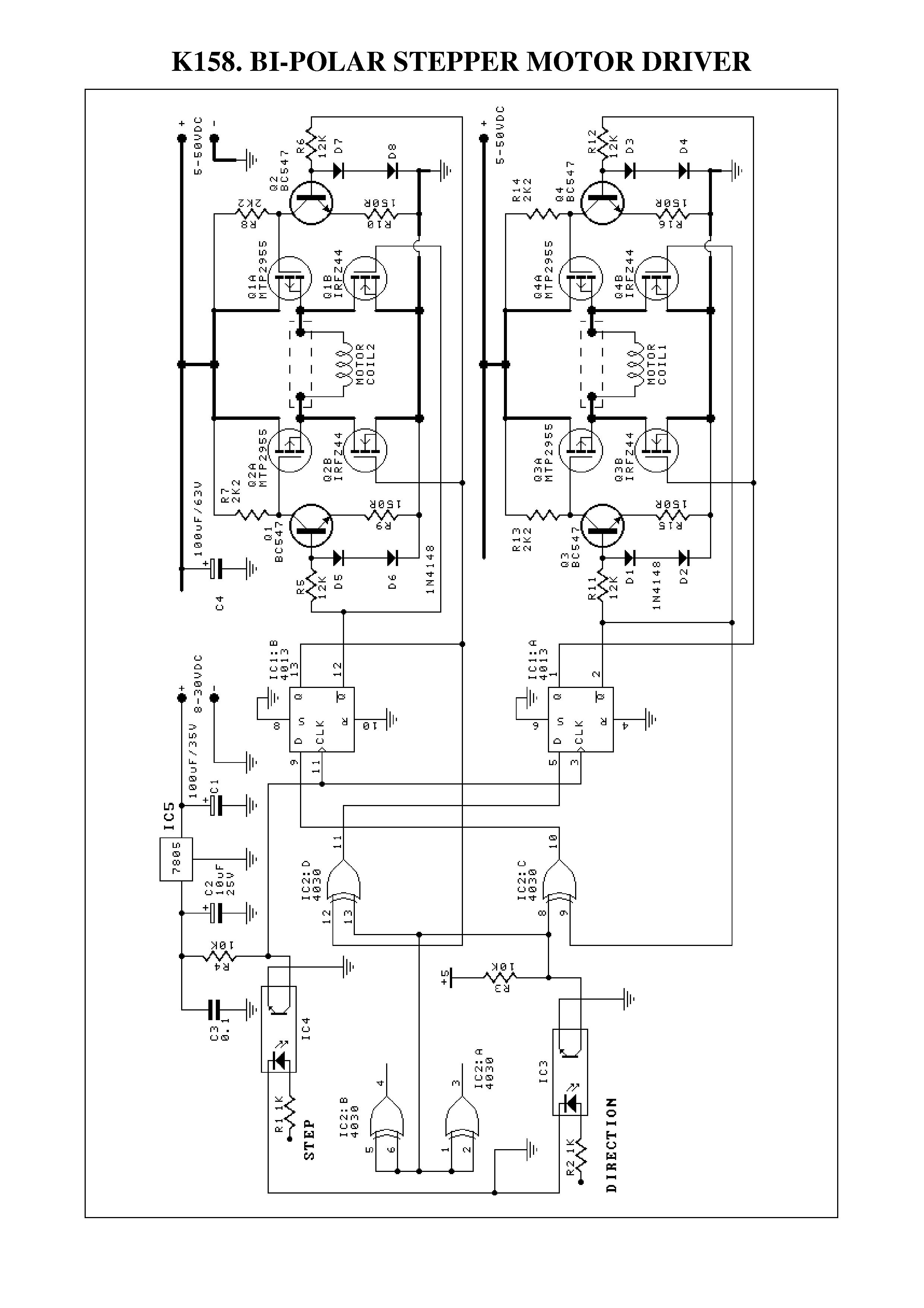
Nem tudna valaki esetelg ajánlani step/dir vezérlőt bipoláris 4 kivezetéses motorhoz?Van pár elképzelésem de addig nem tenném fel,míge nem mond senki semmi egyéb tervet.razot.Félek h szerény ötletem STEPP-DEATH vezérlő lenne
Itt van pl ez, vagy készítheted a végét H-híddal, akkor 8 FET kell, de nem kell középnullás táp.
Itt egy másik részletesebb rajz.
Hali!Kössz a rajzot.Meg is tudnám építeni.Te ezt a kapcsolást kipróbáltad?Nekem kicsit gázos a kapcsoló tranyó meghajtása.Nem értem hogyan vált irányt ha a fetek gate-je össze van kötve?
Nem csináltam meg, de ha mégis, előbb kipróbálom a végét, mert "újszerű" ez a megoldás. Az irányt úgy váltja, hogy a közös szakaszon hol pozitív, hol negatív feszültség van. Ha jobban megnézed, az optokapu + és - 29V-ot kap. Szerencsére a kettő együtt sosem kap vezérlést. Ezt a megoldást csak akkor ajánlom, ha megvan hozzá a tápod. Egyébként a Masi féle lenne a korrekt megoldás.
Szalagfürészlap köszörüléshez szeretnék egy cnc gépet csinálni. Ha valakinek van ötlete, hogyan kell a szalagfürészlapot megvezetni úgy, hogy a lap hátsó egyenes fele legyen a bázisfelület, szivesen fogadnám.
cpumaster hozzászolásában lévő PWM áramkorlát linkje nem elérhető, Ha meg van valakinek linkelje be az oldalra.
Ha van valakinek müködő PWM áramkorlát rajza ossza meg a forumon.
Ha kérnéd ezt, akkor számíthatnál némi segítségre...
sziasztok
lenne egy olyan kérdésem hogy szerintetek erre a vezérlőre http://pminmo.com/3axis/3axis.htm hova kössem a végálláskapcsit, mert nincs kialakítva neki hely. az LPT-n hova lehetne kötni szerintetek?
Hello, az attól függ, hogy a panelt vezérlő program melyik lábon várja azt. Ez általában konfigurálható.
Ha jobban megnézed a rajzo a JP4-es cstlakozók a végálláskapcsolok.(limit swiches)
oks
köszi a segítségeteket. szerintetek hgyan lehetne megcsinálni h ne az asztal mozogjon, hanem maga a szerkezet azt tom h vmin csúsznia kéne, ill menetes szárral megoldható
Milyen célra használnád?Elég spec-pályát használnak az esztergák ,köszörük,marók.Milyen pontosság kellene?
Az asztal mellett két hengeres vezeték, azon két-két bronzpersely, a két oldal egy "híddal" összekötve. Például.
sziasztok! ti milyen szoftver használtok a cnc-tek vezérlésére? A mach verziói elég profik csak hát pénzbe kerül és én csak egyenlőre valmi kis gépet szerenék csinálni max nyákot kifúrni ehhez pedig nem szeretnék tízezreket szoftverre költeni. Tudtok valamit ajánlani?
|
Bejelentkezés
Hirdetés |











