Fórum témák
» Több friss téma |
- Ez a felület kizárólag, az elektronikában kezdők kérdéseinek van fenntartva és nem elfelejtve, hogy hobbielektronika a fórumunk!
- Ami tehát azt jelenti, hogy a nagymama bevásárlását nem itt beszéljük meg, ill. ez nem üzenőfal! - Kerülendő az olyan kérdés, amit egy másik meglévő (több mint 17000 van), témában kellene kitárgyalni! - És végül büntetés terhe mellett kerülendő az MSN és egyéb szleng, a magyar helyesírás mellőzése, beleértve a mondateleji nagybetűket is!
Helo és B.U.É.K!
Szeretnék megtekerni egy Etd-49 ferrit trafót. A bemenet 12V dc legyen,és a kimenet 500-600v ...persze minél kisebb fogyasztásnál(mondjuk 200-300mA) Segitséget kérnék a menetszám meg az átmérő megadására. Köszi.
A 200-300 mA a primer vagy a szekunder oldalon legyen?
A betápon, vagyis a 12v-on legyen a fogyasztás 2-300 mA.
Milyen frekvenciara? Milyen vasmag? Trafon DC bemenet? Mit szeretnel csinalni?
25-50 Khz
Sziasztok!
PT100-as hőmérőt szeretnék csinálni, de ebben is mint az eddigi kérdéseimben itt is sötétben tapogatózok. Maga a kapcsolás meg van innen vettem a kapcsolást. A kérdésem az lenne, hogy 5m (max 10m)-re lesz a csatlakozástól a hőmérő egy kétvezetékes megoldásban (nem szükséges túl pontos mérés) menyire okoz problémát, ha 3.3V-ról megy a szenzor nem 5V-ról?
Analóg érzékelőnél amíg a vezeték ellenállása elhanyagolható a szonda ellenállásához képest, minden további nélkül használható. Hosszabbal is működik, csak kompenzálni kell a dolgot. A gond a hozzú vezetékkel általában ott van, hogy antennaként viselkedik. Igaz, ezt egy kondenzátorral általában kompenzálni lehet.
Sziasztok!
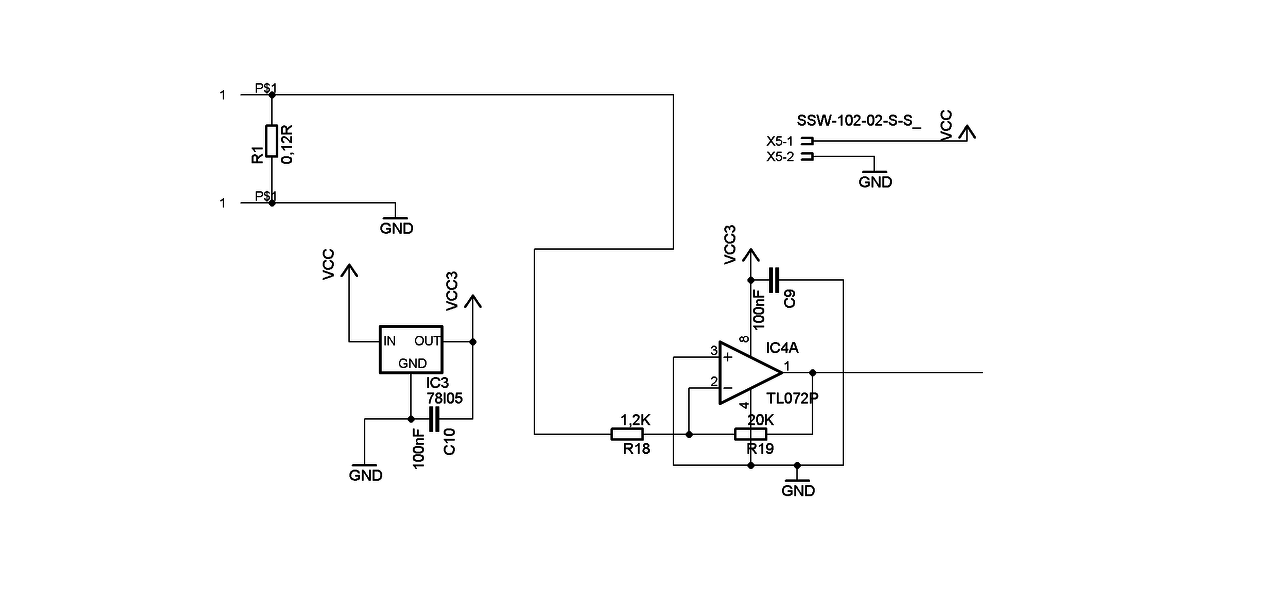
Akadt egy kis problémám a melléket kapcsolási rajzzal. Megépítettem egy invertáló erősítőt ami 5V stabilizátorról kapja a tápfeszültséget. Egy 0,12 ohmos ellenálláson eső feszültséget kellene neki felerősíteni. A baj az vele, hogy 4,3V van az erősítő kimenetén akár mit is csinálok vele. Ha a 0,12 ohmos ellenálláson nem esik feszültség akkor is 4,3V az erősítő kimenete. Mi lehet a probléma? Egyébként az 0,12R ellenállás GND-vel jelölt részén lenne a pozitív része a rajta eső feszültségnek ezért is kell az invertáló erősítő. az erősítés 16,666. Tl072 szerepel a kapcsolásban. Nem szimmetrikus tápot kap, de ettől még működnie kéne, mivel a GND-hez képest negatív a söntön eső feszültség, de az invertáló kapcsolás miatt az erősítő kimenetén pozitív feszültségnek kellene lennie, csakhogy beáll 4,3V-ra. Hol rontottam el? Idézet: Ez a baj. A műveleti erősítő bemenetére nem kapcsolhatsz negatívabb feszültséget, mint a tápfeszültség. Továbbá a feladatra alkalmasabb lenne egy LM324-es vagy még jobb műveleti erősítő.„működnie kéne, mivel a GND-hez képest negatív a söntön eső feszültség” Az invertáló bemenet nem azt jelenti, hogy a negatív bemenő feszültséget pozitívvá fordítja hanem azt, hogy a kimeneti feszültség ellentétes a bemenethez képest. Viszont, a műveleti erősítők kimenete nem tud a tápfeszültség fölé/alá menni, a bemenetre pedig (tisztelet a kivételnek, már ha van ilyen) nem szabad a tápfesz. tartományán kívülre eső feszültséget kapcsolni. Vannak olyan műveleti erősítők, amelyeknél a bemenetek még csak meg sem közelíthetik a tápfeszültségeket. Ezekről az adatlap ad tájékoztatást. Bővebben: Link A hozzászólás módosítva: Dec 31, 2017
Értem, ezek szerint az invertáló erősítőnek eleve csak szimmetrikus tápellátásnál van értelme.
Ha szimmetrikus lenne a táp akkor kapcsolhatnék a földnél alacsonyabb feszültséget és az pozitívként jelenne meg a kimeneten. Egyébként az invertáló erősítőnek nem az a lényege, hogy a bementő negatív feszültséget pozitívvá formálja? Csak ehhez kéne a szimmetrikus tápfeszültség.
Nem. Az invertáló erősítő éppen úgy működik, mint egy normál erősítő egy kivétellel. A kimeneti jel az inverze (fordítottja) a normál erősítőhöz képest.
Szimpla tápfeszültségnél is lehet invertáló erősítőt használni éppen úgy, mint a normál erősítőt. Ettől még a bemenő jelnek a GND-hez képest pozitívnak kell lennie. Kettős tápfeszültségnél a GND csak egy referencia pont. Ez igazábol azt jelenti, hogy az erősítő munkapontja a GND szintjén van. Egy műveleti erősítőt lehet -5 és +12 V-os tápfeszültséggel is ellátni ha éppen valamilyen oknál fogva ez az igény. Pl. a bemenő jel -1 és + 3 V között változhat és ezt szeretnéd erősíteni kétszeresére. Ilyenkor, ha egyszerűbb, felesleges a negatív tápfeszültséget lejjebb vinni pláne akkor, ha egyéb okok miatt ilyen tápfeszültségek eleve rendelkezésre állnak.
Akkor lényegében csak nem tévedtem. A bemenő negatív feszültségből pozitív fog megjelenni a kimenetén (pozitív bemenőből pedig negatív, persze az erősítés függvényében). Csak én nem írtam le a teljes működését az invertáló erősítőnek csak azt a funkcióját amire épp szükségem van.
Nekem pont az a lényeg, hogy a bemeneti feszültség -0,5V és 0V között van amit fel kell erősíteni kb. 16-szorosára. Csak ehhez kell a negatív tápfeszültség, én szimmetrikust írtam, mert egyébként +-15V épp rendelkezésre áll, nyilván nem kell mindig szimmetrikus neki. Egyébként még azon is gondolkodok, hogy kell e neki egyáltalán a +-5V vagy jó lenne csak +5V és -15V. A +-15V úgy is rendelkezésre áll, de egyszerűbb lenne ha a -15V-ot nem kéne stabilizálni. A +5V az úgy is fog kelleni még máshova, úgyhogy az mindenképpen marad.
Nekem ebből az nem világos, hogy lesz a mérendő pont negatívabb a GND -nél?
A GND azonos potenciálon van az R1 alsó lábával. Ebből nekem az következik, hogy az R1 felső lába, csakis pozitívabb lehet a GND -hez képest. Vagy van ott valamilyen negatív tápfeszültség csatlakozás? Egyébként ha ebbe a kalkulátorba beírom a két ellenállásod értékét, és a bemenőfeszültséget 0.2V -ra állítom, akkor -3.33 V lesz a kimeneten elvileg. De mivel te nem szimmetrikus tápról táplálod a műveleti erősítődet, neked soha nem lesz a kimenet negatív értékű, így a fene se tudja, mi fog kijönni neked... A hozzászólás módosítva: Dec 31, 2017
Idézet: Nem, kevered a két dolgot. A negatív feszültség és az invertáló erősítő nagyon két külön fogalom. Egyszeres tápfeszültséggel is lehet csinálni invertáló erősítőt de a bemenetére nem köthetsz negatív feszültséget. „Akkor lényegében csak nem tévedtem. A bemenő negatív feszültségből pozitív fog megjelenni a kimenetén (pozitív bemenőből pedig negatív, persze az erősítés függvényében).”
Igen, de írtam is, hogy negatív bemeneti feszültségnél mindenképpen kell +- -os tápfeszültség (először szimmetrikust írtam, de ahogy írtad nem feltétlen kell szimmetrikus, de a lényegen nem változtat.)
Földhöz képest negatív feszültségű bemenethez mindképpen kell a valamilyen +- tápfesz a bemenő jeltől függően, én azért hangsúlyoztam ezt, mert az én esetemben ilyenre lett volna szükség ezért szívtam meg. Mindössze azért emlegettem a kettőt együtt, mert az én esetben a kettő együtt jár, nem általános esetre értettem. A hozzászólás módosítva: Dec 31, 2017
Úgy lesz negatívabb, hogy ez egy sönt ellenálláson méri a feszültséget a negatív ágban. A GND pont az nem a negatív csatlakozási ponthoz van kötve (mondhatnám úgy is, hogy két független GND van az egyik az ellenállás egyik végén a másik a másikon, így lesz negatív bemeneti feszültség a műveleti erősítőn a saját GND-jéhez képest). Így a kalkulátorban a -0,2V esetén 3,33V lesz a kimeneten. Most már tudom, hogy hiányzik neki a negatív tápfeszültség és ez a baja. Megpróbálom mihamarabb pótolni és úgy kipróbálni. Valószínűleg egy 5,1V zénerrel megcsinálom neki a -5V-ot az épp kéznél lévő -15V-ból.
A hozzászólás módosítva: Dec 31, 2017
Kipróbáltam és 0-5V közötti PWM-mel működik a fordulatszámszabályozás.
Artic F12 PWM, Arduino nano, és a következő kód volt
Azért 50-255 közötti kitöltés közötti a teszt, mert kb. ilyen kitöltéssel indult el stabilan a venti. 0 PWM-nél áll, és ha nincs vezérlés, akkor kb. közepes fordulattal forog. (A fordulatszámjelző szállal nem foglalkoztam.)
Biztos, hogy a PWM bemenetet használod? Van itthon PWM-mwl vezérelhető ventilátorom de az vezérlés nélkül vagy teljes fordulaton megy (lebeg a bemenet) vagy L szintre húzva a vezetéket alapjáraton megy.
Ha GND húzom akkor megáll a venti, ha 5V-ra akkor maximumon pörög, változó kitöltésű PWM-et rátolva változik a sebessége, szerintem ez a PWM pin. A sorrend egyébként GND, 12V, fordulatszám, és PWM, ez utóbbi kettő az arduino-ra kötve. És ha az arduinot kihúzom az USB-ből, akkor forog a venti. Érzésre nem maximumon, de mérni nem mértem, és ma már nem is lesz erre időm.
A kapcsolásoddal van egy kis bibi. A neminvertáló bemenete földön van az erősítő táp földjével együtt. Ilyen formán az erősítődet "kiakasztottad".
Szerencsere vannak olyan OPA-k, amik ezt toleraljak, es mukodnek ilyen beallitasban, de a TL071 nem tartozik ebbe a kategoriaba.
Ez igazán jó hír!
Nagyon szépen köszönöm! Akkor ez lesz a megoldás!
Már javítottam a dolgot, még nem próbáltam ki, de most már +-5V-ról megy az erősítő és a neminvertáló bemenet földpotenciálon van. Remélhetőleg így már működni fog, szerencsére van még itthon tl072-es.
Kösz a segítséget és Bakmannak is. A hozzászólás módosítva: Jan 1, 2018
Szép napot, Mindenkinek! B.Ú.É.K. ! Azt szeretném kérdezni egy RC négypólusnál hogyan tudom oszcilloszkóppal megmérni a valós törésponti frekvenciát? Kiszámolni bármikor lehet, de az nem feltétlen ugyanaz. Úgy gondolom, hogy a kimeneti amplitúdót beállítom bemeneti gyök kettedére és ilyenkor mérem a bemeneti frekvenciát. Köszönöm a választ.
Ha +/- a táp, akkor már működik. Ettől a manővertől még egyáltalán nem biztos, hogy tönkrement az erősítő. Azt azért nézd meg az adatlapon, hogy mekkora a minimális tápfesz amivel még működik
A hozzászólás módosítva: Jan 1, 2018
Sziasztok!
Segítséget szeretnék kérni trafó teljesítményének a kiszámításában! Amit tudok hogy egy primer és 3 secunder van, minden secundernek van közép kivezetése is ( de azt én nem használnám) A primer ellenállása 65.5 Ohm Az első secunder 29.7 voltot ad a tekercs ellenállása pedig 4.7 Ohm A második secunder 30.4 voltot ad a tekercs ellenállása pedig 3.2 Ohm A harmadik secunder pedig 5.4 voltot ad és a tekercs ellenállása pedig 4.1 Ohm
Sziasztok!
Megtetszett ez a kis olcsóság: Bővebben: Link Eddig még sosem használtam ilyet. Érdemes volna beruházni rá, megbízhatóan tudja azt amit róla írnak? ![]() Bár gondolom ennyi pénzért csoda lenne ha tudná.. ![]() Köszi! Ja, BÚÉK! A hozzászólás módosítva: Jan 2, 2018
Érdemesebb szerintem ilyesmit venni:
Bővebben: Link Ez ugyan nagyon drága, de van 1000-1500 Ft körül is kici occó kínai is. Nekem évek óta megy egy darab ceruzaelemmel, igaz ritkán használom. (Amit linkeltél, annak szerintem elcserélték a leírását, szerintem az egy egyszerű fázisceruza, az ára alapján is...)
Nekem is van, csak az enyém narancssárga és éppen nem találom.
![]() Amit írnak róla azt tudja. Bár egyenfeszültség vizsgálatra nem használtam, de érintés nélkül meg tudom állapítani, hogy van-e feszültség a vezetékben. Tök jó dolog, hogy csak beszúrom az elosztódobozba a drótok közé és látom, hogy van-e valamelyikben (bármelyikben) feszültség. Kis csavarhúzónak sem utolsó. Persze tudni kell használni, képes a csupasz betonon is világítani. Illetve még egy hasznos funkciója van, ha az elejét és a végét összekötöd akkor is világít, lehet vele szakadás keresni. Pontosabban egy nagy köteg drótból nagyon könnyű kiválasztani az egymáshoz tartozó végeket. Hagyományos fénycsöveket le lehet vele próbálni, mármint úgy, hogy nem szakadt e az izzítóspirál benne. Biztosítékot, izzót stb. Hasznos segédeszköz. Apámé viszont pont ilyen türkizkék.
Sziasztok.Volna egy problémám.Volna egy Canon IP2000 nyomtató.most írta ki,hogy a hulladéktinta gyűjtője megtelt.hogyan tudom ezt a hibát orvosolni?
|
Bejelentkezés
Hirdetés |







Nagyon szépen köszönöm! Akkor ez lesz a megoldás! 





