Fórum témák
» Több friss téma |
Erre nem gondoltam,
ha hazaérek, megmérem a visszacsatoló tekercs feszültségét. Valószínű ez lesz a probléma oka, de ha mégsem, akkor megpróbálom légréses trafóval is. Köszi!
Kicsit off, de remélem nem probléma. Ha nagyobb a bemenő feszültség ingadozás pl 15-60V DC a primer oldalon, PFC-t érdemes előre tenni a flyback elé ?
Már mindenre kaptál választ, de azért ezt könnyen leellenőrizheted, miért van ( vagy volt ):
"... oké, csak az a baj, hogyha a BC212 teljesen zárva van.." - akkor van teljesen zárva, ha az optó tranyója totál ki van nyitva és söntöli a BC b-e átmenetet ( vagy egy kis zárlat ugyanott ). Az okokat megkeresni már gyerekjáték.
DC esetében értelmetlen PFC-ről beszélni (persze akkor, ha tudjuk mi az a PFC áramkör). A flyback-nak pedig pont az az egyik jó tulajdonsága, hogy széles bementi feszültség tartományban tud jól működni. Pl. az itthon található kapcsolóüzemű 12V-os dugasztápjaim (ami szintén flyback) már DC 40V-ról is elindulnak, és utána a feszültséget csökkentve DC 25V-ról is még működnek.
A primer oldali visszacsatolás méretezése miatt érdekelt volna a Zsiroskenyér fórumtárs által is felemlegetett kapcsolás esete, hogy elinduljon kis feszültségen is, de 60V esetében se lépje túl a BE átmenet 5-7V-s küszöb értékét.
A pfc egyik következménye, a primer konverzió szabályozott minimális ingadozású betápról üzemel. De lehet csak én kombinálom túl.
Végre sikerült működésre bírni az áramkörömet.
![]() A ferrit gyűrűvel tényleg nem nagyon akart menni, lecseréltem egy PC tápból bontott E magos trafóra, aminek a magjában gyárilag van 0,5mm légrés. Hosszas kísérletezés után arra jutottam, hogy a primrer tekercseknél 28+3 menet a legjobb. A TL431 megkapta az 1k-s ellenállást, most már viszonylag stabilan jár, 100mA-es terhelésig szépen tartja az 5V-ot. Viszont a bemeneti feszre még elég érzékeny: 5V-os(USB) bemenetnél 4,95-5,05V között van a kimenet, de ha 12V-ot adok rá, akkor a kimenet felmegy 7,3V-ra terheléstől függetlenül, ami nem túl egészséges a PIC számára, amit táplálni fog.
Üdv mindenkinek!
Úgy tűnik elkészült a végleges kapcsolásom, a tápfesz érzékenységet is sikerült megoldani, most már 30V-ig stabil. A hatásfoka sajnos nem a legjobb, de most nem is ez volt a cél. ![]() Felrakom a kész kapcsolást, hátha valakinek még jól fog jönni. Köszönöm mindenkinek, aki segített.
A BD241 helyett esetleg meg lehetne próbálni más (gyorsabb és kis maradékfeszültségű) tranzisztorral. Most, hogy működik, a 4,7nF-ot próbáltad variálni? A hatásfokra lenne még más ötlet is - de ha már kész és nem kísérletezel, akkor örülünk, hogy működik.
A hozzászólás módosítva: Jan 16, 2018
A 4,7nF-ot is próbáltam variálni, de így a legjobb, mert ha kisebbet teszek be, akkor csökken a max. kimenő teljesítmény, ha nagyobbat, akkor meg a bemenő feszre érzékenyebb.
A hatásfok itt most nem kritikus, mert vagy hálózati trafóról fog menni, vagy USB-ről, csak a stabil kimenő fesz volt a lényeg, mert egy PIC-et fog ellátni, az meg kényes a tápfeszre. Egyébként kb. 50-60% környékén van a hatásfoka, nekem ez már megfelel. Majd lehet hogy még finomítgatom, de egyelőre már ezzel is meg vagyok elégedve. ![]() Egyébként ez a kis áramkör a technikusi vizsgamunkám része lesz, ami egy audio spektrum analizátor. Van benne egy rakás műveleti erősítő is, azoknak kell a -5V, de az nem fontos, hogy stabil legyen.
Sziasztok.
Van egy itt a fórumon cikként közölt tápegységem. A problémám az lenne a táppal, hogy 160W kimenő teljesítmény hatására a 2A biztosítékot leveri. Miközben ugyan ezzel a terheléssel egy sima trafó simán működik ugyan erről a biztosítékról. Elvileg a ZVS95% hatásfokkal működik. A képen láthatóan toroid transzformátorral van szerelve. A kérdésem az lenne hogy egy ZVS tápegység miként tud működni toroid transzformátorral? Primer induktivitás=2,12mH Szekunder 2*0,135mH Teljes szekunder 0,524 mH Köszi a segítséget! Bővebben: Link
A ZVS az sehogy sem fog működni gyűrűmaggal mert a ZVS üzemhez nagyobb mágnesezőáram kell, azaz kell a vasba légrés, amit a gyűrűbe nem tudsz tenni.
Ha az a 2A-es bizti a primer oldalon van azzal elvileg bekapcsolni sem lehet, mert a kondi töltődésekor már akkora áram folyik hogy ki fog olvadni, talán még akkor is ha van ott NTC.
Köszönöm a segítséget. Milyen vassal tudnám ezt a tápot normális működésre bírni? A cikkben szerepel szórt és mágnesező induktivitás. Mi a különbség a kettő között?
Igen induláskor le szokta csapni elsőre a biztosítékot. A tápot készen vettem a cikk szerzőjétől. Miért tett bele olyan vasat amivel nem működik rendesen a táp? ferrit
Hogy miért azt tőle kellene megkérdezni. A linkelt ferrit biztosan nem lesz jó, mivel az AL értéke alapján légréses, ami azt jelenti hogy sokkal nagyobb légrés van benne mint ami szükséges lenne. Légrés nélküli E mag kell, amibe aztán kísérletileg kell beállítani a szükséges légrés mértékét. A szórt és a mágnesező induktivitásról hirtelen elég annyit tudni, hogy míg előbbi értéke sorba, addig utóbbié párhuzamosan kapcsolódik a primerrel. Ezekről a dolgokról, illetve a ZCS és a ZVS közötti különbségről rengeteget olvashatsz a topikban, és lorylaci cikkei között is.
Érdemesebb az előbbiben gondolkodni, mert sokkal kevesebb buktatója van, bővebb ismeretanyag sem szükségeltetik hozzá, és bármilyen trafóval működik. Ugyan nagyobb helyet foglal, de a szórási induktivitást is célszerűbb egy külső induktivitással nem pedig a trafóban kialakítani. Nem kell kísérletezgetni a tekercseléssel mert a külső induktivitással szinte bármekkora érték beállítható, ha megfelel kész trafó (pl. PC táp tarfó) azzal is elkészíthető, illetve nem fognak gondot okozni a szórótrafó körül szétszóródó mágneses erővonalak sem.
Köszönöm. Olvasok folyamatosan a témában.
Soros induktivitást nem igazán értem. Párhuzamos ok. Ráteszem az L mérőt és megméri párhuzamosan a primerrel. De sorossal nem értem. Ferrit AL értékét hogy határozom meg? Megmérem a tekercs párhuzamos induktivitását vassal és nélküle? Az értékből hogy jön ki a ferrit értéke?
Kerestem egy E ferritet itthon. Összerakva 4,3mH , vas nélkül 0,335 mH az induktivitása. A vas anyaga N27. A cikk szerint 435uH a mágnesező induktivitás. Ezek szerint a trafóm mért értékének a tizede lenne szükséges és ezt állítom be a légréssel? Ha ez mind így van , hogyan s ilyen dróttal lenne érdemes megtekercselni?
A soros az amit a primer "lát" amikor a szekundert rövidrezárod, megmérni is így tudod. A mag AL értéke n2=L/AL azaz az induktivitás osztva az AL értékkel megadja a menetszám négyzetét amiből aztán gyököt vonsz. Feltekersz a magra mondjuk 10-20 menetet, összerakod szorosan a magot és megméred az induktivitását. A kapott értékből pedig ki tudod számolni az AL-t ami most kb. lényegtelen ha mint írod N27-es a mag és tuti hogy nincs benne légrés.
A szórás zömében a primer és a szekunder tekercsek csatolásától (egymástól való távolságuktól) függ. A mágnesezési induktivitás értékét pedig a légrés növelésével tudod beállítani, papír vagy ragasztószalag csíkokat rakosgatsz bele.
Rendben köszönöm sokat segítettél. A vason van 2mm légrés gyárilag. 0,24uH jött ki a vasra. Ez reális?
A hozzászólás módosítva: Jan 17, 2018
A cikkben 435uH mágnesező induktivitás van írva. Rövidre zártam a kiforrasztott toroid trafó szekunderét és így 510uH lett az értéke. Most ha így a szórásit mérem (ha jól értem?) rövidzárral akkor a toroid mag nem jó? Kellene bele légrés? Ez okozhatja a rossz hatásfokot? A mágnesezési induktivitása így 5x nagyobb. Kérdés hogy egyáltalán honnan tudom hogy mennyinek kellene lennie?
A vasnak nincs olyan mennyisége hogy uH, az a tekercsnek, az induktivitásnak van. A gyűrűn nem nagyon tudok elképzelni 510uH szórást mert az nagyon sok, bár gyűrűből nem csináltam még szórótrafót. Már leírtam hogy olyan vasmag amiben gyárilag légrés van az nem lesz jó.
Rendben. Ez az AL érték akkor 0,2 Tesla?
Nem. A Tesla az a mágneses indukció mértéke, az AL meg az adott vasra jellemző induktivitási tényező, állandó, vagy együttható, ami azt mutatja meg, hogy mekkora induktivitása van az adott vasmagnak ha 1 menetet rátekerünk. Az előbb félreérthető voltam mert ennek az értéke is H-ben azaz nH-ben van megadva, hiszen induktivitás.
Ha tegyük fel 2000 a vasmag AL értéke akkor az azt jelenti, hogy 10 menetet rátekerve 0,2mH lesz az induktivitás. N2=L/AL, vagyis 200000nH / 2000 = 102 az L és az AL értéke nH-ben szerepel a képletben.
Köszönöm!
A tápegység helyes működésének elérésben tudnál segíteni? Hol kezdjem a dolgot?
Tetszik a rajz! Én kipróbálom, köszi a szkennt!
Ott kezd hogy mutatsz róla valami rajzot, bekötöd leválasztótrafó után hogy tudj méregetni szkóppal (már ha van), meg a leírásodból az sem derül ki hogy most akkor a primer vagy a szekunder biztit lövöldözi-e el, és az sem hogy működött-e valaha normálisan, vagy eleve így kaptad.
Melyik tápegységet akarod megépíteni ?
Bár 24V-ra olcsó laptop táp is felhúzható ... A hozzászólás módosítva: Jan 19, 2018
Ir 2153 ic-m ,irf 840-em van bontott pc alkatrészek , az hogy melyik az a kérdés
Köszi, ez tetszik is , máris nekilátok .
Sziasztok!
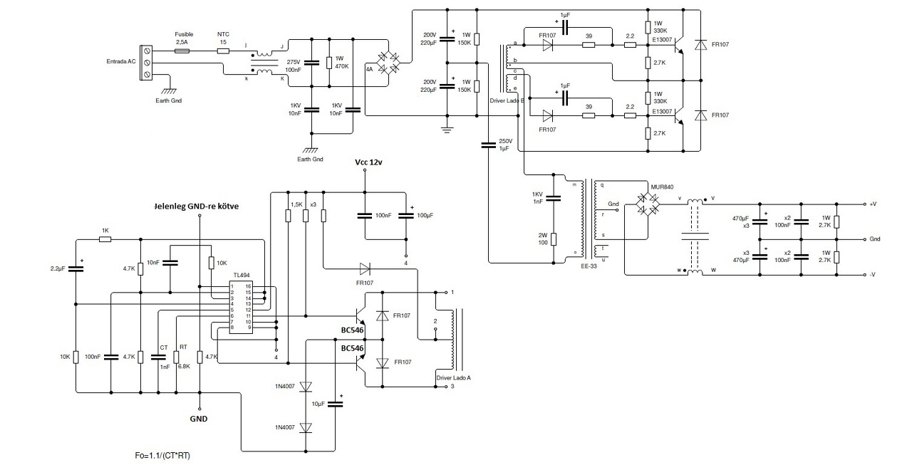
A mellékelt rajznak álltam neki a mai nap folyamán. Ez egy ATX-e tápegység minimális kialakításban. Elindul működik, semmi csattanás! Teszt a melléket rajz alapján lett összerakva! Egyenlőre a főtrafó szekundert oldalt még nem építettem ki. A multiméterrel a nyers AC-t mértem az elméleti 5v-os ágon.... Gyári bontatlan ATX trafó használva. Ott 16,9v-ot mérek. Ez ebben az esetben normális? Amit még megfigyeltem, hogy a nagy trafó enyhén langyos! Pedig semmi terhelés nincsen rajta. A meghajtó tranzisztorok hidegek (MJE13007). A TL494-et külön hajtom 12v-al labortápról. Szkóppal nézve a kimeneteken 70KHz. A lényeg az lenne, hogy nekem kellene egy stabil 12v nagyobb árammal!!! Ez a rajz szerintetek mennyire "opcionális" az-az használható. A TL494 Pin1-es lábát hogyan kellene pontosan bekötnöm? Előre is köszönöm a segítőszándékú hozzászólásokat. |
Bejelentkezés
Hirdetés |





ha hazaérek, megmérem a visszacsatoló tekercs feszültségét. Valószínű ez lesz a probléma oka, de ha mégsem, akkor megpróbálom légréses trafóval is.







