Fórum témák
» Több friss téma |
Sziasztok!
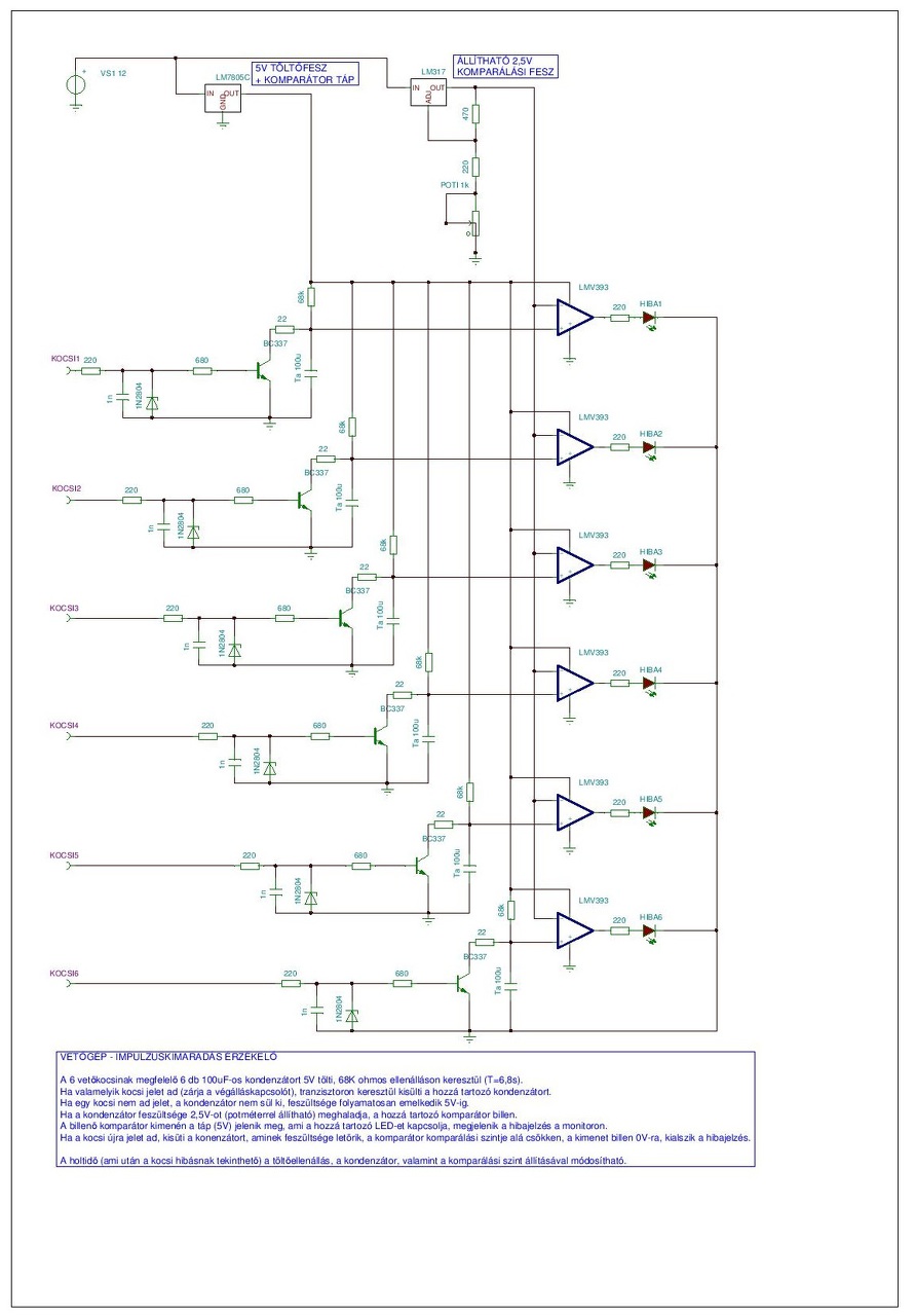
Mezőgazdasági vetőgépre tervezek ellenőrző monitort. A modern vetőgépeket gyárilag felszerelik ellenőrző berendezésekkel, ez viszont egy régebbi darab, így utólag lesz "felokosítva". Feladata annyi, hogyha a 6 darab magszóró vetőkocsi közül bármelyik megszorul (vagy egyéb ok miatt megáll), akkor azt a traktor fülkéjében ülő gépkezelőnek jelezze. A gép kialakítása miatt (na meg a mostoha körülmények / egyszerűség miatt) a kocsik mozgását végálláskapcsolók figyelik, minden egyes fordulatnál egy erre kiképzett fül rövid ideig zárja a kapcsolót. Nincs nagy sebesség, így alkalmasak a feladatra. Áramkör tervezéssel még nem sokat foglalkoztam, így a segítségeteket kérném, hogy az általam elképzelt áramkör mennyire lenne alkalmas a feladatra? Csatoltam a tervet, alul rövid magyarázattal. Előre is köszönöm segítségeteket! Idézet: „VETŐGÉP - IMPULZUSKIMARADÁS ÉRZÉKELŐ A 6 vetőkocsinak megfelelő 6 db 100µF-os kondenzátort 5V tölti, 68K ohmos ellenálláson keresztül (T=6,8s). Ha valamelyik kocsi jelet ad (zárja a végálláskapcsolót), tranzisztoron keresztül kisülti a hozzá tartozó kondenzátort. Ha egy kocsi nem ad jelet, a kondenzátor nem sül ki, feszültsége folyamatosan emelkedik 5V-ig. Ha a kondenzátor feszültsége 2,5V-ot (potméterrel állítható) meghaladja, a hozzá tartozó komparátor billen. A billenő komparátor kimenén a táp (5V) jelenik meg, ami a hozzá tartozó LED-et kapcsolja, megjelenik a hibajelzés a monitoron. Ha a kocsi újra jelet ad, kisüti a konenzátort, aminek feszültsége letörik, a komparátor komparálási szintje alá csökken, a kimenet billen 0V-ra, kialszik a hibajelzés. A holtidő (ami után a kocsi hibásnak tekinthető) a töltőellenállás, a kondenzátor, valamint a komparálási szint állításával módosítható.”
Az LM317 felesleges, egy potenciométer a +5 V és a GND közé elég. A komparátor kimenete nyitott kollektoros, a LED-eket a +5 V és a kimenet közé kell kötni. Az alkatrészek értékeinek szórása miatt a csatornák között lesznek különbségek.
Normál esetben két ipulzus között mennyi idő telik el?
A vetésellenőrzők a magot figyelik, esik-e mag. Lehet több hiba, amikor forgás van, csak mag nem jön.
Sziasztok!
Köszönöm, akkor a kimenetet átrajzolom. A vetésellenőrző nem jó szó, ugyanis a magszórást nem figyeli. Ennek csupán annyi a feladata, hogy ellenőrizze, a magszóró kocsi forog-e (gyakran megszorul, láncszakadás, stb.). Ennél a típusú vetőnél a mag elakadása ritkán fordul elő, max. elfogy a mag, de ahhoz nagyon figyelmetlen gépkezelő kell. Nem szükséges nagy pontosság, a leállás észrevétele a cél. 2-3 másodperc szünetet követ egy igen rövid impulzus normál esetben. Tizedmásodpercnyi eltérés nem gond. Üdv! A hozzászólás módosítva: Feb 22, 2018
Akkor jóval egyszerűbb és olcsóbb a forgásfigyelés megvalósítása.
Így igaz.
![]() Az ember próbál minél több véleményt összegyűjteni, ne gyártsak feleslegesen működésképtelen kütyüket. Nem tudok mekkora átfedés van a két társaság között.
Az impulzus, mint bementi jel adott, erre kell valamit kitalálni.
Mennyivel könnyebb lenne mozgást figyelő indukciós érzékelőket alkalmazni...
Azért nem gondolod, hogy illő lenne az ott összegyűlt "véleményeket" is megmutatni!?:
Bővebben: Link
Nem tudom a moderátorok mennyire érzékenyek az ilyesfajta hivatkozásokra.
Műszaki körökben az "igen rövid" nem túl elfogadható idő.
Milyen az a jel, ami adott (idő, feszültség)?Nagy valószínűséggel egy apró mikrokontrollerrel könnyedén megoldható a feladat, cserébe nem kellene nagy kondenzátorokat tölteni, kisütni, pontosan megadható idő lenne stb.
Egy végálláskapcsoló kontaktja a bemenő jel. Két képet töltöttem fel, a másodikon látható erről egy blokkvázlat-szerűség. Jelnek a stabilizált 5V-ot gondoltam, bár a zavarok miatt gondolkodtam azon is, hogy teszek be egy másik stab. kockát (mondjuk 9V).
Azért írtam igen rövidet, mert a fene tudja pontosan ![]() Minden egyes fordulatnál egy "pöcök" lenyomja a végálláskapcsolót, hogy pontosan mennyi ideig.....passz. A hozzászólás módosítva: Feb 22, 2018
A hosszú vezeték miatti zavart ki lehet szűrni optocsatolóval, annak viszonlyag nagy áram (10 - 20 mA) kell ahhoz, hogy a benne lévő LED világítson.
Optocsatoló is tervben van, kár, hogy a benne lévő fototranzisztor nem bírja a kkondezátor kisütőáramát.
Csinálj belőle darlington tranzisztor egy izmosabbal.
Ez lesz. Sőt, létezik eleve darlington-os optokapu is, de igencsak drága, meg nálunk nem igazán kapni.
Köszönöm!
Ez lesz. Sőt, létezik eleve darlington-os optokapu is, de igencsak drága, meg nálunk nem igazán kapni.
Köszönöm! Szerk. Csatoltam az áttervezett részletet, ebben a formában működőképes lehet? Az optokapu típusának csak úgy megadtam valamit a Tinában, nem feltétlen ez lesz. A hozzászólás módosítva: Feb 22, 2018
LM317 nem kell, elég az egész környezete helyett egy poti, pl. 1 kOhm, az is a +5 V és a GND közé kötve. A komparátorok bemenetéhez bőven jó, nem kell túlvariálni feleslegesen. A komparátor kimenetére kötött LED fordítva van. A komparátor kimenete csak GND-re tud húzni, emiatt a komparátorok bemeneteit is meg kell cserélni. A referencia fesz. menjen a nem invertáló bemenetre. Vagy. A + és - bemenetek maradjanak így, de akkor fordítva fog működni. Ha kialszik egy LED, akkor az a vetőfej (már ha ez a neve) elakadt. Ezt nem javaslom, hat - hét LED közül ha az egyik kialszik, nehezebben észrevehető, mintha egy bekapcsolna.
Az Optocsatoló LED-je inkább 330 Ohm/1 W legyen, az 1 kOhm határeset. Az optocsatoló emittere és a kisütő tranzisztor bázisa közé kell egy ellenállás, 1-5 kOhm jó. A kisütő tranzisztor bázisa és emittere közé is egy 1 kOhm-os ellenállást. Ebben a formában az alapvető gondot ott látom, hogy a kondenzátor töltése messze nem lineáris, potival beállítani a megfelelő időt nem könnyű.
Köszönöm a részletes választ.
A komparátoros rész volt számomra az, ahol a legkevésbé voltam biztos a dolgomban. Átrajzolom, mert nyilván akkor világítson, ha hiba van. A kondenzátort beállítani tényleg nem könnyű, ezért használtam viszonylag nagy kondenzátor értéket, hogy az áramot széles skálán lehessen állítani. Nem lesz pontos, de másodpercekről van szó, oda elég lehet. Tervem az, hogy a komparátor ellenállást durván beállítom a kondenzátor időállandójára (3,15V), a potméterrel csak finomhangolni lehessen.
Átrajzoltam a javasoltaknak megfelelően, a rajzon egy kocsi van a 6-ból.
Már csak egy dolog hiányzik, a BC337 bázisa és emittere közti ellenállás.
Így?
Néztem Darlington kapcsolásokat, de nem tudtam eligazodni. Lehet szakkönyvet kéne néznem Google Képek helyett... Köszönöm! A hozzászólás módosítva: Feb 22, 2018
Nem. A bázis és az emitter közé, mint a mellékelt rajzon.
Persze, jogos, félrehúztam a vonalat.
Köszönöm!
Nem akarok beleszólni, de a rendkívül koszos körülményekre, valamint a vibrációra, rázkódásra, (és még ki tudja milyen behatásra) tekintettel elképzelhetőnek találom, hogy a mikrokapcsoló elkoszolódik, aktuátora letörik/megsérül/beakad valahová.
Tárcsa/kerék fordulatszámra vagy mozgás ellenőrzésre elterjedt módszer ha reed relével vagy hall szenzorral "érzékelsz" egy (vagy több) mágnesszegmenset, esetleg induktív szenzor segítségével és akkor egy fémdarab is elég, bár tapasztalatom szerint ez picit drágább megoldás szokott lenni.
Bizony, néha ki sem látszik a porból a vetőgép. Reed relé már jó, csak mágneseket is kell felszerelni.
Sziasztok!
Igen, én magam is említettem fentebb az induktív érzékelőt, mint jobb megoldást, de ez a része sajna már adott (egy korább projektből), lebontani meg nem akarom a gépről. IP64 besorolású végálláskapcsolók vannak felszerelve, ha igaz amit ráírtak, valamennyire bírnia kellene a körülményeket.
Hangjelzés is jó lenne, ne kelljen mindig a ledeket figyelni. Hat kimenetet összekapuzva kapcsolhat egy piezo zümmert, amelyik önmagában szól, oszcillátor benne van.
"Nagy valószínűséggel egy apró mikrokontrollerrel könnyedén megoldható a feladat, cserébe nem kellene nagy kondenzátorokat tölteni, kisütni, pontosan megadható idő lenne stb."
Nem lenne sokkal drágább, ráadásul néhány extra funkcionalitás is belekerülhet, pl.: - hiba esetén nem világít egy led, hanem villog (könnyebb észrevenni) - ha egyik sem küld jelet, az nem hiba, hanem épp áll a gép - lehet két színű ledet használni: forog: zöld, hiba: villogó piros, áll: sárga - könnyű hangjelzést logikailag kapcsolni (bármelyiken hiba van sípoljon, de ne folyamatosan csak addig amíg a kezelő megáll és megnézi mi a gond) - lehet egy gombbal leállítani a hangjelzést (tudom, hogy 1-es és 2-es nem megy, de ez épp nem hiba) - hiba lehet az is, ha túl gyorsan vagy túl lassan kap jelet stb.
Hali!
Akkor mi van ha úgy szorul meg, hogy állandóan adja a jelet? Akkor a kondi nem tud töltődni... Szóval a bemenetre is kell "impulzosító", pl soros kondi a tranyó elé... |
Bejelentkezés
Hirdetés |






elektrotanya 










