Fórum témák

» Több friss téma
Fórum » Brushless motor elektronika
 
Témaindító: zoz11, idő: Jan 14, 2007
Témakörök:
Lapozás: OK   15 / 28
(#) scooby_ válasza kissi hozzászólására (») Márc 28, 2018 /
 
Köszönöm! Igen, én is úgy tudtam, hogy FET-nek nem kell teljesítmény a vezérléséhez, viszont így már érthető, hogy a nagyobb gate-áramot biztosító meghajtónak miért is kisebb a kapcsolási ideje.
A hozzászólás módosítva: Márc 28, 2018
(#) RoliNyh válasza scooby_ hozzászólására (») Márc 28, 2018 /
 
Én meg úgy tudom, hogy a CD/DVD ROM motorok szenzor nélküliek,
mivel csak a három fázis kivezetésük van (legalábbis, én több kivezetésűt még nem láttam még)...
A hozzászólás módosítva: Márc 28, 2018
(#) scooby_ válasza RoliNyh hozzászólására (») Márc 28, 2018 /
 
Videóban olyan szerepel, amiben van szenzor. Sőt, egyszer én is CDROM-ból bontottam hall szenzort Levitron lebegtetőhöz, létezik ilyen, csak ritka.
A hozzászólás módosítva: Márc 28, 2018
(#) RoliNyh válasza scooby_ hozzászólására (») Márc 28, 2018 /
 
Azt nem tudom akkor ott milyen szenzorokat használnak, de egy feszültségmérővel,
meg a forgórész kézzel történő körbeforgatásával megmérheted egyszerűen...
(#) scooby_ válasza RoliNyh hozzászólására (») Márc 28, 2018 /
 
Íme:ILYEN
(#) scooby_ válasza scooby_ hozzászólására (») Márc 28, 2018 /
 
Még egy kérdésem lenne: Nézegettem gyári vezérlő kapcsolási rajzokat, NYÁK terveket. Ott, ahol több FET van párhuzamosan kapcsolva, nem láttam a FET-ek source lábán Source ellenállást, csak összekötögették a lábakat. Szerintem ez nem egészen normális, hiszen így az egyik FET kevésbé, vagy egyáltalán nem is nyit ki. Én IRF3710-et néztem ki. RD-S ON: 18mOhm, bír 59Ampert, és 100V-ot.
A hozzászólás módosítva: Márc 28, 2018
(#) kadarist válasza scooby_ hozzászólására (») Márc 28, 2018 / 1
 
FET-ek és IGBT-k nem igénylik a source vagy emitterellenállást, mert a karakterisztikájuk kompenzálja az eltéréseket.
(#) Kovidivi válasza scooby_ hozzászólására (») Márc 29, 2018 / 1
 
Ebben az esetben a FET-eknél nem analóg üzem van, mint egy AB osztályú erősítőben, hanem kemény kapcsolóüzem! A FET-ek van szakadásként viselkednek, vagy az adatlap szerinti 18mohm-mal vezetnek. Ebben lehet szórás, adatlapban megkereshető. De kiszámolhatod, hogy 4 FET-nél mekkora áramok folynak, ha az RDS-on megoszlása ilyen: 14mohm 16mohm 18mohm 20mohm, és számolj 30A-rel mondjuk, plusz a FET-en keletkező hőt is kiszámolhatod. Kíváncsi vagyok az eredményre. Az átmeneti időszakot én nem nézném, az annyi, amennyi, de lehetőleg minimális ideig tart, hozzá képest sokkal tovább van bekapcsolva a FET.
(#) gulyi88 válasza Kovidivi hozzászólására (») Márc 29, 2018 /
 
Szia! talán még aktuális a probléma.
Szedd le a csillagpontról a zsugorcsövet. Majd dugd bele a forgórészt, és a csillagponthoz képest ad egyenáramot (labortápról, elemről, akármiről ami nem nyírja ki a tekercset)
Amikor az első fázisra adsz áramot, akkor beáll a forgótész a mező irányába. Amint a második fázisra átteszed az áramot tovább fordul a forgórész mező irányba, ami 60 fok elfordulás kellene legyen, majd a harmadik fázisra tedd át az áramot és akkor megint 60 fokot kell forduljon.
Ha valamelyik tekercs fordítva lenne, akkor (+60-180) 130 (illetve a másik irányban mérve 240 fok) fokot fordul a forgórész. Szóval ha egyformát lép az 1-2 és a 2-3 fázisváltáskor akkor nincs tekercsiránybaja.
A hozzászólás módosítva: Márc 29, 2018
(#) RoliNyh válasza scooby_ hozzászólására (») Márc 29, 2018 /
 
A négylábú HALL szenzorokat nem ismerem, de típusszám alapján többet megtudhatsz róla.
Mindenesetre a GND -hez képest megmérheted a D+ és D- kimeneti feszütségeit, ahogy ajánlottam, abból kiderül, hogy digitális, vagy analóg -e.
Viszont az mindenképp biztosra vehető, hogy a két adatvonal ellentétes fázisú jelet adnak...
A hozzászólás módosítva: Márc 29, 2018
(#) RoliNyh válasza gulyi88 hozzászólására (») Márc 29, 2018 / 1
 
60° -ot nem fog ugrani, ugyanis nem egypólusuak ezek a motorok, és értelme sem lenne ilyen nagy "lépésköznek". Ezért készítik több pólusú tekercseléssel ezek a BLDC -k, hogy sokkal egyenletesebben járjanak/forogjanak...
(#) Kovidivi válasza gulyi88 hozzászólására (») Márc 29, 2018 /
 
Köszi a tippet! Az az igazság, hogy rájöttem, üresen, terhelés nélkül melegszenek a brushless motorok, terheléssel nincs ekkora fokú melegedés. Sőt. Ha nincs az áttétel elrontva, csak langyosodik a motor. Érdekes dolog egyébként, hogy terhelés nélkül miért melegedhet... Talán a fordulatszám túl magas lesz, a vezérlés pedig "lekésik", és melegíti a tekercseket.
(#) gulyi88 válasza RoliNyh hozzászólására (») Márc 29, 2018 /
 
Nézd meg mégegyszer a képet, amit Kovidivi tett fel a motor állórészéről.
Nekem 3 fázisú 2 pólusú tekercselésnek tűnik
Az állításod igaz, de ez a motor más, mint a megszokott hobbi BLDC (belül van a forgórész, pólusszélessége 3 horony, nem 1!)
(#) scooby_ válasza RoliNyh hozzászólására (») Márc 30, 2018 /
 
Kipróbáltam a vezérlést, egyenlőre FET-ek nélkül mértem az ÉS kapuk kimenetét, a HALL szenzorokat nyomógombokkal helyettesítettem, hogy lássam a működést. Mértem az ÉS kapuk kimenetét szkóppal, és azokon mindig ott van ilyen 500mV-nyi PWM jel, ha nem kap a másik bemenetére jelet. (gondolom átvezet az ÉS kapu) Ez mennyire okozhat gondot ha FET meghajtót használok? Természetesen ha terhelem a kimenetet mondjuk 10K-val, akkor még lejjebb csökken ez a jelszint, de teljesen eltüntetni nem tudom.
(#) RoliNyh válasza gulyi88 hozzászólására (») Márc 31, 2018 /
 
Most megnéztem újra, de ami legelőször nem tűnt fel mikor Kovidivi írta, szerintem ez a tekercselés nem jó. A három fázisú két pólusú tekercselés nem így néz ki...

Egyébként a pólusszélesség sem stimmel, mert ha három lenne, akkor bizony csak 9 horonynak kellene lenni, nem 12 -nek, de az a motor 12 hornyos.
A hozzászólás módosítva: Márc 31, 2018
(#) RoliNyh válasza Kovidivi hozzászólására (») Márc 31, 2018 /
 
Említetted, lehet hogy áttekercselték, akkor szerintem meg van a probléma, mert nem létezik,
hogy egy-egy hornyot kihagynak a tekercselésből. Ha megnézed, 5 horony tekercselve van, aztán egy kimarad, aztán a következő öt megint tekercselve van, és egy megint kimarad. Ez szerintem hülyeség.

Ha 12 horony van, akkor négy hornyot kell egybetekercselni, úgy jön ki a 12 pólus a három fázisra,
és akkor lesz egypólusu a motor.

Ha két hornyot tekersz, és így tovább kettesével folytatod, akkor lesz két pólusu három fázisú a motorod. Eből következik, hogy három pólusura nem lehet megtekerni, mert akkor már kimarad megint három horony.

Viszont négy pólusura már meg lehet tekerni, ha minden horonyra egy tekercselés megy, és a következő horonyra a következő fázis, így folytatva...
A hozzászólás módosítva: Márc 31, 2018
(#) RoliNyh válasza RoliNyh hozzászólására (») Márc 31, 2018 /
 
Tehát neked a lényeg, hogy 12 hornyos motort csak úgy lehet megtekerni,
hogy vagy egyesével külön külön minden hornyot,
vagy kettesével minden hornyot, vagy négyesével minden hornyot, más variáció nincs...

Szóval neked azért rángat, mert egy horonypár kimaradt a tekercselésből...
A hozzászólás módosítva: Márc 31, 2018
(#) RoliNyh válasza scooby_ hozzászólására (») Márc 31, 2018 / 1
 
Most nem tudom milyen ÉS kapuról van szó. Egy biztos, a vezérlés adhat ki impulzusszélességmodulált jelet, sőt ajánlott is, mert azzal tudja a vezérlő a motoráramot szabályozni.
Tehát nem az van (jó esetben), hogy csak ON és OFF jelet ad ki a kapcsolóelemre.
Pontosabban az egyik kapcsolóelemre igen (mondjuk ami a test felé van),
de a másikra (ami a tápfesz felől van) arra jobb vezérlők impulzusszélesség modulált jelet adnak,
ezzel szabályozva a motoráramot. Ami még fontos, hogy az impulzusszélesség modulált jel frekvenciájának sokkal nagyobbnak kell lennie, mint maga a forgási sebesség...

Többek közt ezzel a módszerrel oldható meg az is, hogy ha odahúzod neki a "gázkart" hirtelen, akkor nem a túláramvédelem fog lekapcsolni, a hirtelen felvett áram miatt, hanem a szabályozó fokozatosan adagolja a gyorsítást a lehető legnagyobb mértékben oly módon, hogy emiatt a túláramvédelem még ne tiltson le...
A hozzászólás módosítva: Márc 31, 2018
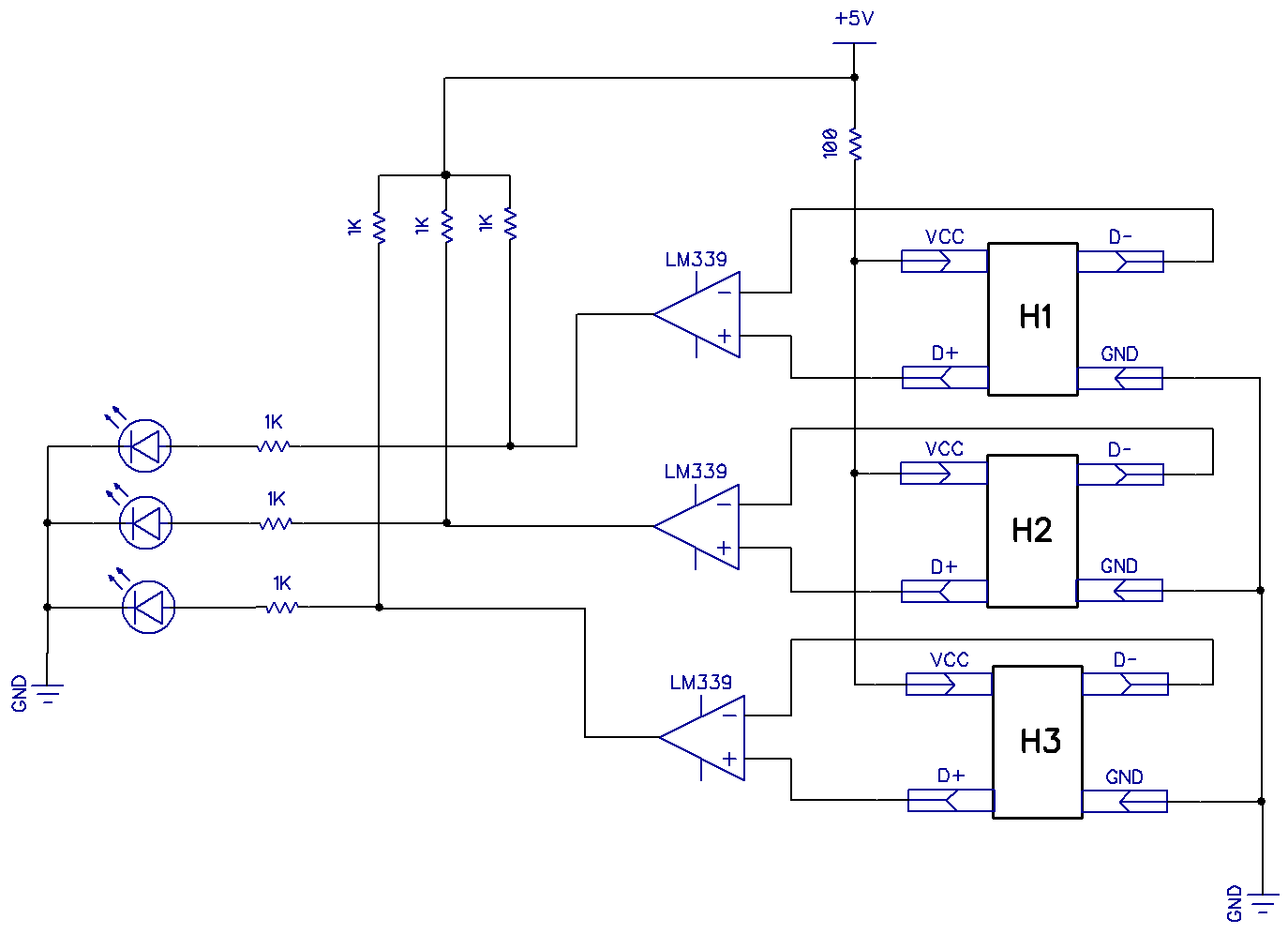
(#) scooby_ válasza RoliNyh hozzászólására (») Márc 31, 2018 /
 
Ime. Ott vannak az ÉS kapuk. És igazad van, valójában ebből is elég lenne csak három, az alsó feteket lehetne nyitogatni simán az 5V-os jellel is. Az áramvédelmen még nem is gondolkodtam. Gondoltam rá, hogy kéne, csak azt nem tudom, hogy mit kéne csinálnia. Kapcsolófreki nálam most 10kHz.
A hozzászólás módosítva: Márc 31, 2018
(#) RoliNyh válasza scooby_ hozzászólására (») Márc 31, 2018 / 1
 
Az ÉS kapu úgy működik, ha az A ÉS B bemenete aktív, a kimenete CSAK akkor lehet aktív.
Ha nálad nem így van, az baj, olyan nem létezik, hogy "átvezet az ÉS kapu".

Amit leírsz az a VAGY kapu normál működésére utal,
miszerint ha az A VAGY B bemenet aktív, akkor aktív a kimenete is.

Tehát ha ÉS kapu A bemenete PWM, B bemenete pedig a HALL szenzortól származik,
a kimenetén CSAK akkor jelenhet meg az A bemenetre adott PWM jel, ha a B bemenete aktív,
ha inaktív, akkor a kimenetnek is alacsonynak (inaktívnak) KELL lennie.

Ha a VAGY kapu A bemenete PWM, B bemenete pedig a HALL szenzortól származik,
a kimenetén CSAK akkor van magas szint, ha a B bemenet magas,
viszont ha a B bemenet alacsony, akkor a kimeneten az A bemenet PWM jelének KELL megjelenni.

Ha nem így működik, akkor ott valami gáz van...
(#) scooby_ válasza RoliNyh hozzászólására (») Márc 31, 2018 /
 
Nem azt mondtam, hogy a teljes jel jelenik meg a kimeneten, ami megjelenik, az nem logikai szintű. Csupán 200-500mV körüli, de azért aggasztó, mert én is úgy gondolom, hogyazon csak akkor lehetne jel, ha aktív mindkét bemenete. Attól is függ a jel nagysága, hogy terhelem-e a kimenetet, vagy csak a szkópot akasztom rá. Persze arra is gondoltam, hogy a dugdosós panelen egymást szórják meg a drótkupacok meg a panelben lévő sínek, és ezért mérem ezt a párszáz mV-ot. MM74HC08-at használtam. Tápfeszültsége ennek is 5V.
(#) kapu48 válasza scooby_ hozzászólására (») Márc 31, 2018 / 1
 
Ököl szabály, hogy minden digitális IC-nél közvetlenül a táplábai közé tesznek 1 – 1 100n kerámia kondenzátort!
Pontosan az ilyen hibák elkerülése véget.

Sőt a bonyolultabb nagyobb alkatrészeknél több ilyen tápfeszültség páros kivezetést alkalmaznak.
Minden belső modulnak külön külön, és mindet szűrik hasonlóan.
A hozzászólás módosítva: Márc 31, 2018
(#) RoliNyh válasza scooby_ hozzászólására (») Márc 31, 2018 /
 
500mV nem olyan nagy, nem hinném, hogy sok vizet zavarna...
(#) scooby_ válasza kapu48 hozzászólására (») Márc 31, 2018 /
 
Tudtam, hogy valamire nem figyeltem oda! Mondjuk a fejlesztőpanelnek vannak adottságai. Az egyik az, hogy sehol nincs rajta 100nF kondi. Viszont a dugdosósra én sem tettem. Ki fogom próbálni, remélem használ.
(#) scooby_ válasza RoliNyh hozzászólására (») Márc 31, 2018 /
 
Megpróbálkozom azzal, amit a kapu84 javasolt, hátha eltűnik, vagy legalább mérséklődik.
Az áramvédelemről beszéljünk még. Ez hogyan működik? (sajnos még nem volt szerencsém gyári vezérlőhöz.) Egy bizonyos áramértéknél letilt a vezérlés, vagy ez gyakorlatilag áramgenerátorként üzemel, tehát egy bizonyos áramértéknél, áramértékre bekorlátoz? -Számomra kicsit veszélyesen hangzik, mondjuk közúton, ha egyszer csak lelövi magát a vezérlő, mert elérte a limitet. Illetve hogyan szokták ezt méretezni? A motor névleges teljesítményéhez, vagy az fölé egy kicsit, mondjuk 20%-kal? A másik amire megerősítést várok, hogy jól értem-e: A PWM frekvenciája nagyobb, mint a forgási sebesség. Ez oké. Ez azért kell, hogy mondjuk indulásnál, álló helyzetből az áramvédelem ne tudjon letiltani, tehát a PWM jelem gyorsaságából adódóan a FET előbb zár le, minthogy a motor felvenné a beállított maximális áramát? Ha meg már elindultunk, akkor értelemszerűen csökken az áramfelvétel. Gondolom a 10kHz egy jó megközelítés lehet, de hogy elég-e, azt gondolom majd a gyakorlati alkalmazás dönti el?
A hozzászólás módosítva: Márc 31, 2018
(#) gulyi88 válasza RoliNyh hozzászólására (») Márc 31, 2018 /
 
Szerintem jól van tekerve. 3 fázisú 2 pólusú (1 póluspárú) csillagba kötött.
L1 1->4 és 7<-10 (elsőn be, negyediken vissza, majd tizediken be, hetediken vissza)
L2 2->5 és 8<-11
L3 3->6 és 9<-12 hornyokban lakik, 1 horonyban csak 1 tekercs oldal megy.
Helyesbítenék, amit javasoltam tesztelési eljárással 60° helyett, csak 30°-ot kell fordulnia...
(#) RoliNyh válasza gulyi88 hozzászólására (») Márc 31, 2018 /
 
Én igazából nem tudom követni ezt az egyik oldalon le, a másikon meg fel vonalvezetést. Személy szerint csak ott tartok, hogy két horony közti vasmagrészt körbe kell tekerni. Ebből nekem annyi biztos, hogy vagy egyesével, vagy kettesével, vagy négyesével kell körbetekergetni a fogakat, ha 12 fogu az állórész, mert csak az osztható el hárommal, ugyebár a három fázis miatt..

Más, olyan tekerést még nem láttam, vagyis pontosabban fogalmazva nem értem, ahol nem körbe megy a tekerés, hanem cikk-cakkban le és fel...
(#) RoliNyh válasza scooby_ hozzászólására (») Márc 31, 2018 /
 
Igaz lehet félreérthetően írtam, a vezérlő valószínüleg nem tilt le túláram hatására, az az akkucsomagba épített elektronika dolga. A vezérlő úgy adagolja az áramot, hogy ne lépje túl a megengedett maximális értéket. Nyilván van valamilyen áramgenerátoros jellege is a dolognak, ezt oldják meg általában a felső oldalon lévő kapcsolóelemek PWM vezérlésével (szaggatásával). Ezzel tulajdonképpen magát védi, mert ha túllépné a beépített FET áramértékét, el is füstölné. A másik meg az, hogy nyiván egy X teljesítményű vezérlő legyen pl 500W, nem nyomathatja nagyobb teljesítménnyel, még akkor sem, ha különben az akku és a motor is bírná. A méretezésről ne kérdezz, az gyártói specifikáció. Persze néhány másodpercig túlléphet az adott vezérlés a saját teljesítményén impulzusszerűen, mondjuk néhány másodpercig, de aztán tartania kell magát a paraméterekhez, különben sült FET lesz benne, ahogy már írtam. Hogy ez az impulzusszerű túlterhelés mennyire van méretezve 10-20- esetleg 50%, és hogy konkrétan hány másodpercig, az szintén alkatrészfüggő, és nyilván egyedi gyári specifikáció.
(#) scooby_ válasza RoliNyh hozzászólására (») Ápr 4, 2018 /
 
Szia!
Köszönöm a választ! Már írom a programot.
Még egy kérdésem lenne, hozzád és a BLDC vezérlésben, főleg a gyári BLDC vezérlőkben tapasztaltakhoz. Én most a programot úgy írtam meg, hogy a program egy bizonyos áram értékre bekorlátoz, tehát a beírt áramérték főlé nem mehet az áram. Nem tudom, hogy a gyáriak is így működnek-e, vagy azok konkrétan szabályozzák is az áramot? Tehát mondjuk ha zárlat van, akkor teljesen leszabályoz, ezzel megvédve az elektronikát?
(#) Kovidivi válasza scooby_ hozzászólására (») Ápr 5, 2018 /
 
Sokkal komplikáltabb. Én a sima modell autó szabalyzóról írok. Áram visszacsatolás csak nagyon ritkán van (100A-t mivel mérsz, ki méretben, kis veszteséggel, olcsón?). Indulásnál ha nincs hall jeladó, megkeresi a szabi hol áll a forgórész. Próbálgatja a tekercseket, majd a másik tekercseken mér, ebből következtet. Ha elindult a motor, megpróbálja lassan forgatni, és megnézi, hogy a megfelelő tekercsben indukálódik-e feszültség. Ennek bonyolult feltételrendszere van, időre, kitöltési tényezőre, meg bármire alapozva. Ha nem fordul a forgórész, akkor megpróbálja a motort "rugdosni", vagyis a megfelelő tekercset/tekercseket meghajtja. Ha ezzel problémád van, készülj fel a fékezésre! A motort rá kell kapcsolnod az akksira, fordított polaritással (de ne lépd túl közbe a félvezetőid paramétereit!), vagy mint egy step up konverter, a tekercsben indukálódott feszültséget felpumpálod az akksi feszültségénél magasabbra (ez is jó téma, mekkora feszültségre kell pl?), majd az akksit visszatöltöd vele, vagyis fékezel. Egy rosszul megválasztott kitöltési tényező vagy feltétel, és ugrik a motorod/FET-ed/akksid. A fékezés jó dolog, mert egy 3kg-os autót megállítani elég durva terhelés! Ha jól tudom, te pedig elektromos biciklit akarsz fékezni, 70-90kg emberrel (visszatöltés azért csak kellene, nem?).
A hozzászólás módosítva: Ápr 5, 2018
Következő: »»   15 / 28
Bejelentkezés

Belépés

Hirdetés
XDT.hu
Az oldalon sütiket használunk a helyes működéshez. Bővebb információt az adatvédelmi szabályzatban olvashatsz. Megértettem