Fórum témák
» Több friss téma |
Szia!
Köszi az infót! Az én elektronikám még csak papíron létezik,de szeretném úgy előkészíteni,hogy megépítés esetén ne kelljen utólagosan módosítgatni. Ottó
Sziasztok!
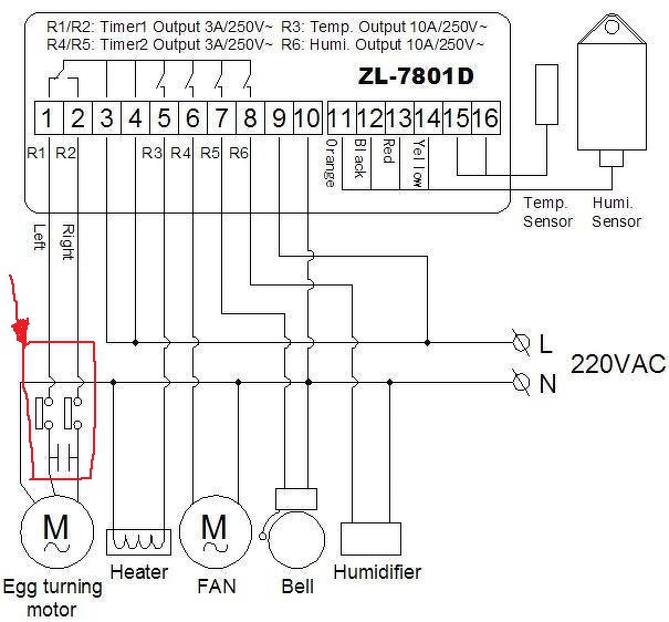
Nem találtam ilyesmit.Van egy a képelen látható elektronikám,amit szeretnék úgy használni,hogy megadott időben kapcsolja az egyik mágneskapcsolót,majd azonos idő múlva egy másikat.Az idő 60-120 perc kellene.A mágneskapcsolók egy motort indítanának.Kérdés,hogy lehet e ezeket a paramétereket elérni egy ilyen elektronikánál? Esetleg tud segíteni valaki,egy olyan kapcsolás elkészítésében,ami erre képes? Köszönöm!
Egyszerűbb ha építesz egyet, nagyon sok időzítő kapcsolás van itt is a "kapcsolások" között. Persze kell hozzá valamilyen mikrokontroller amit fel kell programozni.
Neked a leírtak alapján két időzítőre van szükséged, aminek az időzítése egymás után van. Amit kiszedtél a mikróból, az egy jó időzítő, de csak egy. Ha megnéznéd az időzítős topikot, (ahová a témád is való) ott találhatsz akár kész megoldást is.
Köszönöm a gyors választ mindkettőtöknek.Megnéztem az időzítős topikot.Eddíg a képen látható kapcsolás látta el a feladatot.A relét egy egyszerű konektorba dugható időzítő látta el.X időt húzva tartotta a relét,X időt meg elengedve.A végállás kapcsolók meg bontják az áramkört és megáll./keltetőgép,keltetőtálca forgatás/
Csak a hálózathoz csatlakoztatható távolkeleti időzítőt szerettem volna kiváltani,az a gyenge láncszem. Üdv!
Azt írod "60 -120 perc " ez folyamatosan állítható legyen vagy csak ez a két érték legyen kiválasztható ?
Köszönöm a kiigazítást!A HE fórum az első hely ebben a nagy világban ahol elég azt keresni,amit találni akarunk!Nem hittem volna,hogy létezik ilyen
.Tényleg köszi!
Helló!
Nem szentírás az idő.Ki így,ki úgy gondolja.Én az egy óránál kevesebbet nem tartom szükségesnek,ezért ez az alsó határ.A felső meg,mindenkinél tapasztalat eredménye.A hevenyészett rajzomon látható kapcsolás is ment eddíg,csak gondoltam jön a tél,ráérek,miért ne. De visszaolvasva,látom mások is a T.gazdaságos időzítőt használják.A mikróalkatrész meg a múltheti javítás maradéka,innen az ötlet. Azért köszi!
Persze a lényeg kimaradt!Idő beosztás elég 60,90,120,....720,azaz fél óránként az első órától,fél napig,hogy több fajt tojás keltetési igényét kiszolgálhassa.
Szia!
Itt van az enyém,ez 0-4h-ig állítható. Bármikor megállítható a forgatás és bármikor elindíthatód a forgatást másik irányba. Nálam a tálcák előre és hátra buknak 90 fokban. Ezért jó ha bármikor eltudom indítani a forgatást,mert ha éppen hátul van akkor meg kéne várni míg átbukik előre. Az esti hűtésnél cserélni szoktam a tálcák helyét. Üdv.Dörmi
Szia!
Köszi szépen a kapcsolást,az én tálcáim is így működnek.Jó a megoldás,hogy visszaforduljanak,ha kell. Különösen akkor lesz hasznos,ha elkészül tavaszra az új ötletem.Egy nagy fagyasztóláda,amiben két oszlopban 4-4 tálca mozog szinkronban. Remélhetőéeg működőképes lesz és feltehetem a képeket,ide is. Üdv!
Szia Dörmi.Legyszives le tudnád fényképezni hogyan is néz ki a dolog élöben?
Szia!
Van egy pár darab képem, a régebbi gépemről.A mostaniról csak hétvégén lesz időm képet készíteni. Az is ezen az elven van meg csinálva.
Nekem ez a fordító nagyon szimpatikus, meg mondanád, hogy ez milyen motor? Netán autó ajtóablak emelő motor? Ha nem, akkor véleményed szerint autó ajtóablak emelő motor megfelelne? Esetleg nyomtató motor is jó hozzá? Köszönöm az ötletet.
Hogy ne kelljen rajzolgatnom és abban nem vagyok nagyon profi, nincs meg véletlenül a panel terv? Ha, lehetne, nagyon szeretném. Köszönöm.
Szia!
Ez egy Lada ablaktörlő motor. Ebben a formában, 250db tyúk tojást forgat nálam. Sajnálom, nem volt még dolgom ablakemelő motorral,így nem tudom mit tudhat. Kevesebb tojással valószínű hogy megbirkózna. De, függ a tálcák szélességétől is.
Szia!
Ezt szeretném megépíteni, hasonló célra. A reléről tudnál valamit mondani (típus, kapcsolás módja stb)? Köszönettel: Mekkmester
Szia!
A relé típusa, VB12STBU-E. Bővebben: Link Sajnálom, de a kapcsolásról nem igen tudok mondani semmit azon kívül amit leírtam.
Érdeklődnék ******? Aki igen, kérem írjon a *****@***** -ra! Előre is köszönöm!
A topicban tilos hirdetni! Az e-mail címednek az adatlapodon van a helye. A hozzászólás módosítva: Ápr 25, 2013
Sziasztok!
van itt aki vállal forgató elektronika megépítését? egy kocsi ablaktörlő motort gondoltam a fórgató motornak. tud valaki segíteni?
Szia!
Keress magánban. Szívesen segítek! Az e-mail címem az adatlapomon.
Üdvözlök mindenkit!
Régi téma, új probléma... Esetemben adott egy konkrét vezérlő mely elvégzi a motor jobb és bal irányú forgatást és adott egy motor ami gyakorlatilag a mikrosütőkben is fellelhető tányérforgató. Kutakodtam kicsit a neten és találtam hasonszőrű motort ami 3-4 kivezetéssel rendelkezik, egyszerűen vezetékek összekötnek és biztosított a motor cw/ccw irány kapcsolása. Esetemben viszont 2 kivezetés található a gyári "pici, occó" forgatómű motorján. Gondoltam két kapcsoló relé bekötésére amivel talán meg tudnám oldani a polaritások váltását de elektronikai és alkatrész ismeretem igencsak hiányos. Abban kérném a szakemberek segítségét, hogy a pirossal jelzett bekötés helyére milyen megoldást javasolnának a két eszköz összekötésére, hogy az egyszerűen és megbízhatóan tudjon működni lehetőleg minél kevesebb alkatrész felhasználásával, hogy egy magamfajta láma is össze tudja kötni. Kapcsoló, relé, leírás, rajz esetleg pontos tipusú alkatrész... Minden segítséget előre is köszönök!
Az a motor nem lesz jó. A forgásiránya nem változik a bekötéstől, és ha nincs benne mechanikus retesz akkor véletlenszerű merre indul el. A mikróban a tányérnak ugyanis mindegy merre forog.
Bővebben: Link Mindenképpen ajánlott a keltetőn kívül dobozba szerelni a fordítóművet . A rajz alapján megcsinálod a szerkezetet bekötöd a végállásokat és egy tolórúd fogja végezni a tálca fordítást. A tengelyt meghosszabbítva bedugod a keltetőbe és oda teszed a második tárcsát vagy csak kart a toló rúddal. A motor forgásiránya lényegtelen , a tárcsán a bemarást úgy készítsd el ,hogy mindkét irányú fordulásnál könnyen menjen.
A hozzászólás módosítva: Jan 30, 2018
Sziasztok!
Nem ismeri valaki véletlenül ezt a fordítóművet? Volt rajta egy papír,de annyira elmosódott a tinta,hogy olvashatatlan. Egy PIC 16F88-I/P a lelke, ami egy TLP3043 optotriakon keresztül meghajt egy 230v-os tányérforgató motort. Volt benne egy rossz kondi, azt cseréltem.A PIC betáp lábain megvan az 5,2v .Bekapcsoláskor a motor fordul kb 10 fokot és megáll. Arra lennék kíváncsi,hogy hogy kell ennek működnie? PIC-et nem tudok se olvasni,se égetni, ezért a programjába bele se tudok nézni. Bármilyen infót szívesen fogadok. A hozzászólás módosítva: Ápr 14, 2018
Ezt a tipust nem ismerem, de hasonlóval volt már dolgom, és az úgy működött, hogy bizonyos időnként kapott egy kis időre áramot, és ilyenkor fordult egy kicsit, igy hozva létre egy lassú, de állandó mozgatást a tojások számára. Lehet ez is ilyen és nincs baja a vezérlésnek. Próbáld megfigyelni nem fordul-e időnként még 10 fokokat.
Úgy néz ki hogy igazad van. Volt benne egy rossz kondi és nem kapott tápfeszültséget az áramkör. Kicseréltem és így már megvan a tápfeszültség. Bekapcsoltam és tényleg, bizonyos idő közönként fordul kb 10 fokot. Akkor tehát ennek így kell működnie. Egy ismerősöm hozta hogy nézzem meg, de nem az övé,hanem egy munkatársáé. Így nem is tudott róla információval szolgálni. Köszi.
Ez nagyon hasonló...mármint a funkció és az idő intervallum, sokat kell mellette állni.
A hozzászólás módosítva: Ápr 16, 2018
|
Bejelentkezés
Hirdetés |







.











