Fórum témák
» Több friss téma |
És azt se felejtsük el, hogy ezekben még bőven van tartalék, és anyag! Meg sokkal könnyebb javítani, mint a maiakat. Ráadásul filléres alkatrészekből. Persze akinek a mobilitás a lényeg, ne ezt válassza.
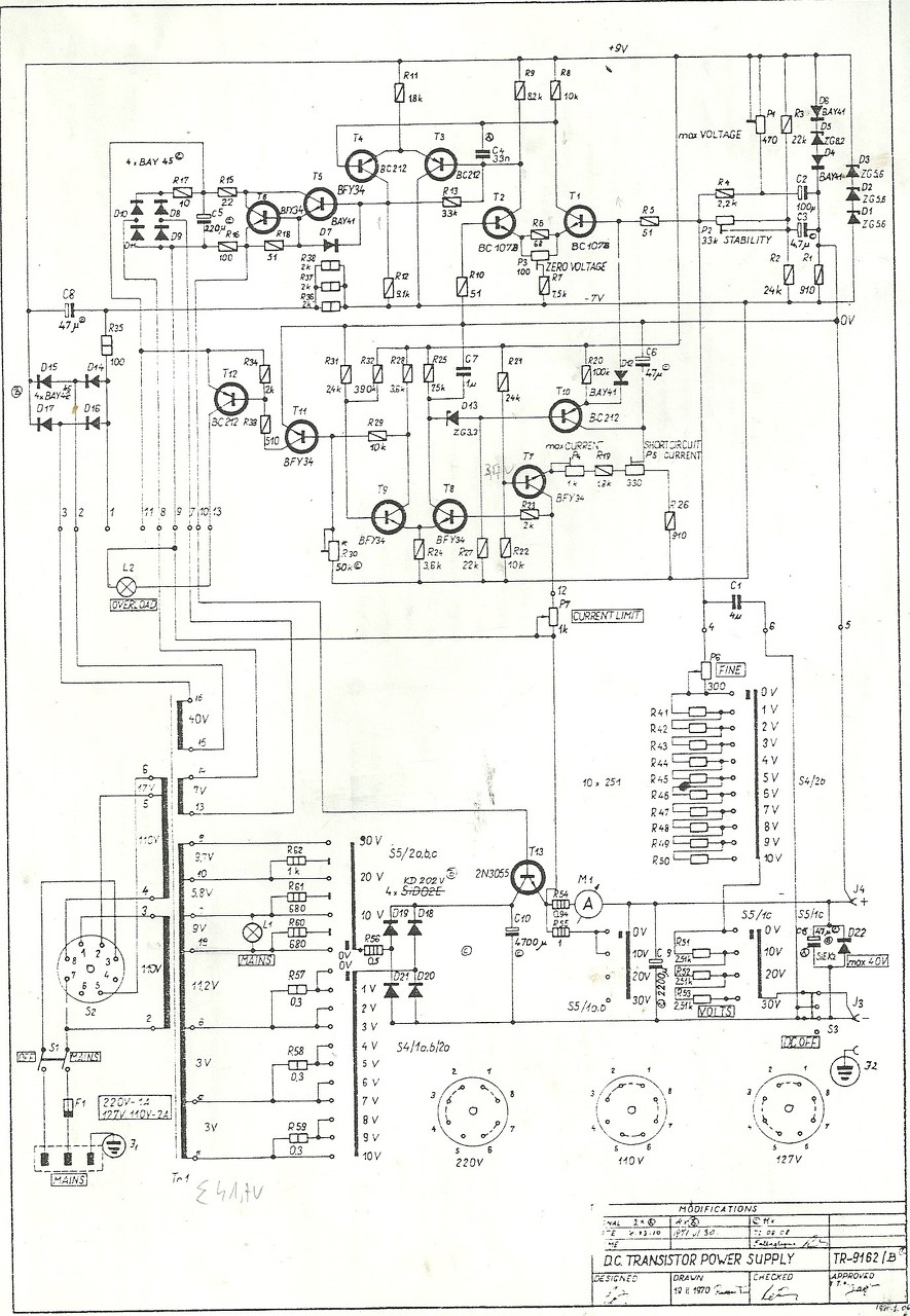
A tranzisztoros korszak után egy ideig a Motorola MC1466L IC-t használta a FOK-Gyem. Pár kiegészítő alkatrész hozzáadásával igen komoly képességű tápegységeket építettek. Aztán jött ez a kapcsolástechnika, ami a 324-esen alapul. A mellékletekben korábbi tranzisztoros verzió, és a 1466-ossal épített tápegységek rajza látható. Érdekes, hogy a filozófia mit sem változott, a megvalósítás elemei viszont annál inkább.
Csak halkan jegyzem meg, hogy azért születtek érdekes megoldások az előszabályzóra is. A 9177-es pl. kapcsolótranzisztorokkal, és energiatároló induktivitással felépített energia-visszanyerő kapcsolástechnikával szabályoz, érdekes - terhelésfüggő hangmagasságú - üzemet eredményez. A HIKI más úton indult el, ők bátran használták az akkor korszerűnek számító 741-eseket, és a 723-asokat. A TR-9120 épült ez szerint. A Radelkis is átvette a kapcsolást, a 9174-es is pontosan ez szerint van megépítve. Megtudhatjuk, hogy a tápegységed milyen körülmények között ment tönkre, és mi romlott el rajta? A hozzászólás módosítva: Márc 30, 2018
Sziasztok!
Van egy 2 csatornás labortápom, mindkét csatornára esik 1-1 áramerősség és feszültségmérő, a régi analóg mutatósak, én ezeket digitálisra szeretném cserélni, és érdeklődnék, hogy mind ez megoldható lenne e. Sima több digites 7 szegmenses kijelzőre gondoltam. Előre is köszönöm a válaszokat!
Hello! Elvileg minden megoldható. Csak éppen azt nem tudni milyen tápod van és milyen az a "sima több digites kijelző". A többi stimmel..
http://www.vatera.hu/lcd-kijelzos-volt-amper-watt-wattora-cos-fi-hz...5.html
Szerintem ilyesmire gondol. Mondjuk az analógoknál külön műszer van mindenre. Átalakítás nem árt.
Hello! Remélhetőleg nem! Mert ez egy váltóáramra készült műszer..
Bocsánat erre nem figyeltem kicsit siettem, indulás előtt álltam. Nyilván egyenáramú kell oda de a funkció amit keres szerintem hasonló.
Egy kis gondom viszont nekem is volna. hiki tr 9120 as labortáp nagyon búg. Illetve ha kicsit alacsonyabbra veszem az áramkorlátot vagy csökkentem a feszt egy bizonyos szint alá ledobja a kimenetet. -130mV körüli feszre beáll. Ha a kimenetet kikapcsolom a cc led kicsit világít kialszik. Visszakapcsolom a kimenetet észhez tér. De akkor is csak egy bizonyos szint fölött. Első körben arra tippelnék már csak a hangos búgás miatt is, hogy a régi puffer megéredt a cserére (22000µF 63v). Ezzel lehet a gond vagy érdemes lenne az egészet átnézni? Előre is köszönöm.
Hello! A TR9120 elég összetett táp, a trafó zúghat a tirisztoros előszabályzó miatt is, de akár a fojtótekercs is zúghat. Nem kizárt, hogy a kondik cseréje esedékes már, de elsőként a segédtápokat célszerű átnézni. A szabályzókörben elég sok a kontaktus, lehet azokat is nem ártana kipucolni..
A hozzászólás módosítva: Ápr 8, 2018
A búgás nem szűnt meg de egy alapos sűrített levegős kifújás javított a dolgon. Valószínűleg kontakthiba lesz de az átkondizást megelytem. Milyen kondenzátorokat javasolsz? Értékbe egyezőt nyilván, viszont nem tudom, hogy a nagy 22000µF osat például, helyettesíthetem-e egy modern elektrolittal, vagy inkább az maradjon és a kissebbeket cseréljem csak?
Ezen kívül egyébként nincs gond szerencsére vele.
Egy "modern kondi" nem feltétlen jobb, mert legtöbb esetben ma alul méretezik. Feszültségre és kapacitásra egyaránt. Én elsőként a kisebbeket cserélném, a nagyot megterhelném és megnézném a búgófeszültségét. Az alapján dönteném el, cserélni kell-e. (Nem tudom a búgás új keletű-e, mert ez a táp szokott búgni emlékeim szerint, bár nem zavaróan. De inkább "kerreg".)
A hozzászólás módosítva: Ápr 9, 2018
Kedves Fórumtársaim!
Manapság olyan specifikációval árulnak tápokat, hogy "szemem szám tátva marad". Hogyan csinálják? Lehet-e stabilabb egyáltalán egy tápegység, mint maga a beállító potméter (vagy dekád)? Köszi
Egyrészt a papír mindent elbír, másrészt meg a stabilitás, és a pontosság két különböző fogalom.
Stabilitásnál is beszélhetünk a terhelésfüggő stabilitásról (pl. üresjárásban beállítunk 10V-ot, aztán megterheljük 10A-rel, megnézzük, mennyit csökkent - ez a "régi" tápoknál is csak pár mV, esetleg pár 10mV), vagy akár hálózatfüggő stabilitásról, ami mondjuk 230V-ról 220V-ra változó hálózat kimenetre gyakorolt hatását mutatja. A másik a hosszútávú stabilitás, pl. beállítunk 10V-ot, és megnézzük 8 óra múlva, vagy éppen a hosszan tartó 10A-es terhelés hatására beálló új hőegyensúly okozta változás, amit mondjuk fél óra múlva ellenőrzök. Kapcsolóüzeműeknél nem ritka a kis súly, a nagy áramterhelhetőség. Általában a kimenő fesz jellemzői rosszabbak, mint analóg társaiknál (nagyobb zajfesz. a kimeneten, lassabb reagálás terhelésváltozásra), de itt is azért vannak minőségbeli eltérések. A nagyon jók, és "izmosak" viszont akár az 1 millió Ft-ot is meghaladhatják.
Szia!
Ilyesmi mérőre gondoltam. Bár ahogy látom itt már be van kábelezve az egész. Szerintem az analóg műszerek kikötése után (bár néha tetszik, ahogy táncol az ampermérő), kap egy új előlapot, kis átalakítással. Kicsit praktikusabban, ahogy most van. Bár gondoltam LCD kijelzős megoldáson is. http://www.metroman.hu/termek/beepitheto-digitalis-volt-es-ampermer...mk306d
Sajnos arra nem tér ki a leírása, hogy a tápellátásnak függetlennek kell-e lennie..... Ez sok esetben így van, tehát akkor kell neki egy kis terhelhetőségű, de mindentől független tápfeszültség, kétszer.
Arra is vigyázni kell, hogy a mostani műszer söntje nem feltétlenül használható fel, ugyanakkor lehet hogy azt is meg kell tartani, mert azon történik az áramfigyelés. Az ehhez tartozó sönt beépítésekor szintén figyelni kell arra, hogy az ezen eső feszültséget a tápegység kiszabályozza, mert - ha nem - romlani fognak a paraméterei. A hozzászólás módosítva: Ápr 9, 2018
Hello! Ezeknek a digit műszereknek a tápfeszültségnek, az árammérésnek és a feszültség mérésnek van egy közös pontja. Tehát minden ilyen műszerhez külön galvanikusan elválasztott tápfeszültségre van szükség, valamint a táp kimenti körének negatív ágába lehet beépíteni. Tehát ezt a pontot körültekintően kell megválasztani és ahogy Imi is írta megnézni a táp feszültség szabályozása ezt megengedi-e. Vagy is korrigálja majd a söntön eső feszültséget vagy sem a táp.
Mellesleg nem írtad le milyen tápról is van szó. Az analóg műszerek "hideg műszerek", tehát nem szükséges hozzá külön táp, és így galvanikusan független mindentől. Vagy is szinte bárhova beépíthető..
Nem tudom eldönteni, hogy egészséges-e, hogy ilyen hangosan búg. Remélem átjön a videón. A terhelés hatására változik picit de folyamatos.
Videó megtekintése!
Látszik, hogy hozzá vagy szokva a kapcsolóüzemű dolgokhoz. Egy trafó zúg magától is, ez nem egy zavaró tényező itt..
Igen, kicsit modernebb dolgokhoz vagyok szokva. Ebben az esetben meg nyugotdam, köszönöm.
Sziasztok!
Köszönöm mindkettőtöknek a választ! Akkor egy ideig még maradnak az analóg műszerek, pénz és idő hiány miatt, természetesen később keresek valami normálisabb és használhatóbb mérőműszert, amihez a házat nem kell lesz átalakítani.
Sziasztok!
Míg nem lesz tökéletes úgy sem nyugszom ![]() A következő potmétereket szeretném kicserélni a koruk hatása miatt, viszont ilyesmit már nem nagyon találtam. Esetleg tudnátok olyanokat mondani, amellyel ezek helyettesíthetőek? A 2 trimmer tudtommal a 2db LM324N műveleti erősítőhöz kapcsolódik, csatornánként 1-1.
Hello! " koruk hatása miatt" Magyarul ez mit jelent?
![]() Jó a poti, vagy nem jó? Mert ha jó, lehet ennél nem jobb (inkább rosszabb) a "mai potik" minősége. Kivétel, ha valami drágát választasz. Ezzel a trimmerrel, viszont az égvilágon semmi baj nem szokott lenni..
Csak egyet tudok érteni proli007 válaszával!
Ha bizonyíthatóan ezek közül vagy együttesen okoznak hibát, mert hibásak, akkor ok a csere, de ha hibátlanok, akkor kb megfelelő használat mellett, még sok jó pár évet kiszolgálnak. Én még nem futottam bele az általad említett kor hatása miatt hibás ilyen alkatrészekbe.
Az egyik Trimmer az 100%-ig cserés.
Ezeket a potikat még lehet takarítani? És ha igen hogyan?
Még mindig nem árultad el, milyen táp ez, bár a potikról ítélve biztos, hogy hazai gyártmány.
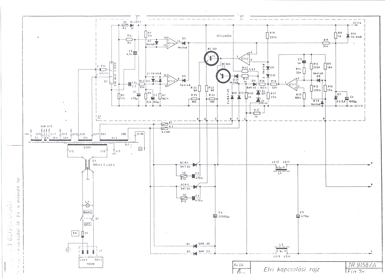
Azt esetleg megteheted, hogy a feszültségszabályzó poti helyett helkális potmétert építesz be. Én azt tettem a nemrég felújított FOK-Gyem TR-9158a-val, tekintettel ara, hogy úgysem kaptam volna bele 39k-s példányt. Így aztán kapott egy 50k-s helit, amit áthidaltam 180k-val, így az értéke közel van a gyári értékhez. Sajnos kicsit drága, de megkönnyíti a fesz pontos beállítását.
Mondanék típust de sajnos nem tudok.
Épített táp, "Bagzs 2" becenevet kapta. A tranyok típusának utánakérdezek, LM324N-es műveleti erősítők vannak benne, a képeken látható potméterekkel, bár többet még én sem tudok róla, mivel hétvégén lesz csak nálam, de addigra össze szeretnék hozzá szedni mindent.
Ja, hogy maszek. Törtem is a fejem, milyen gyártmány lehet. A 324-est használta a FOK-Gyem is, de ehhez leginkább panelműszert használtak, átkapcsolási lehetőséggel, ilyen a TR-9158a, a 9175a, a 9193a, és még biztos más is van, ezek jutottak most eszembe.Az áteresztőknek leginkább a 2N3055-öst építették be, kivéve, ha nagyobb feszültségre terveztek (30V-ig ideális, 40V-ra már határeset, felette pedig nem ajánlatos).
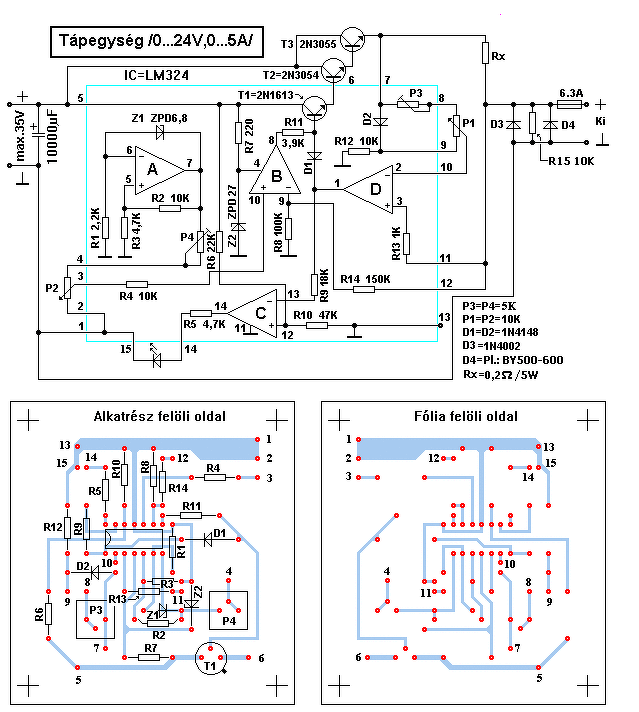
Mellékletben küldtem egy lehetséges megoldást, lehet, hogy erre hasonlít leginkább.
Kedves Barátaim!
Ahogy fentebb írtam, a 9158-ra botor fejjel rákötöttem egy olyan DC motort, melynek gerjesztőtekercse 8 Hy (!!) (utóbb gondosan megmértem, de mint tudjuk, bolond is megy a vásárra...). Elindult ugyan (150 V-os lévén), de néhányszor "megszaggatva" a csatlakozásnál sikerült a tápot kinyírnom. Az eredeti 3 db 2N3442-t még régebben kicseréltem 6 db BD249C-re, ezek azonnal tönkrementek. A tápfesz 40 V-ról lecsökkent 29,4-re. Visszaépítettem az eredeti 3 db 2N34442-t (újakat), a főszabályzó (látszólag) működik, a feszültségei hellyel-közzel rendben vannak, szabályoznak is a potik, stabilizál is, de az UKI max továbbra sem növelhető 29,4 V fölé, a tirisztorok nem nyitnak. Az SKT24 tirisztorokat kicseréltet CS23-ra, de persze szintén nem nyitnak. Az "II." előszabályzó panelen is megvannak a feszültségek, de a gépkönyvben szereplő értékeknél 20-30%-al kisebbek. A TR9158_13 ban szereplő "panel 9"-en "-"6,3 V (ez a kimenet és az áteresztők kollektora közötti feszültség), így az IC1/1 1 kimenetén "+" 6,3 V van. A D1A-n 12 V helyett 8,8 V a feszültség. A trafóról jövő AC feszültségek megvannak. Természetesen a "TR9158_24_JELALAK" feszültségei is megvannak, de nagyjából 8,8/12 arányban lecsökkent értékben. Az UT1E gépkönyv szerinti kb 9 V-os csúcsa helyett mindössze 5 V körül van, a tirisztorra jutó UGT négyszögjel csúcsa 1 V körüli, a 10 msec-os jel kitöltése kb 20%, és T1 BC301 kb 50 C fok. Ezenkívül csak a 2 db 1kOhm-os, 5 W-os R20, R21 melegszik, de úgy kell nekik... Olyan a jelenség, mintha valami zárlatos lenne, és emiatt lecsökkent a D1A feszültség, és így nyilván a többi is. Az 1 V pedig nem elegendő sem az SKT24 (UGT 3 V) sem a CS23 (UGT 2,5 V) nyitásához. Mit tanácsoltok? Előre is köszönöm!
Még valami:
az F11 630 mA-es biztosíték kiégett a tönkremenetel közben. Jobb híján egy sodrott huzal D 0,15 mm elemi szálát forrasztottam be biztosíték gyanánt. (Számomra) roppant érdekes, ahogy G1-R3-D1 komplexum után C1 "+"-on alakul a feszültség (fénykép helyett a mellékelt "II. PANEL UT JELALAK" rajz). Valójában C1 "+" 8 V DC lenne, de az R20-R21-2xD21-R42 "rányom" egy kiugrást? Az LM324-et is cseréltem, de a jelenség nem változott. A C4 22000 µF-on 36 V körüli DC van, a D1-D2 SKR25-ök működnek.
Ennek a tápnak az a működési alapelve, hogy a "finom-szabályzóval" beállított érték a kimeneten megjelenjen. Ehhez "külső" feltételként annyi szükséges, hogy az áteresztők kollektorán meglegyen a kb. 6V-al magasabb feszültség (ez mindig fent kell álljon, pl. 12V-nál a 22000 µF -en 18V, 40V-nál meg 46V). Ha ez a feltétel fennáll, akkor a finom-szabályzó körben kell keresni a hiba okát, ha nem lehet 40V-ig felszabályozni.
Meg kell vizsgálni, hogy a referenciafeszültség értéke megfelelő-e az IC 1-es lábán. Ennek 6,5V körül kell lennie. Ha nem, lehet itt kéne az IC-t cserélni. |
Bejelentkezés
Hirdetés |






















