Fórum témák
» Több friss téma |
Éljen a Google fordító, de ez a kapcsolás nagynénik ellen is jó!
Hát azért a villanypásztor kapcsolástechnikájától messzi van.. Igaz van benne tirisztor is
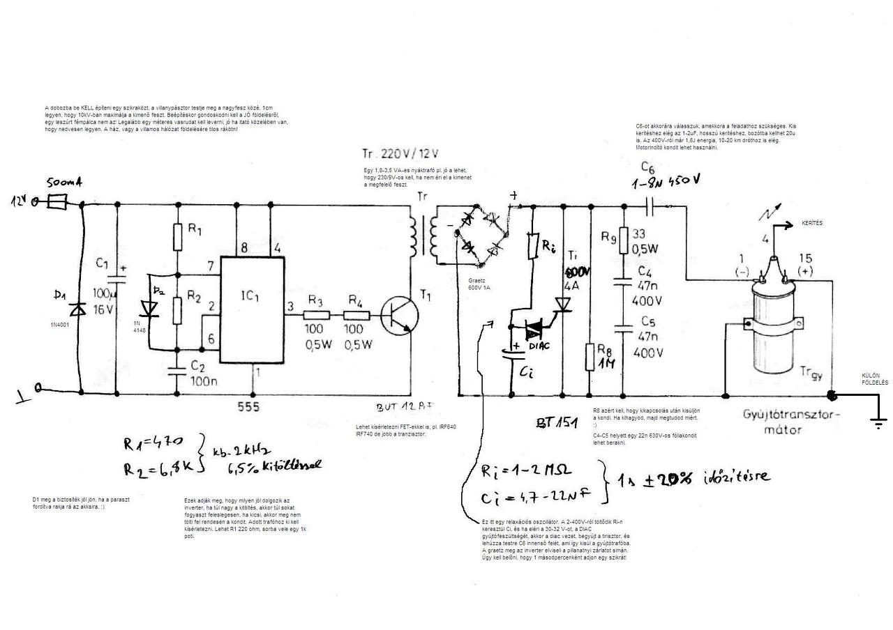
Ez annak az egyszerűsített változata amit leírtam korábban.. csak itt az önrezgő oszcillátor helyett az 50Hz-es hálózati frekvenciával kapcsolgatják a tirisztort, illetve vezérli a nagyfesz trafót. Arról meg ugye ne is beszéljünk hogy ez a kapcsolás az élet, meg a veszély Tényleg hatásos a nagynénik ellen is... Bár a megépíthetősége, egyszerűsége miatt érdemes lehet vele foglalkozni. A nagyfesz trafó helyet kísérletképpen egy 220/12 V-os 10 - 15 VA-es "Makrai" trafó is használható fordítva bekötve ( tehát 12V-os része a primer ) csak akkor az R2 legalább 5W.os legyen. De a leírásban szerelő trafó nem más mint annó a fekete-fehér TV-kben a "malomkerék" néven elhíresült ferrittrafó . Kimentem a képet, mielőtt még nyoma veszne
Attól életveszély, hogy túl nagy energia jöhet ki belőle?
Igen, ha nincs jól méretezve akkor esélyes... Természetesen nem szó szerint értendő.. csak igen meglepő dolgokat produkálhat...Elszállhat a feszültség akár 30 kV-ra is egy sorkimenő trafóval.. Az meg nem csak befelé húz ívet, hanem ha közel állsz hozzá akkor akár arcon is csaphat, mert te leszel közelebb a földhöz, nem a trafó ellenpólusa....
Ez az építsd meg és próbáld ki kategória.. De rovarcsapdához teljesen felesleges a 10kV.. Bőven elég az 1 - 2 kV vagy max 4 kV Amúgy volt nálam javításon egy majdnem ugyanilyen egyszerű, de szó szerint életveszélyes villanypásztor is.. Az az igazi "parasztos" sufni-tuning kategória, házilag "alkotta" valaki, de az ostobább fajtából.. A bemenete ellenállás - diak - elkó -tirisztor szokványos kapcsolástechnikával... direktben 220-ra kötve egy 100 Ohm 10W-os ellenálláson keresztül. Aztán töltött egy 10 µF-os kondit és ezt rásütötte egy autótrafóra. Azzal hozták be hogy nagyfeszt már nem csinál, de ráz a karámvezeték Konkrétan leválasztás nélkül kint volt a fázis a karámvezetéken.. És ezt a "Lófogáson" árulta valaki
Az durva, aha leválasztás nélkül megy egy ilyen.
A rovarcsapdánál a leadott árammal lehet a bibi a gyengéknél, mert amit csináltam sorkimenőből ott is meg volt a feszültség, de nem csattant, mint a gyári jó. Talán ezért jó legalább egy kisebb sokszorozós fokozat a végén, hogy legyen kondi, ami segít.
Sziasztok.
Adott egy villanypásztor ami áthúz belül. Okozhatja ezt az áthúzást ha véletlenül a kondenzátor hibás? (laikusan ez jut eszembe először egyszerűen) Hogyan lehetne megoldani egyszerüen ezt a hibát? Köszönöm. A hozzászólás módosítva: Máj 14, 2018
Szia!
A kimenetére van szikraköz téve? Ha a karámra rá van kötve, akkor is áthúz?
Szia!
Ezt a pásztort elívelhetnéd jó messzire, hogy soha senki se találja meg! Ahogy látom, ez hálózatról üzemel és az egyenirányított nagyfeszt szaggatja rá a kondira, onnan meg a trafóra... én nem szeretem az ilyet, nagyon veszélyes közvetlen hálózatról üzemeltetni. Bármi gond van, ott van a fázis kiülve a vezetékre és halnak megfele az emberek... Esetleg csinálj egy invertert elé és akkor 12V-ból lesz meg a 300V-od ami már leválasztott, így nem kerülhet ki fázis direktben.
Szia igen legalább egy leválasztó trafót tett volna bele,ez így veszélyes.
Mint ahogy már előttem szóltak,ez a gép maga a horror,még akkor is,ha gyári! Feltétel lenne a biztonságos használatnak,hogy a nagyfeszültségű trafója bolondbiztosan elválassza a 230V feszültségtől a kimeneti nagyfeszültséget,ez számomra kérdőjel,bár találkoztam hasonló megoldású gyári készülékkel.Én nem javítanám meg,legalábbis ebben a formában!Ha ott jelentkeznek hibák,ahol leírtad,akkor ott nagy gondok vannak a szigeteléssel.Arról nem is beszélve,hogy ezeket a pásztorokat csak akkor szabad bekapcsolni,ha rá van kötve a karám vagy van megfelelő szikraköz.Ezek nélkül az energia utat keres magának a szigetelés rovására.
Sok gyári is így van megoldva (Faie, francia, Lacme Clos 10, 150, 200, szintén francia, Horizont N50 német, ) Azonban a kimenő trafója kivétel nélkül mindnek osztott kamrás, poliuretán műgyantával ( ami milliméterenként 20 kVoltot szigetel ) vákuum impregnált. Azokat sem szeretem.. De ez kb mint egy villamos szék.... Jó messzire kidobni belőle az elektronikát - vagy a trafót -
Nem reklámozom magam de ha a delikvens kifizeti, legyártok hozzá egy kettős szigetelésű trafót, ami vákuumozott és garantáltan nem jut ki a hálózat fázisa a karámra. Páran már vettek itt a hobbin tőlem ilyet. Egy két szélsőséges esetet kivéve egyikkel sem volt gond. Ez a trafó ami benne van az élet meg a veszély.. Szó szerint !!!!
Azt szeretném megkérdezni, hogy egy zselés aksi ( a pásztor menne róla) mennyiben kíván más töltést mint egy sima ólomaku? Egy ilyenről szeretném meghajtatni : Bővebben: Link.
kKöszönöm a válaszokat, per pillanat ez van. Sokat nem lesz használva. A gyártó garibbagaranciálisan küldött egy trafót hozzá. Ám a bekötése nem megy. Vagyis, van rajta négy vezeték, kettőn van saru, azok - gondolom - akár fel is cserélhetőek: föld, vagy karám. Ám másik két vezetéket vajon felcserélhhetem-e? Tehát mindegy-e, hogy melyik megy a zöld gyákraNYÁK-ra, vagy a kondira?_Köszönöm.
A hozzászólás módosítva: Máj 16, 2018
Moderátor által szerkesztve
Nem zselés, ha úgy adják el, akkor sem az. Ez AGM, a sav nem zsalé állagú, hanem folyékony, de fel van itatva a szeparátorban (ezért nem lötyög benne, így kibírja azt, hogy állítva, fekteve megdöntve... üzemeljen, persze ha lehet, akkor normál pozícióban használd)
Annyiban más a töltése, mint az indító akksié, hogy itt nem töltheted tartósan 14V felett. Azaz töltőnek a következőt kell tudnia: Áramgenerátors töltés 1-2A-ral, majd feszgenerátoros 13,8V folyamatos csaepptöltés. Mivel zárt ezért elfogy belőle a víz és "hivatalosan" nem tudsz beletölteni desztvizet, ezért nem lehet 14V felett tartani.
Köszi a segítséget ! Az lett volna a terv, hogy kivezetem a doboz oldalára egy tápdzsek aljzatra, hogy ne kelljen állandóan bontani a dobozát, és egy ellenállással beállított árammal a normál akutöltővel tudják tölteni. Ha éjszaka megy 21-órától 6-óráig..., 1A 9óra alatt feltöltené. Esetleg egy 7812 a középső lábon vagy 2db diódával jó lenne ?
A hozzászólás módosítva: Máj 15, 2018
Töltheted nomál töltővel (teszkós trafós, vagy régi orosz...), de amikor eléri a 14V ot, akkor le kell kapcsolni, nem maradhat rajta a töltő, ezért mindenképpen külsőleg okosítani kell a töltést.
Mélykisütést is rettenetesen utálja, ezért ne hagyd lemerülni 11V alá, még előtte kellene visszatölteni. Máskülönben gyorsan fog elpusztulni az akksi.
A nagyfeszültségű - tehát a szekunder - rész kivezetéseit nem célszerű felcserélni. A primert
azt lehet.. A szekunder ág kezdőpontja -ha sortekercseléssel készül, vagy ha osztott kamrás, az mindegy - legyen a földelés, és a szekunder tekercs vége legyen a meleg-pont, vagyis a nagyfeszültségű kimenet. Ha felcseréled, akkor a nagyfeszültség a primer és a szekunder szigeteléshez legközelebb jön létre, így jó eséllyel átüt, vagy megkerüli a szigetelést, ha a karám földelése nem megfelelő vagy eloxidálódott! Illik jelölni amúgy a gyártás során melyik melyik. Ha poliuretán gyantával ki van öntve és vákuum impregnálva van, akkor ez annyira nem lényeges, mert akkor sem fog átütni ha fordítva kötöd be. A fázisa meg szintén lényegtelen mivel impulzus üzemű a trafó A hozzászólás módosítva: Máj 16, 2018
Üdv ! Nem én fogom használni. Húgomnak meg nem lesz ideje a munkahelye, meg a kecskék után még a töltőt is figyelje . Köszi a válaszokat !
engineerman + erdgab-nak : kipróbáltam az általatok ajánlott beállításokat. Ha a diódát kifordítottam a helyéből a kis NYÁK-trafó rögtön át ment hősugárzóba. Így visszakerült a 4148 a helyére. A 470 ohmos ellenállással sorba kötöttem egy 5k-os potit így jó lett. Vagy is a végső beállítás : ami nekem bejött: 5,1k - 8,2k - 220nF . Közben rájöttem, hogy magammal toltam ki amikor a lányom rossz motor akujával próbáltam, a feszültség meg volt, csak épp áramot nem adott a galád a pásztornak. Próbáltam egy ilyen zselés?akuval , a dióda híd után 325V-ot mértem, tirisztor nélkül. Raktam a gyújtótrafó mellé egy 220nF kondit és ~kétcentis ívet húzott... Mindegy! Így marad. Megy dobozba. Köszi a segítséget nektek is !
Sziasztok!
Megépítettem az alábbi villanypásztort, de 4-5 szikrázás után gyújtva marad a tirisztor, és melegíti az inverter részt. Ha a tápot elveszem-visszaadom, akkor megint 4-5 szikra és gyújtva marad. Mi lehet az oka? (bár nekem az is fura, hogy a tirisztor rövidre zárja az inverter kimenetet, az meg lehet, hogy szolgáltat elég áramot a gyújtva tartáshoz)
A relaxációs oszcillátor időzítő kondiját a gate-áram süti ki?
Igen, az süti ki, a diac bekapcsolva marad amíg ki nem sül alatta a kondi, és az energiát megeteti a tirisztor gétjével.
Inkább a másik dolog lehet, hogy a tirisztort bekapcsolva tartja az inverter. Milyen tirisztort tettél bele? A hozzászólás módosítva: Máj 21, 2018
BT 151, de próbáltam TF541S-el is. A probléma mindkettőnél fennállt.
Szia!
Bár ennél a kapcsolásnál ilyennel még nem találkoztam,de egy próbát megér,tegyél a G és a test közé egy 150 ohm/0,5W ellenállást,ez segít lezárni a tirisztort.
Kösz, ezt holnap kipróbálom.
Az nem lehet, hogy túl nagy teljesítményű az inverter trafó? (10V 0.8A)
Valószínűleg ez van, amikor elkezd töltődni a kondi, akkor még jut elég áram a tirisztor anód-katód felé is, hogy nyitva maradjon. Ha sorbakötsz vele egy ellenállást a szekunder oldalon a graetz előtt, vagy után közvetlenül, az segíthet, csökkenti az áramot amivel a kondi töltődni tud, és lesz ideje lezárni a tirisztornak.
Köszönöm, holnap tudok vele kísérletezni, beszámolok majd az eredményről.
Idézet: „Az nem lehet, hogy túl nagy teljesítményű az inverter trafó? (10V 0.8A)” Nem hinném,hogy ez lehet a gond.
Majd még ezeket próbáld meg:
1. Tegyél be egy 100 ohmot a trisztor GK közé is (ne libegjen, amíg a diac nem kapcsol). 2. Valamint egy diódát (1n4007) tegyél be a trafó mellé, Anód-1, katód-15 pontra. Az nem igazán tetszik, hogy amikor kikapcsol a T1, és meniie kell valahova a tr mágnesező energiájának, nem tud. Ezért addig növeli a tr a feszültséget mind a primeren, mind a szekunderen, amíg utat nem talál az áram valahova. Primeren a T1 mellett nincs semmi ami megfogná ezt a feszültséget. A szekunderen a graetz után meg a C6-ba nem tud hirtelen belemenni mert azzal meg sorba van a gytr induktivitása (ezért kellhet oda a dióda). Tehát könnyen lehet, hogy egyszer csak ez a gyors tüske gyújtja be a tirisztort (annak is meg vannak a du/dt korlátai, ha túl gyorsan nől rajta a feszültség, akkor önmagától is bekapcsol, gét vezérlés nélkül is), és kisüti a C6-ot mielőtt az kellően fel lenne töltve, és kezdődik előlről.. |
Bejelentkezés
Hirdetés |




Ez annak az egyszerűsített változata amit leírtam korábban.. csak itt az önrezgő oszcillátor helyett az 50Hz-es hálózati frekvenciával kapcsolgatják a tirisztort, illetve vezérli a nagyfesz trafót. Arról meg ugye ne is beszéljünk hogy ez a kapcsolás az élet, meg a veszély 









