Fórum témák
» Több friss téma |
azért kell szabályzó mert nem biztos hogy mindig egyforma feszültségü és teljesitményü égő kerülne rá
szem csak azéé mert 12voltos izzót nem tanácsos 40voltal működtetni
én is a szinómra tervezek egy PWM szabot mert a soros az megeszi a felesleget, mi drága ilyen helyen bár még az lenne a jó ha a többlettet is lehetne raktározni
jah mégegy kérdés a 40V DC honnan jön
hálózat+trafó+ei(itt nem nagyon számít az eldisszipált felesleg) vagy más
ez mi a rák akar lenni ???
hordozható akkutöltö akkukkal nah félretéve a viccet ide akkor mindenkép PWM kapcsüzemű cucc kell (hogy a lehető legkisebb veszteséggel működjön) amit nem lehet 1-2 alkatrészből megcsinálni ez már kicsit komolyabb cucc, de nem lehetetlen
végülis ha kicsit komolyabbat terveznénk akkor akár hálózatpótló is lehetne (+kisfesz stabis)
hát inkább vegyél szimszont
lehet vele kerekezni is, meg van benne erő is méért jóó az elektromos bicaj?????(környezetbarát?)
volt motorom de inkább maradok a biciglinél
érvek az elektromos canga mellet:
- nem kell keveréket keverni - nem kell zsebpénzt gyűjteni arol 2T -re és benzinre - nem kell jogsi ....... satőbbi ![]()
és milyen moror hajtja (léptető vagy sima DC)
ha csak bicóra kell és DC akkor amit néztél az színte jó is csak a freki féltoztatásával fog menni a fordszámváltoztatás (nem jó ötlet a fesz változtatásával szabályozni a fordulatszámot mert a NYOMATÉK NÉGYZETESEN CSÖKKEN most olvastam )én őszintén inkább léptető mocit használnék noha abban a témában még nem vok járatos
LM2576adj 3A. Menj fel a National Semiconductor honlapjára, ott tervezési segédlet is van hozzájuk.Ennél 1szerűbbet nem találsz."Simple switcher"
az jó ic az lm2576 de tl 494 van ithol egy rakással
érvek a moci mellett
--- jogsi elöbb utöbb kell (jó a B-s is) --- gyorsab --- keveréket kész öröm keverni --- az arol 2t az :levele: szar --- azt is kell szerelni --- lehet vele túúrni egyet az erdőben kijárt krosszpályán --- és mellesleg kva nagy élmény motorolni kárt tenni a kaszniba és aztán lakatolni meg szembeköpni magad amiért összerörted a kicsikét
de neki vílággításhoz kell!
szerintem 555 -el mennie kellene még hozzá én úgy gondoltam 68 khz -n menne a dolog az 1 ik aksiról..és a trafónak több kivezetése lenne.. amit tudna kapcsolgatni pl... pl: hxxp://www.uoguelph.ca/~antoon/circ/555dcac.html csak más értékkel.. Idézet: „arol 2t szar” mé te mit használsz ? "made in china" olajat? az jobb mi ? de ne térjünk el a témától..
huhh ez egy elég trükkös kapcsolás
de nem rossz megoldás
na csak azértis Prista 2T extra atapi: TC-s (talán lengyel
)de egész jóó nincs nagy bűze és még elég jól is keni a cuccokat 1:40 keverékkel (vörös) 1200ft/l
elég jó kapcsolás de a kérdésem az lenne hogy az feszültséget nem lehetne beállitai ellenálással
van eagle-d ??
van egy rajzom ami egy PWM tl494 el nincs benne semmi korlát meg figyelés csak a kitöltési tényezőt kell állítani és változik a kimenő fesz. egy CDI gyújtáshoz csináltam inverternek a trafót kell úgy tekercselni hogy jó legyen és kész
ok akko figy az egyenirányítás után eelhagyod és megvan a PWM
Sziasztok TL 494-es Inverter kapcsolás kéne, mert már készül 1500VA-es +- 50V-os kapcsüzeműm de valami gubanc van a vezérléssel. Ha tud vki pontos címet megköszönném! Csá
Hali csatlakozom speki-hez mert nekem is kellene TL494-es PWM szabályzó. Egy 1.5KW-os ellenüteműn munkálkodom már van jópár rajzom de engem csak a vezérlés rész érdekelne mert a többi már megvan. 100KHz vagy felfele... Lényegében a táp 230-rol járna +- 46V-ra. előre is köszi! ÉS ITT 1 JÓ TIPP:http://www.qrp4u.de/docs/en/smps_new/
http://www.hobbielektronika.hu/forum/topic_1819.html?pg=20&date_order=ASC
itt van a kapcsitáp v2 ma teszteltem 2 db IRF730 as fetet hajt a vezérlés fontos a gyors felfutás és lefutás érdekében a tekercsek induktivitása Prim 2x2mH Szek :2x1,5mH Először pc tápból bontott vezérlőtrafóval próbáltam de többségükben nem jók mer nem lehet elég nagy induktivitást elérni velük v. sok menet kell.
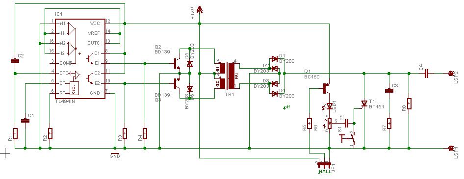
Segitségeteket kérném! Az autoban lévö 12V-ot kellene megemelni 18V-ra és kb 1-1.5A kellene tudnia az áramkörnek. Megvalositáshoz keresek rajzot. Kösz!
Ez jó lessz neked: Ellenálláscserével beállitható a 18 V.
|
Bejelentkezés
Hirdetés |




és aztán lakatolni meg szembeköpni magad amiért összerörted a kicsikét





