Fórum témák

» Több friss téma
Fórum » Mágneses lebegő Földgömb
Lapozás: OK   1 / 3
(#) Gabesz hozzászólása Máj 1, 2006 /
 
Ez az ötlet már régóta mozgatja a fantáziámat. Egy könves boltban láttam meg először. A mágneses lebegő fldgömb. Nagyon király, de azzal együtt nagyon drága is. Szóval ha esetleg valaki tud olyan módszert mivel olcsóban megtudnád csinálni, azokat szívesen veszem. Bármit. a Működési elvét, a kapcsolási rajzát, alkatrészek és árlista. ilyesmikre gondoltaml.

Előre is köszönöm


30421.jpg
    
(#) pakibec válasza Gabesz hozzászólására (») Máj 2, 2006 /
 
Szia!

Én a Conradnál láttam és nekem is megtetszett. Szóval szivesen megépíteném. Mivel dísztárgy, fontos az esztétikai kivitelezés is.

A probléma megoldása szerintem: Földgömbe 1 v.2 állandó mágnest. Fölé és esetle alá egy elektromágnest. Valamilyen módszerrel követni kell a földgömb helyzetét vagyis mérni az állandó ill. az elektromágnesek távolságát. Pl. ultrahang. Utána a kettőt összehozni, ha csökken a távolság, csökken az "északi" póluson a térerő, azaz kevesebb áramot kap a tekercs, és fordítva. Egy mikrovezérlő megoldaná a dolgot. Le kellene ülni és kicsit számolgatni. Na meg akkor már szép nagy földgömbbel lenne az igazi!
(#) Sempy válasza pakibec hozzászólására (») Máj 2, 2006 /
 
Húha...
Ez egy kicsit egyszerűbb Csak mágnes kel
A lényege, hogy kölcsönösen taszítják a mágnesek azonos pólusai egymást Ha egy körkörös mágnesbe megpróbálsz bedugni egy rúdmágnest, akkor az nem fog menni(persze azonos pólus esetén). Ha kétoldalra teszel két körkörös mágnest, akkor annak meglessz az eredménye...
Ez egy nagyon egyszerű elv
A földet nem a mágnesek tartják?
Tipp: Alsó mágnesnek nagyobbnak kell lennie, ugyanis az a gravitáció ellen is küzd... Jó barkácvsolást
(#) pakibec válasza Sempy hozzászólására (») Máj 2, 2006 /
 
Ha jól értem, Te azt mondod, hogy két állandó mágnes taszítása miatt lebeg (tengely és a körmágnes). Csakhogy ezeknél pont az a pláne, hogy nincs tengely! Így valódi lebegés hatását kelti. Viszont így nem látom hogyan helyezném föl a mágneseket, hogy ne essen ki a glóbus.

A Conrádosnál elektromágnes van, de vajon hogy oldják meg a mágneses térerő szabályozását?

Link:
[link]http://www.conrad.hu/conrad.php?name=Products&cid=VkZaU1ZrMUZPVlZWV...NNdz09[/link]
(#) sirály12 válasza Gabesz hozzászólására (») Máj 2, 2006 /
 
Az elektronikai játékok építése c. könyvben benne van, egy ilyennek a leírása. Pár tranyó kell hozzá, és egy elektromágnes.

Nekem megvan itthol, de sajnos nincs scanner ithol, berajzolni pedig nincs időm.


Szerintem ez kell neked.
(#) G-Lex válasza pakibec hozzászólására (») Máj 2, 2006 /
 
Ügyes!
Ötletem a következő:
a gömbbe állandó mágnest v fémet kell helyezni fellülre. a mágnes célszerűbb mivel így kisebb elektromágnes is elég.
meg kell állapítani a gömb és a talp közötti távot.
pl allulról egy infra leddel megvilágítani és a visszaérkező fény erejéből meg lehet saccolni a távot vagy lehet kísérletezni ultrahangos távolságmérővel is.
fellülre egy bikás elektromágnes kell amit a távolság függvényében kell megtáplálni. minél közelebb van a talphoz a gömb, annál nagyobb feszültség kell az elektromágnesre és mivel fellül a két mágnes között erős kölcsönhatás van nem is igen akar magától kiborulni...
(#) G-Lex válasza G-Lex hozzászólására (») Máj 2, 2006 /
 
esetleg ha egy nagyon vékony horgász damillal rögzíted fel az sem láccik...
(#) titkovics válasza sirály12 hozzászólására (») Máj 2, 2006 /
 
A könyv Ezen az oldalon megtalálható.
(#) sirály12 válasza titkovics hozzászólására (») Máj 2, 2006 /
 
Igen ez az.

Nah ennek a vége körül van. pár tranyó kell hozzá, és a lebegést is lehet benne potival szabályozni. direkt erre készült.
(#) isamisa válasza sirály12 hozzászólására (») Máj 2, 2006 /
 
na ok,
de milyen tranyókall helyettesíthetőek azok a tranyók? ASY 35...37 meg TG 70
Azt hiszem ilyeneket évek óta nem gyártanak.

Szer.: Ja és mekkora sullyú fémtárgyat bír el?
(#) sirály12 válasza isamisa hozzászólására (») Máj 2, 2006 /
 
Szerintem az asy helyett szinte minden kisteljesítményű tranyó jó, a tg 70 aszem egy kicsit nagyobb teljesítményű darab.
Hogy mekkora súlyt bír? Hát szerintem amekkora elektromágnest és feszt teszel rá.
(#) kaninjo válasza Gabesz hozzászólására (») Máj 2, 2006 /
 
Üdv!

Én is találtam egy oldalt:
[link=http://www.oz.net/~coilgun/lev_elexnow/home.htm]http://www.oz.net/~coilgun/lev_elexnow/home.htm[/link]

2 fajta kapcsit találtam az oldalon, de lehet, hogy van még ott valahol elrejtve...
(#) sirály12 válasza kaninjo hozzászólására (») Máj 2, 2006 /
 
Hát igen, ez egy kicsit többet tud, mint amit én ajánlottam, és nem is túl bonyolult.
(#) Chip válasza isamisa hozzászólására (») Máj 2, 2006 /
 
cseh v. szlovák?...de a lényeg látszik benne.

asy34_37.pdf
    
(#) isamisa válasza sirály12 hozzászólására (») Máj 2, 2006 /
 
na igen...
Csak kissebb, és megy adapterről.
Azért ez jó, épp most fejeztem be a másiknak a nyáktervét ....

De én nem értek a tranyókhoz, nem tudom mit kell nézni és mivel lehet helyetesíteni
(#) Chip válasza Gabesz hozzászólására (») Máj 2, 2006 /
 
...tudom hogy ez már más, mint ami a címben szerepel,de egy későbbi körben még érdekelhet (mindenesetre ez is lebeg):

http://www.tar.hu/tuvok1/lifter/lifter_a.htm
(#) Gory válasza Gabesz hozzászólására (») Máj 3, 2006 /
 
Én a westendben láttam egy hasonló dolgot egy bárban. Egy 3 decis kólásüveg lebeg és közben forog is a tengelye körül. A forgást vajon hogy csinálják?
(#) isamisa válasza Gory hozzászólására (») Máj 3, 2006 /
 
hi
Énnekem is van valami játék. Akasztófa, gonolom ha elfújja az ember a lámpát akkor kialszik.
CSatolva:

U.I: Megmondaná valki milyen tranyók lennének jók a lebegőhöz?

akasztfa.pdf
    
(#) Sebi válasza isamisa hozzászólására (») Máj 3, 2006 /
 
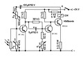
Pl. "kifordítod" a kapcsolást, mert NPN tranyók jobban találhatók a fiókban...

lebeg.GIF
    
(#) isamisa válasza Sebi hozzászólására (») Máj 3, 2006 /
 
Köszi, igy már ok.
Terveztem hozzá egy nyákot, mondjuk még képlékeny attol föggően mekkora hűtűborda vagy Graetz hidat kapok, de hátha érdekel valakit.
Előre szólok nem tanultam ilyesmit soha ugyhogy lehet van benne hiba. Néze át valaki. És át is szerkesztheti mindeki magának.

A kis BC tranyókat meg nem tudtam máshogyan berajzolni majd el kell hajéítani a lábát, de ez gondolom nem nagy ügy.
(#) vicsys válasza isamisa hozzászólására (») Máj 3, 2006 /
 
Kezdőtől nem is rossz!
(nem ellenőriztem csak megnéztem)
(#) Frankye válasza vicsys hozzászólására (») Máj 4, 2006 /
 
Egyetlen apróságot, ha megengedsz: A NYÁK-on is jelöld meg a polarizált kondi + lábát. Könnyíti a beszerelést. Amúgy sztem is nagyon ügyes, gratula! (Ellenőrizni én sem ellenőriztem, ezt meghagyom a nálamnál profibbaknak.)
(#) isamisa válasza Frankye hozzászólására (») Máj 7, 2006 /
 
Sziasztok.
Megcsináltam a nyákot és be is forrasztottam mindent.
sajnos nem tudom hogy müködik-e mert meg kell még csinálni az elektromágnest. Sajnos fogallmam sincs hogyanfogok feltekerni 2500 menetet ugy hogy még számolni is tudjam.

Ha valakinek kell a nyák rajza akkor szóljon. Kicsit átalakítottam azóta. ( Raktam rá + jeleket ahogy Frankye mondta)

Isa
Kép:
(#) Sebi válasza isamisa hozzászólására (») Máj 7, 2006 /
 
Nagyon szépen megcsináltad! Egy ami nem tetszik: 5W-os ellenállás csak a kínaiaknál csókolózik az elkóval, nálunk nem! Próbáld messzebbre hajlítani tőle, hogy ne melegítse, mert hamar kiszárad. Ha a tekercsre van vmi fizikai méret, meg huzalátmérő, akkor ne habozz, fúrógéppel tekerd tele a csévetestet - 50...150menet különbség nem sokat számít itt.
(#) Frankye válasza isamisa hozzászólására (») Máj 7, 2006 /
 
Ahogy Sebi is írta volt, valóban szép munka, gratula!
Régi magnókban voltak fordulat-számlálók (talán még a maiakban is vannak...), mechanikusak, azokkal jól lehet a menetszámot számolgatni. Legfeljebb arra kell figyelni, hogy azoknál egy szám (egyes helyiértékű) rendszerint több fordulatnak felel meg, nem egynek. De ez nem olyan nagy katasztrófa, pici fejszámolással megoldható.
(#) vicsys válasza isamisa hozzászólására (») Máj 7, 2006 /
 
Idézet:
„hogyanfogok feltekerni 2500 menetet ugy hogy még számolni is tudjam”

Hát, ha rám hallgatsz: nagy kitartással és akarattal!
Megtudod te azt csinálni! Tessék szépen elvonulni a műhelyedbe, az ajtóra kiakasztani a "ne zavarj-mert széjjeltéplek!" táblát és állj neki.
Menni fog az! A végeredmény meg majd kárpótol a fájdalomért...
(#) isamisa válasza vicsys hozzászólására (») Máj 7, 2006 /
 
"ne zavarj-mert széjjeltéplek!" táblát

Ez jó ez tetszik
Hát persze hogy meg fogom csinálni. Ja arra a szálálóra én is gondoltam , majd eszkábálok hozzá egy célszerszámot.

Jó persze én sem ugy terveztem hogy hozzáérjen az elkóhoz. Mondjuk nem is gondoltam rá hogy kiszáríthatja. Az a kondi nagy is oda mert 3300µF-os és elég lenne egy 1000µF os is. Majd kicserélem hirtelen ez volt kéznél...

Isa
(#) isamisa válasza isamisa hozzászólására (») Máj 28, 2006 /
 
Sziasztok


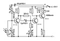
Csináltamegy elektromásgest. Bár elég hevenyészett, mert itthon csak 0.2-es vezeték van. A leirás 0.45-öset ir elő. 4 tekercset raktam rá. Ugy csináltam meg hogy 2-őt párhuzamosan kötöttem és ezt a kettőt meg sorosan. Igy az elenállása olyan 28 Ohm.

Sajnos nem akar dolozni az áramkör, Nem folyik át áram a tekercsen. ami fő indok lehet hogy nem volt olyan trafóm ami 24 V DC tud. Csak 21.5 V Dc-m van. Gondolom ez lehet a probléma , hogy kicsi a fesz a tranyóknak.

Nem tudom hogy mit lehetne vele keszdeni.
Ha az elektromásgnesre ráadom a 21V Dc-t akkor 750mA megy át rajta. Igaz el keztd melegedni. De ennyivel ugysem lenne terhelve.

Biztos hogy jó a kapcsolás igy kifordítva???

lebeg.GIF
    
(#) Báddzsó válasza isamisa hozzászólására (») Máj 28, 2006 /
 
Ezt még régebben találtam amikor akartam ilyet csinálni egy mágnestér érzékelő segítségével, de sajnos az túl lassan kapcsol.

(baloldalon Levitators a lényeg most nekünk az oldalon)
(#) sirály12 válasza vicsys hozzászólására (») Máj 28, 2006 /
 
az ajtóra kiakasztani a "ne zavarj-mert széjjeltéplek!"
Isten bizony megcsinálom ezt a táblát. Nagy király.
Következő: »»   1 / 3
Bejelentkezés

Belépés

Hirdetés
XDT.hu
Az oldalon sütiket használunk a helyes működéshez. Bővebb információt az adatvédelmi szabályzatban olvashatsz. Megértettem