Fórum témák

» Több friss téma
Fórum » Rádió építés a kezdetektől a világvevőig
Lapozás: OK   144 / 278
(#) tnl válasza sdrlab hozzászólására (») Aug 16, 2018 /
 
Tegnap este hallgattam a cw-t 14 mHz-n megtaláltam, de nagyon erősek
voltak a szivárgó AM adók. Arra gondoltam ki kéne próbálni, a két sorba kötött
RC tagot amit írtál.

Szerintem fontos, hogy a régi(mostani) RC filterben a 2k-osn és a 10 nF-en keresztül
az oszcillátor jele a földre vezetődik, de nem olyan nagy mértékben, mint a 500 Ohmos
ellenálláson a diódákon át. Ha túl kicsi az RC filter R-je esetleg nem jut elég fesz. a
diódáknak, ha túl nagy az R az csökkenti a hasznos jelet, mivel elnyeli.

Ezek figyelembevételével kell megtervezni a kétfokozatú RC szűrőt.
(#) sdrlab válasza tnl hozzászólására (») Aug 16, 2018 / 1
 
Szerintem el lehet dönteni, hol demodulálódik az erős AM adó?! Pl ha rövidre zárod az antiparallel diódákat, akkor azok biztosan nem demodulálnak semmit így, és ha megszűnik az AM zavar, akkor egyértelmű, hogy a diódák eltérő karakterisztikája okozza a jelenséget. Ha megmarad, akkor pedig az elégtelen alul áteresztő szűrés utáni maradék RF demodulálása.
(#) tnl válasza sdrlab hozzászólására (») Aug 16, 2018 /
 
A diódák okozzák, akkor mit lehet tenni?
(#) sdrlab válasza tnl hozzászólására (») Aug 16, 2018 /
 
Válogatni! Ezt nem nagyon lehet megúszni...
(#) tnl válasza sdrlab hozzászólására (») Aug 16, 2018 /
 
Szívókör talán a neve, egyszerű soros rezgőkör, rövidhullámon működne
esetleg?
(#) tnl hozzászólása Aug 16, 2018 /
 
Erős adók ellen?
(#) elektroncso válasza tnl hozzászólására (») Aug 16, 2018 / 1
 
A legolcsóbb multiméteren is van dióda mérő, annak segítségével találnod kell "egy marék" dióda között két egyforma nyitófeszültségűt. Ez a legegyszerűbb módszer. Aztán felveheted a diódák karakterisztikáját és az alapján válogathatod, de az sokkal pepecselősebb munka. De léteznek olyan műszerek (könnyű házilag is építeni) amik érőhíd elven dolgoznak, vagyis a műszeren akkor van kitérés, ha a két dióda eltérő és a kitérés mértékéből az eltérés mértékre is lehet következtetni.
Aztán termikus kapcsolatba is hozhatod a két diódát egy csepp hővezető paszta és mechanikai összefogatás segítségével. De én már láttam kifejezetten ilyen célra gyártott dióda négyest, de az ring-modulátorba való volt (valamikor a TESLA gyártott ilyet).
A hozzászólás módosítva: Aug 16, 2018
(#) sdrlab válasza tnl hozzászólására (») Aug 16, 2018 /
 
Rövidhullámon napszaktól és frekvenciától függően sok erős AM adó van egyszerre jelen! Melyikre méreteznéd vajon?
(#) sdrlab válasza tnl hozzászólására (») Aug 16, 2018 / 1
 
Próbáld ki a 2. ábra kapcsolását...
(#) tnl válasza sdrlab hozzászólására (») Aug 16, 2018 /
 
A legerősebbre
(#) tnl hozzászólása Aug 16, 2018 / 1
 
Jó dolgokat írtatok, amit tudok kipróbálok !
(#) tnl hozzászólása Aug 16, 2018 /
 
Nem volt ma este erős az AM zavaró jelenléte,
de kipróbáltam, hogy átkötöttem a diódákat, meglepetésre,
az oszcillátor hangolásával a rádió hangolható maradt !
Az érzékenység lecsökkent eléggé, de mégis hangolni lehetett.

Hogy lehetséges ez a mixer jelenléte nélkűl?
(#) sdrlab válasza tnl hozzászólására (») Aug 16, 2018 /
 
Akkor ott valami nagyon nincs rendben!
Rövid huzallal kötötted át a keverőt? Az 5-10cm darab drótok itt felejtősek már...

Egyébként az RF útjába eső, bármilyen nemlineáris (parazita)elem is okozhatja ezt, hiszen maga a keverés is ezen alapul(ilyen, vagy olyan módon, de szorzás az alapja)
(#) Kera_Will válasza tnl hozzászólására (») Aug 17, 2018 / 1
 
A diódák után a következő félvezető elem a hangfrekis erősítő darlington tranzisztora lett.
Az antenna RF jele és az oszcillátor jele sikeresen keveredett ennek a BE diódáin keresztül .
(#) tnl válasza Kera_Will hozzászólására (») Aug 17, 2018 /
 
Valami ilyesmi történhetett, igaz a darlingtont sima tranzisztorra cseréltem.
(#) tnl válasza sdrlab hozzászólására (») Aug 17, 2018 /
 
A drót 6 7 cm lehet, kipróbálom hogy a diódákat is kiveszem.
(#) tnl hozzászólása Aug 17, 2018 /
 
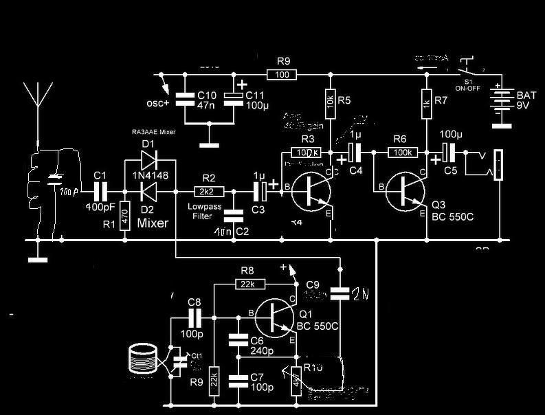
A mostani állapot

moustnl.JPG
    
(#) tnl hozzászólása Aug 17, 2018 /
 
A forgókondenzátor az Vef forgó fele.
A tekercs:

33 uH esetén 2700 kHz től 6xxx ig
10 uH 3700 -9500 KHz
4.7 uH Benne van a 14 MHz és 7 MHz -es amtőr sáv.
kb 2uH saját ismeretlen tekercs 12Mhz-30MHz
(#) Kera_Will válasza tnl hozzászólására (») Aug 17, 2018 /
 
Akkor majd a Q2 lesz egyben keverő is meg hang erősítő is egyben.
Az alultáteresztő RC tagokat is szed ki ami diódák után vannak.
Az oszci jelét szabályozd le a potival ne tolja el nagyon bázis feszültségét a könyök tartományból. Lehet egy trimmert (100k-1M)is berakni a párhuamos feszültség visszacsatolást okozó Rbc (100k)hellyére is a jobb demodulálási munkapont meg kereséséhez.
Mivel minden , mindentől függ kell majd tekergetni néha. ( Rbc Poti tekerésMunkaponti fesz/áram ettől az erősítés , oszci kimenő fesz szintje pedig a munkapont kis mértékű tologatása ezzel a demodulálás hatásfoka , érzékenység , változása mindkettőtől függ.)

Ekkor már nem lesz felezős a vételi freki/oszci aránya.
(megszünt a polyakov elvű keverő)
A mindenkori oszcillátor frekvencia +/- pár kHz (hangfrekis erősítő sávszélessége) lesz a demodulált vett jeled spektruma.


Ekkor már erre az áramkörre fog hasonlítani:
egyszerű RIM vevő 80m
Ennek a C13tól jobbra lévő T4 (oszci) T5 (keverő) T6 (hangvégfok) fokozatai.
C13 balra széles tartományban szabályozni próbált RF előerősítő fokozat lenne.
A hozzászólás módosítva: Aug 17, 2018
(#) sdrlab válasza Kera_Will hozzászólására (») Aug 17, 2018 /
 
Lehet, hogy lemaradtam valamiről..., de a cél itt nem egy új vevő építése a meglévő anyagok felhasználásával, hanem annak kiderítése volt, mi okozza a kevésnek tűnő AM elnyomást?!
(#) sdrlab válasza tnl hozzászólására (») Aug 17, 2018 / 1
 
Ki lehet venni, akkor tuti nem fognak beleszólni a vételbe! De ne felejts el a helyükre rövidzárat tenni, máskülönben nem lesz vételi jeled!
Ahogy Kera-Will is boncolgatta, ha a diódás keverő hiányában is van hangolható vételed(csak vigyázz, mert ekkor már fele freki lesz), akkor bizony elégtelen ahogy mondtam korábban az RC szűrőd, mert az első tranzisztor keveri ki a jelet. Oda nem szabad RF-nek eljutnia lehetőleg! Azt se feledd, ilyenkor a bemeneti LC rezgőkör már nem a vételi frekvenciára van hangolva...ez is csökkenti a vételt ebben a módban.
Ha nem hangolható, de van AM vételed, akkor csak simán demodulál ugyanaz a tranzisztor. Ugyanazzal a módszerrel szüntethető meg.
A hozzászólás módosítva: Aug 17, 2018
(#) tnl hozzászólása Aug 18, 2018 /
 
Van bizony vétel, hangolható, diódák nélkül is, tehát a tranzisztor alakult keverővé!

Az szűrőt meg kellene erősítenem, arra gondoltam elsőre hogy, berakom az RC tag után
ugyanazt az RC tagot, de ekkor a jelnek két 2k ellenálláson kell már átfolynia.
Ezért arra jutottam,az RCmögé egy LC szűrővel próbálkozom. Tekercs sorosan, kondenzátor 10n
párhuzamosan. Szerintetek jó ötlet?
(#) sdrlab válasza tnl hozzászólására (») Aug 18, 2018 /
 
Persze, megfelelő L értékkel, nyilvánvalóan!
De mi a baj a soros RC tagokkal? Mondjuk, mivel egyszerű erősítőd van, kis bemenő impedanciával, itt valóban számíthat ez is..., bár azt nem értem, hogy 9v tápfesz mellett miért kell ilyen primitív erősítőt alkalmazni, amikor 1000 és 1 IC közül lehet választani, amiknek akár FET-es bemenete is lehet, a maga több Gohm-os bemeneti impedanciájával...

Egyébként, szigorúan véve nem csak az említett fokozat okozhat AM demodulációt. Maga az oszcillátor is megteheti, hiszen az antennajelet az is terheli, így ha nem tökéletes a linearitása, önrezgő-keverőként is működhet! Ezt kicsit bonyolultabb már mérni, műszerek kellenek hozzá...

De, ez kiderül úgy is, ha megcsinálod a magasabb rendű aluláteresztő szűrőt, mert ha még mindig lesz hangolható vételed, akkor bizony az oszcillátor kever(be)
(#) ha1drp válasza tnl hozzászólására (») Aug 18, 2018 / 1
 
A közelítő szimulációk szerint nem sokat segít. Ebben a konstrukcióban ennyi van. Az alacsony impedanciás viszonyok miatt a szűrő meredeksége kicsi.
(#) sdrlab válasza ha1drp hozzászólására (») Aug 18, 2018 /
 
Ha jól látom, itt figyelembe vetted az erősítő bemenő impedanciáját is, mivel nem 8kH körül van a -3dB-s töréspont! Ezt az impedanciát mi alapján határoztad meg?

A 100kHz vég itt semmire se jó, mivel tnl inkább 3MHz felett használja, és ennek a csillapítása abban a tartományban érdekes, nem 100kHz-ig....
(#) ha1drp válasza sdrlab hozzászólására (») Aug 18, 2018 /
 
A szimuláció az RC hangfrekvenciás aluláteresztő szűrőre készült. A lezáró impedanciák csak közelítés. Inkább csak a konstrukció egyik gyengeségére hívja fel a figyelmet. A 2. rajzon a megduplázott LPF görbéje található, mely szerint az sem ad elfogadható eredményt.
(#) tnl hozzászólása Aug 18, 2018 /
 
Megépítettem a szűrőt az RC tag mögé, 100uH sorosan, utánna 10n párhuzamosan.

A mixer nélküli vétel csökkent, de kicsit még megvan.
Az oszcillátor tekercse 4.7uH ezzel a vevő 7Mhz és 16MHZ között használható.
Legalul a 40 m cw van.

Az eredeti vevőben az erősítő nem olyan mint az enyém, az első fokozat egy darlington,
aminek a feszültségét két 10Mohm ellenállás állítja be. Gondolom ennek a fokozatnak
nagy a bemeneti ellenállása. Ha a nagy bemeneti impedancia jobb, próbálkozhatnék
valamilyen olyan erősítővel. Eddigi HF erősítőmmel elégedett voltam, de ha van jobb!
(#) tnl hozzászólása Aug 18, 2018 / 2
 
Egy kis minta ma estéről, már az új szűrőmmel, 40m cw.

m.mp3
    
(#) sdrlab válasza tnl hozzászólására (») Aug 19, 2018 /
 
Nyilván a darlington fokozatnak vagy 2 nagyságrenddel nagyobb bemenő impedanciája van. Az akkor érdekes, ha minimalizálni akarod az emiatt fellépő veszteségeket(itt az antennától az erősítőd bemenetéig terjedő komplex impedanciára utalok, melyet az erősítőd impedanciája terhel)
Valamint a szűrő átvitelét is könnyebb úgy számolni, ha a vele párhuzamosan kapcsolódó impedanciát el hanyagolhatjuk, mert az nagy! Így nem nagy, ahogy most van, valamennyire csökkenti az RC időállandót. Ami megintcsak rontja a hozzávetőlegesen számolt csillapítást, adott frekvencián.

A 100uH hogy jött ki ? Csak mert annak kb van vagy 150kHz töréspontja, ami kevesebb, mint ami a béka feneke alá befér Oda sok mH-is induktivitás kell, hogy érezd a hatását, és valahol megközelítsd a korábbi 8kHz töréspontot....
(#) Kera_Will válasza tnl hozzászólására (») Aug 19, 2018 /
 
Ezt a oszci / kevero jel becsatolast finomithatod azzal hogy az emmiterbe kerul az oszci jelw.
Ehhez fel kell emelni az emmitert a foldtol,parszaz ohmos ellenallassal.
Igy a bazisba csak az antenna jel jut.
Emmitter oldalon lesz "rangatva" oszcijel utemeben az BE dioda.

Ami LC RC szurotagokat illetti jobb helyuk lenne a 2 hangfrekis pontosabban kevero tranzisztor utan.
Hangfekis erosito elott.
Ha mar nincsennek ott a diodak.
Következő: »»   144 / 278
Bejelentkezés

Belépés

Hirdetés
XDT.hu
Az oldalon sütiket használunk a helyes működéshez. Bővebb információt az adatvédelmi szabályzatban olvashatsz. Megértettem