Fórum témák

» Több friss téma
Fórum » Labortápegység készítése
Egyéb népszerű labortáp témák:
- SMPS labortáp
- Labortáp javítása
Lapozás: OK   697 / 847
(#) sdrlab válasza (Felhasználó 122012) hozzászólására (») Aug 18, 2018 /
 
Ide nem feltétlenül kell negatív segédtáp, mivel ezek az IC-k le tudnak menni 0V-ig is működésben.
(#) (Felhasználó 122012) válasza sdrlab hozzászólására (») Aug 19, 2018 /
 
Mint ahogyan feltettem az én működőképes tápomat, abban sincs, csak egy páran mégis olyat építenek.
(#) sdrlab válasza (Felhasználó 122012) hozzászólására (») Aug 19, 2018 /
 
Ízlések és pofonok.... ))
(#) (Felhasználó 122012) válasza sdrlab hozzászólására (») Aug 19, 2018 /
 
No igen … ennyi, de működik 24 éve.
(#) sdrlab válasza (Felhasználó 122012) hozzászólására (») Aug 19, 2018 /
 
Én elhiszem neked, miért ne működnie? ) Az általam tervezett tápokban sem szokott lenni segédtáp..., nem szeretem a velük járó macerát! Viszont így jobban meg van kötve az ember keze, mert az OPA-k csak kis része használható ilyen módon...
(#) Akashi hozzászólása Aug 19, 2018 /
 
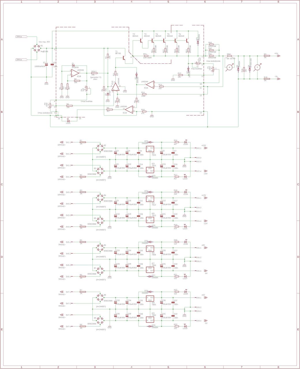
Én így építettem meg végül annyi változtatással, hogy BD242 helyett BD244, és a BD249 helyett BD911 került bele. Bár ahogy nézem egy darab TIP35-tel is működne mert az állandó aktív hűtésről egy ventilátor gondoskodik.
A tápellátást egy 24V 6A-es kapcsoló üzemű tápegység modullal oldottam meg.
A képen még félkész állapotban van. A hűtőborda nincs felszerelve, a ventilátor pedig a ház felső burkolatába van beépítve ami a levegőt befelé fújja. Ez ugye nem látszik a képen.

Az áramkör tökéletesen működik, de ami nagyon megszívatott az élesztés során, az a gagyi műanyag házas potméter.
(#) Hp41C válasza (Felhasználó 122012) hozzászólására (») Aug 19, 2018 / 2
 
A referencia áramkör indulása lehet bizonytalan. Ugyanis két állapota lehet:
- Ukiref > 0: Ekkor be fog állni a Ukiref = Uz1/R8 * (R8+R5)
- Ukiref = 0: Ekkor Iz1 = 0 miatt az Ukiref megmaradhat 0V -nak.
Ezen segít a negatív segédtáp.
(#) (Felhasználó 122012) válasza Hp41C hozzászólására (») Aug 20, 2018 / 3
 
1994-ben a kornak megfelelően ez állt rendelkezésemre.
Én így építettem meg ...
(#) MATA válasza (Felhasználó 122012) hozzászólására (») Aug 20, 2018 /
 
Gratulálok igényes szép munka és még mindig működik?
(#) (Felhasználó 122012) válasza MATA hozzászólására (») Aug 20, 2018 /
 
Igen, működik!
(#) Hp41C válasza (Felhasználó 122012) hozzászólására (») Aug 20, 2018 /
 
Szerencsés vagy! De voltak már ebből származó problémák.
A hozzászólás módosítva: Aug 20, 2018
(#) MATA válasza (Felhasználó 122012) hozzászólására (») Aug 20, 2018 /
 
Na ez a nem mindegy akkoriba még félvezetőket gyártottak és nem spórolták ki az anyagot a dolgokból!
(#) elektroncso válasza MATA hozzászólására (») Aug 20, 2018 /
 
Most sem spórolják ki az anyagot mindenből. De ahogy akkor sem két forintba került egy tranzisztor most sem annyiért fogsz megbízható alkatrészt kapni...
(#) Gabó válasza elektroncso hozzászólására (») Aug 20, 2018 /
 
Azért erre ne vegyél mérget... Fogyasztói társadalom van sajnos. Gariig húzza ki, utána kuka... Míg régen 100 tranyóból 2 jó ha hamis volt, manapság jó ha 2 nem hamis!
(#) elektroncso válasza Gabó hozzászólására (») Aug 20, 2018 /
 
Vettél 100 tranzisztort a MEV-től és abból kettő hamis volt? Azt mégis hogyan? Azok voltak az orosz kémek?
Nézd meg a világban mennyi műszaki cikk működik hiba nélkül. Akár a MASAT-1-et is fel lehet hozni példának mint hazai építésű berendezést. Abba talán nem jutott hamis alkatrész? Nem azt mondom, hogy nincs hamis alkatrész, de ma is gyártanak megbízható, üzembiztos alkatrészeket, de ne a tucatáru BC337 között keresd.
A hozzászólás módosítva: Aug 20, 2018
(#) Gabó válasza elektroncso hozzászólására (») Aug 20, 2018 /
 
Ki beszelt, hogy a gyartotol vasarolt alkatres a hamis? Ha hiszed ha nem, regen is megoldottak, az atirast...
Most meg eleg, ha felmesz az ebay, vagy ali oldalra, es annyi hamisat talasz, amennyit akarsz... sott, olvastam, hogy itt a hestorba is vettek 2n3055ot, ami hamis volt...
(#) elektroncso válasza Gabó hozzászólására (») Aug 20, 2018 /
 
Ja ebay meg ali ott biztosan van hamis, nem mondtam, hogy nem. De olyan áron is árulják. A megbízhatóságot meg kell fizetni. Amit olcsóért kapsz a jelzett oldalakról az is lehet, hogy nem hamisítvány, szimplán a selejtet adják el, jobb esetben olcsóbban. De ez nem új keletű. A 60-as évek NDK-jában is árulták az amatőröknek a selejtet, azokat az alkatrészeket amik nem feleltek meg a paramétereknek. Gyakran felirat nélkül hozták forgalomba az alkatrészeket zsákba macska módjára. De sok amatőr hobbista örült neki, hiszen olcsó volt és amatőr körülmények között megfelelt. Ha meg az a hobbi lényege, hogy megbízható és hosszú üzemű berendezést építsünk akkor azért fizetni kell.
Idézet:
„olvastam, hogy itt a hestorba is vettek 2n3055ot, ami hamis volt”

Az interneten olvastam, tehát igaz. Kíváncsi vagyok, hogy az ezt megállapító kolléga hogyan állapította meg, hogy hamis és nem szimplán selejt, ami belecsúszhat mivel ma a legtöbb gyár (főleg ahol tucatterméket gyártanak) csak szúrópróba szerűen ellenőriz nem mérnek át minden alkatrészt.
A hozzászólás módosítva: Aug 20, 2018
(#) Gabó válasza elektroncso hozzászólására (») Aug 20, 2018 /
 
Onnan, hogy a tag, itt irta a forumon, hogy onnan vette
(#) elektroncso válasza MATA hozzászólására (») Aug 20, 2018 /
 
Ezek tényleg érdekesen mutatnak. Főleg az amelyikben két chip is van. Tényleg hamisítvány lehet. Sajnos benne van a pakliban. Érdekességnek megjegyzem, hogy mink is ezeket használjuk a suliban (ez a legolcsóbb, a dákok meg úgy is tönkreteszik a drágát is) és van amelyik jól bírja a kiképzést és van amelyik azonnal elszáll. Pedig ugyan onnan vannak véve, ugyan abból a dobozból. Kívülről teljesen egyformák.
(#) pucuka válasza elektroncso hozzászólására (») Aug 20, 2018 /
 
Az sem hamisítvány, csak javított. Ui. a réz talp majdhogynem drágább, mint maga a chip.
A gyártás amúgy is válogatással készül, egy darab egykristály lemezen kialakított igen sok chipet, széttördelés előtt méréssel válogatják, a hibás darabokat jelölik. ezután széttördelik a jelölteket kiválogatják, a maradékot tokozzák. A felirat a jónak mért, tokozott tranzisztorokra kerül rá aszerint, hogy paraméter szerint milyen tranzisztornak minősíthető.
Ez a hamis dolog elég általánosan elterjedt, pedig nincs másról szó, minthogy a sorozatgyártásnak van szórása, van amelyik éppen hogy, van amelyik jóval túlteljesíti a dokumentáció paramétereit. Go - no go rendszer, és különböző minőség ellenőrzési eljárások. Végül is nem lehet minden egyes félvezetőt tönkretenni, hogy bírja-e. Egy gyártási sorozatból kiszednek random 100, abból 10 darabot, amit aztán megnyúznak. Ha ezekből a mintákból az előírt darabszám teljesíti a különböző mérések értékeit a sorozatot megfelelőnek minősítik. Minél szigorúbbak a vizsgálatok, annál drágább lesz egy félvezető.
A másik, hogy a felhasználó is hibás abban, hogy nem figyel a biztonságos üzemi tartományra, és jelentősen túlterheli az áramkörében, pl. impulzus szerű terheléseknél. (ki-, be kapcsolás, reaktív terhelés, stb.)
Különben is a világon csak néhány félvezető gyár van, mindenki ott gyártatja félvezetőit, ahol legolcsóbban megoldják neki. A félvezető gyártás (is) akkor olcsó, ha a darabszám nagy. Nameg azért van környezeti hatása is a dolognak.
A hozzászólás módosítva: Aug 20, 2018
(#) Hp41C válasza pucuka hozzászólására (») Aug 21, 2018 /
 
Mégis mekkora tok illetve chip méret kellene a IXGX320N60A3 elkészítéséhez (320A @ 25 °C), ha a "jó" 2N2055 -ben a chip mérete 5*5 mm és a maximális megengedett áram 15A @ 25 °C amennyiben nem változott volna a technológia? 320 / 15 * 25 = 533.33 mm2...
~ 23*23 mm. IGBT: Isolated Gate Bipolar Transistor - az áramot a bipoláris rész viszi.
(#) pipi válasza Hp41C hozzászólására (») Aug 21, 2018 /
 
Hali!
Én azon "szoktam" csodálkozni hogy ílyen bazi nagy áramot hogy bírnak a kb másfeles vastagságú alkatrészlábon átimádkozni.
Ezt az áramot folyamatosan tudja vagy csak impulzusban?
(Az adatlapot nem rágtam át)
(#) _BiG_ válasza pipi hozzászólására (») Aug 21, 2018 /
 
Mert rövid a láb, kicsi az ellenállása, ergo, a veszteség is kicsi marad. Az áramsűrűség az lehet jó nagy, ha tud hűlni, mi a probléma?
(#) Hp41C válasza pipi hozzászólására (») Aug 22, 2018 / 2
 
A chip -hez való kötés a legérdekesebb, különösen az emitter avagy a source elektródánál. Itt csupán a bekötő vezetéken (bond wire) megy az áram, aminek néhány .. néhány 100 um a átmérője! A kollektor ill. drain a hátlappal nagy felületen van összekötve.
(#) Akashi válasza Hp41C hozzászólására (») Aug 22, 2018 /
 
Én csak mint laikus, a józan paraszti ésszel úgy gondolom, hogy minden a hőelvezetésen múlik. Addig nincs baj amíg az anyag halmazállapotot nem változtat. Magyarul amíg nem olvad meg akármelyik vezeték, érintkező. Amennyiben a keletkező hőt el tudja vezetni valamerre, addig annyi elektron megy át rajta amennyi fizikailag lehetséges. Bár én ezt csak gondolom.
(#) Alkotó hozzászólása Aug 22, 2018 /
 
Milyen kapcsolata van az utóbbi sok-sok hozzászólásnak a labortápegységekhez?
(#) Akashi válasza Alkotó hozzászólására (») Aug 22, 2018 /
 
Igazad van. Teljesen OFF volt
Bár épp a tápegységem hűtőbordáját eszkábálom fel... Nem számolgattam, találtam egy bordát a padláson, belefaragtam a dobozba és közben elgondolkodtam, hogy vajon elég lesz-e?
A tranzisztoraim (BD911) az adatlap alapján max. 150C üzemi hőfokot bírnak elviselni. Ha sikerül felcsavarozni a hűtőbordát a tranzisztorokra (vagy inkább fordítva), akkor jön a teszt. Kíváncsi leszek.
(#) qvasz2 válasza Akashi hozzászólására (») Aug 22, 2018 /
 
Idézet:
„max. 150C üzemi hőfokot bírnak elviselni”

Ha jót akarsz, azt meg sem közelíted! Ráadásul az réteghőmérséklet, amit nem tudsz mérni, te csak a borda hőmérsékletét méred!
(#) Alkotó válasza Akashi hozzászólására (») Aug 22, 2018 /
 
Félre érted a hőfokot, mikor "150°C-t bír elviselni"-t írsz.
Mellékeltem egy részletet az adatlapból, amin a bal alsó ábra alapján látod, hogy 25°C-on még 90 W-ot tud disszipálni, de 80°C-on már csak a felét, és 150°C már semennyit.
És ez azért nagyon problémás, mert ha a terhelés közben állandó, akkor a melegedés folyamatos, és hamar átbillen a félvezető a pusztulásba.

BD911.jpg
    
Következő: »»   697 / 847
Bejelentkezés

Belépés

Hirdetés
XDT.hu
Az oldalon sütiket használunk a helyes működéshez. Bővebb információt az adatvédelmi szabályzatban olvashatsz. Megértettem