Fórum témák
» Több friss téma |
Hello!
- Pont úgy ahogy Trabath írja. De Te használhatsz bele szinte bármely TO220-as Fet-et is a 3W-os Led-hez. Vagy IRFZ24N Fet-et is. (Végül is SMD Fet-et is lehet használni, csak át kell a tokozáshoz tervezni a panelt.) - Igen, két záró nyomógomb kell. - Kb, 10,7..10,8V-nál fog lekapcsolni, a 10k és 33k pontosságától függően. - Igen, megfelel a három kép, de arra ügyelj, hogy a PCB nyák terv felülnézetben van ábrázolva. Tehát a nyák a tükörképe lesz. Vagy is ha helyes a nyák nézete, a rajta lévő felíratok (Pld. ACCU) olvasható lesz a nyákoldalról. - Az akkutöltődet közvetlen az askira lehet/kell kötni. (Vagy a panel "INP" +- pontjára, ahova az aksi is be lesz kötve. üdv! Gábor
A nyák terv módosítása minimális munka, mert a lábkiosztása ugyanaz a FET-eknek. A tokozás tér el, a TO220 tok lábtávolsága 2,54 mm, a TO251-é pedig 2,24 mm ha jól emlékszem, szóval ha szépen akarod csinálni akkor 2 lyukat kell egy 0,3 mm-el odébb tenni. Ha nem a szépségre mész, akkor kicsit hajlítasz a FET lábán.
![]() Én amúgy szeretek ilyesmi próbanyákon dolgozni: Bővebben: Link. Előnye hogy így nem kell nyákot csinálni, csak összekötni a megfelelő lábakat - ez viszont macerásabb mint egy kimart nyákba csak beültetni az alkatrészeket, ez a hátránya.
Nagyon szepen koszonom Fiúk a segitseget!
Akkor ki is nyomtatom a kepeket, es elkezdem az epitest! Remelem minden sikerulni fog!!! Elvileg eleg az 1mm2 vezetek mindenhova ugye? Koszonom!
A beültetésnél az 3 lábúak beültetésére figyelj oda, az fontos. A lábkiosztásokat megtalálod az adatlapon.
Szia Proli!
Kikapcsolt nyomogombbal ennek a kapcsolasnak van fogyasztasa? Vagy olyan, mint ha meg lenne szakitva az aramkor? Koszonom!
Hello! Kikapcsolt állapotban, néhány uA az önfogyasztása..Vagy is elhanyagolható az aksi önkisütési árama mellett..
Sziasztok.
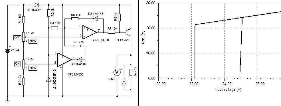
Megépítettem ezt a kapcsolást. Az lenne vele a problémám, hogy bárhova állítom potikat a relé tekercsén mért feszültség nem változik. Labortáppal adok neki feszültséget akkor úgy 15v fele bekapcsol a relé és úgy marad addig míg le nem kapcsolom. Potinak 2k-s trimmer potikat alkalmaztam. Egy napelemes rendszerhez lenne a kapcsolás azért ha az akku feszültsége eléri a 22v akkor kapcsolja ki a relét és ha feszültség visszamegy 25v fölé akkotr kapcsolja be. Ezzel egy szünetmentes 220-as oldalát szeretném vezérelni, hogy addig átkapcsoljon hálózati áramra amíg a napelem nem lép müködésbe.
Hello! Láthatod, a szimulátorban működik a kapcsolás. Így ellenőrizni kell az alkatrészek értékét és a kivitelezést is.
- Ha 24V tápfeszültséget kapcsolsz az áramkörre, akkor P1 csúszkáján 13V-ot, míg a P2 csúszkáján 11,6V-ot kell mérned. (Az értékeket célszerű beállítani a trimmerekkel. A beállítás után, célszerű a 24V-ot alúlról közelíteni meg, hogy a hiszterézis ne befolyásolja a próbát.) - A zéneren mért feszültségnek 12V-nak kell lenni. - Mivel ekkor a P2 feszültsége még kisebb mint a zéner feszültség, így az IC 1-es lábán még magas szintnek kell lenni. (Ez kb. ekkor 22,6V-ot jelent, de minden estre lényegesen magasabb mint a zéner feszültsége. És így a D2 dióda zárva van.) - A P2 feszültsége ekkor magasabb mint a zéneré, így az IC 7-es láb feszültsége alacsony szintű (kb. 0..1V). Így a relé meghúzott állapotba van. Az IC 5-ös láb feszültsége ekkor a zénet feszültségén van, mert a D3 dióda zárva van. - Ha emeljük a feszültséget 25V fölé, akkor az 1-es láb feszültsége átvált alacsony szintre. Ekkor az 5-ös láb feszültségét D2 dióda lehúzza P1 feszültsége alá, így a 7-es láb magas szintre kerül, és a relé kikapcsol. - Ez az állapot fennáll addig, míg a tápfeszültség 22V alá nem csökken. ÉS ekkor a relé ismét elejt. Tehát kb. ezeket kell mérni és az alkatrészek értékét ellenőrizni.
Elfejtettem leírni, hogyan lehet a legegyszerűbben beállítani a kívánt kapcsolási pontot..
- 24V mellett megméred a zéner feszültségét. - 22V-nál beállítod P1-vel a zéneren mért feszültséget, a trimmer csúszkáján. - 25V-nál beállítod P2-vel a zéneren mért feszültséget, a trimmer csúszkáján. - Ez után már csak 20..26V között, oda-vissza ellenőrizni kell a kapcsolás értékeket.
Köszönöm a segítséget. Működik az áramkör. Egy hibás forrasztás volt a ludas.
Üdv! Próbálkoztam, főleg kísérleti jelleggel egy hasonló házi védelemmel. A beállítás kicsit macerás, lényegesen egyszerűbb és egy éve működik.
Sziasztok.
Atolvastam az osszes oldalt a temaval kapcsolatban de nem talaltam nekem megfelelo kapcsolast. Tobb hordozhato boomboxot epitettem hobbi szinten de meg egyikbe sem tettem akkumulator vedelmet. Van valakinek erre otlete?Kapcsolasi rajza? 4-7Ah-s akkukat hasznalok . A problemam,hogy nagyobb basszusnal,magasabb hangeron azert ne tiltson le. Ilyet vettem viszont ahogyan a feszultseg esik szazadonkent ,sipol majd kattog a rele... https://kepkuldes.com/image/KKBd3q A segitseget elore is koszonom!
Hello! Mondjuk nem írtad az aksi feszültségét és az erősítő áramfelvételét..
De vélhetően a hiba részben abból adódik, hogy az aksi feszültsége felugrik,mikor leold a relé. Így ha kicsi a hiszterézis, egyből vissza is kapcsol. Gondolom a hiszterézist durván növelni kellene, pld. úgy hogy csak egy nyomógomb megnyomására kapcsoljon csak be. Másik, hogy a feszültség figyelésnél nagyobb szűrés kellene, hogy a végfok rángatása ne hasson még. Valamint nem tudom, hogy elég puffer van-e a tápon, hogy a végfok rángatási abból pótolódjanak.
Az akkuk 12voltosak .Proba keppen egy 21W-os izzot kotottem ra es igy probaltam ki a vedelmet...
Nem ismerem ezt az áramkört, így a rajzát sem. Az izzó a hidegellenállása miatt nem a legjobb teszt eszköz. Persze ez csak bekapcsoláskor gond. Én egyébként így próbálkoznék.. Ha a kapcsolt oldal lehet a negatív szálon, akkor "meg lehetne fordítani", Vagy is minden NPN-PNP, PMos-NMos lenne. A kondikat, diódákat, tápot meg lehet fordítani. Mert NMos-ban bikább és olcsóbb Fet-ek vannak.
Grátiszban kikapcsolva nincs fogyasztása, bekapcsolva is csak 2mA, valamint két nyomógombbal az erősítő be-ki kapcsolható..
Koszonom a segitseget!
Osszerakom ezt a kapcsolast egyenlore a rajz szerint. Meglatom hogyan szuperal. A lekapcsolast melyik ellenallassal tudom majd allitani? (Az IFR az inkabb IRF ugye?) A hozzászólás módosítva: Ápr 14, 2020
A lekapcsolást nem lehet állítani, de nem is kell. Az oka, hogy nem kritikus. Az aksi feszültsége kimerüléskor rohamosan esik le. A lényeg a lekapcsolás, hogy utána visszaállhasson a névleges feszültség. Egyébként az értékét a zéner könyökfeszültsége, a két tranyót nyitó bázis-emitter feszültség és a dióda nyitófeszültségének összege határozza meg. Ez valahol 10.5V körüli értéket ad ki.
A feszültség dinamikus csökkenése miatt a feszültséget a kondi tárolja. De a szükséges tárolási időt kísérletileg kell megállapítani. Mert nem lenne gond ha túl sok, csak a nyomógombbal történő kikapcsolás így időt vesz igénybe. Avagy hosszan kell nyomni. Mivel az emitterkövető bázisárama nagyon kis árammal terheli a kondit, lehet hogy a kondival, vagy a diódával párhuzamosan kell kötni ellenállást, pld, 100kOhm-ot. De a kondi értéke is csökkenthető. (Persze elírtam a Fet nevét..) A hozzászólás módosítva: Ápr 14, 2020
Ilyen helyen csak kis-teljesítményű zénert szabad alkalmazni. Mert a zénerkönyök feszültsége még annak is 5mA mellett van megadva. Itt pedig a lekapcsolás 0,5mA környékén van. Egy 1.2W-os zéner könyöke sokkal lekerekítettebb, tehát kis áram esetén sokkal kisebb a könyökfeszültsége mint a névleges értéke. Tehát a ZPD megfelelő, de a ZPY aligha.
Szia! Szeretn ém ezt a kapcsolást megvalósítani. A hestoréről rendelem meg az alkatrészeket, de nem tudom mi a neve a két kapcsolónak az s1 és s2-nek. Azt hogyan rendeljem? Ha segítenél megköszönöm. Egyébként remélem működik mert nem tudok eligazodni itt a sok hozzászólás között.
Az S1-S2 azok záró nyomógombok. Pl https://www.hestore.hu/prod_10022469.html
Persze csak ha erről a kapcsolásról van szó.
https://www.hobbielektronika.hu/forum/topic_post_2093183.html#2093183
Köszönöm, erről van szó! Rendelem a kapcsolót is. Még egy felesleges kérdést engedj már meg! Van univerzális nyákom. Arra, hogy lehet a nyomtatott áramkört rávarázsolni? Itt nem találok erre való topicot, csak nyers nyák készítést.
A hozzászólás módosítva: Nov 2, 2021
Ez egy elég egyszerű kapcsolás univerzális nyákon is meg lehet oldani attól függ milyen az a nyák a furatok mind külön vannak rajt a saját forr szemükkel? Mert annál ugyan így be kell ültetni az alkatrészeket majd a nyákrajznak megfelelően össze kell kötni ónnal a vezetősávokat. Arra kell vigyázni hogy Proli007 nyákrajzai mindig úgy vannak rajzolva ahogy a beültetés felől nézzük.
Értem és újra köszönöm! Ilyenem van amit a képen csatolok. Tehát fentről az alkatrrészek felől kell nézni a vezetősávokat.
A hozzászólás módosítva: Nov 2, 2021
Igen ez olyan amit írtam igen onnan kell nézni.
Hello! Elkészítettem a pöttyöspanelhez a tervet, hogy egyszerűbb dolgod legyen. Most a forrasztási oldal képét megfordítottam számodra. Beülteted az alkatrészeket a megfelelő helyre, majd az alkatrész felőli oldalról "megpöttyinted" a lábakat. Megfordítod és a forrasztási oldalon összekötöd a pöttyöket, akár egy vékony csupasz vezetéket is használhatsz. A piros vonal, az alkatrész oldalon elhelyezett szigetelt vezeték.
|
Bejelentkezés
Hirdetés |



















