Fórum témák
» Több friss téma |
- Ez a felület kizárólag, az elektronikában kezdők kérdéseinek van fenntartva és nem elfelejtve, hogy hobbielektronika a fórumunk!
- Ami tehát azt jelenti, hogy a nagymama bevásárlását nem itt beszéljük meg, ill. ez nem üzenőfal! - Kerülendő az olyan kérdés, amit egy másik meglévő (több mint 17000 van), témában kellene kitárgyalni! - És végül büntetés terhe mellett kerülendő az MSN és egyéb szleng, a magyar helyesírás mellőzése, beleértve a mondateleji nagybetűket is!
Bocs! Nem figyeltem, hogy egy piros gomb megnyomása már probléma!
Tudna valaki itt elektronikai muszerészt ajánlani vagy aki vállal pár apro forrasztást ledekhez? Vagy hol kellene ilyen illeltöt keresnem?
Elöre is köszönöm!
A probléma ott kezdődik, hogy értelmezhetetlen az írásod.
Apróhiredési részleg?
Ha csatlakoztatom az Usb t a laptophoz nem ismeri fel . vagyis ha csatlakoztatom az Usb t a leptophoz nem tudom megyitni a leptopban az Usbt?
vagyis nem nyitja meg a leptopom az Usb levö dolgokat pl filmet zenét stb
Fussunk neki megint:
- Könnyen lehet külső, megfelelően hangos "pót kagylót" csinálni. - Bele lehet nyúlni a "hibrid" áramkörbe, hogy az az oldala hangosabb legyen. Azért típus/fénykép jó lenne... Az LM386 és társai marhaság (szerintem), de nem értek hozzá... A hozzászólás módosítva: Dec 25, 2018
Vagy a pendrive rossz, vagy az usb slot, vagy épp egyik se, csak sérült az fs. Ennek semmi köze ehhez a témához, ez r=1 pc user support.
Szia!
Légyszíves írd le hogy mit szeretnél, mert akkor nagyobb az esély hogy valaki segítsen. Én mindenben támogatlak.
Biztos, hogy a laptopod tudja kezelni a 3.0-s eszközt? Erről nem írtál.
Sziasztok!
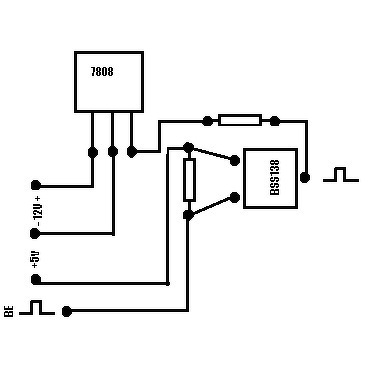
Akkumulátor 12V-ből egy pic-el tudok csinálni pl. 100Hz 6v os jelet ami úgy működik hogy van egy 7806 és egy mosfet ellenállásokon keresztül kiadja a jelet. Skópon szépen látható hogy 0V-tól felfelé van. Úgy gondolom egy a High side. Most gy olyat kellene csinálnom hogy Low side. De nem tudom ez mit jelenet? 0v-tol lefelé van a jel? De akkor hogy tudom 12V-bol megcsinálni?
Szia!
Ha már van 100 Hz-es jeled, annak van felfutó éle ( 0> 6 V ) és lefutó éle ( 6 V > 0 ). A szkópodon láthatod mindkettőt. Ha mégsem látsz lefutó élt (?), akkor célszerű lenne lerajzolnod, mit jelent nálad ez: "..van egy 7806 és egy mosfet ellenállásokon keresztül kiadja a jelet.." Így érthetetlen. A high side és low side inkább máshol használatos kifejezés. A hozzászólás módosítva: Dec 26, 2018
Bisztos ferci , hogy a laptopom tudja kezelni a 3.0-s eszközt mivel azelött müködöt mielött a kocsibam hallgattam az Usbröl a zenét egy Fm transmiteren keresztül.De egyszercsak se szó se beszéd megált az ének és anyi.
Oké.. a többi lehetséges okot már beírták. Ha másik pc-n vagy laptopon ki tudod próbálni, közelebb kerülsz a megoldáshoz.
azóta nem müködik az Usbm se leptopon se sehol
Akkor annak vége...- gondolom, egy másik rádugott pendrive működik, ezt is kipróbáltad, hogy a transmitter jó..
A hozzászólás módosítva: Dec 26, 2018
Igen ki de ugy müködik , de nem lehetséges ezt az Usb javitani?
Valamelyik topikban van erről szó, de leginkább reménytelen..
1. lépcső: jó nagyító, nincs-e törés, repedés.
Meg egyszer a kérdésedhez: remélem, a pic tápfesz csak a megengedett érték, adatlapjában megnézed. Utána jön egy logic level fet megfelelő illesztése a pic által kiadott 100 Hz jelhez.
Az se mindegy, hol van a "terhelés", amin meg akarod nézni a végső 100 Hz-et. Ezt kell leskiccelned, hogyan oldottad meg. Ebből már kiderül talán, egyáltalán jó-e az elgondolásod.
Majd ha te is 90 éves leszel (mint az Anyukám) és nem nagyobbal, csak hasonló memóriazavarral küzdesz ,majd akkor válaszolhatsz magadnak, hogy ez probléma-e ,vagy sem? , ha válaszolás közben nem felejted el, hogy mit is akartál mondani??!!
Mind emellett vannak itt szerencsére olyanok, akik értették az első hozzászólásomban feltett kérdésemet (pl. "pucuka" "Epu2" ) és arra válaszoltak, nem pedig valami egészen más -a kérdésemhez köze nincs- megoldást próbáltak tálalni! Erről ennyit.
Szia!
Ez 400Hz. Gondolom High side. Hogy lesz low side?
Sziasztok! Lenne egy olyan kérdésem, hogy van egy 1000Mw-os zöld lézerem. Na most nem nagyon akar égetni még fókuszálva sem.Lehetséges feltuningolni valahogy. Vagy létezik olyan , hogy bevonják a lencsét valamivel ami meggátolja, hogy égessen? Vagy honnan tudhatnám meg , hogy mekkora a teljesítménye valójában?
Nem 1000MW (Megawatt), hanem 1000mW (milliWatt)-os lézered van. Mérd meg a feszültséget a diódánál, és, hogy mennyi áramot vesz fel. Ha kapcsolóüzemű az áramgenerátora, akkor a felvett teljesítménynek kb. 90%-a jut el a diódáig. Hogy ebből mennyi kilépő teljesítmény lesz, azt nem tudom megmondani, de biztosan kevesebb!
Először fogalmazd meg szabatosan, hogy mi a feladat.
Sziasztok! Először is Kellemes Ünnepeket!
A kérdésem a következő lenne : Szeretnék csinálni egy képkeretet amibe RGB ledek lesznek,ez természetesen 12V-os. A hossz méret 129 Cm,ezen 39 db RGB led van. Nem szeretném drótosan működtetni ezért úgy gondoltam hogy tennék bele 3db 18650 es Akkut (persze jobb minőségűt) Ez ugye feltöltve 12,6V. A kérdés hogy ez mennyi ideig működtetné? Kivezetést csinálnék a töltésre,és IMax6-al tölteném. A kérdés hogy időben mennyit világítana. Ha ez így nem elég csinálhatnám 4S-es esre is viszont az már 16,8V feltöltve,oda gondolom ellenállás kellene a kimenetére. Ebben tudna valaki tanácsot adni? Köszönöm!
A kérdéseid kb. olyanok, hogy "van egy autóm 2 literes motorral, hány lóerős"? Konkrétumok nélkül nehéz bármit mondani.
Ami biztos: LiION cellán névleges feszültsége 3,7V, a teljesen töltött cella terheletlen feszültsége 4,2V, a teljesen lemerülté olyan 2,8-3V között van. Szóval ha 12V kell, akkor 4 cella sorban. A fogyasztás nyilván a LED-ek fogyasztásától függ. Az ellenállás nem az igazi, ugyanis nagyon nagy a feszültségváltozás, és így használval amit egy LED nem fogyaszt el, azt az ellenállás elfűti. Ha minden LED-et egyszerre kell hajtani (bár akkor miért RGB?) én inkább egy áramgenerátort használnék, kacsolóüzemű CC-CV buck konverter olcsón beszerezhető (ebay/ali/stb.). Vagy esetleg boost, vagy boost-buck konstrukció, és akkor kevesebb cellával is mehet, akár 1 cellával is, bár így nyilván kevesebb időt tud működni. Ami még fontos: a cellákat nem szabad túlmeríteni. Vagy olyan cellát kell venni amiben van védelem, vagy saját védelmet kell építeni, ami pl. 3V feszültségnél lekapcsolja a terhelést. És a lemerült cellát minél előbb töltsd fel, ne hagyd hetekig-hónapokig lemerülve, mert van önmerülése, és ha elég ídeig így hagyod akkor meghal.
Mit fog kezdeni szegény 12V-ra méretezett LED szalag, amikor a cellák fel vannak töltve, cellánként 4.2V-ra, 4 sorbakapcsolva kiad 16.8V-ot? A LED-szalag 40%-kal nagyobb feszültséget kap. Mondhatod, hogy esik a feszültség, hát akkor essen 4.2V-ról 4V-ra, 4x4 az 16V, még mindig 33%-kal nagyobb feszültséget kap a szalag. Vagy arra gondoltál, hogy 4S után egyből jönne egy step down koverter 12V-ra állítva?
3S-nél pedig ahogy merülnek a cellák, úgy csökken a LED-ek fénye, 9V-nál kezdenek el világítani az én szalagjaim. Vladcepes: RGB LED szalagot én nem táplálnék meg akkuról. Elég csak megmérni a 130cm szalag áramfelvételét, ebből lehet következtetni az üzemidőre. Pl. Nekem 1m szalag olyan 500mA-t fogyaszt. Ha az akksipakkod 2Ah-t tud, akkor 4 órán át fog világítani, egyre csökkenő fényerővel. A hozzászólás módosítva: Dec 26, 2018
Sziasztok! Lenne még egy kérdésem a 303-as zöld lézerrel kapcsolatban. Van rá mód, hogy fel lehessen tuningolni? Csak , hogy erősebb legyen. Meg, egyáltalán, hogy lehet szétszedni? Előre is köszönöm a válaszokat ja és kellemes ünnepeket.
Igen, arra gondoltam, hogy az akkuk után a stepdown (esetleg up, vagy up-down) konverter, és az mindig a megfelelő feszt adja neki, és szerencsés esetben jóval kevesebb a vesztesége, mint mondjuk ellenálláson elfűteni.
Szerbusztok. Tudna valaki gittelni egy Stalker IX-es CB rádió mikrofon bekötési rajzával.Elöre is köszönöm.
|
Bejelentkezés
Hirdetés |












