Fórum témák
» Több friss téma |
Fórum » Labortápegység készítése
Most elsősorban arra lennék kiváncsi, hogy ki milyen kapcsolót használ, és milyet ajánl. Nyomógombost, billenőst vagy karost? Esetleg konkrét típust?
Már csak azért, mert szerintem a labortáp-kapcsolások se nagyon örülnek annak, ha valami vacak kapcsoló elkezd ott prellezni, de azért mégse kéne egy ló árát rákölteni egy kapcsolóra.
Ha rövidre zárod a kimenetet úgy, hogy a vezetékeket összezárod kézzel, ott is ugyanez a "prell" van, mégsem okoz gondot.
A DC-OFF az nem a kimenettel sorba kötött kapcsoló. Ez a vezérlő áramkör része, ami egy pillanat alatt "letekeri" a feszültséget.
Illetve Proli007 kitalált még egy másik hasznos funkciót is, amit elektronikus-biztosítéknak nevezett el. Ez a beállított áramkorlát elérésekor tiltja le a kimenetet. Láthatsz rá példát az LPSU3A50V névre hallgató tápegységben.
Igen, nézegettem pár kapcsolást, látom hogy az áramkör része. De abban Kovidivinek igaza van, hogy ha a kimeneti rövidzár nem okoz problémát a tápnak, akkor itt se kellene a prellnek okoznia.
A polifuse témát néztem már régebben (vettem Tőled régebben egy LPSU panelt, bár most egy 324-es kapcsolással játszok), de ez annyira nem érint meg. Biztos hasznos, de én még nem látom, hogy hol venném hasznát ennek a funkciónak.
Igazad van, én sem akarom a E-FUSE funkciót nélkülözhetetlenként feltüntetni. De örülök a lehetőségnek, és csak rajtam múlik használom-e.
Igazad van, tényleg tök jó lehetőség, és biztos van olyan felhasználás ahol ez hasznos és/vagy szükséges. A félreértések elkerülése végett: nem "fikázni" akartam, csak nekem még soha nem volt rá szükségem.
Mindkét DC-off megoldásnak vannak hátrányai:
- Kimenettel sorba kapcsolt kapcsoló: A lekapcsolás gyors, a feszültség megszűnése a vizsgált áramkör belső szűrőkapacitásaitól, fogyasztásától függ. Visszakapcsoláskor a táp áramkorlátozott üzemmódba is kerülhet, a feszültség felfutása főleg attól függ, hogyan viszonyul a beállított áramkorlát és a vizsgált áramkör bekapcsolási fogyasztása. Ha a táp áramkorlát beállítása megengedi, a vizsgált áramkör normális indulását lehet megfigyelni. Ekkor nem szakad fel a táp szabályozása. - A táp belső pontjára kapcsolódó kapcsoló: Lekapcsolás lassú (az alkalmazott IC slew-rate -je, a további fokozatokban levő kondenzátorok kisülési, feltöltődési ideje). Visszatáplálás (a táp kisebb feszültséget szeretne kiadni, mit amekkora a vizsgálandó áramkor a táp vezetékein fenntart) is előfordulhat. Kikapcsolt állapotban a belső szabályzó hurok felszakad. Visszakapcsoláskor jelentős idő telhet el, amíg a szabályozási hurok tényelegesen működni tud, és fix kimeneti feszültséget ad a kimenetre. A tranziens során a kimeneti feszültségben túllövés is keletkezhet, a kimeneten a beállítottnál jelentősen nagyobb feszültséglökés is megjelenhet. Ezenkívül még a fent említett áramkorlátozós átmenet is bekövetkezhet. Szimmetrikus tápellátást igénylő berendezésekhez az un. kettős "tracking" táp lenne jó, amelyik figyeli a kimeneti feszültségeket és biztosítja, hogy a negatív és a pozitív feszültség minden időpontban ugyan akkora legyen.
Az LPSU-ban ebből a szempontból még a jobbik megoldás van, az áramszabályozást viszi nullára. Csináltam két szimulációt hogy hogy néz ki a kimenet a DC off kapcsoló le, majd felkapcsolásakor. A feszültség mindkét esetben 5V körül van, az elsőnél nincs, a másodiknál van valamekkora áramkorlát alapból, tehát a táp már egy picit áramkorlátos módban megy. Nem tettem oda kurzorokat, de nagyjából látszik hogy mennyi idő alatt szűnik meg a kimenet feszültsége, és hogy mekkora a tranziens feszültség a visszakapcsoláskor.
Olyan megoldást ahol mondjuk a szabályozó tápfeszültsége van megszüntetve semmi esetre sem szabad használni, majd mutatok arra is példát hogy miért nem. A kimenet relével történő lekapcsolása inkább nagyobb feszültségek esetén okoz gondot az ívkisülés miatt.
Ha esetleg az EM-1-be szeretnél ilyet akkor kijelöltem a vonalakat, illetve berajzoltam a nyákra hogy hova kell kötni. Az IC 6-os lábát kell egy 22k-s ellenálláson és a kapcsolón keresztül összekötni a 9V-os táppal. Amikor a kapcsoló zár, akkor a 22k-n keresztül feszültséget kapcsolsz a 6-os lábra, amitől a minimum áramkorlát áll be, lecsökken a kimenet feszültsége.
Természetesen mivel ez a táp jelen formájában nem tud a nullára menni ezért ilyenkor sem fog, hanem a minimálisan beállítható feszültség lesz ott, az a fél volt vagy éppen amennyi. Az IC tápjának elvétele szerintem nem szerencsés, de arra már nem emlékszem hogy olyan esetben minként indul el.
Szia ! Köszönöm ! Most ezen agyaltam és számításba vettem , hogy az áram potméterhez , ha beszerelek egy kapcsolót , akkor az 1M Ohmos ellenállás , miatt az áram lemegy minimális szintre .
Akár úgy is jó. Az 1M pont azért van ott, hogy ha megszakadna vagy kontakthibás lenne az árampoti akkor a műveleti erősítő ott biztosan 0 voltot lásson.
Szuper , szerintem ki fogom próbálni .
Korábban említettem, hogy működik a táp és bedobozolásra vár (valamikor októberben ) ...
Nem ez az első "dobozolásom" és szabvány dobozokat használok ... K..va nagy meló volt, nem gondoltam volna. Korábban írtam, az előlapja 3. -ra lett jó - nekem. Igazából adott helyre kellett berakni a 2 db. táppanelt, 1 segédtáppanelt, 2 db. méretes hűtőbordát a FET-nek, 4 db. ventillátort, 1 db. 350VA -es toroidot, 2 gyerekkéz nagyságú helipotot, 2 db. "mezitlábas" helipotot valamint a 2 kijelzőt és persze hely kell a banán aljzatoknakés vissza jelzőknek, kapcsolóknak. Szerettem volna bele - nem hiszem, hogy belefér még emeletesen sem - a ventillátorok hőfokfüggö vezérlését. Bátran ki merem jelenteni, hogy onnantól számítva, amikor mindkét panel "elindult", még a meló 2/3 -része hátra volt. Csatlakoznék Alkotó megjegyzéséhez: célszerű úgy kialakítani az előlapot, hogy "munka közben" a vezetékek ne legyenek útban és "kézre álljanak" a kezelőszervek. A LED -ek cseréje miatt valamikor szét kell szednem, teszek fel képeket - vitatkozzunk egy kicsit, ki mit csinált volna másként ...
Egyetértek veled , hogy a dobozolás egy még nagyobb munka . Sajnos sokszor megalkudok önmagammal és a hibátlan elektronika egy kicsit szerényebb dobozba kerül . A labortápon , most nem kapkodnám el ennyire . Az előlapot legalább szeretném nekem szépre elkészíteni . Nagyban segítene a dolgon , ha vennék egy szép műszerdobozt és az előlapot kimaratnám , de ez nem az én világom egyenlőre . A vezetékek kicsit furcsa helyen vannak , de pont nem zavarnak , bár meg tudnám emelni a panelokat és hűtőbordákat , így helyet nyernék alul kivezetni . Így viszont ennél a 23 cm magas doboz előlapját is legalább 5 cm - el meg kellene emelnem , ami nekem , már sok egy kicsit . A labortápon mindkét csatornát könnyen tudom szabályozni a vezetékek nem akadályoznak és a műszerek is jól láthatóak maradnak . A probléma a kevés pincében , műhelyben töltött idővel van . Most is a munkahelyemen vagyok . A családdal is sokat kell foglalkozni . Alig várom , hogy este folytathassam végre !
Egri Frédi a Te dobozolásod nekem nagyon tetszett . A ledek fényereje , ha neked megfelel , akkor nem cserélném a helyedben .
A dobozolás szépsége teljesen másodlagos. Kb. olyan a szép doboz, mint az angol feliratok, azaz otthonra indokolatlan. Semmiképpen sem jó ha gyári dobozminőséget várunk el magunktól.
Sokkal-sokkal fontosabb a jó előlapi elhelyezés, a szükséges mechanikai stabilitás elérése, az érintésvédelmileg elfogadható szerelés, és a korrekt elektronikai megoldások beépítése. Mindent ennek kell alárendelni. Itt a fórumon is látni olyat, amikor viszonylag korrekt dobozban vitatható belbecs van. Ezt én megfordítanám, és legyen belül minden átgondolt, műszakilag indokolható és rendezett, legyen az előlap kényelmes, és az egyáltalán nem baj ha látszik az előlapon egy-két csavarfej, vagy csak kézzel irkáltuk fel a kezelőszervek funkcióit. Persze nem baj ha lehetőségeink szerint igyekszünk szépek is lenni, de csak éppen annyi energiát fektessünk ebbe, amennyit megér nekünk a dolog. Példának hoznám fel egyik saját építésemet. Ez semmiképpen sem eladható dobozolási minőség, de nagyon jól átgondoltam. 3 falap az egész, teljesen betolható a falhoz a polcon (nem áll ki csatlakozó), szép és praktikus az előlap, és mai napig a jelenlegi formájában használom. Ez az.
Valóban szép, csatlakozni tudok az ott felszólalókhoz.
Teszek fel képet a sajátom belsejéről és a "vásárolt, gyári" táp belsejéről is - összehasonlítás végett. Na abból lesz majd egy jó kis vita még ...
Közbe rájöttem hogy ez így nem lesz jó, mivel ugye nem viszi nullára az áramot, így a kimenetet sem ha nincs rajta terhelés, csak a minimálisra állítja. A fesszabályozó körbe kell beavatkozni hasonlóan. Mondjuk nemes egyszerűséggel fogod a kapcsolót, és a földre kötöd vele a durva állító poti csúszkáját. Majd leszimulálom ezt is ha lesz rá érkezésem.
Rendben , köszönöm !
Sziasztok !
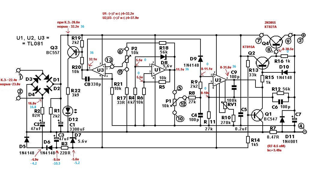
Adott ez a kapcsolás (egy kitt) amely dupla példányban jól müködik, viszont csak kb 50W-os trafóról megy így csak kb 1A leadásra képes. Meg szeretném építeni egy erősebb változatát , találtam itthol egy kb 400W-os toroidot, amely 2X20V, 2X24V, 2X36,5V/2,5A szekunder feszültségü. Megvannak hozzá az Oldalankénti 3db végtranyók ( 2n3055, BYS73, BD249C 2sd1047 vagy 2SC5200, stb meg hatalmas hütőbordák, sőt már a dobozát is készítem. Átkapcsolhatós változat lenne amely a 20V illetve a 36,5 V-ot váltaná a bemeneten egy billenő kapcsolóval. Így csak a 36,5 V-os akkor lenne használva, ha szükség lenne rá, egyébként a kisebbet használnám, ne fűtsön feleslegesen. Szerintetek nagy változtatást kellene e eszközölnöm a kapcsoláson, vagy elég ha nagyobb feszültségü pufferkondit rakok bele, és az IC-k TL081 tápfeszültségét úgy állitom be, hogy ne menjen a kritikus felé ? Ami nem egészen egyértelmü, számomra ugyanis az adatlapja szerint a VCC+ 18V a VCC-18V. Mivel az IC-k foglalatban lesznek a 7 lábuk kiemelésével könnyen tudom biztosítani a külön VCC+ tápot.Vagy érjem be a 24V AC bemenettel. A mellékelt kapcsolást a neten találtam, a kit-hez nem adtak, gondolom azért mert a panelon minden alkatrész helye feltüntetésre került, de teljesen megegyezik kittel, csak a tranyók mások.
Szia, úgy vélem, hogy itt be kell érned a 24V AC-val, mert az 33.8V DC lesz, a negatív táp a nullától 5.6V, ám a pozitívhoz képest ez már 39V, igy máris veszélybe kerültek a műveleti erősítők, mert azok ugye csak 36V-ot viselnek el a táp bemeneteiken. Egyéb bemeneteken pedig még kevesebbet. A negatív tápot lehetne csökkenteni a működés határáig.(?)...Igen, van olyan verzió, ahol ez csak -3V!
A hozzászólás módosítva: Jan 6, 2019
Műveletit kellene cserélni, vannak magasabb tápot bíró egyedek is, nem olcsó de 1x kell megvenni:
TME keresés Másik megoldás lehetne ha átalakítanád az áramkört, de akkor az új nyákot igényelne.
Uraim !
Ismeri valaki ezt a műszert ? Tipus, hol lehet venni, esetleg valami leírás ... A hozzászólás módosítva: Jan 6, 2019
Köszi, de ez valami - jóval régebbi - lehet. A mérete is más ...
32*67*15 mm
Alázatosan jelentem, létezik olyan duálpoti, aminek a 2 tárcsája más értékű. De, hogy hol lehet beszerezni ...
Szia.Szerintem Conrados alapműszer így első ránézésre,hozzá előlap tölcsér.
Itt van egy adatlap.
A vateran is volt egy hasonló nemrég link. Itt lehet venni: Link. Itt van az álistába: Bővebben: Link. A hozzászólás módosítva: Jan 6, 2019
Igen, 2 darabból áll - elég hülye módon. A hátul látható 2 anya, az előlapot "húzza be".
|
Bejelentkezés
Hirdetés |



















