Fórum témák
» Több friss téma |
Fórum » TV hiba, mi a megoldás?
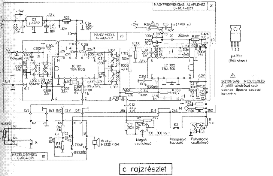
Ajjaj, a panelen más a számozás.
L303, L306 van...
Keress olyan rajzot, amelyhez az a számozás illik.
Azt hiszem ez a rajz jó.
A panelen L301 302 303 304 van jelölve, a rajz szerint, melyeket kellene állítani? 303 és 300 mellett van 5.5 MHz jelölve...
Egy másik rajz szerint az L301 és az L303 tartozik az 5,5MHz-hez.
A hozzászólás módosítva: Jan 13, 2019
Hálásan köszönöm!
És hogyan kezdjek hozzá? Bekapcsolom, jó képet állítok, és melyiket kezdjem mozgatni?
Kezdd a 301-el, ez a bemeneti szűrő. Állíts be éles képet, majd addig tekergesd a vasmagot, amíg halk recsegő, torz hangot nem hallasz. Ezután a 303-al állíts be tiszta hangot. Esetleg még ezek után még állíthatsz az 301-essel, majd megint a 303-assal tisztázol.
Ha a hangolással nem sikerül jól beállítani, akkor a bekötéssel lesz a baj. Vigyázz, mert a porvasmagok könnyen törnek. A hozzászólás módosítva: Jan 13, 2019
Köszönöm a segítséget és türelmet!
Remélem sikerül! Nagyon örülök!
Hiába csavargatom, nem hozza a jó kep alá...
Ha a jó hangra állok, el tudom állítani a hangot, de úgy nem, hogy jó minőségben odébb kerülne a skálán, közelebb a képhez...
Nem jó minőségű kép mellett van jó hang?
Igen!
Bár jól elcsavargattam... Próbaltam úgy is, hogy a jó hangra alltam, es csavargatas mellett megpróbaltam kifigyelni, merre mászik a jó hang, de nem igazán került közelebb a jó képhez, csak rosszabb lett fix helyen a hang. Erdekes meg, hogy a jó kép előtt és utána is van valamelyest hang... A hozzászólás módosítva: Jan 14, 2019
Ha nem lenne jól bekötve, akkor nem szólna?
Ha a modul bemenete rossz helyre van kötve, például az eredeti hangdemodulátor szűrője után, akkor simán lehet olyan helyzet, hogy jó képnél nincs jó hang. Az intercarrier kép-hang demoduláció már csak ilyen.
Melyik "drótot" kellene átkötni?
Közben megnéztem a kistévé rajzát. Az a helyzet, hogy ezzel a modullal nem is lehet megoldani ezt a problémát, mert a készülék középfrekvenciás fokozata erősen csillapít az 5,5 MHz-es frekvenciához tartozó vivőfrekvencián. Neked egy ilyen paralel hangmodul kellene, amit a tuner kimenete és ennek az Orion hangmodulnak a bemenete közé kellene beépíteni.
Tyűha!
Köszönöm! Nem tudom, honnan szerezhetnék ilyet. Ez akkor, valószínűleg a vége a projektnek. Csak bontásból lehet ilyet szerezni?
Sajnos nem igazán kapható, úgyhogy bontani kell valamilyen roncsból. Bővebben: Link.
Szerintem sok fiókban lapul ebböl az apróban keresd biztos fognak ajánlani.
Itt a hirdetesek közt nem találtam, és a neten sem leltem belőle, kivéve a megadott linket.
Ha esetleg akadna vépetlenül valakinek, valamikor, nagyon érdekelne. Tv szervizben is kérdeztem, de kinevettek az orosz tv-vel. Azt mondták, kétnormás színes, tökéletes tv-ket nem tudnak eladni 2000 forintért sem... Kedves kis készülek ez a tv, orosz létére szerintem szép is... Talán a szerencse egyszer...
Esetleg ez a modul ? Lehet használható lenne.
A hozzászólás módosítva: Jan 14, 2019
Jónak néz ki, remélem adnak hozzá leírást.
Ezt a meglévő helyére lehetne beépíteni?
A hozzászólás módosítva: Jan 15, 2019
"a tuner kimenete és ennek az Orion hangmodulnak a bemenete közé kellene beépíteni."
Sziasztok!
Nemrég vásároltam párezer forintért egy Siljalis orosz mini tv-t, mert szerettem volna egy működő példányt egy retro bemutatóra. Régi videomagnó jelét tettem -volna- rá. A drágaság kb. 30 percet működött, aztán a képe elkezdett halványulni, ugrálni lefelé, és idővel már semmi nem jött be a képernyőjén, ahogy a kínai tv-szerelő neve mondja "Hang van, kép nincs". Egy darabig még lehetett a hátsó potméterekkel állítani, aztán az elülső csatornahangoló tekergetésére még vissza-vissza jött a kép (mintha alulra irányította volna egy megbolondult potméter), aztán kifújt. Ezért szereztem ismerőstől ugyanilyen tv-t, gondoltam a kettőből majd lesz egy működő valahogy. Ez a példány működött, de rettenetesen nézett ki, így kitakarítottam. Nem kellett volna... Ő is kb. fél órát dolgozott normálisan, aztán ugyanúgy búcsút inthettem a működésének, a függőleges eltérítés akadozott, majd teljesen kiment. Néha egy - egy csatornaváltáskor visszatér a kép, aztán ugrik párat és jön a vízszintes csík. A videómagnó jó, nagy tv-n tökéletesen üzemel, tehát vagy nem érdemes már ilyen régi készülékekkel foglalkozni, vagy hihetetlen peches voltam. Arra lennék kíváncsi, tud -e valaki megoldást javasolni, mit nézzek meg rajta, hátha van olyan típushibájuk, ami egyszerűen megoldja a problémát. Köszönettel várok javaslatokat.
Sziasztok!
Egy VL 100-as készülékröl lenne szó. Röviden semmit nem csinál,se kép se hang,tápfeszültség van a bemenö dugaszban. Még sokat nem mértem,de a panelokon sehol nincs feszültség.Természetesen tovább méregetek majd,viszon van a készüléknek esetleg valami tipushibája ami miatt ez a gond? Van ebben a készülékben valahol biztositék? Köszönöm elöre is a segitséget.
Nekem is volt Shiljaris TV-m. Elég sokáig ment, de én legelsőre a tápegységét cseréltem ki (a germánium tranzisztoros áteresztős tápját egy mezei stabkockára)
Fő hiba többnyire a kapcsolókban rejlik, legyen az sima tolókapcsoló, vagy egyenesen a csatornaváltó! És meg lehet még említeni hozzá a potenciómétereket. Akár a két nyákon a csavarhúzós állíthatóakat, akár a gombbal mozgatható kézieket (fényerő, hangerő, stb.). És persze - az összes forrasztásra érdemes egy kissé "rámenni". Az orosz forrasztóón valamiért nem volt sohase világmárka.
Van ebben a készülékben valahol biztositék?
Elvileg a tápegységében van, s mellette talán az egész cuccot stabilizáló áramkörben. Ott van az a 24 voltos villanykörte, ami valami átfolyó áramot figyel, s azzal vezérel mindent. (a gyakorlatban valami áramgenerátor, vagy mi a sz@r lenne a funkciója) Persze Shiljarisból volt a kétsávos /kétnormás/ (VHF és UHF) LK-16"-os képernyővel, meg ott volt mellette a kisebbik méretű (tetején hordfüllel) az elhíresült VL100-as. (szintén LK-16"-os képernyővel - és persze fekete-fehérben!
Szia!
Villanykörte?Szó szerint az vagy ilyen alakú alkatrész?A tápegységben van külön? A tápegység végülis leadja a kivánt feszültséget,a tv belsejében "akad"el.
Kapd szét magát a tv-t. Ki kell csavarozni a képernyő feletti és alatti két csavart, levenni az antennát, majd a hátulján két csavart oldani, s az egész doboz lejön róla. Természetesen a kapcsolókat is óvatosan le kell feszegetni mindenhonnan. Figyelj, hogy a hátulján ne a négy körben található csavart lazítsd meg, hanem a középtájtól felfelé esőket jobb és bal oldalon. Elképzelhető, hogy kékeszöld viaszpecsét van a helyükön, ha a készülék még nem volt szétszedve. Ha így van, elsőként ezt a gyurmaszerű masszát piszkáld le róla.
Ha lejött a ház, valamelyik oldalán lesz benne egy klasszikus ruszki biztosíték, ha szerencséd van, ezzel a filléres alkatrészcserével megoldódik a problémád. Ha mégsem, a két oldali panel széthajtható, mindössze 2-3 apró csavart kell oldani ehhez. Itt már vigyázz, mert a nagyfesz panel matatása bedugva nem játék... Én az enyémen mindent átforrasztottam, de semmi javulás. Valószínű egy kondi vagy ellenállás feladta a küzdelmeit. Sztem. az az igazság, hogy ezek a 40-50 éves ketyerék már csak érdekességként fognak fennmaradni, hiszen teljes felújítás nélkül mindig lesz egy - egy apró szar bennük, ami épp kiszárad, tönkre megy, kilazul, stb. Sajnos. Ellenben újabb 30 év múlva biztosan kuriózum lesz birtokolni, akár működésképtelenül is. Tuképpen. hiába jó a képernyője, alapvetően már ma sem lehet semmire használni, ami az eredeti funkcióját illeti.
A VL-100-ashoz -ha még nem kutakodtál utána- itt egy leírás, ami első próbálkozásokban segítségedre lehet. Nekem nagyon jól jött, mikor először szedtem szét ilyen tv-t:
http://oldradio.tesla.hu/szetszedtem/059vl100/vl100.htm Nagyjából mire számíthatsz belül... |
Bejelentkezés
Hirdetés |








