Fórum témák
» Több friss téma |
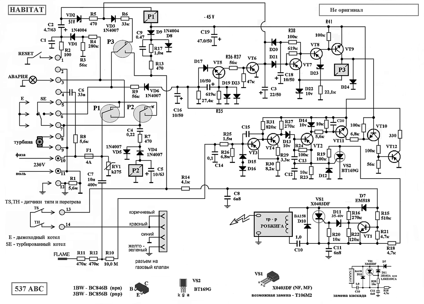
ha irsz privatba küldök rajzot udv.ISTVAN
RAJZ 537 ABC
Szia István.
Nagyon szépen köszönöm. Üdv. Palotai Sándor
Keresnék egy Themmomax Inka kazánvezérlőbe hálózati trafót. Sajnos sehol sem találok ilyent és elég sürgős lenne ugyanis se fűtés se melegvíz az ismerősöméknél addig amíg nem lesz ilyen trafó.
Egybe nehezebb találni, de 2-3db kis teljesítményű trafóból minden gond nélkül összerakhatod ami kell. Kicsit nagyobb helyet foglal, de ha nincs más lehetőség... Meg kell nézni, hogy használhatsz-e a 2db 9V-os kivezetéshez 1db szimmetrikus trafót. Ekkor egy 2x9V-os meg egy 1x10V-os trafó kell.
Sajnos a panel doboza a helyhiány miatt elég kicsi, így nehezen,sőt egyáltalán nem rakható bele, a két trafó. De a lábkombabilitás is gondokat okoz az elhelyezésben. Most provizórikusan megpróbálom megoldani ezt a kéttrafós megoldást, de végleges megoldásnak nem valami jó. Van itthon 2 darab 2x9V-os trafóm, ma délután megpróbálom működésre bírni a kazánt! Köszönöm a segítséget!
Azért nézd meg, hogy a 2db 9V egymástól független-e, vagy ebből készít a nyák 2x9VDC-t, mert csak akkor mehet a szimmetrikus trafó 2x9V szekunderrel!
A két tekercs egymáshoz közeli lába össze is van kötve, meg az egyenirányításból is látszik, hogy +/- 9V-ot állít elő, persze a pozitív ágban van még további 5V-os stab is, de ez igazából nem lényeges a trafó szempontjából. A másik oldali 10V az teljesen külön van, így annak különállónak kell lenni. Eddig itt tartok, ha minden jól megy ma próbaüzem lesz este.
Ha pedig mégis a "gyári" megoldásra vágysz, akkor itt van egy lehetőség.
Bővebben: Link Lehet nem olcsó, de egy darabig végleges
Sziasztok. Az után érdeklődnék, hogy az Immergas kazánban lévő DC ventillátor hogyan működik. A normál DC motornak kell egy nagyfeszültég, egy kis fesz elektronikának, és van egy pwm bemenet, a panelon, hogy forog a motor.
It mérek, 27VDC, 3VDC, és kiad a panel 1 KHz négyszögjelet, a pwm csatlakozón.
Sziasztok!
Rákerestem, de a kazán típusával kapcsolatban nem találtam segítséget. A következő a gondom, van egy Baxi Manifour 24F kazán, ami a garanciaidő lejárta után megszűnt működni. Nem gyújt be az elektronika, egyébként minden már tekintetben működik a kazán. A kazánban Honeywell CS0261F egyoldalas csatolós panel van. Odáig sikerült eljutni, hogy a gyújtást vezérlő két egyforma 24V-os relé egyikére csak 10,5 V jut, így nem tud behúzni. Sajnos nincs olyan kapcsolási rajzom, ami teljes lenne, amit sikerült szereznem, az részben hiányos, bizonyos alkatrészek a levegőben lógnak. A relék jók, kiforrasztottam, mindkettő működik, kontaktusok is jók. Egyébként a kazán is működik, ha öngyújtóval begyújtom, mindaddig, amíg nem kapcsol le a fűtés, utána nem tud indulni a gyújtás hiánya miatt. Nem olcsó egy ilyen panel, szeretném elkerülni egy új panel megvételét. Kicsit bosszantó egy 3 éves kazán esetében, hogy az árának a harmadát csak alkatrészben rá kellene költeni. Szóval a panel teljes kacsolási rajza nagy segítség lenne, hiába túrtam a netet a Guglival, ilyet pont nem találtam. Köszönöm, ha tudtok segíteni. Üdv: László
Próbáltad fordítva bedugni a konnektorba? Nálunk fázisérzékeny a Baxi cirkó, csak egyik irányban bedugva működik.
Kapcsolási rajzot nehezen fogsz találni.
Ha kevesebb feszültséget kap a relé, próbáld visszakövetni, hogy honnan. Nagy àltalánosságban valamelyik kondi szokott hibás lenni. Ne csak az elko-kat nézd meg, hanem a többit is. (Esetleg ha itt a topikban ràkeresel a kazánodra (nem tudom hogy kell ), akkor lehet hogy másnak is volt ilyen gondja és leírta, hogy a C2 250V/470nF X2 kondi a hibás.)Ha nem nagy összeg, akkor ilyenkor lehet érdemesebb átkondizni az egész panelt. De persze lehet nem ez a hiba. A hozzászólás módosítva: Márc 5, 2019
Szerintem a reléknek nincs köze a gyújtáshoz, azok a kimeneteket kapcsolják (szivattyú stb.)
A jobb felső sarokban lévő gyújtó trafó környezetét kell visszarajzolni, hogy lássuk milyen megoldással szaggatják a primer kört (tirisztor, tranzisztor, fet is lehet ott). Ha van scannered tedd rá a panelt 600dpi-vel készíts képet az jobban látszik.
Sziasztok!
Hoztak egy Ariston Egis 24 CF kazán panelt, hogy lángleszakadás hibája van. Első szemrevételezésre kipukkant egy kondi (C15) azon a részen. Sajnos pont a tetején volt a jelzés. Szerintem 100nF (.1J400) 400V-os lehet, van egy hasonló kivitelű 22nF-os kicsit arrébb. Szerintetek? Ha valakinek lenne ilyen kazánja ezzel a panellel és megnézné, az lenne aztán a kánaán. 400V-osom pont nincs itthon belőle... A hozzászólás módosítva: Márc 6, 2019
Egy másik fórumon kaptam egy képet, amin még éppen látszik.
Köszi.
A kérdés még akkor élt, amikor nem lehetett leolvasni a sérült feliratot, főleg a feszültségtűrést...
Sziasztok!
Fég cirkó SC24 thermisztorjának milyen értékűnek kell lennie?
Sziasztok,
Buderus G124 állókazán 2107-es vezérlővel az alábbi hibajelenséget produkálja. Rendszertelenül elkezdett H18-as Égőrelé hibakódot dobálni. Megfigyeltem, hogy a hiba minden esetben akkor jelentkezik ha a kazán hoszabb időt van "éjszakai" üzemmódban vagyis éjjel és napközben amikor nem vagyunk otthon. Ha a termosztátot folyamatosan "nappali" módba teszem nincs hiba. Nappali üzemnél a kazán folyamatosan ki-be kapcsol de a kikapcsolás ideje jóval rövidebb mint az éjszakai módban. A hiba karácsony magasságában jelentkezett először. Az égőt kiszereltem kitakarítottam, de csak enyhén volt poros, korom nem volt sehol. A hibajelenség először csak nappal jött ( reggel 7:00-15:00 ig hétközben éjszakai üzem van) ezután 2 alkalommal már éjjel is bedobta és reggel már a hibakód fogadott. Minden esetben a TFI-812.2 mod10 vezérlón a gomb megnyomása után elsőre elindult, nem próbálkozott többször, láng tökéletes stb. Szemre a gyújtó trafó szikrája tökéletesnek látszik ( erőteljes és kék színű ). A fűtési szezon miatt nem akartam jobban belemélyedni, de mostmár szeretnék a végére járni. Felhívtam vagy 6-8 fűtés szerelőt de lepasszoltak, hogy már nem javít Buderust, nincs ideje stb. Végül nagy nehezen találtam egy illetőt aki kijön de csak a nyomásokat fogja ellenőrizni. Átnézve lehetséges egységeket gyujtótrafó ( E3713), gyujtás vezérlő ( TFI-812.2 mod10 ) vagy a szelep ( Dungs BM 762-012 ) jöhet számításba. Esetleg van itt hozzáértő a fórumon aki találkozott hasonló jelenséggel ? Előre is köszönöm Üdv ButyiBa
Esetleg lángleszakadás hiba nem lehet? A lángőr részben alkalmazott kondi(k) elveszítik a kapacitásuk és először ritkán, majd egyre sűrűbben nem indul a kazán, mert nem érzékeli, hogy ég-e a láng. Aztán teljesen megáll, mert egyáltalán nem látja már.
Ebben a kazántípusban 99%-ban a gyújtásvezérlő adja meg magát. Egy hőrelé van benne , meg egy kis panel ami a lángérzékelést és némi időzítést végzi. A hőrelé elhajlási ideje adja az időzítéseket, elsőre a ventilátor (ha van) és a gyújtás indul be ahogy hajlik el, kap villanyt a gyújtóláng égője, ha az begyújt némi időzítéssel később áramot ad a főégő tekercsének.A legtöbbször olyan hibája van, hogy a gyújtóláng szelepe nem kap villanyt. így már begyújtani sem tud, vagy a gyújtóégő olyan rövid ideig kap csak áramot, ami nem elég a láng érzékeléséhez, így a hőrelé továbbra is kap áramot és kiáll hibára, Ilyen esetben már csak a visszaállító gomb megnyomásával lehet újragyújtásra "késztetni", némi idő letelte után.
volt benne részem! Dugd be fordítva a dugvillát a konnektorba... kíváncsi vagyok akkor mit tapasztalsz?
Üdv segitséget szeretnék kérni.Van egy savio kazán használt most szereltük be.Szobatermosztát nem volt bekötve.Eddig egy időkapcsoló volt ami éjszaka kapcsolt.Bekötöttem.a termosztátot a régi vezetétkek helyére,biztit leverte.Vissza kötöttem direktbe ahogy volt hogy majd akkor müködik az időkapcsolóval ahogy eddig de nem.indul a kazán.Vezérlőpanel adhatta meg magát?Előre is köszönöm a válaszokat
Sajnos akkor a kisfeszültségi ágba kötötted be a nagyfeszültségi termosztátot így hibásodhatott meg vez.panel.
Javítható vagy lehet kapni panelt régi savio kombi kazánhoz?
Esetleg ez is jólehet....
|
Bejelentkezés
Hirdetés |

















