Fórum témák
» Több friss téma |
Fórum » Villanymotor bekötése
Mekkora motorhoz?
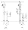
A rajz itt van, ráadásul még irányváltós is.: Csillag-delta + irányváltó A hozzászólás módosítva: Márc 24, 2019
Csillag-delta + irányváltó
Kis hibával. K1-K2 között két fázist fel kell cserélni. A hozzászólás módosítva: Márc 24, 2019
Kapcsolási rajzok
Koszi.
Stefi7! Ehhez nem mágneskapcsoló kell, hanem szakember, aki megcsinálja! Bízza rá, hozzá nem értőként TILOS nekiállni a szereléshez!
Üdv!
Adott egy 5,5kWh 3 fázisú villanymotor.A kapocsra ahogy látom csak 3 vezeték jön ki a motorból tehát csillag/delta stb átkapcsolósdit nem lehet játszani. Ha a 3 kivezetésre rákötöm a 3 fázist akkor szépen indul és megy. 3*10A-em van, B-s megszakítóval. Nem csapta le. Nade szalagfűrészre akarom, nem tudom így mekkora az indítónyomatéka, feltud-e majd pörögni? Illetve milyen motorvédőt ajánlatok erre (link) ami a legolcsóbb és lekezeli a szalagfűrész okozta nehéz felpörgést meg az esetleges fázishiányt? Mert ahogy nézegettem némelyik drágább mint majdnem a motor... vészgombból van olyan ami lekezeli a 3 fázist relé nélkül? A szalagfűrészen egy 1,5kWh 1 fázisú motor volt, de azzal nagyon gyenge volt a gép.
Sziasztok!
Nagyobb teljesitmenyu csillag/delta inditasu szivattyuk plc-s vezerlo szekrenyeit csereljuk, es neha a delta kimenetei ossze vannak kavarva az elore gyartott szekrenyben, igy mindig cserelgetni kell a kimeno vezetekeket. Elvileg letezik valami ellenallas meros modszer, amivel egyertelmuen megallapithato es osszeparosithato a tekercsek bekotese, ezt valaki le tudna irni, vagy mutatni egy linket errol?
Hello! Ha a motor forgásirányát szeretnéd megtudni ellenállás méréssel, arra nincs mód. A szekrény helyes fázissorrendjének ellenőrzését fázissorrend mérővel lehet ellenőrizni. Pld..
Elvileg, ha csillagban mar kikiserletezte az ember a helyes forgasiranyt, akkor onnan mar meressel ra lehet jonni a deltara is, valami ilyesmit hallottam. (Ugye a motorok kapcsaihoz sajnos nem lehet lemenni "puskazni", mert azok egy akna melyen vannak viz alatt es daru kene a kiemelesukhoz.)
A "nullára lámpázás" vagy "sötétre lámpázás" módszere a legegyszerűbb. Itt: Bővebben: Link.
Ha itt megnézed a "Főáramkör" baloldali ábráját, akkor láthatod hogy deltában (mikor KH és KD van húzva) nem lehet feszültség az 1-4 2-5 3-6 pontok között. De ha a 4-5-6 bekötések a motor felől össze vannak cserélve, az ellen nincs gyógyír és nem lehet következtetni a Y helyes forgásirányából.
De ha Y-ban jó a forgásirány, akkor a 4-5-6 helyes sorrendje megállapítható, mert ellenállás méréssel 1-5 2-6 3-4 pontok között kell mérni a motor tekercs-ellenállását.
De ha a csillag és delta forgásiránya nem azonos, akkor az elég hallható jelenséget fog produkálni..
Sziasztok!
Egyik barátom vásárolt egy csavarkompresszort, melyben található egy 37kW teljesítményű villanymotor. A műhelyben ahol ezt szeretné használni 3x50A-es olvadóbiztositó van. A motor adatlapján szereplő adatok alapján ha jól értelmezem fázisonként 64Amper kellene. Képet csatoltam róla. Ennek a működtetése megoldható valahogyan?
Szia!
Cserélje ki 80A-es biztosítékokra és így üzembiztos lesz az áramellátás.
Sajnos nem az övé az épület, csak bérel egy helységet, ha nincs más megoldás akkor muszáj lesz beszélni a tulajdonossal vagy lecserélni a kompresszor.
Sziaszto!
Van egy mosogepbol kimentett indukcios motorom, ami tud 300, illetve 2900-as fordulatot, amit a kesobbiekben egy valtokapcsoloval szeretnek kapcsolgatni. A kerdesem az, hogy a mellekelt rajz alapjan kivitelezheto-e, kulon-kulon kondenzatorral? Az eppen nem hasznalt kondenzator nem fog bekabarni? (Lassu fordulaton hangos(abb)an bug a motor, ez normalis jelenseg?) Koszi!
Sziasztok! A segítségeteket szeretném kérni. Van egy körfűrészem amit egy három fázisú motor hajt és szeretném átkötni egy fázisra. A mellékelt képen látható a bekötése. Hogy tudom megoldani, hogy egy fázisról működjön?
Sziasztok!
Segítsetek légyszives a bekötésén. 2 kondi volt rajta, valamikor szétszedtem 7 éve és elfelejtettem a drótokat megjelölni, illetve felírni a bekötését. Azért szettem szét anno, mert a zöld piros színű öntartó kapcsolója tönkre ment. Az adattáblán ott van a 60 és 100µF kondi méret, de, hogy melyik megy a vastagabb vezetékre stb. nem tudom. Egy rajzot kérnék szépen a bekötésről. Köszi. A hozzászólás módosítva: Ápr 13, 2019
Szia! Bővebben: Link Talán ez a link segít majd.
Hello! Bár nem ismerem a motorodat, de úgy látom csillagban van eredetileg kötve. Azt meg kell változtatni a delta bekötés szerint és ki kell egészíteni üzemi kondival.
A képeden a baloldalon jelölve vannak a vezeték színekhez tartozó funkciók (pld. U1). Nos ezeket kell a delta kötés szerint átcsoportosítani. Összekötendő U1-W2 V1-U2 W1-V2. Ebből az U1-re megy majd a fázis, a W1-re a nulla. A kondi (C1-C2) pedig az U1 és V1 közé. Ha nem stimmelne a forgás irány, akkor a kondit a V1-W1 közé kell kötni. Tekintve hogy a motorban van hőfokvédelem (20-21), azt sorba kell kötni a bejövő fázissal. De azt is tudni kellene, mit tesz a hőfokvédelem. Mert ha kikapcsolt és lehűlt a motor és visszakapcsolja a villanyt, az baleset veszélyes lehet. Tehát nem biztos hogy az egyszerű soros kapcsolás megfelelő műszaki megoldást ad. De el is kell viselnie a hőfok-védelemnek a motoráramot! Eredetileg feltételezhető hogy a három fázisú üzemhez mágneskapcsoló volt alkalmazva. Akkor pedig más a gyermek fekvése. Tudnod kell azt is hogy a motor teljesítménye kb. 80%-ra csökken, indító nyomatéka pedig kb. 25%-ra. A kondi kapacitását a motor teljesítménye szerint kell megválasztani. Kb. 80µF/kW jeligére. De lehet jó értékét kísérlettel lehet megállapítani.
Szia.
Nem minden motor köthető át 1 fázisra. Ha a motor adattáblán ez van: 230/400V D/Y (csillag/delta)akkor fog jó lenni. A motor minden tekercsvége ki van vezetve az ábra szerint. 1. tekercs U1 és U2 2. tekercs V1 és V2 3. tekercs W1 és W2 Jelenleg a motor Y-ba van kötve, ezért is van az U2, V2, W2 egy pontba kötve. Az U1, V1 és W1 kapja a 3 fázist. Hogy a Blau (kék) vezeték miért ment el a Y-pontból, azt nem tudni, alapból nem kell, csak pár spéci esetben. 20 és 21 pontok thermo-kontaktok. Azaz, ha nagyon meleg a motor akkor a tekercselés között lévő thermo-érintkező nyit, utána visszaáll. Motor védelmi áramkörbe köthető. Neked a tekercseket D (delta kell kötni). U1 és W2 összeköt: fázis U1 és V1 összeköt: Nulla V2 és W1 összeköt: kondenzátor egyik fele. Kondenzátor másik fele a fázis vagy nulla ponton (forgásirány). Kondenzátor értéke a motor adataitól függ. Leírás van itt is a fórumon és a neten is. A motor teljesítménye 1/3-a lesz hozzávetőlegesen, mint 3 fázison. A bekötéskor és üzemeltetéskor figyelmesen. Hálózati feszültség. A megfelelően stabil bekötés és korrekt kábel nem vicc. Mint ahogy a megfelelően bekötött földelési pont sem!
U1, V1, W1 - U2, V2, W2.
Ezek a jelölések a Dahlander motorokra jellemzőek. Normál motornál U, V, W - X, Y, Z a megszokott. Ha fixen összekötöttek 3 pontot, az a nagyobbik fordulatszámot adja. Nem ártana valóban az adatlap vagy típusszám. A hozzászólás módosítva: Ápr 14, 2019
Sziasztok!
Van egy egyfázisú asszinkron motoros, ha jól emlékszem 750W-os (barkácsáruházas) betonkeverőm, aminek a ki-be nyomógombos kapcsolója megadta magát. Szétszedtem és kiderül hogy helyenként megolvadt az érintkezőket tartó műanyag. Kipucoltam, amennyire tudtam helyrepofoztam, majd kimértem és működött. Viszont csak addig működi a motor, amíg nyomva tartom a be gombot. Van ebben a sz@rban egy ha jól vettem ki áram relé, aminek meg kellene tartania bekapcsolt állapotban az érintkezőket, de nem teszi. Sőt, mintha egyáltalán nem lenne mágneses amikor bekapcsolom, simán elejti a horgonyt. Ez a relé honnan kapná az áramot? Szerelt már valaki ilyet?
Nemrég még rajzot is idéztek róla. A bekapcsolt oldalon a motor kapcsaival együtt kap feszültséget.
|
Bejelentkezés
Hirdetés |




K1-K2 között két fázist fel kell cserélni. 











