| Fórum témák 
 
 » Több friss téma | 
				Köszi szépen. Gyorsan átolvastam. Szép napot 
				A bementi csatlakozónál elhelyezve az alábbi pár alkatrészt, kiszűrhetők a rádiófrekvenciás jelek és az egyenfeszültségű összetevőt is tartalmazó források beválasztása nem okoz pattanást.						 
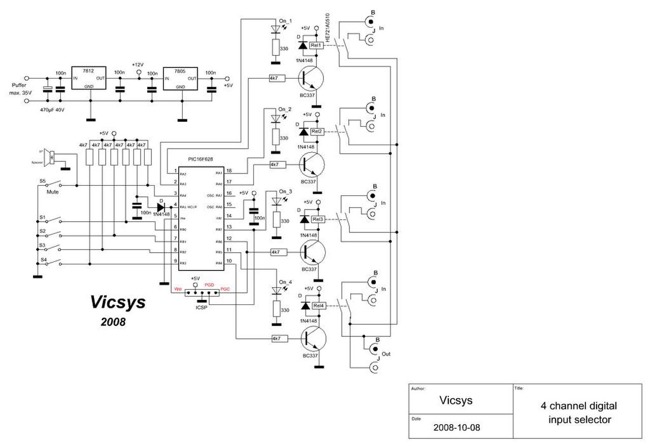
				Sziasztok! Az volna a kérdésem, hogy nincs-e meg valakinek Vicsys PIC-es 4 csatornás bemenetválasztójának programja? A többi doksit megtaláltam a fórumon. 
				Hali! Tessék! ...és a többi ami még hozzá tartozik. Én is megépítettem, és hibátlanul működik. Köszönjük! A hozzászólás módosítva: Júl 5, 2017 
				Nagyon szépen köszönöm! És Vicsys-nek is!    
 
				Üdv! Bemenetválasztót építek, és felötlött bennem a kérdés, hogy az éppen nem használt bemeneteket, érdemes-e földelni? Ha igen, akkor a lehúzó ellenállás mekkora legyen? Vagy jobb, ha lóg a bemenet? A válaszokat előre is köszönöm! 
 
				Az audi jel kapcsolásara mi a legjobb megoldás? Tervezek énis építeni egy bemenetválasztót! A PIC meg a progi nem is gond.... csak nem tudom hogy a kapcsolás mivel a "legszebb" vvagy a "legjobb" 
 
				Aranyozott érintkezős kapcsoló, vagy valami fain Reed relék  . 
 
				Én talán a tda1028 analóg kapcsolót választanám ...						 
				A "29" végü a 4 sztereo bemenetes.A 28-ast mellé érdemes tenni monitor funkcióval. De Ő a legjobb megoldások felé kacsintgat.				 A hozzászólás módosítva: Okt 1, 2017 
 
				Ja hát a legjobb megoldást ne ugy értsétek hogy a non plussz ultra! Hanem ami a legjobban bejáratott és optimális a hangzás, valamint egyszerű a vezérlése						 
 
				Relével, például így: Bemenetválasztó De szokták még használni az analóg multiplexereket, CD4066-CD4052-t				 A hozzászólás módosítva: Okt 1, 2017 
				Sziasztok szeretném véleményezésre bocsájtani e bemenet választót				 A hozzászólás módosítva: Dec 1, 2017 
				Ez az áramkör feltehetően szemléltető oktatási célból készülhetett. Ha már van egy forgó kapcsoló, ami 10 állású, akkor az közvetlenül meghúzathatná a reléket - bármilyen más áramkör nélkül. (A leírás is utal erre.) A kapcsolás minőségét a (reed!)relék határozzák meg. Ha nem elég, hogy a mechanikus kapcsoló mutatja az állapotot, akkor a kijelzőt - IC1-el és a diódás kódolóval - meg lehet építeni. Egyéni ízlés kérdése, ki mit épít erre a célra... 
				Köszi mi lenne ha egymást kiváltó kapcsolóval oldanám meg ?						 
				Akkor is a kapcsolók minősége a lényeg, pl. Isostat-tal nem javasolnám (és semmi más típussal, ami ezüstözött, vagy ezüst-palládium érintkezőket tartalmaz, mert az szulfátosodik és kontakthibás lesz, ami hallható). Mechanikus megoldás esetén a reed relé javasolt (ezt húzathatod az egymást kiváltó kapcsolósorral is). Teljesen elektronikus megoldást adnak az analóg multiplexerek, ami nem tetszik az elvakult Hi-Fi rajongóknak - ők állítólag meghallják, ha ilyenen megy át a jel... A hozzászólás módosítva: Dec 1, 2017 
				Sziasztok! Megépítettem ezt a kapcsolást: Link.Azt írták, hogy tökéletesen működik.Sajnos Nekem folyamatosan világítanak a ledek.Ha 15V helyett 6V-ot adok neki akkor tökéletesen működnek a nyomógombok és a ledek is.De 15V-al nem tudom kapcsolgatni. Találkozott valaki ilyen hibával?Az ic SAS570S. Szép napot A hozzászólás módosítva: Ápr 14, 2018 
				Nyomógombokat írtál, de feltehetőleg érintő felületpárok vannak (különben minek a SAS IC...). Szerintem cseréld a 4db 4 megás ellenállást legalább 10M-ra, mert így túl "erős" a felhúzás. 
				Próbálom nyomógombbal megépíteni.4M-os ellenállások nincsenek benne.Csak 2M R19-R22.Szerintem erre gondoltál.						 
				Megnéztem az adatlapokat.Láttam, hogy 2 tápfesz kell neki elvileg.De itt azt írták, hogy 15V-al tökéletesen működik ahogy a csatolt rajzon van.						 
				Én ilyenekkel (érintőkapcsoló) próbálom megoldani ezt a feladatot, csak ki kell egészíteni egy D-tárolóval. 5V-ról megy, kapacitív.				 A hozzászólás módosítva: Ápr 14, 2018 
				A két tápfeszültség szerepe a blokkvázlat alapján: V7, Supply Voltage I - A hangoló feszültség kimenetek feszültsége. A tuning output 1..4 kimenet közül az aktívra kapcsolja a hozzá tartozó Switch for potentiometers blokk. V8, Supplay Voltage II - A kijelzők tápfeszültsége. A driving output 1..4 kimenet közül az aktívra kapcsolja a hozzá tartozó Switch for lamps blokk. A két feszültség lehet azonos, ha mindkettő a katalógusban megadott V8 max. uzemi feszültsége (25V) alatt és a V7 min. üzemi feszültsége fölött (11V) van. A 15V épen megfelelőnek látszik. Nem is ezért adtam meg a linket... A szenzorkörben 10M egyedi soros és 3.3M felhúzó ellenállás látható. A szenzorok másik kivezetése 5M6 ellenálláson keresztül kapcsolódik a földhöz. A hozzászólás módosítva: Ápr 14, 2018 
				Rajz szerint tettem rá ellenállásokat.Ugyanaz az eredmény.Az 560pF-os kondikat nem tettem rá.Hiába nyomom meg a gombot, az előtte lévő nem alszik ki.6-7V között tökéletesen lépked amelyiket megnyomom.						 
				Sziasztok! Vásároltam az „Alin” egy TDA1029 típusú bemenetválasztó IC-t (mint egy 115 Ft-ért!). Ez az IC intézi a bemenetválasztást a Videoton EA7386S erősítőben. Az adatlapi kapcsolást megépítve szépen működik is, de ha a fentebb említett erősítő kapcsolási rajza alapján kötöm, akkor nem. A különbség a két kapcsolás között annyi, hogy a bemeneteken lévő testre húzó ellenállások egyik kapcsolásban az IC 10 lábára vannak kötve a másikon pedig GND-re. A Vidiben hogyan tud működni??? Most akkor hogyan is… Lehet én nem értek valamit, kérlek magyarázzátok el. 
				Az úgy van (ha figyelmesen megnézed a két rajz közti különbséget) ha egy tápfesz van, akkor a 10 lábon levő Bias -ra kell kötni, ha kettős táp, akkor a +/- táp elég a táp közepére. Az IC 16 -os test lába ilyenkor a negatív tápon van. Vigyázni kell, hogy a két táp összege ne haladja meg a 23 V -ot, azért van a duplatápos kivitelnél a tápban két zéner. A bemeneteken analóg kapcsoló van, annak a feszültségének kb. féltápon kell lennie, hogy a váltakozó feszültséget át tudja vinni. Ha a bemeneti kapcsoló részleteire vagy kíváncsi, nézz meg egy CD4066 -os analóg kapcsolót, valami ilyesmi áramkör van ebben az IC -ben is. A hozzászólás módosítva: Márc 26, 2019 
				... és valóban! Köszönöm a magyarázatot. Nekem valahogy nem esett le, hogy az egyiken kettős a másikon szimpla táplálás van. (Az adatlapból sem "sütött" ez az információ, vagy csak én voltam figyelmetlen). Még egyszer köszönöm! | Bejelentkezés Hirdetés | 
















