Fórum témák
» Több friss téma |
Szia. Az nem semmi 25km derót?!
Szia már csináltam ilyet sajnos a nagyfesz trafót ki kell cserélni erősebbre. de 5-6 km lesz az is
A hozzászólás módosítva: Júl 28, 2019
Én is ilyesmire gondoltam, de azt hiszem akkor nem vesződöm vele. Amúgy milyet tettél bele?
A 25 Km-t úgy kell érteni, hogy 6-7 szál van ki húzva egymás fölött.
Képet teszek róla ez garantáltan jó szokott lenni.
A hozzászólás módosítva: Júl 28, 2019
Még egy ostoba kérdés. Mi ennek a neve, vagy hol lehet ilyet találni?
Nem titok Ford gyújtás tekercs hát a hol lehet kapni az jó kérdés
próbálj rákeresni a Googlen A hozzászólás módosítva: Júl 28, 2019
Szia. Én megvoltam elégedve a Opel kadett gy. trafóval is.
Igen természetesen az is jó
Miben különböznek ezek a Lada gyújtótrafótól ?
Az nem 25 km vezeték
hanem mondjuk 2,5 km 7 sorban Csak a talajkapacitás nö meg. A párhuzamos szálak miatt az ohmikus ellenállás csökken, de nagyon reaktens lesz a rendszer, és emiatt komoly trafó kell. Íme:M400-50 -es EI 84/30 vas + cséve Primer 25 menet 1,2 CuZZ Majd 2 sor 0,2 mm szigetelés Utána soronként 42 menet 0,44-es Cuzz huzalból 9 sorban. A cséve szelétől 4 mm-es távolságban kezdeni és befejezni a sorokat és sorok kozott 0,2m es szigetelés. Az E vasakat egy irányból betolni csévébe, az I vasakat a másik oldalra úgy hogy az E és az I vasak között , 0,4 mm légrés legyen. Ezután poliuretán gyantával kiönteni az egészet (átütési szilárdsága legyen legalább 18kV/mm ) Majd ha mindez megvan. a trafó primer tekercsére tegyél egy 0,68µF 630V-os kondit. 500V-al meghajtva a primert, a szekunderen terheletlenül 7300 V,terhelten pedig 7100 V lesz. Ez szabványon belül van és akár 80 km-es vezetéket lehet vele tölteni 600 V-nál már eléri a 9kV-ot ( de ezt le sem írtam ) A tárolt energia max 10 Joule lehet ezekkel a paraméterekkel. Ebböl a karámvezetékre kijut úgy 8 Joule körül
Szia!
Lehetséges hogy úgy van ahogy írod. Én nem láttam a kerítést, csak nagy vonalakban mondta el a tulaj, hogy mit akar.Egyenlőre csak futó érdeklődés volt, de majd jobban utána nézek hogy mik a tervei.A trafó leírását köszönöm. Viszont az M400-50 mit jelent? Arra nem jöttem rá
Az M400 a vas minősége az 50 pedig 0,5 mm vastagságú a lemez.
Az EI 84/30 nagyfesz trafót miből gondolod hogy "vakítás?"
Így van.. pontosan!
Akkor jössz rá miért olyan drága, ha legyártasz egyet és rájössz hogy ez nem csak "egy trafó"
Nagyon hasonlóak a méretezési számítások mint pl az 50Hz-es trafóknál.. Viszont az áttétel, és a primer -szekunder közti távolság miatt az indukciós értékek jelentösen eltérnek. Nem is említve a légrés nagyságát. A legjobb példa erre a Horizont A50 , vagy N50 trafója Az is EI84/ 30-on van.. azonban az áttétel alapján a kimeneti feszültség kicsi lenne.. Viszont az indukció és a párhuzamos kondi miatt mint elszívó kör működik Az A50 es trafója például így néz ki: Primer 45 menet 0,8 CuZZ Szekunder 480 menet 0,4 CuZZ A primer szekunder között 4 mm-es távolság van ( nem az áthúzás miatt ) Az áttétel pedig: 1:10,6 hoz De vegyük 1:10 nek a veszteségek miatt.. és láss csodát minden elméleti számításnak ellentmond hogy a primer tekercsre 620 V kerül, és mégis a szekunderen terheletlenül 9, terhelten 8200 V jön ki ( mért értékek ) A trafóadatok meg első kézből Viszont ha kiveszem a xµF-os párhuzamos kondit, máris leesik a szekunder feszültség 6000 Voltra A nagyfesz trafó méretezése nem ördöngös dolog..de el kell felejteni a hagyományos trafó méretezést,mert az itt nem működik megfelelően A hozzászólás módosítva: Júl 30, 2019
Köszi,ezt nem tudtam. Ma is tanultam valamit
Bocsánat nem akartam senkinek a lelkébe gázolni, csak túlzottnak tartok egy 80W-os trafót használni erre.... Amúgy a Te boltod mérnökember (
) ? Ha tévedek lécci írjátok meg !! Gyűjtöm csak az infókat !!! Köszönöm szépen !
Nem gázolsz ezzel senki lelkébe, és nem az én boltom
Én ennél "picit" nagyobb volumenű "boltot csinálok. Az A50-et anno én terveztem és aztán adtam el a jogokat a német gyártónak És a mai napig is ezt csinálom..Amúgy majdnem eltaláltad és leírtad itt a lényeget Idézet: „csak túlzottnak tartok egy 80W-os trafót használni erre....” És majdnem bele is trafáltál.. a 80W-os trafó még kicsi is, éppen határon üzemel. Ezért írtam korábban, tessék elfelejteni a hagyományos trafók méretezésénél figyelembe vett adatokat és számításokat.. Csak három okot írok, miért kell ekkora vas, a negyedik ( és egyben a legfontosabb ) üzleti titok 1: Megfelelő méretű a csévetest, így a vákuumos impregnálás nem feltétlen szükséges 2: A huzalvastagság minkét oldalon növelhető, és a menetszám arányok is, a relatív nagy cséve miatt 3: egyszerűbb a sorozatgyártása
Mekkora ennek a vasnak a mechanikai mérete ? Csak képet találtam (meg itthon ami van 100W-os trafóm az alapján saccolom), mert a tekercselési leírásod alapján 30mm csévén el fér egy sor...
Igen elfér. De ha arra adod a fejed hogy megtekersz egy ilyen trafót akkor arra is ügyelj, hogy a cséve szélességénél legalább 4 mm-el vékonyabb legyen a sorszigetelés,. Máskülönben a műgyanta vagy poliuretán gyanta nem tud befolyni a sorok közé.
Jogi és szabadalmi védettség okán pár adatot nem ad(hat)ok meg. De még azok nélkül is kimagasló eredményt lehet elérni. És ami fontos: Mivel ezt a fórumot igen sokan olvassák, attól mindenki óva intenék hogy a primer oldal huzalvastagságát meg emelje 1,1 mm fölé, a szekunder oldalt pedig 0,44 fölé. A vasmag pedig ne legyen EI84 nél nagyobb.( inkább kisebb ) Ugyanis efelett már akkora a kimenő áram hogy életveszélyes áramütést is okozhat. Persze lesznek itt is - mint mindenhol - okos emberek akik ezt cáfolják. Azoknak javaslom, hogy jöjjenek el bátran hozzám, egy váltás tiszta fehérneművel, és markoljanak rá egy 19 Joule-os pásztor 5 km 4 soros huzallal beterhelt végére. És miután már lábra tudnak állni,vagy az ájulásból magukhoz térnek, és cseréltek alsóneműt, meghívom őket egy sörre... Egy jól felépített karámnál még 6 Joule is bőven sok.És napi szinten kapom a telefon hívásokat hogy építsek egy olyan pásztort ami 19 -25 Joule-os mert azt hallották az jó nagyot üt.. Én meg azt hallottam hogy gondatlanságból elkövetett emberölésért kimérnek úgy 4-8 évet.... De itt egy fotó a trafó elkészítés témához kapcsolva, ami elég beszédes. Nyilván látszik hogy ez egy metszett. Prototípus tesztelésközben ütött át és látni akartuk hogy mi volt az oka... Az alsó sor 0,6-es huzal,az a primer,felette 0,3-as Cuzz a szekunder, egy EI 66/24-as vason. Az átvihető max energia ezekkel a paraméterekkel, 8 Joule, a max feszültség 10kVolt terheletlenül
Köszönöm az okítást (már hogy egyáltalán foglalkozol a hülyeségeimmel) ! Van még... : Miért kell a csévét lezárni? A régi trafóknál nem volt végzáró lap és a lakk könnyedén befolyt a sorszigetelés közé. A másik, hogy a primert nehéz betörni ..., mi van ha a szekunder vékonyabb vezetékét teszik alulra, és a primer megy a felső sorba ? Amúgy én a trafós változatot építettem meg , autó gyújtótrafóval ( megküldött néhányszor, hogy a tarkómig bizsergett a görbe, pedig csak a 12V-ját kapcsoltam le ), de tele a hócipőm, hogy mindenütt szikrázik ... Ezért próbálnék valami másolható/utánozható leíráshoz jutni.
A cséve "lezárása" több okból is lényeges. Az átütés veszélye miatt minden sor eleje-vége után az oldalfalig be kell tekerni a drót átmérőjének megegyező spéci szigszalagot ( margin ), sacc 4 mm szélességebn ( persze ez lehet több is! ) és ugye ezt az oldalfal is megvezeti, másrészt a mechanikai szilárdság sem semmi.
Ezek nélkül "kanyarban" prímán át tud húzni a nagyobb feszültség, ami "visszafutáskor" alakul ki. Ha pedig a primer és a szekunder egy csévén vannak, a jó teljesítményátvitel miatt a primer legyen alul, különben egy szórótrafód lenne és a szekunder is könnyebben áthúzna a vasra.
Tökéletes a válasz! Jobban meg sem fogalmazhattam volna.Ott a pont !
Sziasztok!Én is a "puli pásztort" építettem meg 6V trabant gyújtótrafóval, és 16 µF-os kondival. Az lehetséges a 6V-os trabi trafóval nagyobbat üt mint a 12V-os gytrafóval?
Esetleg valami komolyabb nagyfesz trafót tudtok ajánlani erre a kapcsolásra, vadak ellen kellene. Esetleg a vaterás toroidman féle nagyfesztrafó?......bár annak elég jó ára van Véleményetek? Elöre is köszönöm
Kb. 6km drótra kellene.......ezt úgy kell érteni, hogy 4-5 szál van kihúzva egymás felett./kb. 200m-ként párhuzamosítva van/
Sziasztok
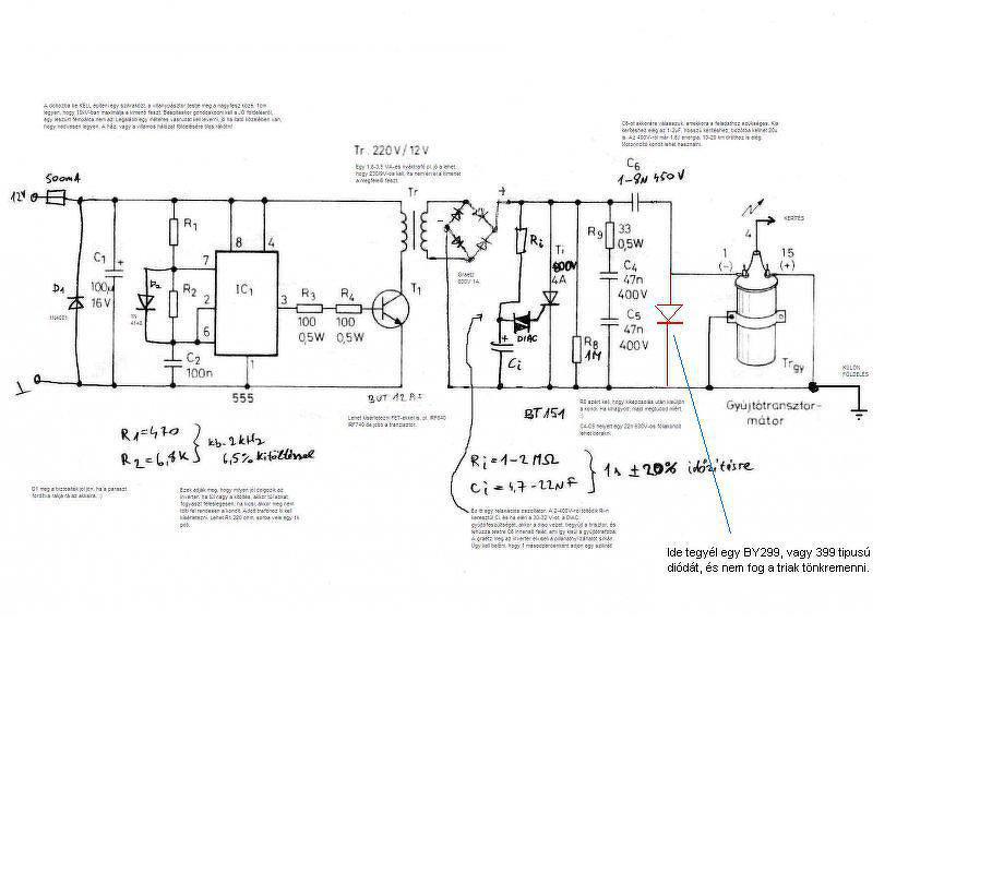
Megépítettem az alábbi kapcsolást: Villanypásztor Az lenne a kérdésem, hogy ki lehetne-e egészíteni valami egyszerűbb kis kapcsolással, hogy lássam az ütemet rajta egy leden. Mi kellene ehhez? Köszönöm |
Bejelentkezés
Hirdetés |






hanem mondjuk 2,5 km 7 sorban
) ? Ha tévedek lécci írjátok meg !! Gyűjtöm csak az infókat !!! Köszönöm szépen ! 




