Fórum témák
» Több friss téma |
Mielőtt kérdezel, a következő két dolgot ellenőrizd!
I. A helyes tápfeszültségek megléte.
II. A kimeneten van-e egyenfeszültség.
Élesztés.
Vannak problémák. Megmértem így a végtranyók BE feszültségét, és a PNP oldalon 36V ot mérek... Mértem most zárlatra mind a két tranyót, és a BC között rövidzár van. Kiforrasztom és megnézem úgy is, mindenesetre gondoltam az R629 zárlatos lehet akkor, kiforrasztottam és szakadás. Szóval Lehet, hogy a két vadiúj tranyó amit beraktam PNP oldalon egyből megpuhant R629 hiányában ahogy bekapcsoltam az erősítőt. Egyenlőre nem tudom, de vizsgálgatom. Köszi mégegyszer!
Kiszedtem a tranyókat, zárlatosak voltak. Kicseréltem az R629-et, betettem új PNP-ket. Szépen ment az áramgenerátor, a kimeneten nem volt DC, látszólag minden rendben volt, majd kb 10mp alatt mid a két 6.3A-es táp biztit kicsapta, és az összes végtranyó zárlatos lett... Ez pont akkor volt, mikor a kimenetről elvettem a mérőcsúcsokat, nem láttam/éreztem, hogy rövidrezártam volna a kimenetet, mindenesetre kifogytam a tranyókból, majd folyt köv. Köszi azért a segítséget.
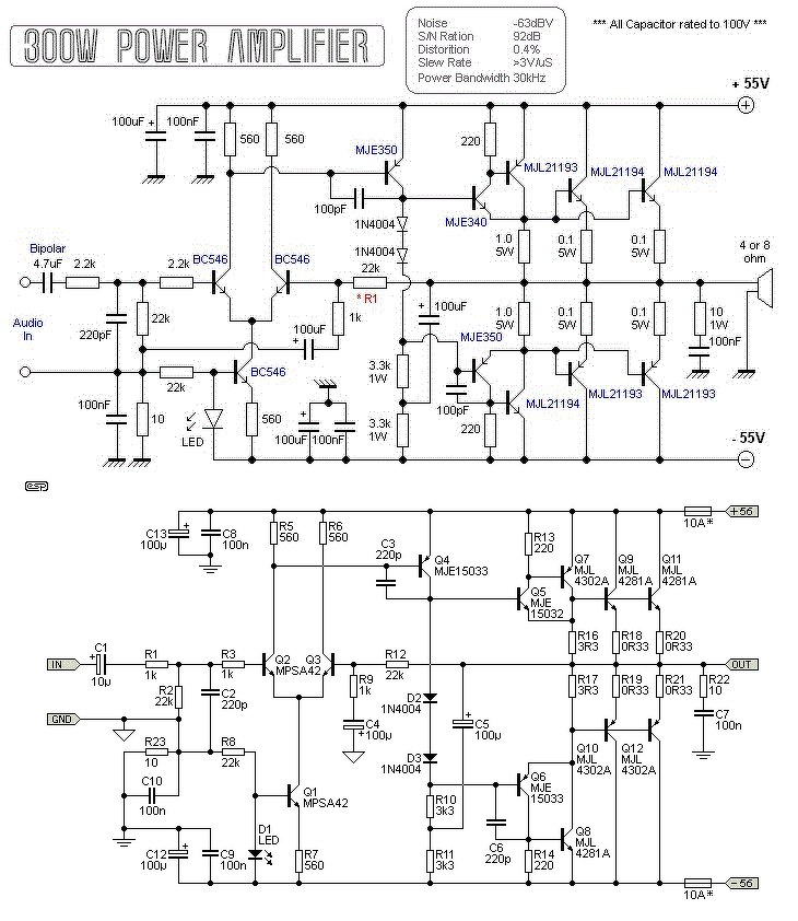
Mekkora feszültség esik R623 ellenálláson? Ez milyen összhangban van R621 és Q609 eredő emitterellenálláson eső feszültséggel? Ha gyenge az áramgenerátor, akkor a Q609 hibázik valamiért. Ha az előbbi ellenállásokon eső feszültségből számított áram nem egyforma, hanem mA nagyságrendben folyik el valamelyik meghajtó tranyó bázisa felé, akkor az a meghajtó hibás, vagy N/P elcserélt, vagy helytelen lábkiosztással lett beültetve.
Nem olvastam át elég alaposan a hozzászólásaidat, amit javasoltam okafogyottá vált, elnézésedet kérem.
Elsőként olvasd el a topic fejlécében található "Élesztés" linken szereplő intelmeket!
A végtranzisztorok beültetése nélküli élesztésről itt írok.
Köszönöm, el fogom olvasni mindenképp! Jelenleg addig jutottam, hogy kiforrasztottam a végtranyókat és biztosíték csere után azok nélkül megvizsgáltam a működést. Jelenleg végtranyók nélkül tökéletesen működik, áramgenerátor megy ahogy kell, mind a két meghajtó tranyó szépen kapja az AC jelet is, teljesen szimmetrikusan. Elképzelhető, hogy ügyetlen voltam, és rövidrezártam a kimenetet, azért haltak el szerencsétlen végtranyók így a finish-ben. Mindenesetre beszerzek még egy adag végtranyót és neki lehet futni újra, jelenleg úgy tűnik rendben van az áramkör többi része. A fő probléma a 150Ohm-os ellenállás szakadása lehetett a teljesítménykörben. Köszönöm a segítséget, az írást pedig tanulmányozni fogom!
Tanulmányoztam a végerősítőt magában foglaló nyomtatott áramkört, úgy tűnik nehézkes a két végfok táplálásának különválasztása. Ez a javítás alatt álló csatorna tápágaiba 10 ohm ellenállás beiktatása miatt lett volna célszerű. Az élesztés során az áramkorlátozás céljára marad a primerrel soros izzó és/vagy F901, 902 helyén 10 Ω 10 W-os ellenállás. Ilyen biztosíték pozíciónál mindkét betétet el szoktam távolítani és csak az egyiket pótlom a 10 Ω-os ellenállással, arra elég, hogy főbb ellenőrzések elvégezhetők legyenek.
Bizonyára jó termikus kapcsolatot hoztál létre a Q607 és a hűtőborda között, de van olyan fontos, hogy említést tegyek róla, ez stabilizálja a nyugalmi áramot, azaz védi a végtranzisztorokat hőre megfutás ellen. A doksiban nem találtam előírást a nyugalmi értékére, célszerű azt a jó csatornáról másolnod, a 0,22 Ω emitter-ellenálláson eső feszültséget mérve, 2-5 mV között gondolnám.
A termikus kapcsolat fontosságával tisztában vagyok, valójában oda van ragasztva a bordához gyárilag, azt nem változtattam. A nyugalmi áramról köszönöm az infót, én is arra gondoltam, hogy a jó csatornával összenézem majd.
Átgondoltam és nem lenne gazdaságos a javítás így megy a sarokba, az alkatrészköltség -1500 a posta -1500, egy új panel cca 11-13 EUR.. Nincs értelme nyűglődni vele. Az irs is megmekkent mert a - táppal próbáltam feljebbhúzni a tiltásból (nem engedte még 10K ohmmal is 10mV ot sikerült feltornászni)..
A két erősítő ugyanolyan topológia alapján működik, csaknem egymás klónjai. Semmi lényegi különbség nincsen közöttük. Egyikkel sem jársz jobban.
Szerinted életképes az MJ végfokos verzió? Megépíthető, vagy keressek valami másik kapcsolást?
Szia! Ez a kapcsolás szerepel Elliott 68-as projektében. Szerintem építésre alkalmas. Nyomtatott áramköri tervvel sajnos nem szolgálhatok, de a P68 Amplifier keresésre feljövő képek alapján találsz mintát az alkatrészek elrendezésére, innen már könnyebb a panelt elkészítened. Ha elakadnál szívesen segítek.
A hozzászólás módosítva: Szept 9, 2019
Szia! Ez nagyon tetszetős cucc, és nem is kell sok alkatrészt lecserélnem. Ráadásul emelhető a teljesítmény, ami nem egy utolsó szempont. Köszönöm az infót.
Az alkatrészkészleten nem kell változtatnod. Mekkora tápfeszültséged?
Az nagyon jó. Nem tudtam teljesen átnézni a kapcsolás alkatrész igényét csak gondoltam hogy nem egyforma. Akkor ezek szerint a két kapcsolás megegyezik? 2x40V a toroid 2x40.000 UF 100V kondi.
A kisebb teljesítményű MJE tranzisztorok és a teljesítményfokozat ellenállásai eltérőek, de nyugodtan felhasználhatod őket. Az ESP cikkben is eltérőek a rajzon és a képen a teljesítmény-ellenállások. Ez a nívósabb végtranyók miatt lehetett megváltoztatva.
MJE tranyókat lecserélem mert van otthon belőle elfekvőben. És szerintem az ellenállásból is kell lenni valahol. Amint időm engedi, állok is neki a PCB rajznak.
Összemontíroztam a két kapcsolási rajzot, hogy jobban követhetőek legyenek az eltérések.
Ha MJL21193/MJL21194 végtranzisztoraid vannak, ahhoz javaslom az MJE340/MJE350 meghajtók használatát és maradhat változatlan C3, C6 sávszűkítő értéke. Elliott a kapcsolást nem véletlenül ajánlotta azzal a félvezetőkészlettel szub erősítőnek. Az általad fellelt rajz szerint elképzelhetőnek tartom a teljes sávszélességű alkalmazást. A Q1 - Q6 esetében a két rajz eltérő lábkiosztású tranzisztorokat ad meg. Erre ügyelj a tervezés/beültetés során!
Köszi hogy összemontíroztad a képeket, mert így jóval átláthatóbbak a két rajz közti különbségek. Akkor én mégiscsak maradok az eredeti általam fellelt rajznál, mivel nem Szubmeghajtásra szeretném használni.
Üdv tagok
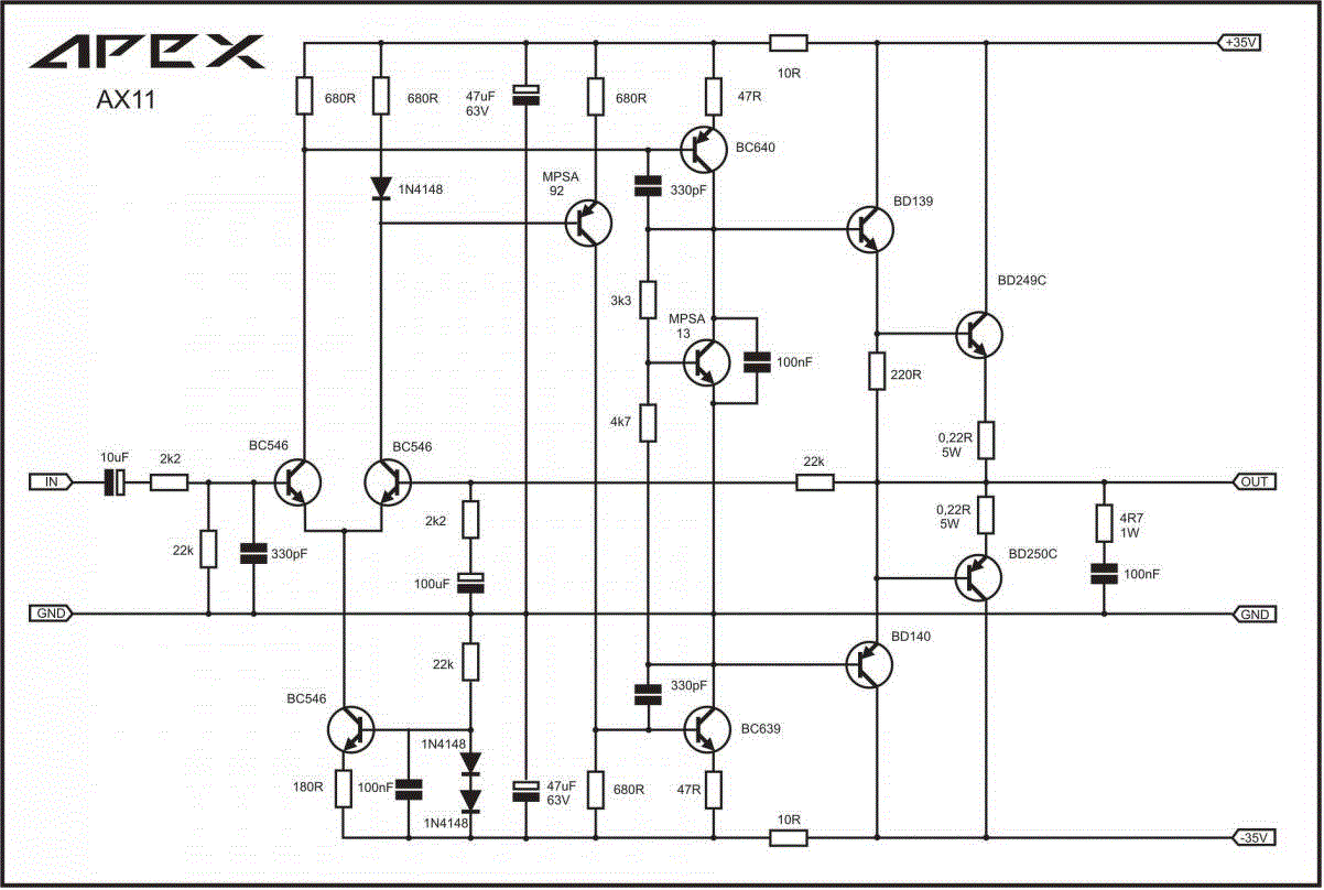
Építettem 2 db apex ax11 néven futó erősítő modult. Gondom az lenne hogy indításkor szólni szól csak elég halkan a teljesítményéhez képest amit tudni kellene és ahogy tekerem a bemenő hangerőt torzít nagyon. Trafó toroid, pufferek jók Szimmetrikusan egyenlő egyenfesz 2x39 volt Bd249c és Bd250c Hűtőbordára szerelve Érdekesség próbaképpen kivettem a Bd250c-t és mintha benne se lett volna ugyanúgy szól Műszer csak multiméter van Inditáskor toroidnál lágyindítót használtam Tudna erre valaki mondani valamit? Lehet a végek rosszak? 1-2 képet csatoltam
Szia! Építettem ilyet magam is és semmilyen problémába nem ütköztem.
Ellenőrizd a megfelelő típusú tranzisztorokat ültetted-e be. Ha azok rendben, adok néhány mérési pontot a hiba behatárolásához.
Szia . Akkor talalkoztam ilyen hibával mikkor az egyik félvezető nem kapott vezérlést . Igy csak felhullámot erősit es recsegve szól.ellenőrizném a forrasztásokat. És mindet át mérnék mégegyszer.
Az alkatrészek minden szempontból pontosan ugyanazok mint amik kellenek bele volt, értékek meg minden ezek újak,
kivéve a 2 db "bd" tranzisztort. Ezek bontottak voltak viszont nem zárlatosak. Jó lenne ha működnének mivel nem kevés munkám van a panelekben mire ilyenek lettek. Mit és hol kellene mérjek hogy kiszűrjem a hibát? Esetleg a végek lehetnek hibásak?
A bontottak nem szakadt jellegűek? Reagálnak az ujjadra, tudod, bázis kollektor.
A nagyjelű erősítő működőképességének ellenőrzéséhez bejelöltem hat ellenállást. Az erősítő bemenete legyen testen, hogy jel, vagy zaj ne zavarja a mérést. Mérendő az ellenálláson eső feszültség.
Nem kapcsolódik a mostani javításhoz, de nálam is van egy panelkép az AX11-ről, de az nem olyan mint az itt látott. Mellékeltem nekem mim van ezen a néven.
Ez szokatlan, mert az APEX következetes az áramkörök jelölésében.
Az 5 W-os ellenállások 22 R-osak a fotón. Ezeket 0,22R-ra kellene cserélni.
"Az alkatrészek minden szempontból pontosan ugyanazok mint amik kellenek bele..." Az említett ellenállások ezt cáfolják. A hozzászólás módosítva: Szept 9, 2019
Kiváló észrevétel! A kolléga által használt NYÁK-terv egy indonéz szerző alkotása, annak az alkatrész oldali rajzán találtam meg az elírást.
Mellékelem azt általam ismert kapcsolási rajzot. |
Bejelentkezés
Hirdetés |


















