Fórum témák
» Több friss téma |
Sziasztok
Kaptam egy Tomtom 4EN52 Z1230 GPS-t javításra. Tulajdonos elmondása szerint működőképesen el lett rakva szekrénybe pár 2 évig, majd újra elővétel után nem kapcsol be, töltést nem fogad, számítógép nem ismeri fel. Szétszedve mindjárt meglett a probléma forrása a Li-ion akku szétfolyt benne és a folyadék elkezdett dolgozni az alaplapon. Az első két képen bejelöltem ahol látható károkat okozott az akkufolyadék. A készülék bekapcsoló gombjának lábai, lent ellenállás, meg a chip antenna lemeze rozsdásodott be. Az alkatrészeket javítottam újraforrasztással (a kapcsolót szerintem cserélni kellene mert benne is jó oxidos lehet), a lemezt fényesre csiszoltam. A chip antennát nem forrasztottam még vissza így próbáltam bekapcsolni de semmi, csak a 6. képen jelölt alkatrész melegszik. Hol keressem még a hibát, esetleg lehet hogy akku nélkül be sem kapcsol?
Lomtalanításkor találtam. A feliratait ráírtam a képre. Szerintetek ez a kábel mi lehet?
Hello! Kőkorszaki műszer előtét. A dobozban várhatóan egy ellenállás gubbaszt.
Azon gondolkozom, hogy nem-e Univeka nagyfeszültségű mérőfej?
De az talán mintha inkább olyan lenne mint egy szurony. Univekám van, mérőfejem viszont nincs hozzá, mielőtt kidobnád. ![]() Proli007 után szabadon (ha tudod), mérd meg, hogy mekkora az ellenállása (szerintem jó nagy) a "fejétől a farkáig". Utána okosabbak leszünk...
Nekem van egy Univo - m, annak a nagyfesz. mérőfeje ugyanilyen. Ez 1200V - ig mér a 600V-os hüvelybe dugva, tehát ebben 600kOhmos ellenállat van.
Köszi, Univo-m már nincsen, le kellett adnom amikor otthagytam a céget.
Akkor nem tarhálom el, mert minek...
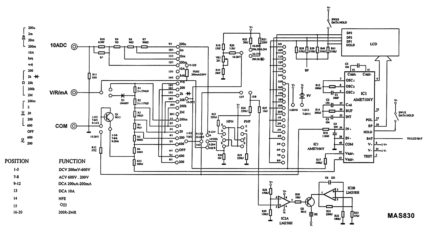
Sziasztok! Segítségetekre lenne szükségem.
Van egy UK-830LN multiméterem, amiben 2 alkatrész el égett. Az egyik egy transistor ami nagy valószínűleggel egy 9013 más, de nem vagyok biztos benne. A másik pedig egy ellenállás amiről semmi információt nem tudok. Tudnátok ebben segíteni?
2M méréshatárral .500 körül van a multiméterem szerint az ellenállása.
![]() Bevallom hogy nekem eléggé nem megy a mért ellenállás leolvasása multiméterről... A hozzászólás módosítva: Szept 18, 2019
Maximum 2M-t tud mutatni a kijelző, tehát 2.00M Ohm-ot. Ha neked 0.500-at mutat, akkor biggyessz utána egy M-et, és megkapod, hogy 0.500MOhm, vagyis 500kOhm.
Szia!
Ez elég hasonlónak látszik, hátha ezen be tudod azonosítani.
Neked adom szívesen, akár egy üres Univó táskával együtt is.
Mivel Univó nincsen itthon, ezért kihagyom.
De "retró ridikülnek" a táska sok csajszinak bejöhet. Passzol az orrkarikához és fémszegmentes bakancshoz.
Mivel Gabinak nem kell, én szeretném elkérni, mert a műszeremhez nincs mérőfej. Amúgy komplett.
De szakadást mérek tekercs nem lehet benne
Sziasztok,
javítok egy Aiwa NSX-F9 hifit. Többek között baja van a hangerő "potijának". Ez egy végtelenített gomb, nyilván enkóder van mögötte. Ha tekerem, összevissza ugrál, és szeret max-ra feltekerődni, ahonnan alig lehet leimádkozni. A távirányítójával persze jól működik, de így mégsem maradhat... Mivel még sosem találkoztam ilyennel, kérdezném a hozáértőktől, hogyan javíthatnám meg? Kontaktspray a burkolata alá? Egyáltalán ez fémes enkóder, vagy valami más elvű? Tekeréskor sem percegést, sem ellenállást nem érezni, mintha lekvárban futna .köszi, üdv.
Két rezgőkristály középkivezetéssel. Hasonló, mint a rádiók KF fokozatában.
A panel másik oldaláról (az enkóder tengelye felöl) nincs kép? Attól függően, hogy milyen felépítésű az enkóder, talán javítható, de nagy valószínűséggel cserélni kell.
Nincs valakinek ötlete, hogy honnan vehetnék BTS412B PROFET-et? Vagy mivel helyettesíthetném?
Kösz a választ. Azóta kiderítettem, hogy sima 3 kivezetéses fémes enkóder. Hozzáférni sajnos majdnem lehetetlen, még bespriccelni sem tudtam, ezért lemondtam a javításáról. Marad a távvezérlés.
Próbáld meg a nagyobb testvéreit : BTS432 / BTS442. Mindkettő kapható és szerintem helyettesíthetik a 412-t. Lomex, FDH, HQelektronika ...
Nem, ez egy daru sebességváltójában van. Azért köszönöm a LINK-et.
Megnézem az adatlapokat, köszönöm.
Nincs mit.
A tokozásáról nem irtál. TO-220, vagy az SMD, TO-263?
TO-220. Egy hűtőbordára van felcsavarozva belőle 8db. Egy eldobta a kalapját.
Üdv!
Egy ősöreg Philips DVD R 725H-ben az RF modul bekrepált. Létezik még ilyesmi valahol? Vagy esetleg más Philips készülék (mondjuk sima DVD lejátszó) hasonló moduljára cserélhető?
Üdv! Törvényszerű hogy, ha egy készülék fő működtető alkatrészéről szeretnék valamit meg tudni, azt éppen nem találom. Ez egy 5V-os táp. Egyszerű, mint a faék és gondoltam 6 V-ra megpróbálom felturbózni. LNK564DA IC-ről, (SMD), van szó ami 7 lábú, mint sok kis teljesítményű testvére. Tudnátok lábkiosztást hozzá?
|
Bejelentkezés
Hirdetés |


















.


