Fórum témák
» Több friss téma |
Mielőtt kérdezel, a következő két dolgot ellenőrizd!
I. A helyes tápfeszültségek megléte.
II. A kimeneten van-e egyenfeszültség.
Élesztés.
Sziasztok!
Adott egy erősítő, (BEAG AET 215) az egyik oldalon zavaró, a hanggal összefüggő recsegést ad, olyasmi mint amikor a hangszóró hibás és a tekercs hozzáér a mágneshez. Mivel mindegyik hangszóróval csinálja és csak ugyanazon az oldalon, hangszóróhiba kizárt. Első körben a törött magashang poti csere, a 30+ éves MM csatoló elkókat is kihajítom. (A többit nem, mert pl a táp tökéletes.) Mi okozhatja a hibát? (Még nem cseréltem ki semmit, de hátha tud valaki hasznosat mondani, aki jártas az erősítő javításban.) A végfoknál, vagy inkább az előfoknál, hangszínszabályzónál keressem a hibát? Monóra kapcsolva is jelentkezik a hiba, de ugyanúgy egy oldalon. A hozzászólás módosítva: Okt 3, 2019
Szia Karesz!
Tudom Isten malmai lassan őrölnek, de az enyémek még lassabban! Ma tudtam foglalkozni a a kütyüvel. 0,15R helyén 4,7R, bemenet testelve, az erősítővel sorba 60W izzó. A végtranyók (még nincsenek bent) bázisain 0,2: 0.2 ill. 0,19: 0,19V-ot mértem. Most megyek beteszem a BD-ket, aztán PRÓBA! Kösz a segítséget tanultam belőle! Legutóbb egyszerűen csak cseréltem a végeket és a meghajtókat, aztán lefüstölt 1-2 ellenállás, meg az IC. Remélem a két csatorna között az az 1 századVolt nem okoz tragédiát!
Örülök ha segíthettem és remélem "pöccre fog indulni".
Holnap kicserélem a meghajtó tranzisztorokat újra. Így tiszta lappal indítunk.
HA nincs bele BD tranzisztor MJE350/360-nal lehet cserélni?
Sziasztok!
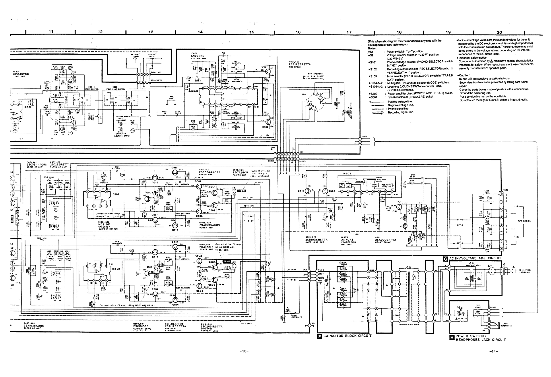
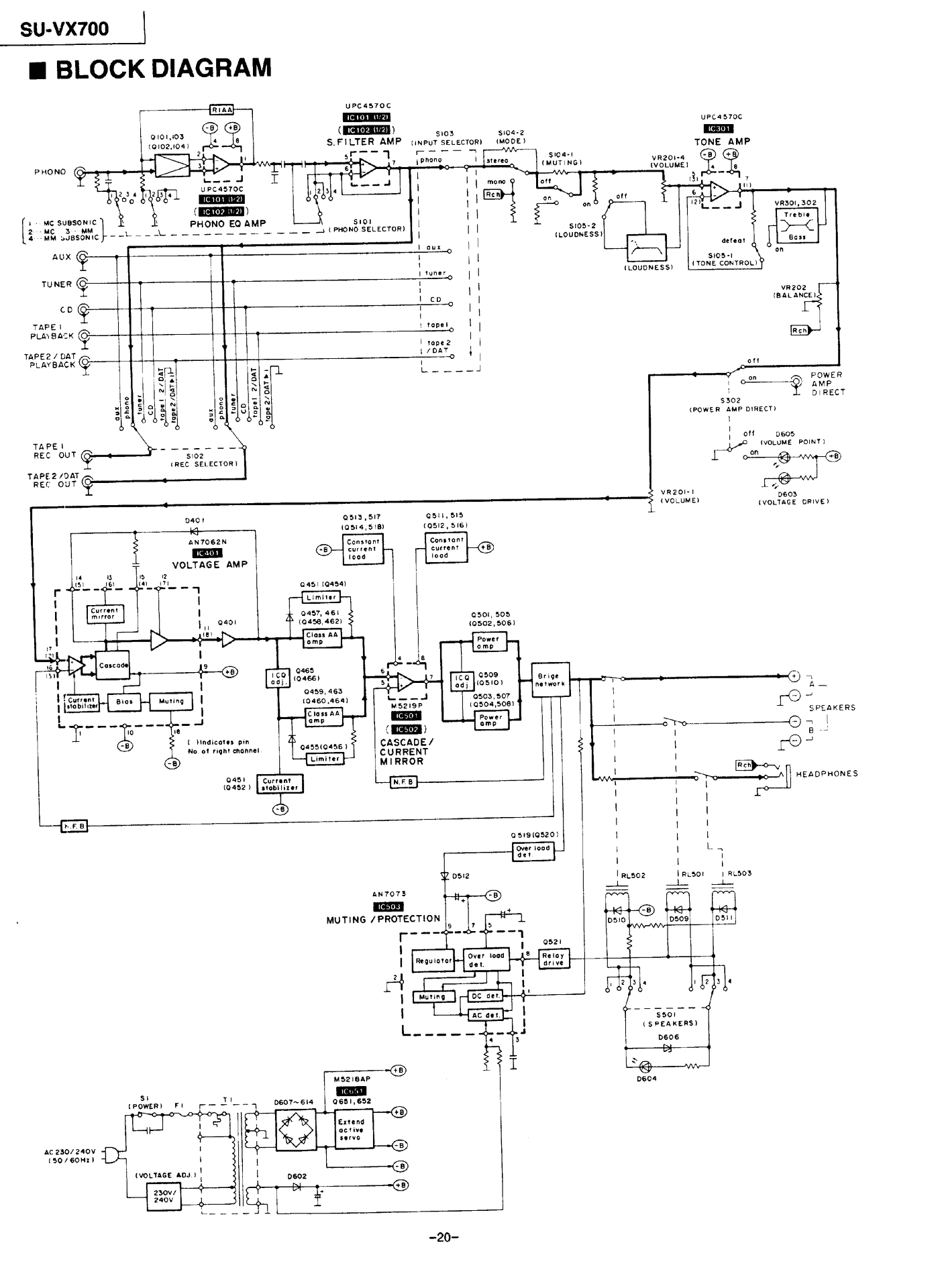
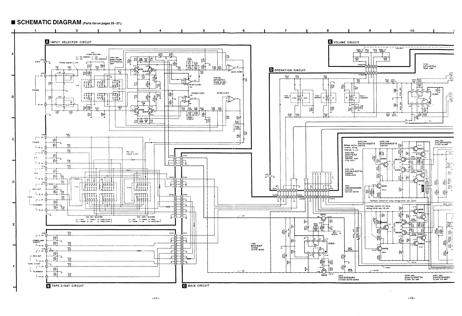
Hozzám került javításra egy TECHNICS SU VX -700-as erősítő javításra. Első kőrben az volt a problémája hogy le oldott a relé nagyobb hangerőnél, ezt sikerült meg oldanom az IC401-es (VOLTAGE AMP) Ic cseréjével a két tranzisztorával együtt (Q401, Q402). Most az erősítő, működik is, és nem old le a relé sem, viszont azt a furcsaságot csinálja hogy olyan jó háromnegyed hangerőnél az erősítő (CD lejátszóról hajtva) a hangszóró membránt ki hajítsa, tehát DC feszültség kerül a kimenetre valamiért, ezt a figurát el játssza mind a két oldalon, függetlenül attól hogy 4 vagy 8-ohmos terhelés van a kimeneten!. A feszültségeket mérve teljesen mindenhol rendben vannak, ugyan úgy a végfoknál mint (VOLTAGE AMP) résznél is. A finál résznél és az előérősítőben is ki cseréltem a kondenzátorokat, valamint át néztem az ellenállásokat és diódákat is, azok is rendben vannak. Amit észre vettem, ha ki forrasztom a LIMITER résznél a Q453, Q455, és ugyan úgy a másik oldalt is a Q454, Q456 tranzisztorokat, akkor meg szűnik ez az anomália. Az első gondolatom az volt hogy ki cserélem ujjakra ezeket a tranzisztorokat, ki is cseréltem hozzá nagyjából hasonló tranzisztorokkal BC337, BC327 (Jó tudom nem az a lábkiosztás, de úgy forrasztottam be hogy az jó legyen), a jelenség ugyan az, akkor ki cseréltem a diódákat is D453, D455, D454, D456 a jelenség úgyszintén meg maradt. Ez a négy tranzisztor az én látásom szerint figyeli a 2,2 ohmos ellenállásokon (R471, R743, R472, R474) eső áramot ha jól tudom?. A kérdésem az volna hogy miért nem lép fel ez a jelenség ha a tranzisztorokat (Q453, Q455, Q454, Q456) ki forrasztom? A másik dolog ezeket a tranzisztorokat a gyár bele tervezte, tehát kell a kapcsolásba, akkor miért nem működik jól?, hol lehet a hiba?. Még valami, ebben a LIMITER körben a kondenzátorokat is le cseréltem (C457, C459, C458, C460), tehát nem ezek az alkatrészek a hibásak. A feszültségek is rendben vannak a tranzisztorok lábain!. Aki tud azt kérem segítsen, mert el akadtam...
Idézet: „A finál résznél és az előérősítőben is ki cseréltem a kondenzátorokat,” Internet alapján más baja nem lehet. Idézet: „ha ki forrasztom a LIMITER résznél a Q453, Q455, és ugyan úgy a másik oldalt is a Q454, Q456 tranzisztorokat, akkor meg szűnik ez az anomália. Az első gondolatom az volt hogy ki cserélem ujjakra ezeket a tranzisztorokat,” Nem tudom, hogy az ujjaknak mi köze van szerencsétlen túláram védelemért felelős tranzisztorokhoz.
Bocs akkor új!
Privátban fikázásra is csak az tudom írni, amit ide is: Nem értek hozzá.
Látom jól szórakozol!, én viszont nem!, bocs!
Ha nem értesz hozzá akkor minek írtál választ a hozzászólásomra? Miért nem mész el nyelvtan tanárnak ha ahhoz meg értesz?
Gyűjtöm a lájkokat.
![]() De ha javítani akarod a cuccot, akkor ne próba cseresznye alapon cserélgessél alkatrészeket... Leírásod alapján, még az is lehet, hogy nincsen semmi baja.
Idézet: „De ha javítani akarod a cuccot, akkor ne próba cseresznye alapon cserélgessél alkatrészeket...” Találkoztam már több olyan alkatrésszel ami feszültség alatt nem úgy működik mint ahogy kellene, de műszerrel mérve jónak mutatkozik, és ezért is cserélgettem a fentebb említett alkatrészeket.
Szia! A készülék rajza honnan tölthető le?
Szia reloop!
Az ElektroTanyáról INNEN
Fel töltöttem a rajzot rar formátumban most már le tölthető innen is.
A hozzászólás módosítva: Okt 3, 2019
Elvileg elmegy az MJE-vel is, de inkább BD-s. A kollektor árama a 3 szorosa mint az MJE-nek.
Ha minden kötél szakad próbának jó az MJE is, de akkor 340-350 ,mert azok komplementerei egymásnak.
Szia!
Amikor ilyennel találkoztam, akkor a hibát gerjedés okozta. A gerjedés és a műsoranyag interferenciája okozta a hangszóró nagyon alacsonyferekvenciás kilengését, ami úgy jelent meg, mintha DC került volna a kimenetre. Lehet, hogy a konstrukció alapjában labilis, és nagyon érzékeny az alkatrészekre. Az is lehet, hogy az előerősítőben cserélt (eredetitől eltérő) gyártójú / típusú kondenzátorok okozzák a problémát. Hogy ez végül is milyen összefüggésben van a végfok védelmével, illetve hogyan hatnak egymásra, azt ne kérdezd.
Szia elektrorudi!
Gerjedni nem gerjed az erősítő mert oszcilloszkóppal is le mértem a kimenetet, teljesen néma módban a kimeneten semmi gerjedés egyik oldalt se, jel generátort is rá kapcsoltam a bemenetekre (L-R oldalak) 20Hz-től 20KHz-es frekvenciákat át viszi az erősítő szinusz jelel hajtva. Az érdekes hogy csak zenével hallgatva csinálja ezt az anomáliát. Nem tudom hogy mennyire lenne érzékeny az alkatrészekre, de hogy túl van bonyolítva ez az erősítő, az már biztos. Amit még nem értek ebben a kapcsolásban, és eléggé furcsa számomra hogy két külön álló végfoknak miért kapcsolódik össze az elektronikája az arám stabilizátori résznél (CURRENT STABILIZER-Q451, Q452) a bázisuk össze kacsolódik ha meg figyelitek. A hozzászólás módosítva: Okt 4, 2019
Biztos elütöttem valamit, mert nekem nem adott találatot az Elektrotanya.
Elsőként a 401-es csatlakozót vizsgáld meg! Sajnálatos, hogy nem tudjuk vizsgálni a készüléket az eredeti alkatrészkészlettel. Ilyen stádiumban minden csere, távolabb is vihet bennünket a megoldástól. Ezt a jövőre nézvést említem.
Sajnos a generátor szkóp vizsgálat nem elegendő egyszerüen az ilyen hiba megállapításához, burst jellel kellene nézni nagyobb kivezérlésnél, komplex műterheléssel, mert nagyon ritkán de előfordulhat, hogy olyankor jön létre belengés, gerjedés.. Megoldása...generátor....analóg kapcsoló négyszögjellel vezérelve (pl pár száz Hz 1:4 kitöltés) majd erősítő...majd ohmos müterhelés kombinálva kondival induktivitással
... pocsék ügy
Szia reloop!
A 401-es csatlakozok rendben vannak, szakadást nem mértem rajtuk, a feszültségek is rendben vannak.
Ugyan nem szokványos kapcsolás, de a túlbonyolítástól elég messze van.
Az IC-s driver kimenetét a Class AA nevű komplementer darlington kapcsolás tehermentesíti. Ennek kimenetén található az általad is idézett Limiter, ami egy egyszerű visszahajló karakterisztikájú áramkorlát. A teljesítmény fokozat pedig kiegészült egy hibajavító áramkörrel. Ami esetleg bonyolultnak tűnhet az a visszacsatolást kezelő hídkapcsolás, de aki látott már Quad-ot annak ez sem újdonság. A Q451, Q452 áramgenerátorok közös referenciafeszültsége alkatrész-takarékosság.
Nem csak szakadás lehet, hanem átmeneti érintkezés.
Mit mutat szkóp a hiba bekövetkezésekor?
http://www.hifimagazin.hu/HFMCD/HFM/CIKKEK/HFM3511.HTM
A Hifi Magazin itt tárgyalja röviden a működési elvet.
Köszönöm, a pozitív visszacsatolás nem tudtam kihámozni a rendelkezésre álló rajzból.
Meg mutatom mit mutat az oszcilloszkóp négyszögjellel hajtva az erősítőt még klippelés előtt 50Hz-től 10KHz-ig.
Sajnos nem tudom meg mutatni hogy mit mutat az oszcilloszkóp képernyője mikor ez a jelenség megjelenik, mert csak zenével hajtva az erősítőt csak akkor van jelen a hiba.
A mellékelt blokk diagram szerint az IC501 invertál, a kapcsolási rajzról nem ezt olvasom le. (?)
Szerk.: Hopp, megtaláltam. Rendben van a működési elv. A hozzászólás módosítva: Okt 4, 2019
A zene is megjeleníthető szkópon. Jól elhatárolható, hogy egyenfeszültség, félhullám, vagy gerjedés tolja ki a hangszóró membránját.
Természetesen használj műterhelést és az is egy információ, ha ohm-os terhelésen nem jelentkezne a hiba.
Csináltam egy videót, a hang anyagban hallatszik hogy be be reccsen a hangszóró is, az oszcilloszkóp ernyőjén látszik a zene jelében négyszögjel is jelen van a mélyebb tartományoknál, mint írtam kisebb hangerőnél ez nem jelentkezik.
Azért nem műterheléssel csináltam hanem hangszóróval a kísérletet, mert így hallom, és látom is mikor van ez a jelenség. A kimenetre egy 4ohmos 600W-os hangszórót tettem, ez legalább ki bírja ha véletlenül feszültség is kerülne a kimenetre, egy másik kisebb hangszórót már sikerült meg hibásítanom a kísérletek során. Bővebben: Link A hozzászólás módosítva: Okt 4, 2019
A videón nem látszik, hogy szimmetrikus a klippelés vagy sem, 1 ms-on jobban érzékelnéd.
A két csatorna teljesen egyformán működik? A javítás kezdetén nem nézted meg véletlenül, hogy DC hiba, vagy túlterhelés generálta a relé bontását?
Amit még el felejtettem le írni, az az hogy most reggel, és a tegnap, valamiért a Q401-es tranzisztort ki kellet cserélnem egy másikra, mert nagyon el kezdett melegedni és a relé se kapcsolt be, a kimeneten pedig ott volt a tápfeszültség.
Ezt a figurát ma és a tegnap el játszotta de csak akkor ha be kapcsoltam az erősítőt, meg ki. A tranzisztort le mérve jónak mutatkozik de ha kicserélem újra megy az erősítő, na erre varjatok gombot. |
Bejelentkezés
Hirdetés |








... pocsék ügy 









