Fórum témák
» Több friss téma |
Fórum » Ki mit épített?
Ez a téma ha úgy tetszik a mi "kiállítótermünk", nem pedig a ki mit csinált volna másképpen, mások helyett, és legfőképpen nem javítós téma.
Minden készüléknek van saját témája, ott kell kitárgyalni a részleteket!
FONTOS! A kapcsolási rajzok keresésére is van saját téma, ott keressetek rajzokat!
Szia,
minden elismerésem, kívül belül hibátlan tervezés és kivitelezés. A rádióamatőrség számomra egy megfoghatatlan dolog. Egy kérdésem van. Többek munkájánál láttam/látom, hogy a nyákra felszitáznak feszültség értékeket, ki/be menetet, dátumot, készítő nevét, weboldalát, logóját, következő lottószámokat. De az alkatrészeknél viszont pl IC502 szerepel a valódi információ LM3914 helyett, ebben mi a logika?
Köszönöm.
Kérdésedre a válasz: Sprint-Layout 6-ban tervezem a NYÁK-ot és ott az alkatrészeknél a program tárolja a pozíciót, az alkatrész nevét és az egyéb megjegyzéseket. A NYÁK-ra azt fogja kiírni aminél pipát talál az aktuális helyen. Esetemben ez a pozíció szám. Másnál előfordulhat egyéb információ. Ha megnézel gyári doksikat, a pozíció mindig a legfőbb információ, persze szerepelhet mellette az adott alkatrész típusa, értéke is, de általában ezt az alkatrészjegyzék tartalmazza. Én nem meditáltam ezen túl sokat. Így esett kézre és kész.
Gondolj bele egy kiterjedt, pl. TTL elemekből álló panel bemérését végző egyén munkájába. A panelen rengeted azonos típusú IC van (74xx04, 74xx74, stb). A pozíciószám egyértelműen azonosítja a tokot.
Kézi beültetéshez hasznos lehet egy beültetési rajz csak típusszámokkal. A hozzászólás módosítva: Okt 11, 2019
Tnx. 73. Köszi.
Ez mi akart lenni?! A hozzászólás módosítva: Okt 18, 2019
Moderátor által szerkesztve
Ha jól emlékszem, szavaztam is erre a készülékre a Burabun.
![]() Nagyon szép munka, egészen rákívántam, hogy építsek egy ilyet. Esetleg (akár privátban) el tudnád küldeni a konkrét oldalt, ahonnan a félvezetőket berendelted? Most néztem, Aliexpressen van fent 150 dollárért, de nem hiszem, hogy ez lenne a legjobb választás az eredeti alkatrész forrására. Rádiótechnika cikk lett belőle? Ha nem, tervezed megjelentetni? A nyák rajzok miatt kérdezem főként. Köszi előre is a válaszaidat, sok szép QSO-t kívánok vele! Attila A hozzászólás módosítva: Okt 13, 2019
Hétvégén befejeztem a "kézműves" elektromos gokart prototipusát a gyerekeknek.
Váza 40x20-as alu zártszelvény, a legtöbb dolog (pl. a kormánymű) a megunt segway és a pluszban vásárolt roncs segway alkatrészeiből készült. Két hátsó kerék hajtott és rugós karon ül, csapágyazva és acélbetéttel. A rugók régi bicikli teleszkóprugó kettévágva. A meghajtást egy új 36V, 4.4Ah-s Li-Ion akku végzi az agymotorokon át az eredeti alaplap segítségével. A töltő az eredeti játéké. Előre/hátrameneti kapcsoló és bekapcsológomb a kormányon. A gyerekek 20-30 percet tudják használni, alattam már gyorsabban kifárad A sebessége kb. mint egy lassabb bicikli.Az ülés egy kukázott irodaszékből készült. A költségek mindenestől (ha a munkát és a régi hoverboard eredeti árát nem számítom) kb. 45e-re rúgnak (15e a zártszelvény, 12e a roncs, 15e az új akksi). Fékje egyelőre nincs, mert a motorfék igen potens, de egy indukciós fék már készül a két első kerékre. Világítást és indexet is kap majd.
Szia, hogyan sikerült a régi vezérlővel meghajtani a motorokat?
Nekem is van itthon pár szétkapott darab, de hiába rakom össze (nekem egy motorral lenne egy vezérlő és egy akku használva - rolleren), pörög egy kicsit a motor majd megáll, és utána nem csinál semmit.
Átprogramoztam. St-linkkel ez a GD32f103rct megy.
Egy githubos project alapján csináltam.
Sziasztok! Nemrég feladtam egy hirdetést 18650-es akkupakk készítésére. Kaptam elérhetőséget, és a neten is találtam ezzel foglalkozó céget, viszont olyan árakat adtak, amit magasnak gondoltam, így belefogtam egy saját ponthegesztő építésébe. Még korábban félretettem hasonló célra egy mikrótrafót, így "csak" az elektronikát, és a mechanikát kellett kifejleszteni hozzá. A mechanika tulajdonképpen a piaci modellekre hasonlít. Két külön mozgó kar van, mindegyiken 1-1 mikrokapcsoló, amelyek sorba vannak kötve. Az áramkör egy 2 relés, kondenzátoros időzítéses megoldás. Már az első hegesztésnél látszott, hogy sikerült eltalálni az impulzus hosszát. Képeken látható az első néhány hegesztés. Tudom, a kábelezés nem tökéletes, de ez még csak kísérleti darab. Majd összerakom rendesen is.
Szia!
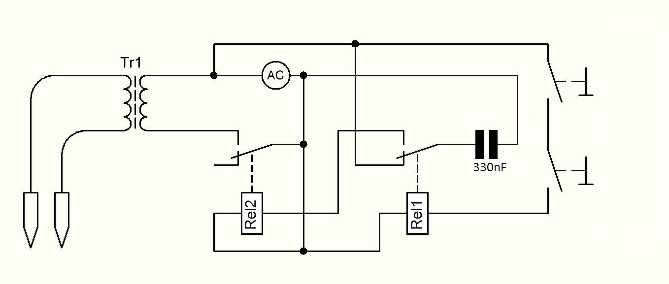
A végfok teljesítmény félvezetője az MRFX1K80 70 - 80 ezer forint körüli áron szerezhető be. Sajnos a távol-keleti forrásokról nem sok biztatót lehet olvasni a NET-en. Marad Mouser és hasonló források. Amúgy nem csak ez kerül sokba egy ilyen végfok esetében, hanem az a mintegy 50 db toroid, aminek zöme a szűrőkben van, a temérdek 3000 V-os SMD kondi, szintén a szűrőkben, meg az a 23db relé ami alkalmas a 5A / 300V nagyfrekvencia kapcsolására. A tőbbi már szinte apróság. A Rádiótechnika folyóirat főszerkesztője, HA5KU Békei Ferenc folyamatosan inspirál a cikk megírására. Elképzelhető, hogy nekiülök. Üdvözlettel, HA4PL Laci
Gratulálok!
Szeretném megkérdezni a piros kábel típusát. Nekem is van egy előkészített mikro trafóm és keresek ilyen kábelt, amit bele lehet fűzni. Köszi
Köszönöm!
25 négyzetes kábel belehúzva egy vastag, hőálló szigetelőcsőbe. A kábel DIN 46438-as, a szigetelőcső pontos típusát nem ismerem.
Az időzítést megkérdezhetem pontosan hogyan csináltad? Szép munka!
A hozzászólás módosítva: Okt 14, 2019
Mellékletben a kapcsolási rajz.
"Tökéletesnek" egyáltalán nem nevezném, de legalább működik.
Hogy mi ez? Egy olcsó USB webkamera egy döglött fényképező optikájával és egy megfigyelő kamera talpával! Az optikából el lett távolítva a mozgató motor és a mechanikába bejuttattam némi szigetelő szalagot hogy ne állítódjon el magától az optika. Zoom nincs, helyette a "zoomot" kézzel tekergetve lehet közelebbre/távolabbra fókuszálni (enyhe fix zoomoltsággal rendelkezik). A hozzászólás módosítva: Okt 14, 2019
Szia
Nekem egy nagyon régi mikrotrafóból (van benne anyag) készített hegesztőm van, még_jobban leegyszerűsítve. tTaposós kapcsoló a primer tekercsre, így két kéz szabad, síimán jó a nikkelszalagra, nem is értem ezeket a több 10 ezres gépeket, hát úgyse fogunk gépkocsi kerék dobot hegesztgetni.. A hozzászólás módosítva: Okt 15, 2019
Moderátor által szerkesztve
Köszönöm!
Sziasztok!
Készen lettem a 2x100W-os erősítőmmel. 2db TDA 7293 üzemel benne. Itt a cikkek közt található hangszóróvédelem és plazmacsöves kivezérlésjelző épült hozzá. Van benne még Clip jelző áramkör,segéd trafó, illetve az erősítők trafójai, minden egyébbel. Köszönöm szépen mindenkinek a segítségét aki segített nekem. Legfőképpen reloop kollégáét. Tudom hogy nem tökéletes, lehetne rajta még mit csiszolgatni, de én örülök hogy egy ilyet sikerült alkotnom.
Egy két plusz kép még.
Szép lett. Látszik hogy átgondoltad és igényesen végig is vitted.
Végre egy jó hűtőborda!
Nem tudom mennyire melegszik, meg mennyire, mennyit fogod hajtani, meg hol lesz az üzemi helye, mert csak azután aggódnék, hogy elégséges e az átfolyó légáramlás a dobozon. Jól néznek ki a trafóid is, mert nem csak toroidból áll a világ.
Szép munka!
Egyetlen észrevétellel élnék: a trafók fel nem használt kivezetéseit (15V 20V) is zsugorcsövezd/szigeteld le.
E heti projektem. Szükségem volt arra, hogy sík műanyag lemezbe szögletes lyukakat vágjak. Előlap.
Van egy kézi kis marógépem de azt nem lehet megtartani pontosan. Ezért a marógép méretére nyomtattam két pár rögzítő elemet, amely merőlegesen tartja. A fedlap alján elcsúszás biztosító ütközök vannak és a lyuk ahol a marószár kibújik. Hőre lágyuló műanyag volt, ezért nagyon lassan és kihűlést megvárva folytattam a munkát. Leglassabb fordulaton. Ez az öt lyuk 25 percen belül megvolt. A hozzászólás módosítva: Okt 17, 2019
Nekem is ilyen gépem van, csak a tokmányával vagyok bajban. Én nem találtam jó, hozzávaló patront. Már gondolkodtam egy ER11 átalakításon, mert a gép jó, csak nem tudok olyat aki képes lenne a környékemen megcsinálni egy ilyen adaptert.
|
Bejelentkezés
Hirdetés |






































