Fórum témák
» Több friss téma |
Mielőtt kérdezel, a következő két dolgot ellenőrizd!
I. A helyes tápfeszültségek megléte.
II. A kimeneten van-e egyenfeszültség.
Élesztés.
Elegge sztereo fuggo vagyok,de nem zarkozom el.Tudnal ajanlani egy ilyen rendszert?Kimondottan zene halgatasra nem filmezesre,ami pop,techno zenevel elboldogul?
Nekem ajánlották és már 1 éve ez van nekem itthon szobában a tpa 3116D 2.1 es modulja pl. 2X50w szélessáv +1X100 szub.
Ki vagyok vele békülve. Én is popzenét játszom nagyrészt. Clubzenéket... Aliexpressen cca 3 ezer ft nak megfelelő pénzért meg is tudod rendelni, a műanyag case kb plusz ennyi ha kell ![]() 15-16 v AC környéki trafó kell neki ami legalább 10A t tud... De elég szimpla szekunder neki és működik is (Persze egyenirányítani pufferelni kell ilyenkor). A hangsugárzókat meg neked kell kiválasztanod hozzá... A hozzászólás módosítva: Dec 15, 2019
Nem tudok ajánlani gyári készüléket, nem ismerem a kínálatot.
A 2.1-es rendszer ugyanúgy sztereó, csak van még hozzá egy közös SUB sugárzó is. Ez utóbbi azért jó nekünk, mert jelentősen fokozza a mély hangok nyújtotta élményt.
Igazad van, valamelyik tranyó hátára a legegyszerűbb.
Igen ez tipikus régi 15 éves 2.1 rendszerhez tervezett hangosítós cucc szerintem.
Bár az a 2.1 is csak a konstrukcióra igaz mivel 4 ohm is lehetséges... Ha kapnának egy egy hűtősünit akkor tán még nehezebben "melegednének a környezethez" tehát ezt akkor ne is próbáljam ki?
Természetesen támogatok minden jobbító szándékot, de úgy vélem ez sem forrása, sem megoldása a jelenlegi hibának.Javaslom működj együtt Bélával, ha már volt oly jó és felkarolta ezt javítást.
Értsd úgy a bejegyzésem, megpróbáltam beleélni magam a tervező koncepciójába.
Én mindkettőtök segítségét köszönöm.Addig is apróbb dolgokat ellenőrzök. Védelem.
Srácok! Elkészült a fentebb említett végfok sub része, viszont a sztereót el kellett dobni, ott rettenetes égések voltak a nyákon és a kétrétegű nyáklapot egyszerűen nem tudtam lekövetni, mert olyan sávok voltak felégve felszakítva, amit puskázni sem lehetett a másik feléről, így mérgemben félvezetőstől mindenestől a kalapács martaléka lett, majd ment a kukába (Temészetesen a mekk mester valami ragaccsal leragasztotta az ellenállásokat is hogy nehezebb legyen kiemelni meg az pótolja ki az égett sávot de azzal nem számolt hogy a legkisebb mechanikai behatásra leválik a forrasztása... ezért nem javítok már utánuk semmit).. A végtranyókkal egyetemben ment pedig azok jók voltak, utólag azt azért bánom kicsit... Arra az elhatározásra jutottam hogy akkor a szub rész megmarad így, de a helyreállítás nem áll le, így esetleg a sztereó csatinak 2-500w ig keresnék egy fetes kapcsolást.
A keresőt már használtam, nem jutottam nagyon előre. Tehát a rendelkezésre álló tápom AC 2X65 V és 10-10 A áramterhelhetőség. Az igény 4-8 ohm lenne.. Ha N csatornás csak a kapcsolás az mégjobb mert abból még mindig rengeteg fet áll rendelkezésemre.
Csak óvatosan a vádaskodással!
Én nem ragasztottam le azon a panelen semmit.
Isten ments hogy vádaskodjak! Bármilyen egyezés névvel vagy személlyel csak a véletlen műve,kérem kapcsujjaki!
![]()
Sziasztok
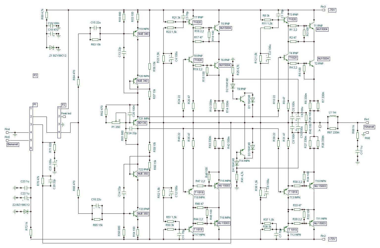
Meg volna valakinek a Reflex ppa400 as végfok kapcsolási rajza? Síva ppa 400 Előre is köszi.
Sziasztok
Épitettem egy AN7125 IC-és ki erősítőt . Az erősítő maga működik , de az IC melegszik mint a barom üresjáratban is . És a kiménetein Kb.:1,6V egyenfeszültség mérhető ..Hangja szép és erőteljes , de igy szerintem nem üzemltethető ..A gyári kapcsolását csináltam neki meg ..Százszor átnéztem nem táláltam problémat és nagyon tanácstalan vagyok .. Talán az IC rossz ?? Hátha találkozott már valaki ilyen problémával , válaszokat előre is köszönöm ..
Sziasztok
Tudnátok segíteni? egy reflex ppa 400 végfokkal nem bírok két napja azon a határon vagyok,hogy ki dobom a kukába Minden létező tranyót ki vettem kimértem azok jók. Minden ellenállást át mértem jók. Fólia csík nincs fel szakadva. mért adatok teljesen egyformák a jól működő moduléval,de még sem megy. Íc-t is cseréltem az is jó mindkettő Már nincs mit mérnem Tudna valaki egy két lehetőséget vagy segítséget hogy mégis mi a f......... lehet vele?
Lehet hogy mire segítséget kapsz, már szét fogod verni kalapáccsal.
Hát már nagyon azon a szinten vagyok
Két nap csak mérek mérek s mérek,de már nem tudok mit mérni Tudnál valami ötletet adni? Kint van a táp a kimeneten,de minden alkatrész jó A hozzászólás módosítva: Dec 21, 2019
Ez egy hidalt IC, természetes, hogy testhez képest nem 0 feszültségen vannak a kimenetei.
Nem tudom mekkora tápot adsz neki, de inkább 6V körül kellene lennie a kimeneteken 12V DC táp esetén. Kapcsolási rajzot, fotót a belültetési és forrasztási oldalról javaslom tegyél fel.
Zárlatos kondi ? Bemenet rövidre van zárva ?
Ha van mellette egy jó panel akkor türelem mellett megtalálható a hibás alkatrész.. A hozzászólás módosítva: Dec 21, 2019
Szakadás mérővel meg néztem minden kondit azok is jók
Fotót tudsz feltenni róla (belültetési és forrasztási oldalról) , nem ismerem az erősítőt.
Sziasztok van 3db ilyen kinai kütyüm,amit autóba szeretnék beépíteni,mert nem szeretnék,autós végfokot bele,ez elfér szinte bárhol.A gondom az hogy a panelen az a 4db tekercs az melegszik rendesen,és félő hogy bajt csinál.Vagyis én tartok tőle.Igaz rendesen hajtani kellett hogy nagyon meleg legyen ezt 22VDc ről,de 14voltról már nem annyira forró.Merjem ezt eldugni bárhová az autóban?Az ülésem alatt van egy nagy tároló oda kerülne egy 20cm mélyközép azt hajtaná.És mellé tennem az erősitő panelt is van helye ott.
A 4db bd 249 b e c lábakon tápfesz
A 4 db bd 139 minden lábán tápfesz,s van még 2 db bd 140 ott is minden lábon tápfesz a bd 250 oldalon ott jó értékek vannak úgy mint a jól műküdő modulon.
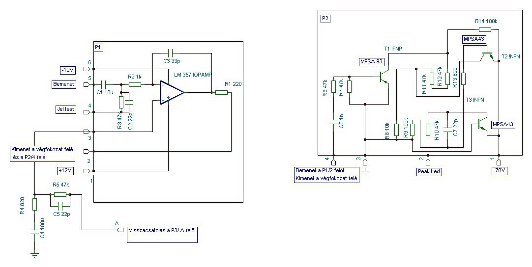
Tessèk
Szerintem ez lesz a rajza
Mi a helyzet a drótok végén lévő tranzisztorokkal? Azok sem zárlatosak? A rajz szerint T19-T20.
A sárga vezetékeken mindkét oldalon féltáp mérhető ? A hozzászólás módosítva: Dec 21, 2019
Semmi nem zárlatos,ez az érdekes s mégsem megy
Hasonló,de nem ez
Hol látsz eltéréseket ? Nem a félvezető típusokra gondolok.
A hozzászólás módosítva: Dec 21, 2019
A panel alján lévő, sárga vezetékre menő barna ellenállások egyforma értékűek, nincsenek megnyúlva?
Igen igazad van elnézést,csak az ezelőtti három napom kicsit zsúfolt volt
|
Bejelentkezés
Hirdetés |












