Fórum témák
» Több friss téma |
Fórum » Kapunyitás gombnyomásra olcsón! - avagy automata kapu házilag
Témaindító: szabi83, idő: Feb 2, 2006
klikk Ha jól tudom egyszer megnyomod a tanítás gombot a panelon, utána a másik gombot nyomod meg. Ha többször nyomod meg a panelon a gombot, akkor különböző módok közt tudsz választani. Öntartó, addig húz a relé, amíg nyomod a gombot, ídőzített öntartás.
A hozzászólás módosítva: Okt 2, 2019
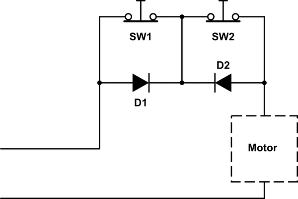
Utólag olvasva a reggeli kávé mellett sikerült újra értelmeznem a kérdésedet. Önmagában kevés lesz ez az elektronika hozzá. Végállásokat is figyelni kell. Illetve érdemes úgy tervezni az egész egységet (én úgy terveztem meg), hogy ez a modul csak a folyamat indításáért leállításáért legyen felelős, de közvetlenül nincs kapcsolatba a motorokkal. Nekem a PIC-hez van bekötve. És onnan dolgozza fel a jelet, hogy épp nyitnia kell vagy zárnia kell. Ha a kapu kinyit végállásra, akkor a PIC lekapcsolja a tápot egy pillanatra a reléről, így a relé elenged. Innentől a PIC úgy veszi, mintha a zárást nyomtam volna meg. És zárt végállásra küldi a szárnyakat. Természetesen ha a zárást nyomom meg akkor is zár, figyelve az infra kapukat is nincs e útba valami ami a folyamatot zavarná. Viszont van egy másik megoldás, ami talán működni, csak nem találom a kapcsolási rajzot.
Meglett a kapcsolási rajz. Értelemszerűen kettő darab kell (két karos esetben). A diódákat úgy érdemes megválasztani, hogy tudod a motor áramfelvételét. A bemeneten azért nem adott a polaritás, mert váltani kell (eredetileg opel astra belső keringetés végállásához találták ki, de hasznosítható itt is). Tehát az elektronika amit a képen csatoltál még mindig kevés, de el lehet rajta már indulni. Kell még egy két áramkörös 12 voltos relé, amit a távirányító fog kapcsolni. A két áramkörös relével kapcsolod a tápot. Az egyik állásban simán kötöd a kimenetet a másik állásban keresztbe, így fordul a polaritás. A kapcsolás működése szerintem adja magát. Csak az adott irányhoz előtte érdemes megkeresni melyik végállás kapcsoló kell oda. Tehát így egy alap kapunyitót már megtudsz oldani. DE! Nem árt ha komolyabbra fordítod a projektet. Mert ha itt záráskor bele áll valami a munkaterületbe akkor nem lesz ami megállítsa a folyamatot, tehát ebben az esetben mondjuk az autó mehet a fényezőhöz. Viszont, ha ragaszkodsz ehhez a megoldáshoz, akkor érdemes a vezérlőt időzített kapcsolással használni. Tehát nyitás után mondjuk fél perc után automatikusan "nullázza" a relét így a zárási folyamat aktiválódik. Sok sikert
Üdv! Olvasgattam keresgéltem! És arra jutottam hogy egy 4 csatornás távirányítót veszek!
Mert egyszerűbb. Plusz a kapu becsukàskor a reteszelést is tudom arról vezérelni . Vagy a reteszelelést ti hogyan oldanàtok meg? Én külön gombra gondoltam úgy a legegyszerűbb. Bár jobb lenne ha a kapu becsuk akkor magától zárna a retesz.ha pedig nyirom tegyük fel b gombbal akkor automatikusan kiold a retesz
Nekem PIC vezérli, úgy írtam meg, ha jelet kap, akkor a két szárny késleltetve nyíljon. Itt van 3 másodpercnyi késleltetés, tehát a rázáródó szárny nyílik először. A reteszelés nekem panelházi ajtózár (elektromágneses), ami a késleltetés ideje alatt üzemel csak. Ennyi idő elég neki. A retesszel kapcsolatban egyszerű elektromos zár ez is járható út. Igazából még nem kaptam kulcsot a házhoz, de a kapunyitó már építés alatt van. Tehát a reteszelés dologról nekem ez a két lehetőség lesz, amit előzőekben írtam. Szerintem mindkettő járható. Vagy esetleg még ez is használható, bár nem tudom mennyire bírja a nagyobb erőhatásokat. 4 csatornával már valamire tudsz haladni, csak itt megint érdemes olyan kérdést feltenni, mi van ha a reteszt elfelejtem kinyitni és úgy nyitom a kaput? Értem itt ez alatt hogy ha a retesz zárva van és véletlenül a nyitásra nyomsz, akkor a retesz esetleg befeszülhet. És akkor gombnyomásra nem feltétlenül fog nyílni.
Esetleg a nyitás gombra nem lehet esetleg ugyanúgy a reteszt is bekötni? Hogy egy gombbal működjön ? Esetleg a motor kicsit később induljon?
Ha valaki szeretne egy kapunyitó vezérlést megépíteni, akkor annak ajánlom ezt.
Hello! Értem én, hogy szinte mindenhol 820Ohm van, de az R27 és R28-nál, kissé méltánytalan a dolog. A váltóról nem is beszélve..
Ha ajánlod miért csak egy képet tettél fel ? Nyákterv hex elérhető valahol ?
A hozzászólás módosítva: Okt 4, 2019
Megoldható, ha mondjuk 555-el késlelteted a nyitást. Tehát két szárny van, az első ami először záródik, a második ami rá záródik. Nyitás esetében a rázáródót kell először nyitni, ami egyből indul. A másik oldalt mondjuk egy 555ös időzítővel lehetne késleltetni ha.... de a rázáródó szárny még mindig nem indulhat hamarabb, mert a retesz bent van és véleményem szerint a reteszt kihúzni és a motort indítani egyszerre nem éppen egészséges. Tehát úgy kéne kilogikázni a sorrendet, hogy retesz kihúz, 1 másodperc szünet, első szárny nyit 3 másodperc szünet, majd a másik szárny nyit. Visszafelé persze fordított sorrenddel. Itt viszont már nem ártana valami komolyabb elektronika és a távirányítós részt csak közvetetten beletenni a vezérlésbe. Tehát ha a reteszt be is kötöd nyitásra még mindig kérdéses hogy az alatt az idő alatt amikor a szárny nyílik nem-e fog rá a reteszre. Természetesen, ha a reteszt elhagyod, az előzőekben közölt végállásos kapcsolással már járhatóbb az út. De a késleltetés kérdése még mindig ott van. Ha nincs is retesz a menetes orsó megtudja tartani a kaput szükség esetén pl erős szélben, ha megfelelő vastagságút használsz.
Nekem mechanika egy nagy szárnyat nyit Nem kétszárnyú hanem egy 3 méter 60 hosszú de ha mechanika meg lett csinálva hogy nyissa mostmár csak az elektronikai része kellene. De maradok a 4 csatornás távirányító mellett
Üdv! 18 v akkus fúró motor a meghajtás . Toroid trafó a tápegység. Mekkora greatz híd kell nekem? Mekkora kondenzátor?
Segítségre van szükségem. Van 2 darab 2 gombos távirányítóm (fix kódos 433MHz-es) Kérdésem az lenne, hogy a gyári kódot hogyan tudom kitörölni a távirányítókból? Nem a vevő egységből. Olvastam olyanokat, hogy 10 másodpercig nyomni kell mindkét gombot, majd a B gombot háromszor megnyomni, ha a LED villan. De itt egyiken sem történik ilyen fél perc után sem. a youtubeon amiket találtam videók azok 4 gombos verzióhoz vannak, illetve alaplappal való társításhoz.
fotó vagy pontos típus jó lenne. Általában nagyon kevés távot lehet resetelni. Lényegében a vevő megjegyzi az távot és annyi. Max a dipes és a multi távok törölhetőek más eszközre való feltanítással. Pl. Bft táv feltanítható több vezérlésre is, a régebbit simán nyitja.
A jobb oldalit két éve vettem, azt akkor sikerült resetelni, annyira emlékszem, hogy akkor is megszenvedtem vele, a folyamatát sajnos már elfelejtettem. A bal oldali az új, még csak próbálva volt, de az se reagál arra, hogy a két gombot hosszan nyomom (nem villan a LED). Több magyar oldalon is olvastam, hogy ezek a távok tudnak egymástól is tanulni, ha töröljük belőle az előző kódot.
A hozzászólás módosítva: Okt 10, 2019
Ezek a leggagyibb kínai, autóhoz való távok.
Bal oldali Jobb oldali, leírásssal Vegyél rendeset Pl.: Tx multi táv + Rx multi vevő. Az jó lesz.
Sziasztok újabb fordulóponthoz érkezett a kapunyitó projektem. Kérdésem az lenne, hogy aki már megépítette a kapumozgatót, az tett bele reteszelést? Tehát ha bezár a kapu akkor valamilyen módon megakadályozza, hogy külső erővel nyitható legyen?
Üdvözletem!
Tudna valaki segíteni ? Az a kérdésem,hogy gépkocsi központi zár vezérlő egységével lehet e kapunyitást vezérelni és ha igen milyen kiegészítő egység kell hozzá?
Többrétegű probléma: van-e szabad gomb a gk. távadóján?
Ha van, milyen kódolás, frekvencia? A kapu vevője rá tanítható-e? Ha nem akkor kell egy olyan vevőt kötni a kapuelektronikára ami tudja kezelni a gk. távadóját.
Szerintem nem erre gondolt, van egy szett központi zár nyitója és a motorok kimenete helyett pl relét vezérel.
Szerintem összehozható, ha jól tudom kb 1 másodpercig ad ki 12v-ot, az hogy cserélgeti a polaritást (nyitás/zárás) a relé szempontjából lényegtelen, ill 1-1 diódával akár csak nyitás csak zárást is lehet kapcsolni.
Lehet az is, elsőre így jött le nekem. Ha kicsit pontosít a kérdező akkor előrébb leszünk.
lelkes amatőr és zsoltee0001 bocsánat holnap rakok föl képeket, ha föltudom rakni. Igen van egy komplett szettem két távirányítóval amit nem használok mert valamilyen oknál fogva nem ad jelet az irányjelzőnek, a zárás és nyitás tökéletes.
Küldöm a képeket a központi zár szettről.
A hozzászólás módosítva: Dec 31, 2019
Nem mindegy, hogy "kapunyitást vezérelni" úgy, hogy van egy rendes kapumotor vezérlőegységünk, amelynek ezzel a központi zár szettnek a távirányítóval adjuk az indítójelet...avagy egy "csupasz" kapura szeret villanymotort (DC12-24V?...AC230V?!!!) csak ezzel szeretnék közvetlenül kapcsolgatni.
A kapuvezérléshez ennél azért picivel több kell.... A hozzászólás módosítva: Jan 1, 2020
Van egy régi kapunyitó mechanikám 230V os. A motorja olajszivattyút működtet,valamikor az eredeti vezetéke 4 eres volt,de tönkrement és sima három eresre lett cserélve.Jelenleg két kapcsolóval működtetem,az egyik a motor forgás irányát kapcsolja a másik az indítást.Ezt szeretném távirányítóval működtetni. Az eredeti kábelt mellékeltem,Azzal nem kellett külön kapcsolgatni a forgás irányt ( egy új kábel több mint nyolcezer forint) az eredeti vezérlő egység nem került hozzám.
A hozzászólás módosítva: Jan 1, 2020
Idézet: „egy új kábel több mint nyolcezer forint” 4x1 es kábel métere 100Ft a sarki villamossági boltba, valamit benéztél, mert kell a forgásirányt és a működésre kapcsolására is relé. A közös vélhetően a kék, a két piros valószínűleg a két irány és a földelés. De ohmmérővel mérd le, az a biztos. Üdv
zsoltee0001, Valóban úgy van ahogy írod.Én a gyári szerelt kábelre értettem,annak speciális "fejrésze" van mivel az tömít az olaj kifolyás ellen. Továbbra is érdekel a legelső kérdésem (hogyan tovább?)
Szerintem először addig juss el, hogy működtess egy relét a központizár vezérlőddel.
Azután kell egy egyszárnyú kapunyitó vezérlés, mert itt most tulajdonképpen a rádióvevőt váltod ki a központizár vezérlőddel. Üdv
Jelenleg simán két kapcsolóval működtetem a nyitást zárást.
A hozzászólás módosítva: Jan 2, 2020
A lehető legegyszerűbb ha kell, akkor ezt szoktam ajánlani:Nice A0
Olyan egyszerű mint a faék, megbízható, nincs benne processzor. Még ha jól tudom végállás bemenet is van. Ennél primitívebb nem létezik kapuautomatizálás terén. Üdv |
Bejelentkezés
Hirdetés |
















