Fórum témák
» Több friss téma |
Szerintem senki, pláne ha olyan valamibe kell ami eleve nem ér annyit... Nekem egy 15 ezret érő szkópban kellett cserélni őket, abba épp megérte volna 13-ért darabját.
![]() Egyébként van nekem olyanom még pár darab valahol egy zacskóban, meg vannak jobb minőségű bontottak is, de véletlenül se találom, pedig fél órát kerestem.
Azért a Radiall BNC csatlakozói 4 GHz -ig jók, és felhasználhatod űreszközökben is, ahol nincs mód (egyenlőre) javításra.
Nyilván nem ezt kell választani, igazítani kell a körülményekhez a minőséget is. Csak azért írtam, hogy lásd az árbeli különbséget egy Radiall, és egy Amphenol között, de a Suhner termékei sem rosszak.
Üdv!
Hangolható frekvenciás berendezés (~30MHz-400MHz) tekercsét összekócoltuk. Egy új tekercs elég drága lenne, így azon gondolkodom, hogy készítenék egy újat. Az eredeti tekercs 0.75mm keresztmetszetű ~150mm hosszú ismeretlen összetételű drótból volt 8 menettel. Alapvetően két kérdésem lenne. Hogyan tudom azt a 8 menetet tökéletesen azonos geometriájúra tekerni, milyen praktikákat tudtok? Illetve számít-e a drót ellenállása? Mivel lehet azt megmérni (gondolom a multiméter az nem elég érzékeny hozzá). Vagy milyen egyéb tulajdonságát mérjem még le az eredeti drótnak? Köszönöm!
Itt nem a megtekeressel van baj atmero menetszam vezetek atmero adott .anyaga CuZ vagy jobb minosegben ezustozott rezhuzal ... ez fenyes ezustosen fenyes lenne.
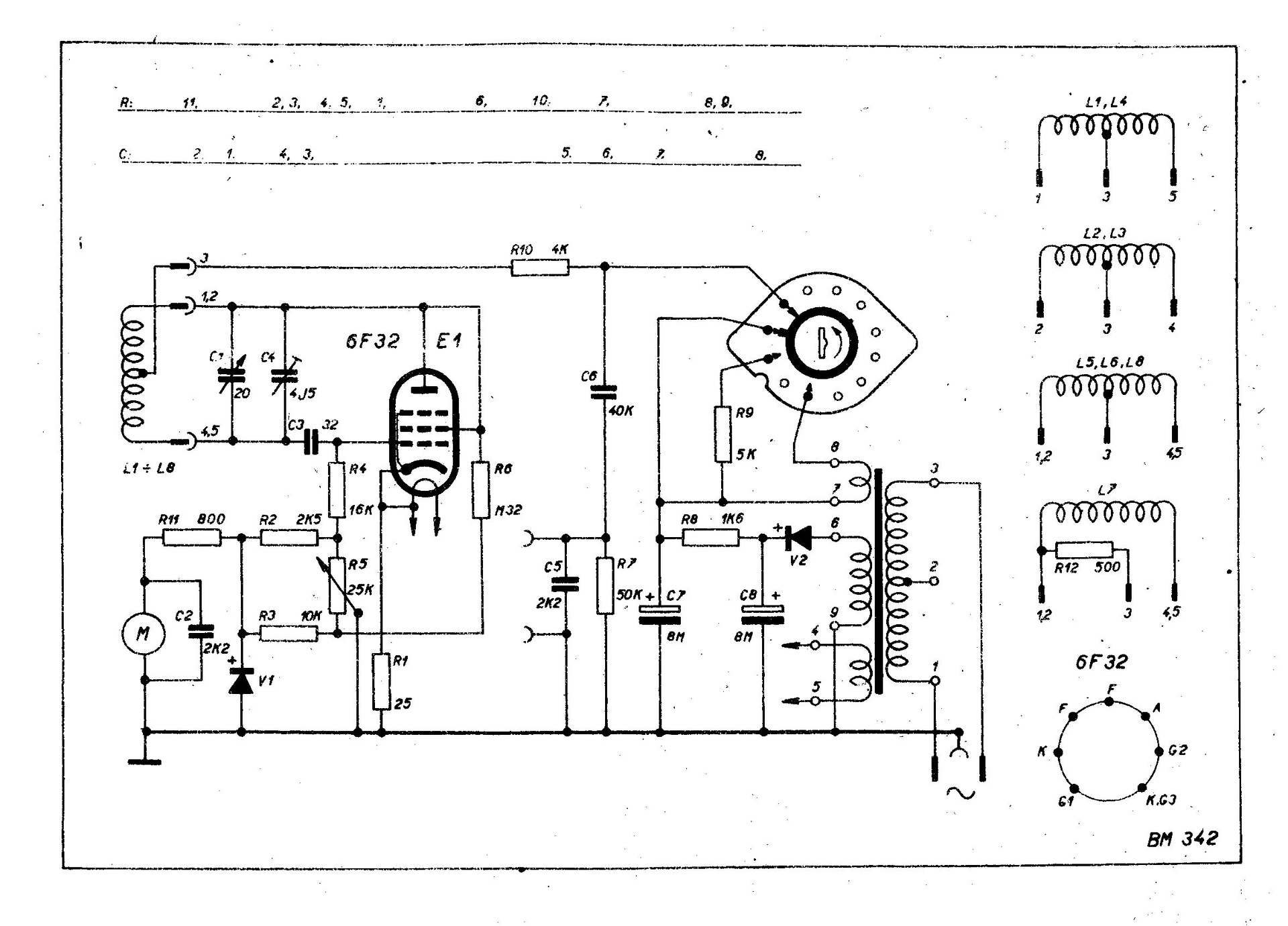
Hanem , hogy milyen frekvencia tartomanyban kell mukodnie? Ha szurokor volt akkor woberrel lehet behangolni . Sajnos nem tudod milyen frekvencia menetu volt az a szurokor.service manual segithet Ha csak oszcillatorban volt akkor konnyebb a helyzet ... "csak a kezdo/veg freki hatarokat kell vele beallitani. Erre eleg egy frekimero is. A tekercs menetei kozott levo tavval tudsz ezen allitani avagy a korulotte levo trimmer kondikkal ha vannak. Elvirajz nelkul eleg maceras a dolog, de nem lehetetlen. Vissza lehet rajzolni , vagy megkeresni a service manualt az eszkozhoz. Ellenallasa itt kevesbe lenyeges , induktivitasa szamit A hozzászólás módosítva: Jan 29, 2020
Sziasztok!
Van egy Tesla BM-342es GDO műszerem. Egy gondom van vele , hogy a frekvenciamenete nem folyamatos. Lehet tekercset csinálni a "lyukas" helyekhez? Ebben tud segíteni valaki?
Én legfeljebb egy lyukat látok, de az sem biztos, ameddig meg nem méred...
A hozzászólás módosítva: Jan 29, 2020
Lehet, persze. Több megoldás lehet, attól függően, hogy milyen műszered van, meg mekkora tudásod hozzá. Ha van frekvenciamérőd, egyszerűbb a dolog. Ha nincs, akkor bonyolultabban, de "saját magával" is meg lehet csinálni, de akkor több tudás kell hozzá.
(A skálát is ki kell egészíteni, talán az a legbonyolultabb része, és ahhoz tényleg jó volna egy frekvenciamérő.)
Szia!
Első közelítésben, ha a 150 mm a teljes hossz, abból vedd le a végeket, amikkel be volt forrasztva, pl. 10 mm. Így maradna 140 mm, ami 8 menetre elosztva és a kerület ( menethossz ) miatt 140/8/3.14= 5.5 mm tekercsátmérőt adna. Próbálj visszagondolni ( ha nem csévén volt ) az eredeti tekercshosszra is ( +menetek közötti hézag ). A drótnál is pontosabban kellene fogalmaznod: tényleg "0.75 mm keresztmetszetről " írsz ( az mm^2 ), vagy 0.75 mm átmérőről. Nem mindegy, mert az "előbbi" már 1 mm-es átmérő lenne. Ha ezeket letisztáztad, egy 5-ös ( vagy 5.5 ) csigafúró szárára csinálhatsz szorosan próbatekerést, mit tudsz alkotni - kicsit úgyis szétugrik a réz is..
Neked is nagyon köszönöm!
Ez egy NMR spektrométer. Ha tettem bele tekercset ki tudom próbálni, hogy behangolható-e a tartomány két vége. A mérendő minta a tekercs belsejében forog. Mindig más minta kerül bele, így a permeabilitás változik, ezért kell minden anyagra külön hangolni. Az viszont nagyon fontos, hogy a tekercsen belül létrehozott mágneses tér tökéletesen homogén legyen (ezért drága a gyári alaktrész). Közben olvasgattam és találtam egy csomó ptogramot, ami kiszámítja a Henry értéket. Gondolom ez jellemző a tekercsre és csak az ellenállásokat és kondenzátorokat tekerve hangolom a kívánt frekvenciára? Valóban, a drót elelnállása nem tényező ezekben a számításokban, csak amiket Ti is említettetek. A menetek közti rés nem ismert egyedül, hiszen amíg működött nem szedtük szét annyira, hogy lemérhessük de talán mástól meg tudom kérdezni. A tekercs hosszát is csak saccolni tudom. A drót átmérője 0.75mm, ezt lemértem mikrométerrel. A tekercs átmérője elvileg csak kis rést enged meg a 4mm-es mintatartó mellett, vagyis ideális esetben ez minimális. Itt 4.5mm-el számoltam. A drót elég rugalmas volt és rideg. Tudnátok javasolni egy boltot, ahol ilyen speciális drótokat lehet venni? Műanyag bevonat nem megengedett, valami más felületkezelése lehetett. Akkor szerintem kipróbálom, aztán ha nem jó alakítok rajta vagy csinálok újat, addig, amíg tökéletes nem lesz. veszteni valóm nincs A hozzászólás módosítva: Jan 30, 2020
Ez a drót aranyozott.. a spéci műszerben megengedték ezt ( ár ), a magas frekvencia miatt is nagyon jó.
Szerintem tudsz keresni ezüstözött drótot elég könnyen, a rádióamatőrök tele vannak vele ( ilyen kis tételben ). A dc ellenállással ne foglalkozz, mert elég kiszámolni, hány milliohm lenne. ?.) Próbatekerésre már csak a forma miatt is szánj időt, nehogy egy jobb drótot pazarolj el abban az értelemben, hogy újratekergeted, stb... Ha már megfelel a forma, akkor pedig mehet élesben, márcsak a tartó idomot se lenne jó "agyonégetni" többször. A hozzászólás módosítva: Jan 30, 2020
Ilyen van nekem is, és én is beleszaladtam a problémába, hogy a 20m-es sáv (14MHz) kimaradt a méréstartományból. Sokat ezzel nem foglalkoztam, mert van másik (saját készítésű tranzisztoros), ami tudja ezt a tartományt.
Nekem inkább a kapcsolóállások nem voltak teljesen tiszták, de most a kapcsolási rajzot nézegetve megvan hogy mikor mit csinál (eddig csak a GDO állásban használtam).
Hm nem kis macera ezt rendbe tenni.
Jobb esetben lehetne valami onteszt ami uresen kalibralja a rezgo/mero kor kornyezeti jellemzoit. Aztan majd a meresek eredmenyeit osszeveti az ures adatokkal , allapottal. Valoszinuleg gyartas utani bemereskor is ilyesmit vegezhettek. Eszkoz mukodesenek , kezelesi leirasanak hianyaban csak feltetelezek.ezt azt. Jo nagy frekvencian szeles spektrumban dolgozhat az egesz rendszer. Lehet ezert inkabb wobbler szkop kellene a bemereshez , mivel egy rezonator avagy anyag minta fuggoen valtozo reagalasu szurokor szeru viselkedest produkalhat. Legalabbis amit most a gyorsan olvastam a spectroszkopia mukodeserol . Leginkabb ez a muszer egy tracking generator + spektrum analizator kombinacioja lehet. A merendo nagyfrekvencias "sávszűrő" ez a "specialis" tekercs" ami a kornyezo szerelesi kapacitasokkal rezgő kört alkot. (2 db vezeto amihez forrasztva van) . Ennek a rezgokornek a beletolt anyagtol fuggoen mas mas valaszt ad az RF energianak a gerjesztes hatasara. Traking generatorral gerjesztik adott allando szintu energiaval. Kozben valtozik a frekvencia adott lepeskozzel vagy folyamatosan. Ezt a frekvenciafuggo amplitudo valtozast detektalja a rezgokor kimenetere kotott spektrumanalizator. A hozzászólás módosítva: Jan 30, 2020
Ezt a gondolatsort átkéne rakni az " RF műszerek és mérések topicba"
Megkérem a modikat erre RF műszerek, mérések topic A hozzászólás módosítva: Jan 30, 2020
Köszönöm!
Ha átkerült ott folytatom. Vannak új infóim.
Csupán le kell másolnod a meglévő, frekvenciában hozzá közel álló tekercset egy kis menetszám eltéréssel.
A hozzászólás módosítva: Jan 30, 2020
Épp most mértük meg elektronmikroszkóppal a felület és a belső összetételt.
A bevonat ~75% ródium a maradék arany. A belső tiszta réz. A drót átmérője is inkább 0.7mm. (14 méter = 10 angol font, bár csak arany bevonatot ír, rákérdeztem az összetételre, de feltehetően nem probléma ha csak aranybevonatosból csinálom) Egy orosz társaság aki ilyeneket javít és volt már szerencséje ehhez a konkrét típushoz megígérte, hogy elküldi a pontos méreteket jövő héten. Elég valószínű, hogy változó menetemelkedésű a tekercs, azaz a két végén sűrűbb, esetleg a tekercs átmérője változó.
Na ilyen az eredeti tekercs. Szerencsére nem változó menetemelkedésű.
6.5 menetre és 7.55mm hosszú tekercsre 1.16mm menetemelkedés jut. Esztergáltatok egy sablont, amire feltekerhetem.
No akkor ez már jó hír , hogy nem változó menetemelkedésű .
"Csak" követni kell a mintát és megtekerni. Persze amit lehet kapni "általánosabban" elérhető az ezüstözött huzal. Nálatok meg éppen kicsit kurrensebb anyagból készült a bevonata.
Mire használják a változó menetemelkedésű tekercset?
Talán a menetek közötti kapacitás változó, így nem lesz saját rezonancia frekvenciája.
De ez csak egy hirtelen ötlet, lehet hogy badarság... Nyomórugónál használják ezt az elvet, de annak a karakterisztikája is progresszív lesz így
A változó menetemelkedéssel az indukált tér homogenitásán javítanak.
A ródium feltehetően azért kell, hogy ne húzzon ívet a menetek között vagy a műszer más részeihez. Állítólag az arany alá nikkelt szoktak tenni, ami itt nem lenne jó, mert az mágneses. Akitől vettem az aranybevonatos vezetéket azt írta, hogy nincs benne nikkel... nagyon remélem.
Köszönöm a válaszokat, ha a nyákot aranyozzák, akkor is nikkellel alapoznak, biztos a tapadás miatt.
Kedves mindenki!
Köszönöm a segítséget! Sikerült a javítás, mondhatni egyes paraméterekben jobb mint a gyári volt ![]() A gyár 17000Eurót kért a javításért. Én megcsináltam 15000Ft-ból. Viedó hamarosan.
Ha netan egyszeruen kellene megszakitani a generator kimeno jelet.
Lehet ennel kulturaltabban is .Egyszeruseg szulte .
Ha PIN diódát vagy Schottky diódát használnánk, akkor az javítani az adó hatásfokán?
A dioda csak reszben tudja foldre huzni a kimenetet, a nyitoaramatol fuggoen.
Azt a led maximalis arama korlatozza. Kb 5 - 10 mA ... ebbol adodik a rdinamikus maximalis erteke is ami földfele húzhatja a kimenő szintet. 26 mV / 5 ... 10 mA ... ekkora dinamikus ellenallasa lesz a diodanak. ( 2 -5 ohm) (26mV atlagos ertek termikus feszultseg ). Az rf jelet ezen kivul a dioda szort/parazita kapacitasai is terelgetik föld irányba. A hasznos kimenoszintet a soros ellenallas korlatozza, impedanciat modositja. Schottkynak kisebb a nyitofeszultsege . PIN eseteben pedig jobban szabalyozhato csillapitast lehet megvalositani. A szembe forditott 2 diodaval jobb beiktatasi csillapitast lehet elérni , energia fogyasztas nelkul is. Ez most forditva dolgozik, amikor folyik aram akkor csillapit, nyugalomban atvezet. Jo jo par mA-ről van szó ... de akkor is pocseklas hordozhato uzemben .Mint fentebb irtam van ennel kulturaltabb, atgondoltabb megoldas is . A hozzászólás módosítva: Szept 26, 2020
Egyszeru billentyuzheto jelforrasra volt szuksegem tomeges vevo ellenorzeshez.
Fiokban hevero alkatreszekbol raktam ossze. |
Bejelentkezés
Hirdetés |







de talán mástól meg tudom kérdezni. A tekercs hosszát is csak saccolni tudom. 




.