Fórum témák

» Több friss téma
Fórum » Hegesztő inverter javítás
Lapozás: OK   100 / 119
(#) dara válasza PiperR hozzászólására (») Ápr 16, 2020 /
 
Mérd meg a 11-14 lábat a tranyoig,10-20ohm ellenálás szokott lenni.Két-két tranyo bázisa van összekötve egy P és N csatornás.Utána a tranyokat hátha valamelyik meghalt.Aztán a gét trafó primer tekercsét szakadásmérésen és a négy szekunder tekercset szintén.Valamelyik hibás alkatrész cseréje után meg kell jelenni a gét meghajtó jelnek.
(#) PiperR válasza dara hozzászólására (») Ápr 17, 2020 /
 
4 db 10 ohm ellenállás megy a tranyókra, mind jó (nem forrasztottam ki), primer, szekunder kör tekercsei is okésak, nem szakadtak. A tranyókat kiforrasztom megmérem őket, csak ott lehet valami gubanc.
(#) dara válasza PiperR hozzászólására (») Ápr 17, 2020 /
 
Valahol ott kell lenni mert utközben elveszik a jel.2-2db P-N tranyó van ott úgy méregesd.
(#) PiperR válasza dara hozzászólására (») Ápr 17, 2020 /
 
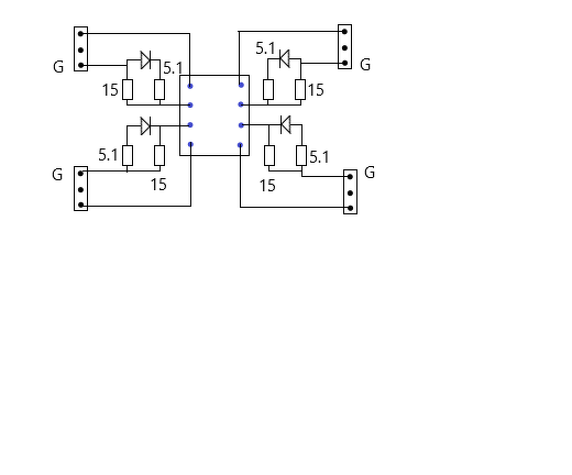
Nos, kiszedtem a tranyókat (mosfetek amúgy) SVD9Z24N, és SVDZ24NT. Mind a 4 jó (avr-s teszterem van, az felismerte jónak vélte)! Megmértem a gét trafó lábait, a képen látni, bal oldali 4 rövid zárba önmagukhoz képest, jobb oldali 4 rövid zárba szintén önmagukhoz képest, a trafóba megy 2 fekete vezeték (gondolom az a primer kör) az is rövid zárba, ez így okés? A vezérlő ic közvetlen lábaitól mértem a 10ohm-os ellenállásokig az is rendbe.
(#) dara válasza PiperR hozzászólására (») Ápr 17, 2020 /
 
A géttrafón csak pármenet van mérheted rövidzárnak.A gét primerlét forrasztd ki a két fekete az,rakd vissza a cuccokat és a két fekete helyén mérj feszt.Kell lenni 5-7V nak.H a van,forrasztd vissza,mérj megint a helyén ha kb ua méred akkor a szekunder körben van még mindig zárlat.Hát igen,keserves ez így szkóp nélkül,meg hogy nemigazán tudod hogy mit hol kellene multival mérni.Na majd meglátjuk.
(#) PiperR válasza dara hozzászólására (») Ápr 18, 2020 /
 
Visszatéve az összes meghajtó fet, kiforrasztva az egyik fekete vezeték a primeren, 8,3v-ot mérek. Visszaforrasztva, szintén. Az igbt-ken továbbra is 0,11v. Az igbt-k szélső lábainál egymáshoz képest 15 ohm környékén mérek, mindegyiknél.
(#) dara válasza PiperR hozzászólására (») Ápr 18, 2020 /
 
Mérj a trafó négy kivezetésén egyenként,mit mérsz?
(#) PiperR válasza dara hozzászólására (») Ápr 18, 2020 /
 
Mind a 2 oldalon megmértem (4-4), egyenfeszültség szinte 0v. Akkor lehet hogy a trafó rossz? A primer körnél megvan a 8,3v.
A hozzászólás módosítva: Ápr 18, 2020
(#) dara válasza PiperR hozzászólására (») Ápr 18, 2020 /
 
Nemhiszem,a 15 ohmok nem jók szerintem.Ez majdnem zárlat a trafónak.A trafóról elmenő első alkatrészt forraszd ki mindegyiknél és úgy mérj a trafók kimeneteire.Ha letudnád rajzolni a trafó utáni pár alkatrészt értékekkel az sokat segítene.Mind a négynél ua a hiba.
(#) PiperR válasza dara hozzászólására (») Ápr 18, 2020 /
 
A trafó utáni alkatrészek a következők: 150 smd, 5R1 smd ellenállás (15ohm, és 5,1 ohm), dióda (mind jó kiszedve megmértem), meg 2 kondi egyik 247 pF környéki, a másik 10 nF környéki azok is jók! Mind a 4 igbt-nél ugyan ezek vannak. Trafót kiforrasztom inkább, úgy mérem meg, az ellenállásokat alig bírom levenni, mert ragasztva is van, forrasztva ólommentessel van, ráadásul 2 oldalas nyák. Úgy milyen értéket kell hogy kapjak?
A hozzászólás módosítva: Ápr 18, 2020
(#) PiperR válasza dara hozzászólására (») Ápr 18, 2020 /
 
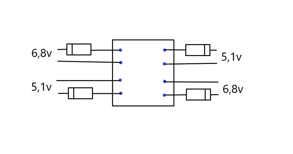
Kiforrasztottam a gét trafót, minden lábán kb. 5,4V-ot mértem váltóba! Lerajzoltam a trafó utáni dolgokat.
(#) dara válasza PiperR hozzászólására (») Ápr 18, 2020 /
 
Nehogy kivedd a trafót nincs annak semmi baja.Ja már kivetted.Váltóban itt nem tudunk mérni a több Khz miatt csak egyenben és csak inkább detektálunk mint mérjük.Ha már kivetted a trafót az egyik tekercs egyik lábára egy valamilyen gyorsabb diódát forrassz rá,és mérj egyenbe.Minden tekercsen mérd meg.
(#) PiperR válasza dara hozzászólására (») Ápr 18, 2020 /
 
Diódának SB560 használtam. Lerajzoltam hogy mértem, és milyen feszültségeket kaptam. Akár hogy nézem ezek a feszültségek meg kell hogy jelenjenek az igbt lábainál. Kiforrasztottam a diódákat és jónak mértem, meg az ellenállásokat is (mondjuk azt a helyükön).
A hozzászólás módosítva: Ápr 18, 2020
(#) dara válasza PiperR hozzászólására (») Ápr 18, 2020 /
 
Ez jónak tünik ha nem is egyforma a négy.Akkor nem értem miért nem tudsz mérni a másik áramkörrel.Most hogy kinn a trafó,mérj a g-s lábra ellenálásmérésben hogy nincs e zárlat.Ha nincs tudnod kell mérni ott feszt.Sipold ki a g-s töl a trafóig a nyákot.
(#) PiperR válasza dara hozzászólására (») Ápr 19, 2020 /
 
Kimértem a dolgokat, mindegyik alkatrész jó. Vissza tettem a trafót, és megint nincs feszültség. Kiforrasztottam az összes (4db) diódát, és az egyik helyére beletettem az SB560-at, semmi változás. Persze a kiszerelt diódákat megint kimértem jó az összes. Vissza tettem őket, majd a 15 ohm-os ellenállást kiszedtem, 2-őt is. Nah itt már kaptam mérhető feszültséget 20V-ot! Mindkettőnél, a többin ugyan így 0v. Csatoltam fotót honnan vettem ki az ellenállást. Beterheli a 15 ohm, vagy mi történik? Persze az ellenállások is jók! Jah és mikor ki volt véve a trafó, a G-S lábaknál nem volt rövidzár!
A hozzászólás módosítva: Ápr 19, 2020
(#) dara válasza PiperR hozzászólására (») Ápr 19, 2020 /
 
Mivel a két szál vezeték a rajz szerint nem kapcsolódik(hacsak az igbt felöl nincs zárlat)nincs mihez beterheljen.Vedd ki a másik két 15ohmot,és rakj mindegyik igbt G-S lábára egy egy 18V zenert.Egyébként sem érthető minek van az ott.Mérd meg az összes kimenetet hogy egyforma e és mehet bele az igbt.A hálozati kábellel köss sorba egy 100-as égőt úgy próbáld el kell halványodni az égőnek ha jo a működés.A zener legalább fél wattos legyen.
(#) PiperR válasza dara hozzászólására (») Ápr 19, 2020 /
 
Okés, jövőhéten tudok majd foglalkozni vele. Kérdés: igbt ami benne volt FGH60N60, kiváltható FGA60N65-tel? Csak az ára miatt gondoltam. A zenernél az anód a G-re, a katód az S-re?
(#) dara válasza PiperR hozzászólására (») Ápr 19, 2020 / 1
 
Igen jó lesz bele.A zener ahogy írtad.
(#) mpisti válasza dara hozzászólására (») Ápr 19, 2020 /
 
"Egyébként sem érthető minek van az ott." Nagyon is érthető okból. A 15 ohmos ellenállások a bekapcsolási áramot, az 5,1 ohmos ellenállások a kikapcsolási áramot korlátozzák. Az 5,1 ohmal soros dióda pedig gondoskodik arról hogy a töltési és kisütési áram különböző nagyságú lehessen. Ide gyors kapcsolódióda kellene szerintem, de ha a gyártó shottky-t (mint pl. az SB560)használt akkor biztosan az kell oda. Lehet hogy a veszteségek minimalizálása miatt alkalmazza ezt a megoldást a gyártó. Egyébként meghajtó trafó is lehet rossz. Én már cseréltem menetzárlatos meghajtót.
Persze ezt a hibát megtalálni csak szkóppal lehet.
(#) dara válasza mpisti hozzászólására (») Ápr 19, 2020 /
 
Rendben,de kivette és megjelent a gét fesz.Vagyis az nem ott van ahol a rajzon.
(#) mpisti válasza dara hozzászólására (») Ápr 19, 2020 / 1
 
A gate fesz azért jelent meg mert megszünt a jelet blokkoló állapot. Mind a 4db 15 ohmos ellenállást ki kell venni és úgy mérni. Ha ilyenkor mind a 4 jel egyforma a trafó kimenetén, akkor egyesével vissza kell forrasztani az ellenállásokat és minden egyes visszaforrasztás után mérni. Ahol eltűnik a jel az a kapcsolófokozat hibás. Én minden félvezetőt cserélni szoktam ilyenkor, mert lehet hogy az alkatrészek különbözőségét nem fogja tolerálni a végfok és ismét elszáll.
(#) PiperR válasza mpisti hozzászólására (») Ápr 19, 2020 /
 
Akkor kicserélem az összes diódát, ellenállást, az a tuti. A zeneres megoldás ebben az esetbe nem kell, vagy bajt nem csinálok vele ha beleteszem?
(#) dara válasza mpisti hozzászólására (») Ápr 20, 2020 /
 
A végén nyitott az áramkör az ellenállás sorban, hol is blokkol az a 15ohmos?
(#) PiperR hozzászólása Ápr 20, 2020 /
 
Amik bent vannak diódák, S4 van mindegyikre írva. Helyette jó lesz SS14?
(#) mpisti válasza dara hozzászólására (») Ápr 20, 2020 / 1
 
A jelet nem a 15 ohm blokkolja,(bár ha G-E zárlat van akkor simán lehet blokkolt jelet látni szkóppal)hanem a hibás végfok,vagy rétegzárlat a nyákon.
Ha viszont a kapcsoló tranzisztorok ki vannak forrasztva és ennek ellenére fennáll a hiba akkor sima ellenállás méréssel a hiba helye felderíthető - feltéve ha az impulzustrafó is ki van forrasztva.
Az impulzustrafót tesztelni szkóppal érdemes, mert a multiméteres teszt semmit sem mutat abból, ami már a végfok halálát okozhatja.
(#) mpisti válasza PiperR hozzászólására (») Ápr 20, 2020 /
 
Itt az S4 adatlapja. Ennek alapján lehet keresni megfelelőt, döntő a zárófeszültség, az áram és a nyitóirányú feszültségesés.

ds30101.pdf
    
(#) foldingpeti hozzászólása Máj 6, 2020 /
 
Sziasztok valaki tudna segíteni Iweld Gorilla Powermig 263 IGBT panelon eldurrantak az ellenállások és nem látom a számokat mekkorák voltak
(#) ferenczzsolt hozzászólása Máj 11, 2020 /
 
Sziasztok, van valakinek kapcsolási rajza, vagy ötlete, milyen típusú primer oldali kapcsolót használnak a Kukoricza KUKO-130A (nem mai darab hegesztő inverterben?
Teljes híd kapcsolást használnak 1-1 kapcsoló elemmel. Mercy
(#) PiperR hozzászólása Máj 13, 2020 /
 
Sziasztok!
Majd 1 hónapja írtam, javítgatom a hegesztőt. Sajnos idő hiányába nem tudtam vele foglalkozni, egészen mostanáig. Nos kivettem mind a 4db 15 ohm-os ellenállást a következő feszültségek jelentek meg a gét trafón: 25,26 23,1 23,21 24,7v. Majd elkezdtem vissza tenni az ellenállásokat, sajnos mindegyiknél beterheli alig mérhető feszültség van kb 0,1v. Ahova nem tettem vissza ott megmaradt a kb. 20v feszültség. Akkor lehet mégis csak a trafó rossz?
(#) mityike hozzászólása Jún 13, 2020 /
 
Üdv!
Ingyen kaptam egy Telwin 114 típusú hegesztőinvertert. Működik, de a bekapcsolási ideje rövid. Nem akarok nagyobb teljesítményt csak a bekapcsolási időt szertném nyújtani. A gyors diódát már kicseréltem nagyobbra, az IGBT választásban elakadtam a jelenlegi SGW25N120- t, szertném cserélni nagyobb áramúra ha lehetséges. Milyet érdemes beépíteni?
Következő: »»   100 / 119
Bejelentkezés

Belépés

Hirdetés
XDT.hu
Az oldalon sütiket használunk a helyes működéshez. Bővebb információt az adatvédelmi szabályzatban olvashatsz. Megértettem