Fórum témák
» Több friss téma |
Mérd meg a 11-14 lábat a tranyoig,10-20ohm ellenálás szokott lenni.Két-két tranyo bázisa van összekötve egy P és N csatornás.Utána a tranyokat hátha valamelyik meghalt.Aztán a gét trafó primer tekercsét szakadásmérésen és a négy szekunder tekercset szintén.Valamelyik hibás alkatrész cseréje után meg kell jelenni a gét meghajtó jelnek.
4 db 10 ohm ellenállás megy a tranyókra, mind jó (nem forrasztottam ki), primer, szekunder kör tekercsei is okésak, nem szakadtak. A tranyókat kiforrasztom megmérem őket, csak ott lehet valami gubanc.
Valahol ott kell lenni mert utközben elveszik a jel.2-2db P-N tranyó van ott úgy méregesd.
Nos, kiszedtem a tranyókat (mosfetek amúgy) SVD9Z24N, és SVDZ24NT. Mind a 4 jó (avr-s teszterem van, az felismerte jónak vélte)! Megmértem a gét trafó lábait, a képen látni, bal oldali 4 rövid zárba önmagukhoz képest, jobb oldali 4 rövid zárba szintén önmagukhoz képest, a trafóba megy 2 fekete vezeték (gondolom az a primer kör) az is rövid zárba, ez így okés? A vezérlő ic közvetlen lábaitól mértem a 10ohm-os ellenállásokig az is rendbe.
A géttrafón csak pármenet van mérheted rövidzárnak.A gét primerlét forrasztd ki a két fekete az,rakd vissza a cuccokat és a két fekete helyén mérj feszt.Kell lenni 5-7V nak.H a van,forrasztd vissza,mérj megint a helyén ha kb ua méred akkor a szekunder körben van még mindig zárlat.Hát igen,keserves ez így szkóp nélkül,meg hogy nemigazán tudod hogy mit hol kellene multival mérni.Na majd meglátjuk.
Visszatéve az összes meghajtó fet, kiforrasztva az egyik fekete vezeték a primeren, 8,3v-ot mérek. Visszaforrasztva, szintén. Az igbt-ken továbbra is 0,11v. Az igbt-k szélső lábainál egymáshoz képest 15 ohm környékén mérek, mindegyiknél.
Mérj a trafó négy kivezetésén egyenként,mit mérsz?
Mind a 2 oldalon megmértem (4-4), egyenfeszültség szinte 0v. Akkor lehet hogy a trafó rossz? A primer körnél megvan a 8,3v.
A hozzászólás módosítva: Ápr 18, 2020
Nemhiszem,a 15 ohmok nem jók szerintem.Ez majdnem zárlat a trafónak.A trafóról elmenő első alkatrészt forraszd ki mindegyiknél és úgy mérj a trafók kimeneteire.Ha letudnád rajzolni a trafó utáni pár alkatrészt értékekkel az sokat segítene.Mind a négynél ua a hiba.
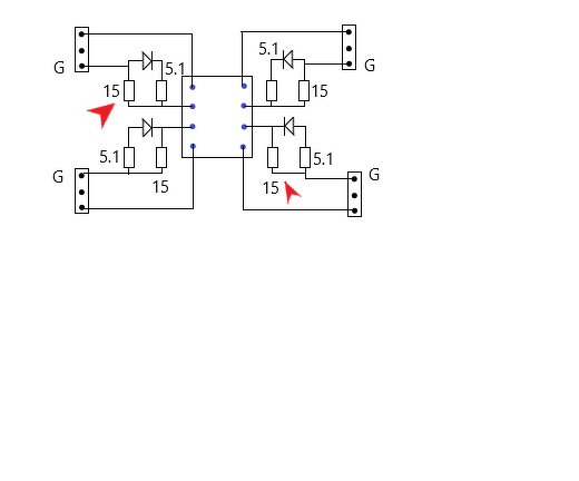
A trafó utáni alkatrészek a következők: 150 smd, 5R1 smd ellenállás (15ohm, és 5,1 ohm), dióda (mind jó kiszedve megmértem), meg 2 kondi egyik 247 pF környéki, a másik 10 nF környéki azok is jók! Mind a 4 igbt-nél ugyan ezek vannak. Trafót kiforrasztom inkább, úgy mérem meg, az ellenállásokat alig bírom levenni, mert ragasztva is van, forrasztva ólommentessel van, ráadásul 2 oldalas nyák. Úgy milyen értéket kell hogy kapjak?
A hozzászólás módosítva: Ápr 18, 2020
Kiforrasztottam a gét trafót, minden lábán kb. 5,4V-ot mértem váltóba! Lerajzoltam a trafó utáni dolgokat.
Nehogy kivedd a trafót nincs annak semmi baja.Ja már kivetted.Váltóban itt nem tudunk mérni a több Khz miatt csak egyenben és csak inkább detektálunk mint mérjük.Ha már kivetted a trafót az egyik tekercs egyik lábára egy valamilyen gyorsabb diódát forrassz rá,és mérj egyenbe.Minden tekercsen mérd meg.
Diódának SB560 használtam. Lerajzoltam hogy mértem, és milyen feszültségeket kaptam. Akár hogy nézem ezek a feszültségek meg kell hogy jelenjenek az igbt lábainál. Kiforrasztottam a diódákat és jónak mértem, meg az ellenállásokat is (mondjuk azt a helyükön).
A hozzászólás módosítva: Ápr 18, 2020
Ez jónak tünik ha nem is egyforma a négy.Akkor nem értem miért nem tudsz mérni a másik áramkörrel.Most hogy kinn a trafó,mérj a g-s lábra ellenálásmérésben hogy nincs e zárlat.Ha nincs tudnod kell mérni ott feszt.Sipold ki a g-s töl a trafóig a nyákot.
Kimértem a dolgokat, mindegyik alkatrész jó. Vissza tettem a trafót, és megint nincs feszültség. Kiforrasztottam az összes (4db) diódát, és az egyik helyére beletettem az SB560-at, semmi változás. Persze a kiszerelt diódákat megint kimértem jó az összes. Vissza tettem őket, majd a 15 ohm-os ellenállást kiszedtem, 2-őt is. Nah itt már kaptam mérhető feszültséget 20V-ot! Mindkettőnél, a többin ugyan így 0v. Csatoltam fotót honnan vettem ki az ellenállást. Beterheli a 15 ohm, vagy mi történik? Persze az ellenállások is jók! Jah és mikor ki volt véve a trafó, a G-S lábaknál nem volt rövidzár!
A hozzászólás módosítva: Ápr 19, 2020
Mivel a két szál vezeték a rajz szerint nem kapcsolódik(hacsak az igbt felöl nincs zárlat)nincs mihez beterheljen.Vedd ki a másik két 15ohmot,és rakj mindegyik igbt G-S lábára egy egy 18V zenert.Egyébként sem érthető minek van az ott.Mérd meg az összes kimenetet hogy egyforma e és mehet bele az igbt.A hálozati kábellel köss sorba egy 100-as égőt úgy próbáld el kell halványodni az égőnek ha jo a működés.A zener legalább fél wattos legyen.
"Egyébként sem érthető minek van az ott." Nagyon is érthető okból. A 15 ohmos ellenállások a bekapcsolási áramot, az 5,1 ohmos ellenállások a kikapcsolási áramot korlátozzák. Az 5,1 ohmal soros dióda pedig gondoskodik arról hogy a töltési és kisütési áram különböző nagyságú lehessen. Ide gyors kapcsolódióda kellene szerintem, de ha a gyártó shottky-t (mint pl. az SB560)használt akkor biztosan az kell oda. Lehet hogy a veszteségek minimalizálása miatt alkalmazza ezt a megoldást a gyártó. Egyébként meghajtó trafó is lehet rossz. Én már cseréltem menetzárlatos meghajtót.
Persze ezt a hibát megtalálni csak szkóppal lehet.
Rendben,de kivette és megjelent a gét fesz.Vagyis az nem ott van ahol a rajzon.
A gate fesz azért jelent meg mert megszünt a jelet blokkoló állapot. Mind a 4db 15 ohmos ellenállást ki kell venni és úgy mérni. Ha ilyenkor mind a 4 jel egyforma a trafó kimenetén, akkor egyesével vissza kell forrasztani az ellenállásokat és minden egyes visszaforrasztás után mérni. Ahol eltűnik a jel az a kapcsolófokozat hibás. Én minden félvezetőt cserélni szoktam ilyenkor, mert lehet hogy az alkatrészek különbözőségét nem fogja tolerálni a végfok és ismét elszáll.
Akkor kicserélem az összes diódát, ellenállást, az a tuti. A zeneres megoldás ebben az esetbe nem kell, vagy bajt nem csinálok vele ha beleteszem?
A végén nyitott az áramkör az ellenállás sorban, hol is blokkol az a 15ohmos?
Amik bent vannak diódák, S4 van mindegyikre írva. Helyette jó lesz SS14?
A jelet nem a 15 ohm blokkolja,(bár ha G-E zárlat van akkor simán lehet blokkolt jelet látni szkóppal)hanem a hibás végfok,vagy rétegzárlat a nyákon.
Ha viszont a kapcsoló tranzisztorok ki vannak forrasztva és ennek ellenére fennáll a hiba akkor sima ellenállás méréssel a hiba helye felderíthető - feltéve ha az impulzustrafó is ki van forrasztva. Az impulzustrafót tesztelni szkóppal érdemes, mert a multiméteres teszt semmit sem mutat abból, ami már a végfok halálát okozhatja.
Itt az S4 adatlapja. Ennek alapján lehet keresni megfelelőt, döntő a zárófeszültség, az áram és a nyitóirányú feszültségesés.
Sziasztok valaki tudna segíteni Iweld Gorilla Powermig 263 IGBT panelon eldurrantak az ellenállások és nem látom a számokat mekkorák voltak
Sziasztok, van valakinek kapcsolási rajza, vagy ötlete, milyen típusú primer oldali kapcsolót használnak a Kukoricza KUKO-130A (nem mai darab
hegesztő inverterben?Teljes híd kapcsolást használnak 1-1 kapcsoló elemmel. Mercy
Sziasztok!
Majd 1 hónapja írtam, javítgatom a hegesztőt. Sajnos idő hiányába nem tudtam vele foglalkozni, egészen mostanáig. Nos kivettem mind a 4db 15 ohm-os ellenállást a következő feszültségek jelentek meg a gét trafón: 25,26 23,1 23,21 24,7v. Majd elkezdtem vissza tenni az ellenállásokat, sajnos mindegyiknél beterheli alig mérhető feszültség van kb 0,1v. Ahova nem tettem vissza ott megmaradt a kb. 20v feszültség. Akkor lehet mégis csak a trafó rossz?
Üdv!
Ingyen kaptam egy Telwin 114 típusú hegesztőinvertert. Működik, de a bekapcsolási ideje rövid. Nem akarok nagyobb teljesítményt csak a bekapcsolási időt szertném nyújtani. A gyors diódát már kicseréltem nagyobbra, az IGBT választásban elakadtam a jelenlegi SGW25N120- t, szertném cserélni nagyobb áramúra ha lehetséges. Milyet érdemes beépíteni? |
Bejelentkezés
Hirdetés |













hegesztő inverterben?




