Fórum témák
» Több friss téma |
A trafó melletti kisebb elkón mérj feszültséget. Kb 12V-nak kellene lennie. Úgy látom main relay ezen nem lesz, tehát tuti, hogy a táppal lesz a gond. A trafó mellett van két dióda, az egyik nem egy 200V körüli zener?
A hozzászólás módosítva: Jún 30, 2020
Szia! Nézd át a tápvezeték becsatlakozását, esetleg nem is jut el a feszültség a géphez! Lehet, hogy hülyeséget mondok, de ahonnan a tápot kapja a gép, az a dugalj. jó? Haladj végig a faltól, méregess, hogy meddig jut el a 230! Ha ezeken már túl vagy, akkor elnézést kérek, nem azért írtam, mert annyira butának nézlek! Velem is előfordult már, hogy eszembe sem jutott megnézni a fali konnektort, mert annyira biztos voltam benne, hogy az jó, és mégis az volt a rossz!
A fázisokat végignéztem az alaplapi csatlakozóig (igaz csak gyorsban fázisceruzával), de meg fogom méregetni rendesen.
Az egyik dióda egy FUF4002 (100V), a másik GP10A (1300V). Sajnos ilyeneket nem kapni itt Miskolcon, de a nagyobb internetes boltokban sem láttam. A helyettesítő diódái sem kaphatóak. A boltos hölgy adott helyettük "valamit" (FUF helyett 1N5819, a GP helyett 1N4007), de nem vagyok biztos benne, hogy megfelelőek (nem vagyok jártas ebben, de a boltos hölgy sem tűnt annak), ezért nem is építettem be őket.
Csak a hálózati csatlakozót bedugva a kisebb elkón 2,4V, mindent bedugva viszont 1,8V mérhető a lábain.
Na az kevés. Valami a táppal nem kerek. Az IC melletti smd diódákat mérted? Lehet azok valamelyike halott. Továbbá lehetne mérni a táp szekunder oldalán is, hogy nincs e zárlat ott. Pl. a kisebbik elkoról megy a tápellátás, ha arra rámérsz nincs “zárlat”?
Újra kiszereltem az alaplapot és a két smd-t megmérve csak egy irányban vezet, a nyitó feszültségek 550 mV körüliek.
Töltök fel néhány képet az legelső szétbontás utáni állapotról, hátha az segít valamit. Kezdem feladni! Az a baj ez már meghaladja a tudásomat, ami nem több, mint hogy felismerem az elemeket és azonos típusra át tudom forrasztani. Mérésben sosem voltam túl jó.
A nagyobik kondi 400 Voltos? Menyi merheto rajta?
Igen, 400V 10uF. 340 V körüli feszültség mérhető rajta a hálózatra kötve.
A hozzászólás módosítva: Júl 2, 2020
A TNY labain mi a helyzet? Lett cserelve?
Adhatnal az ic meletti stab kockara gondolom 7805 12 volt egyen faszultseget. Az ic feluli lab a + a hata pedig a - legyen. Koss sorba egy 10 ohmos ellenallast a + vagy - vezetekkel. A hozzászólás módosítva: Júl 2, 2020
Az IC lett cserélve, de nem mértem meg csere után. A stabilizátor 78M05. Most sajnos nem tudok mérni, mert el kellett utaznom. A panelt pedig odaadtam javításra egy barátomnak, aki milliószor jobban ért hozzá, mint én. Remélem, ő tud majd segíteni a baján.
Én egyelőre megköszönöm a segítségeteket. A fejleményekről beszámolok, amint hazaértem és jutottunk valamire. Rengeteget segítettetek nekem. A barátomnak megadom a fórum elérhetőségét, hogy ha segítségre lenne szüksége, akkor keressen titeket. Köszönöm mégegyszer!
A stabilizátoron, az IC felüli lábon nincs csak 1,8 V feszültség. Gondolom ezért írtad, hogy adjak 12 V egyen feszültséget neki. A barátom mindent végig mért és minden rendben lévőnek tűnik. A stabilizátorig el sem jut a 12 V. Lehet az IC hibás? Pedig kicseréltem. Mit kellene rajta mérnem (Melyik lábon? Rendszerbe kötve, vagy kiszerelve?)
A hozzászólás módosítva: Júl 3, 2020
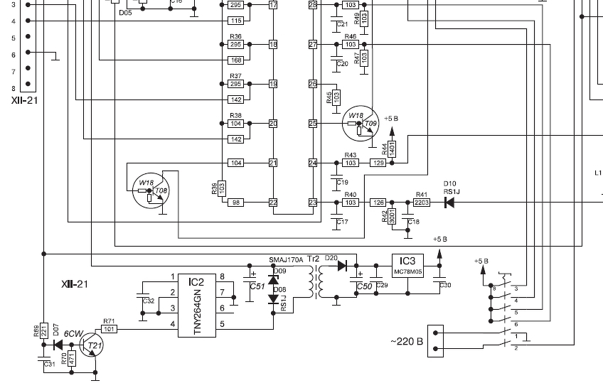
Egy orosz könyvben olvastam (igaz másik típusnál, de TNY264GN IC-vel szerelt), hogy az IC melletti, attól távolabbi dióda szupresszor (SMAJ170A), míg a közelebbi egy RS1J.
A szöveg fordítása (google translate): Az SM nem kapcsol be, az IP nem alakul ki kimeneti feszültség okai: Az IP bemenet változó hálózatot vesz feszültség. A C51 kondenzátoron van körülbelül 300 V DC feszültség. Az IC2 (TNY264GN) 5,8 V-os átalakítóval rendelkezik a feszültség nem indul el. Ennek a hibának a leggyakoribb oka a D09 szupresszor hiba (SMAJ170A). Mellékelek két közeli képet Az IC-től távolabbi felirata DU08B, a közelebbi F507B. Ezek szerintetek megfelelnek a leírásban szereplő diódáknak? Ki gyártja ezeket (a logó mi lehet) Gondoltam kicserélem őket, csak nem vagyok biztos benne, hogy a leírásban szereplő diódák jók lennének-e? Ha már itt tartunk, mivel lehet helyettesíteni a FUF4002 diódát (https://pdf1.alldatasheet.com/datasheet-pdf/view/460126/FRONTIER/FUF4002.html) és a GP10A diódát (https://pdf1.alldatasheet.com/datasheet-pdf/view/62056/GE/GP10A.html) FUF4002 helyett a 1N4002, míg a GP10A helyett BY133 jó lehet?
Kacsolóüzemű tápban nem szerencsés FUF-ot (Ultra Fast) mezei 1N diódával helyettesiteni, mert nagyon fog melegnei. Nem is annyira a dióda, hanem az ami táplálja (azaz az IC).
Rajz alapján diódák kiforrasztás/rombolás nélkül helyükön mérhetőek. A hozzászólás módosítva: Júl 9, 2020
Elméletileg mind jó. Az említetteket végigmértem. Úgy gondoltam, hogy ennek ellenére mind ki szeretném cserélni.
Azt a zenert cseréld mert az lesz a ludas. De persze, ha mindet cseréled, akkor ezeket mind kizárhatjuk.
A FUF helyett UF4002 mehet? GP10A helyett mit vegyek? Ajánlanátok egy jó online boltot?
hello
![]() Lehetséges olyan, hogy adott egy Samsung WF60F4eFW0W/LE mosógép ami program közben többször megáll/megállt.Mintha fogásírány váltásnál jelentkezik/jelentkezett volna a hiba. Na most én egy csavarhúzóval kicsit megfeszegettem a kettő motor vezérlő relét jobbra balra és mintha most rendesen működne. Szóval a kérdés, lehetséges hogy egy 5 éves mosógép paneljában érintkezési hiba legyen, elengedett a forrasztás vagy mi ?
Lehetséges. Ezek már ólommentes forraszanyaggal készülnek, az pedig kevésbé bírja a rezgéseket. Forraszd át a lábakat.
Na majd holnap akkor neki esek ( :
A hozzászólás módosítva: Júl 11, 2020
Sziasztok!
Miele (W820) mosógépünk lett "hirtelen" zárlatos, először fűtőszálra gyanakodtam, de csere után megmaradt a zárlat. A tünet: mosóprogram esetén kb. 10-12 perc után lesz zárlatos, de ugyancsak zárlatos lesz, ha csak a centrifugázást indítom (ebben az esetben kb. 3-4 perc után: a szivattyúzás után elindul egy viszonylag magas fokozatú centrifugázás, majd amikor tovább gyorsul kb. 1-2 perc múlva, akkor kb. 20-25 másodperc után lesz zárlat). Biztos, ami biztos kikötöttem a fűtőszálat és így is indítottam egy centrifuga programot, ebben az esetben is zárlat lesz, ergo a fűtőszál problémát kizárhatjuk. Van valakinek ötlete, hogy hogyan lehetne beazonosítani a problémát? Előre is köszönöm. Üdv,
Hááát, csak a tünetet tudom mondani: kismegszakítót lecsapja.
Avagy mire gondolsz, milyen infót tegyek hozzá?
Sziasztok! Electrolux (Zanussi) mosógépem menet közben leállt. Fények nincsenek, gondoltam táp.Kicseréltem az LN K304GN IC-t, Az R80 pozíciószámú ellenállás értéke leolvashatatlan volt (égés), betettem egy 47 ohmosat. Majd kiderült, hogy az R80 is szakadt, az 47 ohm. Meg tudná valaki mondani, hogy az R80-nak mennyi az értéke (Ő a beforrasztott 47 ohm, 3W)?
Köszönöm a segítséget.
Szia!
10 - 47Ohm között bármi jó oda. Tehetsz ugyanúgy 47Ohm-ot.
Már az is információ, hogy nem a "FI relé" oldott le...
Szevasztok,
az "ajtózárat" cseréld ki, a benne levő PTC ellenálás produkál ilyet...
Szevasztok,
először ha a kapcsolt áramkör zárlatos... -selejt kínai igbt-k... -mi az eredeti alkatrész jelzése, biztos hogy igbt volt? -valami fotó vagy rajz?
Szia.
Igen.. Teljesen drót.. Most epp a motort takaritom.. hatha onnan jott fel zarlat.. Nem volt igazan szep tiszta.. de lattam mar sokkal retkesebb motort.. kizarasos alapon arra tippelek. Utanna jonnek a rellek.. Hogy kinai e.. nos jo kerdes.. Helyi alkatresz boltban vettem A hozzászólás módosítva: Júl 16, 2020
Valóban igbt...
A kolektor lamellák közti réseket "piszkáld ki" tapétavágó pengével... |
Bejelentkezés
Hirdetés |




. 













