Fórum témák
» Több friss téma |
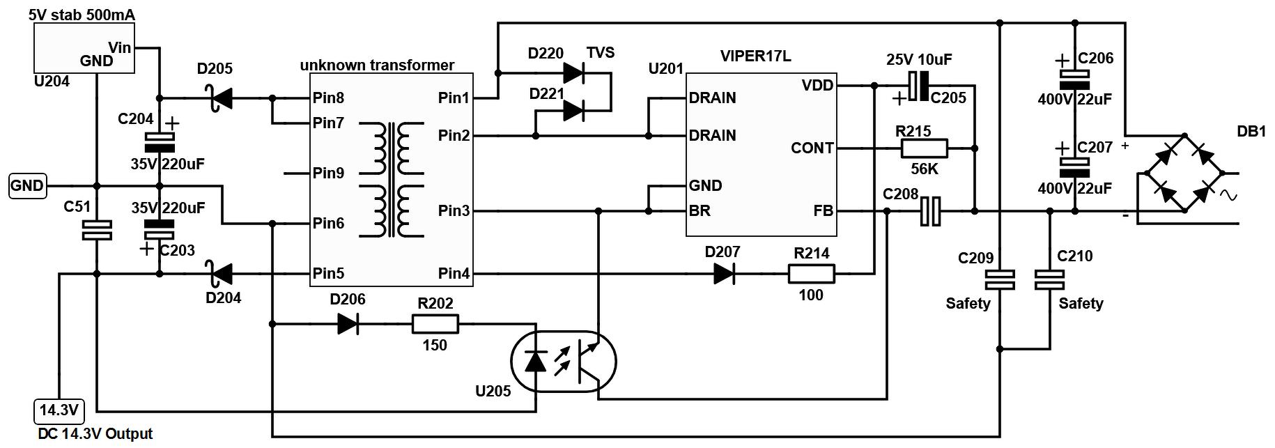
Feltettem az áramkör dokumentációját IDE.
Az oldalon leírtam milyen problémák vannak az alkalmazásával.
Sziasztok! Segítséget szeretnék kérni táp javításhoz. Van egy AEG indukciós főzőlapom, ami anno reggelre táphibás lett, folyton újraindulgatott. 2 hardveresen egyforma panel van benne. A rossz panelon először kicseréltem új alkatrészre a Viper17L, opto, és 5 db kisfesz elkókat (nem Low ESR-eket vettem). Ez nem segített semmit. Majd a jó és rossz panelen megcseréltem a nagyfesz elkókat, X2 kondikat, R200 előtét ellenállást, T102 trafót, D205 Schottky diódát, biztonsági kerámia kondikat. Ez sem segített. (a jó panel a cserékkel is üzemel) Vettem új 5 volt stabot (500mA helyett 1A), ekkor megjavult a lap, de reggelre megint meghalt, 2 Volt körül jutott csak a stab-ra feszültség (a stab jó).
Viper17L adatlap: Link Itt elakadtam. Mi lehet rossz? Az áramkört kirajzoltam. A Viper nem kapja meg az induló feszültséget sem, 5-11 Volt között mérek. Szkópom nincs, csak multiméter. Külső tápról rendben üzemel, de szeretném a sajátjáról hajtani. Tudnátok segíteni? Előre is köszönöm!
Szia, D207, R214 és C205 volt cserélve? Ha nincs normális tápja az IC-nek azt kb ezek az alkatrészek okozhatják - gondolom én.
D207 jelöletlen SMD dióda. Még a katód sem jelölt. Beforrasztva multiméterrel mérve rendben van. Ugyanazt mutatja, mint a jó panelon, 0,570 - 0,573 Volt nyitófesz. R214 is beforrasztva multiméterrel mérve rendben van (10 Ohm). C205 cserélve lett, de nem Low ESR-re (ha ez fontos lenne).
Cseréljem inkább a többit is? D207 helyett mit vegyek? Minek kell megfeleljen?
Diódának az ES1J talán még méretben is jó lenne. A kondit míg fel nem áll a táp, az IC tölti, viszont utána a trafó aux tekercse látja el ezeken a tagokon, így jó lenne, ha az is Low ESR lenne. Ellenállást ha nem okoz gondot a csere, akkor esetleg a másikból megnézném, hogy mit mutat...
A D221 az pont egy ES1J (fent középen). Az nem fér be a D207 helyére normálisan. Legyen akkor a D207 is "fast rectifier"? Amper, feszültség mit tudjon? Keresek valami kisebb méretűt.
C205 egyébként 35 Voltos lett az eredeti 25V helyett. De akkor veszek Low ESR-t. Ezt a picur SMD ellenállást szerintem csak roncsolva tudom kivenni (vagy 2 pákával), így inkább abból is újat veszek akkor.
Elégnek gondolok oda 1A-es hasonló diódát. Feszben minél nagyobbat értelmes keretek között
Amúgy rajzon csak elírtad ennek az ellenállásnak a 100Ohm-ot? A hozzászólás módosítva: Júl 28, 2020
Ránéztem a jó panelre nagyítóval, és azon látszik a jelölése a D207-nek! (lehet a másikon a forrasztások miatt már nem
)Jelölve a katód, és H3 jelölés van rajta. Szerintem SOD-123 a tokozás. Erre ezt találtam: Adatlap: Link Tehát egy 13 Voltos Zener dióda lehet ez? A hozzászólás módosítva: Júl 28, 2020
Igen, bocsánat, a jelölése 100, ami 10 Ohm!
Adatlapja input voltage-nek self limited-et ír, így nem gondolom, hogy zener lenne. Ahhoz amúgy is lennie kellene még egy föld felé néző ellenállásnak.
Sikerült leolvasnom a D206 jelölését is (dörzsi szivaccsal kezelve): 6S1, az is kb. SOD-123 tokban. A google arra is 13 Voltos Zener-t hoz...
De ma rendeltem ES1J-t és Zener-t is.
Cseréltem C205-öt 63V low ESR elkóra. Nem javult.
Cseréltem R214-et, nem javult. Cseréltem D207-et előbb ES1J-re, majd 15V Zenerre (13V nem volt a boltban), nem javult. Cseréltem D221-et (ES1J), nem javult. Remélem nem a trafó lett rossz! Jól mérek? Terhelés nélkül a jelölt 14,3V kimenetet, és a Viper17 Vdd-jét ellenőrzöm.
Szia!
Csinálj meg 2 tesztet, hogy a szekunder oldal nagyjából tiszta legyen. - adj be a gnd-hez képest +10 voltot a c204-re - nincs-e nagy áramfelvétel, az 5 voltos stab működik-e rendesen; - adj be a gnd-hez képest a DC 14.3 V helyre szabályozható tápból +12....15 voltig feszültséget szép lassan, közben nézd, az R202-n hány mV esik. Elvileg beadott >14 volt környékén kell nagyobb változást látnod, 100-300 mV nagyságrendben. Utána jönne vele szinkronban az optó tranyó nyitásának az ellenőrzése, ez már nehezebb...
A 2. lépéssel szinkronban beadhatsz a FB lábra 2k2 ellenálláson át egy ceruzaelemből vagy akkuból +1.2..1.4 voltot a Viper gnd-hez képest és mérd az esetleges változást a FB lábon - hány mV-ot mérsz és ez csökken-e a 14,.. volt beadása, növelése közben.
Sajnálom, hogy nem hozott megoldást ez a kör. Trafót írtad korábban, hogy cserélted - a másik táp az üzemel ennek a régi trafójával?
Minden esetre ki lett próbálva, nagyon köszi a javaslatokat!
![]() Igen, megcseréltem a két panel trafóit. A másik panel üzemel vele. Arra gondolok, hogy esetleg azóta elhalálozott-e ez a trafó, miután új stab-ot kapott. A beépítést követően ment egy egész estét a komplett főzőlap, alapjáraton, csak az időzítő volt aktív. Az első 70 percben még jó volt, de reggel már leesett teljesen a feszültéség. Tehát más a hiba most, mint az eredeti. Építek egy változtatható feszültségű tápot LM317-ből (a labortáp sokára ér ide kínából), és tesztelem a további részeket @ferci útmutatása szerint. Ha jól értelmezem a teszteket, a stab és az opto 2 oldalának tesztjét írta le.
Azt írtam, igen... az idő tőled függ, meddig " járatod " bármelyiket is - melegedést persze nem tudsz vele nézni.
Az lenne az igazi, ha rögtön, "alapjárat" és hiba után rá tudnál állni.
Kedves ferci!
Tegnap este teszteltem, idő hiányában Test3-ig nem jutottam. Test1. stab-ot jónak látom, kapott 10 Voltot, kijött belőle 5 Volt, és felvett 0,62 mA-t. Minden terhelés most ki van iktatva mögötte, csak a kimeneti kondik vannak rajta. Test1a. Teszteltem ugyanígy a 14,3V kimenetet is, ott 7,6mA volt az áramfelvétel, így ott sincs extra terhelés. Ez elvileg csak az opto LED + meghajtása. Test2. amikor elindítottam ezt a tesztet (még az 1a előtt), akkor először R202-n 100mV feszültség esésről indult, majd kb. 10 mp alatt felment 400mV-ra, stabil 12 Volton. Onnan feltekertem 15V-ig, és ekkor kb. 850mV esett R202-n. Vissza le 12V-ra már csak 650mV-ra ment le. 12,0..15,8V között lassan emelve a feszültséget sehol nem tapasztaltam ugrást az R202-re eső feszültségben, teljesen lineárisnak mértem. 12V - 650mV 13V - 750mV 14V - 840mV 15V - 900mV 15,8V - 1150mV Lehet rossz az opto előtti dióda (D206)? Anno az opto-t újra cseréltem, még a cserék legelején, persze azóta kimehetett az is. D206 az Zener? Felirat rajta 6S1. Az opto típusa SHF617A-2, adatlap: Link
Szia!
Elvileg a d206 zener lenne, ami sacc 12,.. voltos kell hogy legyen és ha nyit az optó diódája, akkor folyhat akkra áram, hogy többszáz mV essen az R202-n. Így tudna a zener könyökfesz+optó dióda fesz környékén szabályozni. Próbálj ki egy teljesen külön áramkörben egy sima dióda+ZP...12 +220 ohm verziót és adj neki 11...15 voltot. Hasonlítsd össze a 2 mérést. A 6s1 13 voltos egy oldal szerint, tehát nem normális az átfolyó áram, ill. a fesz sem, ha megméred azt is pl. 12 volt beadott esetén.. A hozzászólás módosítva: Júl 31, 2020
Az R202-n 0,.. mV-ról kellene indulni a feszültségnek 14 volt környékén és 15 voltnál 6-700 mV lehetne.
Üdv. Mi a véleményetek, TNY256 helyett használhatok TNY266-t? Kapcsoló üzemű tápba.
Szia. Én is úgy gondoltam, csak kellett egy kis megerősítés. Frekvencia ugyan az, kitöltés ugyan az. Elvileg jónak kell lenni.
Kedves ferci!
Megmértem a D206-ot, rossz. Már kis feszültségen nyit, 2 Volt környékén. Teszteltem az Opto LED-et egy 15 Voltos Zenerrel (nem kaptam 12 Voltosat a helyi boltban), 270 Ohm ellenállással, a csatolt grafikonon van az ellenálláson eső feszültség (függőleges tengely, mV). Ez jónak tűnik. Próbáltam tesztelni az Opto másik felét (B oldal), a fotótranzisztort, de a panelban nem mutatott változást. Kivettem inkább, és csatolt áramkör szerint teszteltem. Amikor az 'A' oldalon 16 Voltot kapott (ilyenkor 200mV esik R1-en), akkor kezdett esni a tranzisztoron a feszültség. 17,4 Volton (R1: ~1,1V) 27 mVoltot esett a kiinduláshoz képest. Nem vagyok benne biztos, hogy így képzelted a 'B' oldali tesztelést. Holnap reggel veszek 13 Voltos Zenert, és próbálom bekapcsolni az egész tápot. (a Viper már foglalatban van és az Opto is abban lesz, teszthez könnyen kivehetőek) (a kapcsolási rajzomon hiányzik egy átkötés a Graetz 0 pont és a Viper GND között) Jól teszteltem a 'B' oldalt?
A grafikon jó, azzal nincs gond. A kivett optós teszt is jó, esetleg egy másikkal is tesztelhetsz, ha van..- azt nem írtad, a dióda oldalon UR1 10...200 mV között hogy reagál a tranyó Uc...
Pl. 1.3>>0,x V. Azt vedd figyelembe, hogy az optó transzfer kb. mekkora... adatlapból megnézheted: mekkora Id-re mekkora Ic-vel reagál, persze ezeket vissza kell számolnod a feszültségekből. Így keresd, ha van: CURRENT TRANSFER RATIO A hozzászólás módosítva: Aug 3, 2020
V1=16 Volt alatt (UR1 < 200mV) semmit sem változott az Utranyó. Innen kezdett csökkenni. UR1=1100 mV-nál 27mV-ot esik Utranyó.
Csatolom az Opto CTR tábláját, 63-125%. Az opto típusa SHF617A-2, adatlap: Link 2 darab egyforma opto-m van, megnézem mindkettővel. A CTR tábla szerint 5 Voltra kellene emeljem a V3 feszültséget? R2 maradjon 2K2? R1-en is csökkentsek? Most kb. 4mA-ig megy fel a LED-en az áram, ha jól számolok. A hozzászólás módosítva: Aug 3, 2020
Emelheted a teszt feszt 5 V-ra, a 2k2-t csökkentsd 1k-ra.
A lényeg az, hogy ha egyforma a 2 optó, a mérés is nagyjából egyforma legyen,+/-10 % még oké. Jóval kisebb dióda áramnál kisebb lesz a % tartomány is, ez ne zavarjon. A hozzászólás módosítva: Aug 3, 2020
Kedves ferci!
Átvariáltam az opto_test áramkörben az értékeket: D1: 12,62V ; R1: 150Ohm ; R2: 1K ; V3: 5,04V. Ezen értékek mellett a csatolt mérés jött ki. A két opto éppen 10%-on belül tér el egymástól. (A D207 nem valószínű, hogy Zener, 17 Volton sem nyitott) 13,0 Voltos SMD diódát csak 5%-osat kaptam (az eredeti 2%-os), ami 13,88 Voltos lett. Ezzel összeraktam a panelt, és a kimeneten 15,04 Volt jelent meg, ami a Zener pontatlansága miatt adódik. Nem szeretném így üzemeltetni a panelt, bár a 3 kapcsolódó alkatrész közül az egyiknél van 17 voltra javasolva a max. fesz., tehát lehet elbírná. Az 5V kimenet nem gond, ott van stab. Hogyan tudnám legegyszerűbben beállítani az eredeti gyári 14,3 Voltos kimenetet? Egyelőre nem találtam bolti készleten 2%-os SMD Zener diódát. Rendelhetek, ami plusz idő. Vagy belerakok egy kisebb értékűt, és vele sorban egy alkalmas sima diódával picit megemelem a feszültséget? Ha az ellenálláson (R202) változtatok, az gondolom nem jó irány. |
Bejelentkezés
Hirdetés |








Amúgy rajzon csak elírtad ennek az ellenállásnak a 100Ohm-ot?
)









