Fórum témák
» Több friss téma |
Légyszi segítsetek!
Egy 2*9 lábú, dupla hétszegmenses kijelzőt (+pont(.)) nem tudok bekötni! Ha valaki le tudná írni a lábkiosztást légysz isegítsen! Melléklek pár képet!
A címet módosítottam.
Egy 330 ohm-os ellenállással és +5V-tal nyugodtan kísérletezhetsz. Rajzold le, hogy mikor melyik szegmens világít.
Szinte mindegyik típust máshogy... Egy homályos képnél előbbre mozdító lenne egy típus (általában az oldalára van írva)
Írd meg nekünk, és akkor tudunk segíteni.
Nekem is kellene egy bekötési rajz: a típusa:
DC56-11SRWA Eddig még nem találtam hozzá rajzot. Előre is köszönöm a segítséget
Talán mert nem is kerestél!
Google első találata: Bővebben: Link Saját idődet dobod ki az ablakon, ha nem keresel!
Nekem is kijelző gondom van, de másmilyen:
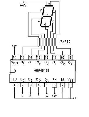
Adott egy BCD kimenetes áramkör (óra) amin MAN 14mm-es kijelzők vannak. Tökéletesen működik, semmi gond vele (fájl: Digitek_bekotes.jpg). Namost ezt a kapcsolást 56mm-es kijelzőkkel (fájl: 56mm_kijelzo.jpg) szeretném üzemeltetni, pontosabban az első 4 kijelzőt, ami az óra és a perc nagy kijelzőkkel, a másodpercet pedig a jellenlegi 14mm-es MAN kijelzőkkel. Igen ám, de a nagy kijelző több feszt (kb 7.5V és áramot kb 8mA) igényel a megfelelő fényerőhöz. A mellékelt rajzból kiderül, hogy ebben 4 led van sorbakötve. Hogyan oldjam ezt meg? Az is jó lenne, ha valahogy egy fényerőre lehetne hozni a 6 digitet. A BCD to 7 segment dekóder (4043-as IC) 10mA-ig jó, tehát elvileg az szerintem maradhatna.
A 4043-as IC helyesen 4543-as IC, csak elgépeltem. És közös anódos kijelzőkről van szó.
Helló
Szerintem csak bekötsz az anódhoz egy 1kOhm-os trimmert , meg nagyobb feszültséget kötsz rá és a trimmerrel betudod állítani a fényerőt. Szerintem 9V elég is lesz hozzá.
Szerintem a Bl bemenetét kellene használnod a 4543-nak, ezt a fényerő vezérlésére találták ki, vagy cserélgetni az ellenállásokat amíg be nem áll a fényerő.
Ha csak egy ellenállást használsz az anódhoz, minél több szegmens gyullad ki annál kisebb lesz a fényerő.
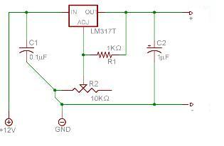
Végül is megvan, szerencsém volt, mert nagyobb feszt adva az óriás kijelzőknek, és meghagyva az erdetit a kis kijelzőkhöz, jó lett.
Összedobtam LM317-el egy szabályozható kapcsolást, és 7.2V környékén állt be 6mA-es áramfelvétellel a jó fényerő. Még dobotozni kell. (Az LM317-es kapcsolában egy trimmer van. Ez maradhat hosszú távon is, vagy cseréljem ki fix ellenállásra?)
Hello!
Szerintem jobban jársz, ha megméred a poti mostani állását és beépítesz egy ilyen értékű fix ellenállást. Ha megszakad a poti, a szabályozón keresztülmegy a feszültség, lehet, hogy az nem tenne jót a kijelzőknek és/vagy a dekódereknek.
Szerintetek ennek mi a típusa?
Ez van ráírva: 3[orosz ell/l szerűség]C324[orosz Tirjoríznák szerűsé fordíttott szárral a tetején]18903[deltoid]
Hali mindenkinet!
Lehet a kérdés nem ide tartozik de van egy CH-837 típúsú számológépem és elment a 7,8,9 és a pont billentyűk. Ezt szeretném orvosolni ha lehet, gondolom a chip ment tönkre... Ha nem lehet megjavítani (valószínű) akkor ötleteket kérnéka kijelző hasznosítására -.Előre is köszi.-
A chip nem valószínű, kontakthiba lesz inkább, a mátrix egy sora ment ki...A kijelzőnek lábai vannak???? (Furcsa lenne, nézd meg előbb, hogy hogyan tudnál bármit is ráforrasztani)
helló
akkor most a kijelző vagy a billentyü rossz?
Bizony nem lábai vannak a kijelzőnek(de így legalább nem kell félni hogy lába kél) tehát igencsak nehézkes lenne forrasztani. gr89 sajnos nem mondtam, hogy a kijelző lenne rosz én csak tippeket szerettem volna hogy a még jó kijelzőt mire lehetne használni. :yes: de semmi probléma.
bár a fentebb említett okok miatt nehéz lenne használni... Bár nem tudom, arra lehet forrasztani?
Forrasztani nem szoktak rá, van egy "zebra", vezető rétegekkel tarkitott gumi, amit az LCD és a panel közé tesznek s az egészet kissé összeszorítják. Ahogyan a számológépben is van (gondolom én) Az ilyen LCD egyéb hasznosításáról nem tudok. Én nem találkoztam olyan IC-vel, ami ilyet hajtott volna meg. Szórakozhatsz vele, egy SN7486-ból (+ órajel) építhetsz négy LCD meghajtót, de minek!
Okés kösz az infót.
Ha nem sértődtök meg ( mert miért tennétek) akkor kérdeznék egy újabat. Nos, van nékem egy hétszegmenses kijelzőm hasonló kinézetü mint ''bodikáé'' és szeretném megtudakolni a lábkiosztását. A típúsa: (vagyis ez van ráírva) WF VQE 24 D A választ előre köszi (már ha lesz)
Helló
Itt a kijelző adatlapja Bővebben: Link
De soha ne legyen ez probléma, könnyen ki lehet lámpázni, hamar rájössz, hogy ki kivel van. Van multimétered?
Sziasztok!
SA52-es 7 szegmenses kijelzőt szeretnék meghajtani. A boltban kértem, kaptam. Itthon jöttem rá, hogy SA52-ben rákötöm a feszt, és ha a többi lábait földre kötöm, akkor világít. Namost én HCT4543-al akarom meghajtani, és ez nekem pont fordítva kellene... Egy másik fajta, a BC52 ezt tudja, pont a fordítottja, tehát egy földet kap, a többi lábat meg meg tudom hajtani, de van-e esetleg más megoldás? Ha ezt adták a boltban, lehet, hogy ezzel is ki lehet trükközni egyszerűen... Másik kérdésem. 4,5V-al hajtom az egészet, ez megy a BCD számlálóra, a 7szegmenses dekóderre, és a dekóder jele megy a kijelzőre (egyentént már most is tudok világítani a szegmensekkel). Ezt így mind ellenállások nélkül csináltam. Először csinálok ilyen, kérdezném, hogy jól tettem-e? A BCD-7SZEGMENS átalakítóban van egy meghajtó, ezt azt is jelenti, hogy a kiselző elé nem kell ellenállásokat raknom, ő olyan jelet ad ki, amit rögtön lehet használni? Köszi a segítséget, Andris
Szia
Olvasni olvasni... A kijelzők közös anódos vagy közös katódosak. (anód=pozitív; katód=negatív) Az IC PH lábával lehet kiválasztani, hogy a kimeneten közös anodos vagy k. katodos kijelzőt hajtasz meg. (H vagy L szintre teszed a PH-t. Közös katodosnál=a PH-t L szintre kell kötni) Az ic kimenetéire kell tenni egy-egy soros áramkorlátozó ellenállást. 5V-os tápnál 300-180 ohm közötti érték. (kezdd a nagyobbal és ha kevés a fényerő vedd kisebbre)
Helló!
Van egy PARA LIGHT E 9634-es led kijelzőm. Tudja valaki hogy hogyan kell bekötni?
Hello! Mi a problémád a szakadásvizsgáló használatával?
|
Bejelentkezés
Hirdetés |









Ha nem lehet megjavítani (valószínű) akkor ötleteket kérnéka kijelző hasznosítására





