Fórum témák
» Több friss téma |
Fórum » Crystal radio - detektoros rádió
Már láttam a frászbukon is. A fazékmag az "kimenőtrafó"?
Az egy 220/4.5V pici régimódi hálózati trafó. Egy alátéttel és csavarral szorítottam le. Így még érdekesebb és régimódibbnak tűnik.
Vannak eredeti kristálydarabkáim, ha valakinek kell, szívesen adok. Posta sajnos kizárt.
Egye fene, elbandukolok érte.
Különösen ha nem eszeveszetten sürgős, tárolási nehezmények mián... Tervezek csinálni detektor tesztert, talán annyira nem veszik kárba. A hozzászólás módosítva: Szept 18, 2020
Szia!
Ezzel én is sokat játszottam , mignem rájöttem, hogy az OA 1160 (AF 106 stb) nem múlható felül. Kivéve ha "előfeszitett" kapcsolást alkalmazol. Az a legérzékenyebb. s talán a villámimpulzusokat is jobban tűri? Nem megy tönkre.! Sikeres gyalogtúrát , remélem nem a kék túra két végpontja , a megteendő táv ? Apropó , erdőben kirándulva próbált már valaki detektorost használni? A hozzászólás módosítva: Szept 19, 2020
Amekkora marha vagyok, pont ma reggel voltam Kelenföldön. Aztán hazafelé.
![]() Egyébként pont arra gondoltam, hogy Ge tűs diódát veszek 100%-nak a kalibrálás során. Már ha egy ilyesmi esetén a "kalibrálás" bármit is jelenthet (azon felül, hogy jobb/nem jobb, pont mit a csőválogatásnál). Koncepció szerint 1MHz frekvencia, 4KOhm terhelés, 100% OA tűs diódával van megcélozva.
Gyerekkoromban direkt ezért mentünk fel a barátommal a Mátyás hegy tetejére, és hallgattuk boldogan a MŰ -vet. Természetesen kristályos volt, de az antenna nem keretantennás volt, hanem hosszú drót, két fenyőfa között. (meglehetősen ritkán voltak a fenyők, megszenvedték a háború alatti tűzifa gyűjtést)
Gafly: Ha itt jártál Kelenföldön, benézhettél volna egy - két diódáért, Ge tranzisztorét, meg egyébként is.
@pucuka
@granpa Nyugdijast nem fosztok meg utolsó diódáitól, de köszönöm a felajánlást. ![]() @lefituta Pár szilánkért megyek.
Nem fosztasz meg, legalább hasznosul. Nem valószínű, hogy már én fogom felhasználni.
Nálam is hasonló a helyzet, mint "pucuka"-nál.
Ki hogyan szokta azonosítani a vett rádióadókat? Ma miután lekapcsolták a Kossuthot, kicsit megint vizsgálódtam. Antenna nélkül! A kezemet a tekercshez téve, vagy a forgót megfogva, 3 rádióadót tudok elkülöníteni. Az egyiken biztos hogy angolul beszélnek BBC, Cambridge, Hospital szavakat értettem.
A másikon mintha olaszul mondanák, de lehet a románnal keverem (Debrecenben élek). Ha teszek rá antennát, (kábeltévé, most nincs más) akkor valami erősebb adó jön be, elég zajosan, és kortárs FM rádiókon hallható zenéket nyomnak rajta, ez is talán Romániából jön. Ha a WC-papír tekercs felé helyezem a kezem, akkor van egy pont amikor valami távol keleti, de mindenféleképpen valami fura nyelven beszél egy nő.. ..és az imént valami olyan érdekes zene szólt ezen az adón a telefonhallgatón, hogy azt fel kellett volna venni, tutira nem Európai.
Vajon mi ez a zaj a Kossuth rádió alatt? Az erősebb adások alatt megfigyelhető időjárástól függően. Gyengébb halkabb adásoknál amit csak a fülemhez szorítva hallok éjjelente, azok alatt nincsen ilyen.
Szia!
Köszi ,ez igy jobb mint a NETen keresgélve...
Közben rájöttem hogy a forgó teljesen rosszul van bekötve, az vitte bele a búgást. A forgót teljesen lekötve búgás, percegés nélkül szól a Kossuth. A forgó 2x 500pF talán. 4 forrszem van rajta (2-2). Nálam mind a két különálló részre volt forrasztva, de semmit nem csinált, szerintem ez így tuti nem jól volt bekötve.
A hozzászólás módosítva: Szept 26, 2020
Éjfél után nem sokkal eltűnt a távol-keleti hang. Olyan mintha japánul vagy kínaiul beszélnének. Gondolom valami nemzetközi, nem létezik hogy olyan messze viszi az éter. Sajnos a telefon nem adja vissza, fel kell hangosítani a hangszórót csutkára hogy hallható legyen valami belőle, de füllel tisztán hallható volt. A másik felvételen két adó összemosódva hallható, az egyiken kortárs zenéket nyomnak, az előbb Barbara Streisand énekelt.
Hozzányúlok a tekercshez, akkor valami szláv nyelven beszélt egy férfi.. majd elengedem, hullámzó ,de hangos gitárszóló. Jó játék ez! A hozzászólás módosítva: Szept 27, 2020
Probald meg a fules kimenetet kozvetlen hangkartyA mikrofon bemenetre kotni.
A hallgato helyere 5-20k kozotti ellenallast rakni, soros 50-100 µF kondi DC levalasztasnak. Ha van +5V koruli fesz a miki melegpontjan akkor a kondi plusz vezeteke kotendo a pc fele. Akkor kozvetlen tudod rogziteni a musort. " sejtem ez eretnek cselekedet ezzel a radio rendszerrel "
Itt szoktam identifikálni az adókat. RH detektoroson bejött a kínai adó aminek valójában az adója Albániában van és a török adó. KH detektoroson Szkopje este, pár román adó. Egyszer bejött a cseh vagy szlovák dvojka. Néha van szentbeszéd szerb-horvát nyelven a felső sávban. Néha beszélnek oroszul vagy ukránul este? Annyit nem lógtam a detektoroson az utóbbi időben. Ja Pécs is be tud jönni.
Eddig csak a közszolgálati Temesvári (Radio, Radio, Radio Timisoara) adót sikerült azonosítani. 630kHz-en, 400kW-al adnak ,és alig 250 km-re van Debrecentől.. Ez a Kossuth mellett is szépen megcsíphető. Ez az az adó amin kortárs zenéket nyomatnak, mintha a bármelyik hazai FM-et hallgatnám.
Éjjel sok mindent hallok, de azonosításuk nehézkes. A forgóm mintha nem is működne, szinte nincs szelektivitása, még nem jöttem rá hogy hol van elkötve. Olyan 25 éve készítettük játéknak ezt a kis masinát, megboldogult édesapámmal.
Ha felveszed csutkára a hangerőt akkor hallod hogy valami délről, éjjel hallani csak. S ilyen távol-keleti stílusban ad zenéket. Az orosz az jellegzetes nyelv ,azt talán megismerem, bár az se biztos, mert nem beszélem. Nem rémlik orosz adás. De könnyen lehet hogy van, csak a rádióm nem szelektív, s nem igazán hangolható, csak a kondikkal.
A frekvencia spektrumban nem véletlenül vannak műsorszóró sávok, a HH, és KH sávokban egy - egy, az RH -ban több is. Mindegyik sávban kissé, eltérőek a terjedési tulajdonságok, ezért fontos a célközönség eléréséhez a legjobban használható frekvencia sáv kiválasztása.
A KH sávban nagyobbrészt földfelszíni terjedés van, de az esti, éjszakai hajnali órákban a napsugárzás keltette ionizációs réteg, és a földfelszín között kialakul egy kis csillapítású csatorna, ami a távoli állomásokat is vehetővé teszi. Ezért kellett a solti adó teljesítményét növelni, mert egy 1 MW -os kuwaiti adó este megengedhetetlen mértékű interferenciát okozott. Ezért fordulhat elő, hogy az esti, koraéjszakai órákban lehet keleti adókat hallani még az érzéketlen detektorosoddal is. A hajnali órákban nyugatról kellene hallanod adókat, de arrafelé viszonylag közel van az atlanti óceán, ahol nincsenek KH műsorszóró adók. A hozzászólás módosítva: Szept 29, 2020
Elmaradt hogy hol szoktam megnézni mit hallok. Hat itt http://websdr.ewi.utwente.nl:8901/ A másik oldal ami segíteni szokott KH-n ez http://radiomap.eu/magyar Van e rajzod a rádiódról?
A hozzászólás módosítva: Szept 29, 2020
A Radio Kuwait main Arabic Kuwait-ból ad, de "csak" 600kW teljesítményt írnak, nem tudom hogy azt 3200km.-ről hallanám-e.
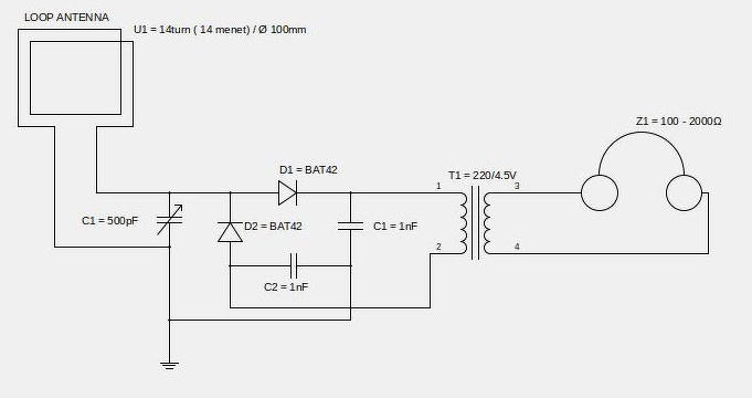
Rajzom sajna nincs, de megpróbálom visszarajzolni, nem egy bonyolult dolog.
Jók ezek az oldalak. Érdekes, hogy román oldalak azt írják hogy "Budapest, Solt 1MW" teljesítménnyel sugároz, mondjuk nem régiben valóban átépítették, és tán csökkentették a teljesítményt, s több részegységet használnak. A hozzászólás módosítva: Szept 30, 2020
Olvasd el a cikket.
![]() Ha érdekel a dolog, miért nem jöttél el megnézni saját szemmel.
Az átépítés után is megmaradt a 2 MW -os lehetőség, de ezt csak vészhelyzetre tartogatják.
A bejelentett teljesítmény az egy dolog, ettől eltérhet a ténylegesen kisugárzott. Az ilyen nagy teljesítményeknél sokba kerül az adó üzemeltetése a nagy energia igény miatt, ezért az éjszakai órákban a jobb terjedés miatt vissza szokás venni a kisugárzott teljesítményt, így is megmarad az ellátott terület. A kuwaiti adóval az volt a probléma, hogy az a bejelentet 540 kHz 1 MW -jával a 2 körzetben van, és nem vették figyelembe az 539 kHz -es lakihegyi adó (1 körzet) zavarását. Ennek a megoldása az lett, hogy elkészült a solti 2 MW -os adó, és egyidejűleg az az 1 -es körzetben is rendbe tették a frekvencia kiosztást a KH sávban, így azonos frekvenciára került a két adó 540 kHz, és megszűnt az 1 kHz -es interferencia zavar. Manapság amíg szól a Kossuth rádió (MR1) addíg az ellátott terület alig csökken a zavarás miatt, viszont éjjel, amikor lekapcsolják a Kossuth adót, jól hallható a kuwaiti adó. Az éjszakai adásszünet mindig is volt, csak régebben max 1 óra volt a karbantartás miatt, de ez már akkor megszűnt, amikor Lakihegyen üzembe állították a 2×135 kW -os adót, mert ekkor megoldható volt a csökkentett teljesítményű adás a karbantartás ideje alatt is. Ezt a módszert valósították meg a solti adónál is a 2×1 MW -os adóval. A mostani átépítésnél már több, kisebb teljesítményű adó jár párhuzamosan a teljesítmény igénytől függően, így mindíg van tartalék adó amin a karbantartást (esetleg javítást) el lehet végezni anélkül, hogy a kisugárzott teljesítmény csökkenne.
Pont most hallgattam meg a krónikát, kint szakad az eső, most egész jól jön.
Szia!
A detektoros sem rossz --de a banándugó az igazi favorit !. talán 70-s évekbeli? |
Bejelentkezés
Hirdetés |







A másikon mintha olaszul mondanák, de lehet a románnal keverem (Debrecenben élek). Ha teszek rá antennát, (kábeltévé, most nincs más) akkor valami erősebb adó jön be, elég zajosan, és kortárs FM rádiókon hallható zenéket nyomnak rajta, ez is talán Romániából jön. Ha a WC-papír tekercs felé helyezem a kezem, akkor van egy pont amikor valami távol keleti, de mindenféleképpen valami fura nyelven beszél egy nő.. 

"
Éjjel sok mindent hallok, de azonosításuk nehézkes. A forgóm mintha nem is működne, szinte nincs szelektivitása, még nem jöttem rá hogy hol van elkötve. Olyan 25 éve készítettük játéknak ezt a kis masinát, megboldogult édesapámmal. 





