Fórum témák
» Több friss téma |
Itt van IGBT
Sziasztok,
Van egy Kaiser Welding MIG300-as inverteres hegesztőm, ami az egyik pillanatról a másikra ellőtt, két igbt-t (FGH60N60SFD tipusuak). Szétszedtem, kimértem mindent, sehol máshol nincs zárlat, kicseréltem, de csak FGH60N60SMD tipust találtam. Ezután jó is lett egyetlen indítás erejéig, és a második indításkor újra ellőtte ugyan azt a két igbt-t. Rajzot nem találok ehhez a típushoz. Talán van itt valaki aki látott már ilyet és tudna segíteni, hogy mi lehet a baj?
Szia!
Ha IGBT zárlat van akkor mielőtt cseréled őket, a vezérlő részt ellenőrizned kell, rendszerint diódák, tranzisztorok és van amikor maga a vezérlő IC is meghibásodhat. Amikor ezt rendbe tetted, szkópon ellenőrizni kell a jelalakot, ha ez rendben van azután szabad csak beforrasztani az IGBT-et.Ezek után hálózatról is csak 100W-os soros égőn keresztül kell inditani, ha ez felvillan és pár másodper után elalszik vagy kissé világit akkor valószinüleg már rendben van. Ha visszább olvasol bőven van róla leírás, ha viszont nincs szkópod, biztonsági leválasztó trafód és megfelelő ismereted javítása esélytelen.
Szia,
Köszi a választ. Mielőtt beraktam az újakat, előtte ugyan csak multival, de kimértem az igbt lábait és zárlat sehol se volt. Az első indítás egy 50w izzó előtettel ment, aztán mivel jónak tűnt, kiszedtem és úgy is ment rendesen. Összeraktam utána indításnál épp hogy beindult, már le is verte a biztit. Szkópom, leválasztó trafóm nincs, de van sok alkatrészem Nem tudsz esetleg egy rajzot ehhez a vacakhoz, legalább hogy hol mit kéne mérni tudjam. Már bánom, hogy megvettem, alig volt használva még...
Sajnos rajzom ehhez nincs, de vissza kéne rajzolni a vezérlés részt, vagy keresni hasonló rajzot ami alkalmazható hozzá.Ehhez tudni kellene a vezérlő ic típusát pl: uc3845, SG3524 , tl494 stb az IGBT-et (gate lába előtt) gate trafó vagy helyette egy IR2110 , IR2110S meghajtó Ic van stb.
A szekunder oldalon a nagy teljesitményü diódákat ki tudod mérni, hogy nem zárlatos e. A hozzászólás módosítva: Szept 29, 2020
Hiába mérted ki az igbt-k lábait, ha a vezérlés rossz akkor egymásra nyíthatja az egyenirányitott +315, és -315 v-al feltöltött nagy kondikban tárolt energiát ami tuti az igbt-k végét jelenti, meg tuti leveri a kismegszakitódat nálad, és akkor még örülj, ha csak nálad.
Multiméterrel csak zárlatra lehet vizsgálni az IGBT-t vagy FET-et, működőképességre nem. Ahhoz kell építeni tesztert. A neten van többféle rajz is.
A FET-eket kiméri a kínai multiteszter, de a z IGBT -ket nem tudja kinyitni. Nekem tökéletesen bevélt, hogy egy 12v os táp, a G re forrasztok egy kis autóizzót az ujjaimmal összeérintem a G-t a + és - felé az égőnek világítani kell, ha lehúzom földre, pedig kialszik.
Köszi, megpróbálom visszafejteni, hátha nem csiszolták ki a típust. Vezérlés méréshez a kinai kis hobbi dso138 szkóp jó lehet? Amúgy is akartam már venni egyet. IGBT-t pedig zárlatosra verte, azt a multival is látom, viszont újakat raktam bele, utána már nem pazaroltam rá többet. Szekunder oldali hiba is okozhat ilyet?
A dso138 -el a jelalakot látod, de nem pontos, a túllövéseket nem jól jeleniti meg. Nekem is Ilyen volt először aztán vettem egy analógot. Én nem pazarolnák rá pénzt, kapcsoló üzemü dolgok javításához szerintem nem jó, eleve 2 csatornás kell. A jelalakokat a pozitiv és negativ ágban egymáshoz viszonyítva is kell nézni, nincs e eltolódás.
A szekunder oldali diódák zárlata elvileg tönkre tehetik igbt-et, de én még nem találkoztam ilyennel. A dióda zárlatot simán ki tudod mérni egy multiméterrel, dióda állásban.
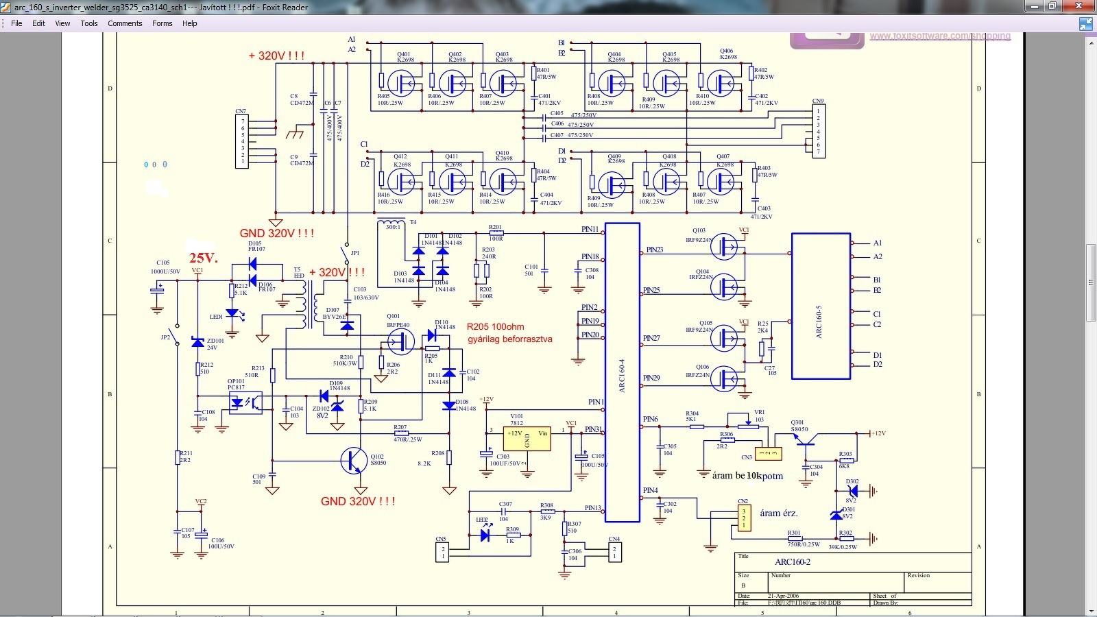
Sziasztok!
Javítok egy ARC160-as gépet . K2698, IRFPE40 , S8050 (helyette S8551) és R206 2.2 ohm csere után bekapcsolva működik (korlátozó égő a JP1 helyén próbára ) Működik de kikapcsoláskor a videón jól látható "nagy" áramfelvételt mutat a Fet-re .Normális ez, nem fogja kiütni a Fet-et ha kihagyom az égőt? Köszönöm. Bővebben: Link
Kép lemaradt.
A hozzászólás módosítva: Okt 7, 2020
Sziasztok!Sógorom hozott hozzám egy Straus ST/WD 253 IVP gépet unokatestvéréé már 2 emberen kifogott a javítása.A benne levő mind két IGBT teljesen zárlatos és ami nagyon feltünt nekem az az ,hogy az egyik IGBT kollektorára nem megy semmilyen vezetősáv, nyoma sincs a panelon! Ez azért is nagyon furcsa mert látszólag a 2 IGT körül levő alkatrészek azonosak.Ha lenne képetek egy ilyen gép paneljának a nyákoldaláról vagy esetleg kapcsolási rajz az jó lenne!Mindenesetre én nem tudok így elképzelni egy működő áramkört,hogy az egyik IGBT kollektora a levegőben lóg! Hogy elégett a panelról vagy a javítások során jött le esetleg gyárilag hibás nyák nem tudom ,de nem olyan mint mikor leválik vagy leég a nyákról a réz vezetősáv nyoma se látszik...
Nem lehet hogy dróttal volt bekötve?
Szevasztok,
nagyon vicces amit írtál, a kolektor az alutömbön keresztül van "bekötve"...
Nagyon köszönöm,így van úgy hogy megoldottad a rejtélyt!Csak azért volt furcsa mert a másik IGBT kollektorára vezetősáv is megy.
Hello!
Jó lett a gép, miután már aprólékosan elkezdtem méregetni, meg is lett! Az igbt-nel lévő 5 Ohm-os ellenállás volt szakadt 2db..., Csere... aztán már működött, de rövid idő alatt újra előjött a hiba, ekkor àtforditottam az aramfigyelest és jó is lett! Köszönöm szépen a segítséget!
Szia!
Meg nem megy tökéletesen, már hiba nincs, de nincs "erő" benne, ingadozik az ív, olyan mintha kevés amperral menne, időnként "észhez tér" akkor meg hirtelen átfujja az anyagot, majd vissza esik a teljesítmény. A potméterre reagál, mert állítja észrevehetően, de 200 amper az kb 40-50 Amper teljesítménnyel mehet. Nem tudom az IGBT nél lévő dióda okozhat e ilyen hibát, valószínűleg nem olyat sikerült beletenni, mint ami benne volt, mivel a gép felrobbant-osszeegett így semmi érték nem látszódik egyiken se. Ha van valami hasznos ötlet, azt örömmel fogadnam. Köszönöm szépen!
Helló mindenkinek!
Van egy Telwin bimax 4.195 - ös Co hegesztőgépem. Azt a hibát produkájla, hogy amint a huzal a munkadarabhoz(+test) ér, "hegeszt" is. Vagyis kint van a kraft. Nem a munkakábel a rossz és nem is találok semmi kontaktot a gépen belül ami ezt eredményezheti. Az a pici panel amivel az előtolást állítom, csinálhat ilyet? Ami "munkát" végez az egy IRF 730B és egy HCF4069U. Szerintem a PWM szabályzáson kívül másért nem felel. Vagy igen? ![]() Előre is köszönöm a segítséget!
Ez természetes, mivel nincs benne mágneskapcsoló.
Akkor ez a machine-a így működik alapjáraton?
Sziasztok!
Javításra hozzám került egy Straus ST/WD-256IVD típusú hegesztő. Valószínű leeshetett,vagy valami mechanikai sérülés érhette,mert az egyik IGBT gate-re menő fóliája megszakadt!MBQ40T65FDSC található benne mind a 2db gallyra ment.FGH40N60SMDF néztem helyére,jó lehet? Esetleg tudtok ajánlani helyettesítőt,hazai beszerzésből? A hozzászólás módosítva: Okt 24, 2020
Sziasztok! Nincs valakinek elfekvőben EWM Picotig 190 ACDC awi géphez való 5 vagy 8 pólusú apa csatlakozója (ami a munkakábelen van)? Előre is köszönöm a válaszokat!
Szia, Úgy látom, választ még nem kaptál, Szerintem jó lehet. A fesz és áram értékek azonosak, vagy kicsit jobb. ami még érdekes a kapacitás, Ci, és Co mert egy tekercset pumpál, valamint a kapcsolási idő, Qg,Qe ez lassabb, de talán még belefér. Annyiban érdekes, hogy a FET/IGBT a be, vagy kikapcsolt állapotban fűt a legkevesebbet, az átkapcsolási idő alatt viszont erősen. Ezért lehet, hogy melegedni fog. Akkr erősebb hűtés kell neki, bonyolult számításokba, most nem kezdenék bele.
Üdv! Straus ST/WD 181 IV inverteres hegesztő javításában tudna valaki segíteni, érdemes megjavítani, vagy inkább vegyek újat?
Az történt hogy hegesztettem, elfogyott a pálca, raktam bele egy újat, és nem értettem hogy miért nem fog ívet! Ránézek a kijelzőre, és nem mutatta hogy hány amperre van beállítva! Viszont a szellőző ventilátor meg ment! Vártam egy pár percet, de semmi, kikapcsoltam, utána vissza, de semmi! Ha bekapcsolom csak a ventilátor megy!
Ha szerencséd van, akkor csak a segédtáp hibásodott meg. A ventilátor tápját nem a vezérlés tápjáról veszik, hanem még előtte. Nem hinném, hogy 230 V-os ventilátor lenne benne.
Sajna én nem értek hozzá, esetleg meg tudnád nézni, vagy ismersz valakit aki meg tudja javítani? Itt Győrben két szervízt is megkérdeztem, akik állítólag minden típust javítanak, de azt mondták hogy nehéz beszerezni hozzá az alkatrészt!
|
Bejelentkezés
Hirdetés |





Nem tudsz esetleg egy rajzot ehhez a vacakhoz, legalább hogy hol mit kéne mérni tudjam. Már bánom, hogy megvettem, alig volt használva még... 






