Fórum témák
» Több friss téma |
- Ez a felület kizárólag, az elektronikában kezdők kérdéseinek van fenntartva és nem elfelejtve, hogy hobbielektronika a fórumunk!
- Ami tehát azt jelenti, hogy a nagymama bevásárlását nem itt beszéljük meg, ill. ez nem üzenőfal! - Kerülendő az olyan kérdés, amit egy másik meglévő (több mint 17000 van), témában kellene kitárgyalni! - És végül büntetés terhe mellett kerülendő az MSN és egyéb szleng, a magyar helyesírás mellőzése, beleértve a mondateleji nagybetűket is!
Rosszul írtam, persze megoldható 50V körüli fesz is, de akkor a többi fog kevesebbet kapni és alig világítani.
Ne fáradj,én már sok helyen keresgéltem,külföldi gyártóknál is, sajna nincs 14 V-os izzó ,csak 34 V, ezzel formával pedig pláne nincs ami nekem kellene,és ez csak akkor ér valamit ha az izzó formavilága pontosan olyan mint a többi 15 darab. Vétek lenne más küllemű izzót ebbe a sorba berakni, amit 1947-ben gyártottak! Köszi a fáradozásod , én ezt nem szeretném elrontani. Üdv!
Az még talán járható út, hogy "kendre256 " ötletét megvalósítani,de ez egy feltételes mód, nem tudom mennyire lesz ez jó megoldás. Köszi az értékes hozzászólásodat, "kendre256"-nak is,kellemes estét.
Hello! Kiszedtem az üvegbúrát a foglalatból,de mivel értelemszerűen teljesen zárt, el kellene vágnom valahogyan, hogy a búrába új izzót építsek be.Hogyan tudom elvágni úgy ,hogy ne repedjen szét, lehetőleg minél nagyobb rész maradjon a felső részből, és többé-kevésbé egy szabályos kör alakú legyen a vágás? üdv!
Sikerült találnom egy kedvező megoldást a neten az üvegbúra elvágására. kösz az ötletet, kellemes estét.
Nem tudom milyen megoldást találtál, üveget úgy szoktak körben "vágni", hogy egy izzószállal körben felmelegítik. Vagy már attól elpattan, ha attól nem, akkor a rá öntött hideg víztől szinte biztosan. De lehet vékony vágótárcsával óvatosan (hogy ne melegedjen fel nagyon) köszörülni is.
Igen, van egy nagyon vékony gyémánt vágótárcsám,azzal vágtam körbe, most megpróbálok beleilleszteni egy jó izzót. Kellemes estét
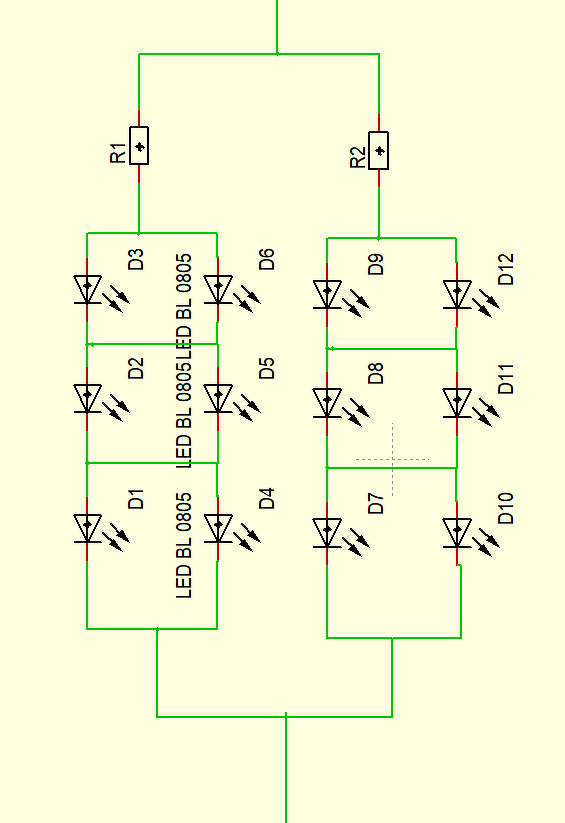
Nagyon szakszerűtlen lenne, ha egy "döglött" ledes fényforrásból kitermelt modult a mellékelt módon kötnék be ?
Egy kerti-traktorra próbálnánk meg "munkalámpának". A generátor névleg 12 V AC gyakorlatban 9-15 V közt mértük. A panelka vezetősávjait megszakítgatni nem nagyon akarnám - 4 * 3 ledcsoport kialakítása .. Illetve - marha mázli - van egy lámpatestünk amibe pont beilleszthető a modul...
Az élettartam, illetve a megbízható tartósság a fő kérdés. Egészségesebb, ha a keletkező négy ágat külön-külön előtétellenállással táplálod meg. A közös ellenállás addig jó, amíg mindegyik LED működik. Abban a pillanatban, amikor az egyik ág megszakad, a többi kénytelen lesz elviselni a többletáramot, egyre gyorsabban pukkannak el. Egy ellenállás 2 Ft, egy LED 15 Ft. Nem érdemes spórolni, hosszú távon gondolkodva kifizetődőbb a négy külön ellenállás.
Az ellenállás helyett inkább egy dióda, és akkor csak két ellenállás kell. A hozzászólás módosítva: Dec 16, 2020
Pont kicsúsztam a módosítási időből. A 15V mennyire stabil? Egy LED maximális garantált zárófeszültsége 5V, efölött már esetleges a dolog.
Ezt a rajzot ilyenkor nehezen látom át, inkább csinálok pár perc múlva egy másikat. Még plusz dióda sem kell, csak pár centi drót. A hozzászólás módosítva: Dec 16, 2020
nincs négy ág
![]() egy kör van kétszer két ponton megtáplálva ... Pár évvel ezelőtt kötöttem kék ledeket ellenpárhuzamosan egy ellenállással 6 VAC körbe. Évekig működött. bontott led új életre keltése + gyerek pár 10 perces lefoglalása a cél
Igen szakszerűtlen lenne.
Nagy az esély, hogy a LEDek negyede tönkremegy. Pár centi dróttal, és két ellenállással a képen látható bekötést kellene létrehozni.
Nézd, én az ötödik sörömnél tartok, a képen mutatott megoldás már tuti. Útközben előfordulhatnak elütések, marhaságok mert gyorsaban szeretnék válaszolni, mint az állapotom engedi.
![]() Attól, hogy szakszerűtlen, mg működhet valami. Egy ideig. A hozzászólás módosítva: Dec 17, 2020
Idézet: „nincs négy ág” Nézőpont kérdése... Ha a LED-ek helyett ellenállások lennének, egyértelműen 4 ágat találnánk. A LED-ek miatt egyik félperiódusban van két párhuzamos ág (áganként 3 db sorba kapcsolt LED), a másik félperiódusban a többi LED-del ugyanígy két párhuzamos ág ugyanarra a betáplálási pontra kötve. Ha a rövidzárakat "összehúzod", akkor látható, hogy egy betáplálási pontból négy irányba mennek LED-ek, csak nem azonos polaritással.
Jó reggelt kendre256!
Érdekes jelenség történt, beforrasztottam egy 75 Ohm, 5 W-os ellenállást az 55 V-os izzó mellé, majd bekapcsolás után az izzó majdnem normál fénnyel kezdett világítani, kis idő elteltével azonban halványulni kezdett, és kb. 20%-ra esett vissza. Ez miért lehet?
És ugyanekkor az összes többi először halványan világított, majd mikor az 55V-os elhalványult, a többinek nőtt meg a fénye?
Megint az derült ki, hogy az áramkörök tudják a fizikát... Az izzók hidegen sokkal kisebb ellenállásúak, bekapcsoláskor nagyobb áram folyik rajtuk. Ez a nagyobb áram hozott létre akkora feszültséget az ellenálláson, amitől az 55V-os izzó aránylag jól világított. Ezután az izzók ellenállása (a felmelegedésük miatt) megnőtt, az áramuk lecsökkent, ami kisebb feszültséget ejtett az ellenálláson. Ettől az 55V-os izzóra kisebb feszültség jutott, az elhalványult, az összes többire pedig nagyobb feszültség jutott, azok meg felfénylettek. Az izzók nemlineáris elemek, nem lehet őket "simán" az Ohm törvénnyel számolni. Az izzószál tömege, fajhője, a hősugárzással, hővezetéssel elvont hő, a hőmérséklete mind hatással van a rajta átfolyó áramra, nem csak a rajta lévő feszültségtől és a (hideg) ellenállásától függ. Ilyen vegyes (lineáris és nemlineáris elemet tartalmazó) áramkört leginkább kísérletezéssel lehet kialakítani. Ha nem világított először teljes fénnyel az 55V-os izzó, lehetne még a 75 Ohm-os ellenálláson növelni. De csak óvatosan, mert túl sok növelés meg az izzó kiégését okozhatja. Ez az áramkör egy "libikóka", meg kell találni az egyensúlyt...
Köszi szépen! Ez igazán szakszerű és részletes válasz volt,és pontosan úgy viselkedett a fűzér ahogyan leírtad. Nem tudom most hogyan lépjek tovább, hagyjam így ,ami nem a legjobb és legszebb változat, sőt az is lehet, hogy huzamosabb üzemelés után egyáltalán nem fog világítani. Kisérletezek még néhányszor ,remélem megtalálom a megoldást, pláne ha segítesz is amit már néhányszor megtapasztaltam,köszi még egyszer. Nekifutok a feladatnak, ha nagyon elakadok kereshetlek újra? Köszi szépen eddigi segítséged, kellemes napot !
Sziasztok, elég műveletlen vagyok az elektronikában . Számomra rejtély az alábbi az alábbi:
Azt észleltem, hogy a lakás hűvösödik. Azt vettem észre, hogy a Vaillant kombi kazánom égőfeje nem indult el,pedig a maximálási hőfokot kértem a rendszertől .Több féle próbálkozás után(újraindítás,kismegszakító le-felkapcsolása rezet gomb , stb) gondoltam a további meghibásodások elkerülése miatt a kazán főkapcsolóját lekapcsolom. Nagy meglepetésemre az égőfej beindult és a rendszer tökéletesen működik, úgy ,hogy a kazán főkapcsolója nullán áll. Szerintetek mi történhetett? Nem igazán van bátorságom a főkapcsolót 1-es állásba rakni,félek,hogy leáll újra az égőfej. Most is a nulla állásban működik. Mit javasoltok?
Hívtam a szerelőt. Azt mondja,hogy nem tud mit mondani,várjam a fejleményeket...szerinte elindult egy hiba folyamata..Hát ez nem bíztató. Már 24 órája így működik tökéletesen!
Létezik az,hogy valamiféle polaritás változás történt?
Üdv.
Megoldva a "kedves szomszéd" feljelentve nemrég. Hetek óta figyelem az áramingadozást/gépleállást. Sajnos műszeresen nem sikerült elkapni a hibát(nem volt elég időt nálam a kölcsönkért mérő). De elégé szépen lehet látni mikor elkezdik mosni a traktort(sima földre megy az olajos cucc) vagy hallani mikor indul a daráló nálam felborul a számítógép. Remélem 1-2 hét és helyre lesz téve amit eltoltak.
Nem párhuzamosan van a 4 db égő, hanem a meglevő 16 -tal sorba van kötve. Az E10 foglalatok kiszabadíthatók voltak a burkolatból. Zsugorcső sem kellett, csak néhány csipeszt kellett cserélni.
Az ellenállás "elrejtése" a melegedése miatt nem egyszerű. A hozzászólás módosítva: Dec 17, 2020
Szia kendre 256 ! Nem igazán jó ez a megoldás, üvegbúrába egy másik üvegbúra, nagyon eltér a külleme a többi izzótól. Van esetleg valamilyen egyszerű megoldás arra, hogy hogyan lehet egy LED fényerejét változtatni? AZt építenék bele,talán jobban hasonlítana a többi izzóhoz, de nagyon erős a fénye,gyengébb kellene. Kellemes estét
Értem én, meg a fényképet sem tőled várom a "pótolhatatlan" 1947-es művészi kivitelű 14V/3W izzóról. Tehát ne nekem mondd ezeket...
A LED teljesen másként világít és nem illeszthető az izzósorba.
Kedves Epu2 !Köszi szépen a segítő hozzászólásodat. Azt tudom,hogy a LED-nek egyenáram kell, azt meg tudnám oldani, és azt terveztem,hogy egy melegfényű LED-et kötök be a fűzérbe,van is ilyen alkatrészem, mert ha egy másik üvegbúrás izzót rakok be,az nagyon elüt formailag a többitől, viszont lejjebb kellene szabályoznom a fényerejét a LED-nek ha ez lehet, és akkor majdnem olyan hatású lenne mintha egy igazi izzószálas fényforrás világítana ott,a korábban már leszedett üvegbúra alatt,amit a hibás izzóról vágtam le. Ebben a megoldásban tudnál segíteni, van esetleg ötleted miként valósítható meg, hogy a LED ne legyen nagyon harsány . Remélem érthetően írtam le amit szeretnék.Köszi a hozzáértő segítő válaszodat előre is,. Kellemes estét
Köss párhuzamosan a leddel egy ellenállást
Fussunk neki mégegyszer.
Most annyit tudunk, hogy van egy karácsonyfa fényfüzéred, amit 1947 évi gyártásra datálsz, és jelenleg annyit tudunk még róla, hogy 14V, 3W izzók vannak benne, 16 darab amiből egy kiégett, és a helyébe csavart izzók is kiégnek. Nem vagyok látnok, táltos, de még rejtező, sem így nem tudom eldönteni, mit is szeretnél. Eredeti , vagy hasonló izzót szerezni, vagy azt szeretnéd megérteni, miért ég ki egy véletlenszerűen elővett izzó, amit becsavartál a kiégett helyére? Ha helyre akarod állítani, segíts nekünk legalább azzal, hogy megmutatod, milyen izzóra van szükséged hozzá. Az aktívabb fórumtagoknál valószínűleg akad ilyen, szívesen adnának belőle, akár ingyen is. Ha a dolog elméleti oldalára vagy kíváncsi, akkor egyszerű a válasz. Túlterhelés miatt égnek ki az újonnan betett izzók. A hálózati feszültséget időközben megemelték, 220 helyett szép lassan 240 Voltra. Ez a tíz százalék általában benne van a tervezéskor figyelembe vett tűrésen, de az izzók esetében például élettartamcsökkenést okoz. Egy ilyen füzérben egy izzó lehet helyettesíteni egy megfelelően méretezett ellenállással, de figyelembe kell venni, hogy hálózati feszültég magasabb, mint 1947-ben. A hozzászólás módosítva: Dec 18, 2020
Szia lobo67! Köszi szépen a hozzászólásodat, mivel azonban elektronikában kezdő vagyok, kérdésem, mekkora ellenállást kell bekötnöm a LED-hez, és ezt sorosan,vagy párhuzamosan tegyem? Gondolom ha növelem az értékét, csökken a fényereje ? Üdv, várom megtisztelő válaszodat, kellemes napot.
|
Bejelentkezés
Hirdetés |









