Fórum témák
» Több friss téma |
Van egy Genius sw hf 6000 5.1 -em, és egyik naprol a másikra halkabb lett mint volt, ezért szétszedtem, és az alaplapon egy foltban égésnyom szerűség van.
Lehet hogy ezért lett halkabb, és lehet így tovább használni, mi lehet vele? Kép: https://i.imgur.com/35ab6iT.png https://kepkuldes.com/image/eC3FY7 https://kepkuldes.com/image/eC3Nm5 https://kepkuldes.com/image/eCKHNe
Cseréld ki azt a kínai 7808-at, meg az előtte lévő égett-talán kondenzátort-, és mérd meg a 7808 kimenetét (szemből jobb szélső láb) hogy megvan-e a 8V.
Ha lemosod a koromfoltot, talán látszani fog az alkatrész pozíciónyomata, Cxx lesz szerintem. Utána még ötletelünk, de elvileg egy 47-100n helyrebillentheti a dolgot. Kivéve ha még van a táp után valami hiba.
Hát én nem nagyon értek hozzá, vinni fogom szervízbe.
De addig lehet így használni, nem lessz baja? És mitől égett ki? Talán zárlatot kapott?
Ne használd így, mert további meghibásodáshoz vezethet. Vidd el szerelőhöz, vagy szervizbe.
Üdv!
Sziasztok. Nekem olyan problémám lenne a szóban forgó hangfalszettel, hogy pl. tv-zés közben a jobb hátsó hangszóró sokkal halkabb, mint a bal oldali társa. Ez mitől lehet?
Sziasztok!
Van egy Genius SW-HF5.1 6000 típusú kis házimozis rendszerem. A napokban észrevettem, hogy a mélynyomó (ebben van ugye az elektronika is) teteje egészen langyosnak érezhető kézzel. Hátul a főkapcsolóval nem szoktam lekapcsolni csak a távirányítóval kapcsolom StandBy-ba. Kicsit furcsáltam így szétszedtem, az elektronika szinte teljesen hideg volt de a hálózati trafó kézzel érezhetően meleg. A készülék egyébként szépen szól. Az lenne a kérdésem, hogy normális dolog ez a melegedés vagy valami gond lehet a trafóval?
Ennél a termékcsaládnál általános, a trafó melegebb a megszokottnál.
Sziasztok.
Van egy 5.1-es genius hangfalam. A hangfal működik az összes, leteszteltem, de ahogy összekötöm őket csak a center és a szub szól. Maximum hangerő mellett, ha csak a frontra kötöm a jacket, akkor azok nagyon minimálisan szólnak. Belenéztem és szemmel ennyi hibát látok. Meg tudnátok mondani, hogy ezek milyen ellenállások?
Sziasztok kedves tagok!
Segítségre lenne szükségem! Van egy Genius 5000 es 5.1 ami azt produkálja hogy a hátsó bal hangszoroja full hangerőn alig cicereg annyit sikerült meg állapítani hogy a vonal bemenetek nyáklapjából már nem jön ki jel ehez a hangszorohoz! Ha esteleg van ötlet vagy valaki már találkozott a hibával meg köszönnèm ha tudna segíteni merre lehet a baj! Előre is köszi! Üdv!!!
Szép napok kívánok!
nekem van egy genius 5.1 5000-böl megmarad motoros pót méterem amit szeretnék fell használni hogyan kell bekötni.? vagy csinálni hozás kapcsolást, amivel tudom a motort is vezérelni (csak a poti van meg) semmi más esetleg valaki tapasztal ebben.? tavirányitóval szeretem volna mint a gyári eseten. előre is köszönöm!
Üdv!
Kaptam javításra egy genius sw5.1-1005 v1.0 2010-03-10 erősítőt, a led ellenállása el volt égve a leddel együtt amit kicseréltem , de ha rádugom a kis hangszórókat rettentően búg, zene nagyjából nyom el belőle de ha nem szól nagyon hangos a búgás, szemre nem látok púpos kondikat és a többi ellenállás sincs még csak elszínesedve sem, ha csak a sub van a panelon az nem búg! Találtam egy manual-t de mivel azon nincs meg a panelon látható u6 ic nem hiszem hogy valós lehet! Merre keressem a búgás okát? Illetve egy megfelelő pdf is jól jönne! Előre is köszönök minden segítséget!
Szia! Fotózd le a panelt a beazonosításhoz!
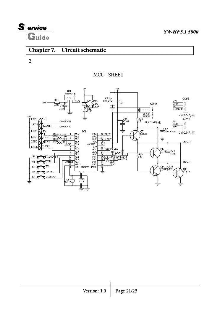
Az U6, ami a valóságban egy TDA2030 szerű képződmény, a rajzon az U5 pozíciószámmal szerepel. A 4558-as a szub aluláteresztő szűrője hiányzik az ábráról. Nincs vele gond, nem keressük.
A szatellit csatornák közös tápja a a rajz szerinti C48 puffer és a D3,6,7,8 diódák. Ezek a pozíciószámok láthatóan nem egyeznek a valós panellal, de könnyen visszavezethető a 2025 (hűtőzászló alatti) IC-k 16-os, táplábától. A puffer mérendő/cserélendő és a diódák között nem lehet szakadt, mert akkor csak egyutas lenne az egyenirányítás.
Hát úgy vélem veszek puffer kondikat és diódákat is mind kicserélem, és való igaz vannak olyan dolgok a panelon ami nincs a rajzon és fordítva
érdekes találmány
Ha kiveszed a puffert, vagy eleget vársz, akkor bontás nélkül is elvégezheted a diódavizsgálatot, ha a multimétered ezt lehetővé teszi.
A kondi mellé (helyes polaritással!) a forrasztási oldalra tegyél fel egy 16V-ot legalább elviselő 470 µF-nál nagyobb kondit, hogy lássuk egyáltalán a hullámos tápból származik-e a hiba. A teszt kondi paraméterei felfelé bármekkorák lehetnek.
Szia!
Ma megkaparintottam a kondikat ki is cseréltem a 2200 µF os puffereket és a körötte lévő 100nf os kerámiákat valamint 2 értékvesztett 10 µF elkót, valamint az összes diódát is,de a búgás ugyanúgy megmaradt. Jól tippelem hogy következőnek a 6 db 470 µF-ot illene kicserélnem illetve a köztük lévő kerámiákat vagy ez már máshol keresendő hiba lesz? A hozzászólás módosítva: Dec 15, 2020
Kicsit előre szaladtál. A diódavizsgálat és a szatellit csatornák pufferének "megpatkolása" elegendő lett volna a táphiba beazonosításához.
A következő lépés ennek a tápnak a terhelésvizsgálata. Van-e erősebben melegedő a három hűtőzászló között? A center hangszórót kihúzva megszűnik-e a búgás? Melegszik-e a cserélt ellenállás?
A 3 zászló kb egyforma hőmérsékletű , a cserélt led nem melegszik a zúgás meg úgy alakul, centerbe dugva enyhe frontokban is zúg de a satelitekben ha az "sl" azt takarja ott zúg nagyon !
Ezért gondoltam a 470-es elkokra azok talán a bemenetet szűrik
Mind az öt kishangszóró szatellitnek számít. (F=front, S=surround)
A center kivételével, ami híd kapcsolás, a 470 µF kondik a kicsatolók. Ezek csak akkor okozhatnak búgást, ha zárlatosak, de ez feltűnően kéne melegítse az adott IC-t. Talán úgy volna szerencsésebb, ha fognál egyetlen kishangszórót és csak ezt az egyet sorban minden egyes hangszórócsatlakozóba bedugnád és feljegyeznéd hol és milyen mértében tapasztaltál búgást.
Nos hagytam kicsit zúgolódni az erősítőt a búgás ereje legkisebb a centerből jön, aztán a frontok is búgnak de a leghangosabb versenyző a sorround kimenetek, és a kimenetek egyformán búgnak mindkét oldalukon!
Melegedés szempontjából minden zászlóval hűtött cucc 42 fokra állt be, a cserélt ellenállás a led előtétje volt nem tudom miért égett el de kapott nagyobb teljesítményűt az 30 fokon elvan. A hangerőszabályzó ic is 42 fokos, a vcc és gnd közt 17 voltot mértem dc-t, viszont mint kiderítettem a talált rajzom nem sokban hasonlít az áramkörhöz a színkódok és mérések alapján az ellenállások értéke sem stimmel rajta. Gondolom az hogy alapból elég szépen zúg maga a trafó is az nem okozhat hibát vagy lehet tévedek rég tanultam már ezeket .Eek után mégis hol keresse a hibát?
A diódákat ki kell mérni és ha cseréled, akkor legalább 3A-es legyen, amit beteszel.
Akkor búg, ha nincs meg a bemeneti csatlakozónál a hidegpont, tehát a csatlakozók forrasztását és egyéb forrasztásokat is érdemes ellenőrizni, nagyítóval megnézni, hogy nem lóg-e valamelyik alkatrész lába a forrasztás kirohadásától. Normál műkéskor nem búg. Ha búg, ott hiba van a testelések körül, tehát azokat, csatlakozók! - mindenképpen ellenőrizni kell. Üdv! A hozzászólás módosítva: Dec 16, 2020
Fotózd le a forrasztási oldalt! Mivel a hídkapcsolás kevésbé búg, az SJ3358-at jónak, a szatellitek tápját pedig túl hullámosnak vélem.
A panelen lévő jelölést tekintve az U3, vagy az U5 a surround-é? Az U4 az előtte lévő kondik elhelyezkedése miatt centernek néz ki. Van lehetőséged 12 V-ot akksiról, vagy szűrt tápról bevinned?
Hát holnapi napon lesz mert kicsit lovagi próbával felér hozzáférnem az akkujaimhoz, és a panelt is lefotózom holnap rendes fényben, és visszakövetem a panelen is melyik a sorround a rajzot már elfelejtem nem ehhez való 5 referencia alkatrészt néztem panelról 3 a rajzon nem is szerepel
Szia!
Kimentem az akkuért kikötöttem a 2 diódát direktben kötve az erősítő ic-kre akkut, zéró zajt elérve rossz forrasztást nem leltem úgy fest a puffer után nincs szűrés. Erre most az jó megoldás lehet ha rakok oda a 2200 helyett nagyobb kondit vagy hogyan oldhatom meg minimális "roncsolással"? Átforrasztottam a csatlakozókat is de miután nem javult semmit így azt kizártam !
Nagyobb kapacitású kondenzátort csak akkor szabad beépíteni, ha a diódák bírják annak a bekapcsolási áramlökéseit. Ezért írtam, hogy ha dióda lesz cserélve, akkor nagyobb áramút kell betenni és akkor lehet nagyobb a pufferkondi is. De 3300µF-nál nagyobb nem szükséges, inkább legyen jó minőségű, hosszú élettartamú.
Üdv!
A gondom az hogy most a pufferek is cserélve lettek yageo 2200/25 volt mint az erdeti és nem szűnt meg a búgás de kihagyva a trafó dióda és társait megszűnt, tény volt benne gyárilag igen silány forrasztás de már nincs.Bosszantó
Azért kértem képet, hogy lássuk a NYÁK rajzolatát. Az irányt ad, mivel tudnánk a zajt csökkenteni.
Bocsánat teljesen kimenet a fejemből!
|
Bejelentkezés
Hirdetés |













érdekes találmány








