Fórum témák
» Több friss téma |
Fórum » Ki mit épített?
Ez a téma ha úgy tetszik a mi "kiállítótermünk", nem pedig a ki mit csinált volna másképpen, mások helyett, és legfőképpen nem javítós téma.
Minden készüléknek van saját témája, ott kell kitárgyalni a részleteket!
FONTOS! A kapcsolási rajzok keresésére is van saját téma, ott keressetek rajzokat!
Szerintem sem jó ötlet TEK-es homlokára piros pontot vetiteni rendezvényen.
Nagyobb részt asztalosmunka, kisebb részben elektonika. Egy Ikea LIVBOJ vezeték nélküli töltő telefontartóba szerelve.
PCM 1792 DAC sok év után elkészült dobozolt verziója.
A hozzászólás módosítva: Jan 7, 2021
Tetszik ez a formai játék a körtével, de ez azt is jelenti, hogy nem tudja tölteni az almás telefont?
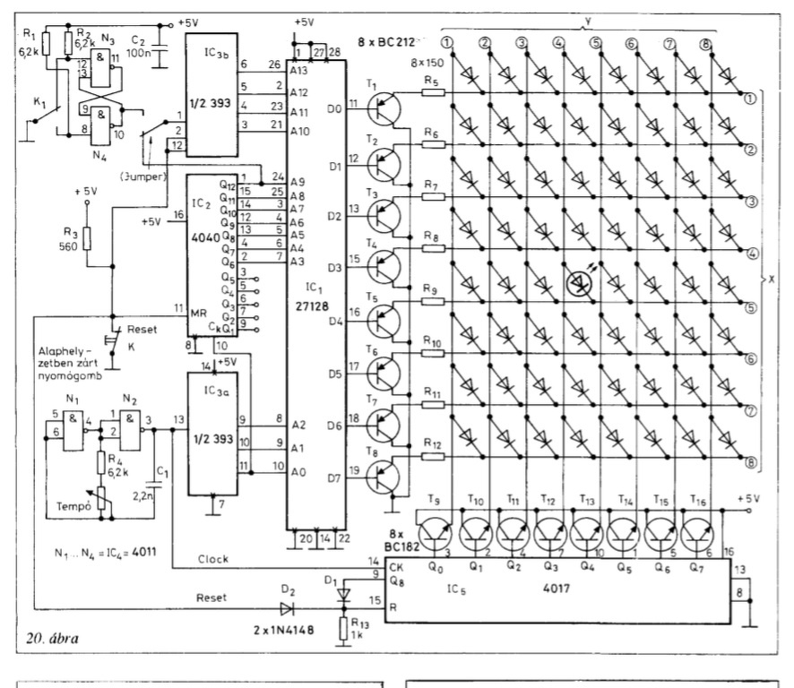
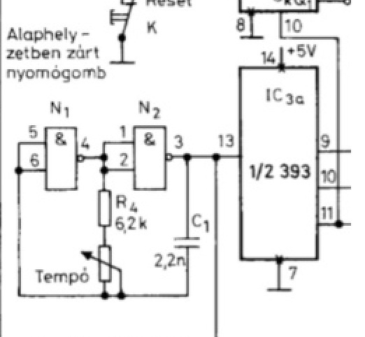
Elkészítettem az Úrbán elektronika által forgalmazott 8x8-as fénymátrixot az 1993-as Rádiótechnika évkönyvben megjelent cikk és kapcsolási rajz alapján. Meg kell mondjam, hogy a leközölt kapcsolási rajz hibás! Ezen már meg sem lepődtem, mert a PLOFI cartridge C64-re kapcsolási rajza is hibás! Ez lehet szándékos volt, hogy ne lehessen könnyen utánépíteni?! Felmerül az a kérdés is, hogy ez egyáltalán működött valakinek? A válasz "igen", mert fiatalabb koromban a 90-es évek közepén személyesen láttam az üzletben működés közben! A kapcsolási rajzot megépítve és egy teszt programot írva láttam, hogy valami nem stimmel. A teszt program annyit csinált, hogy a mátrixon bekapcsolta a függőleges oszlop összes ledjét és ezt léptette végig. a kapcsolást elindítva csak egy vibrálást láttam! megmérve az órajelet 22kHz-et mértem. Itt az oldalon a segédprogramok között van egy órajel generátor tesztelő, amibe behelyettesítve a kapcsolásban található kondi és ellenállás értéket, valóban 22kHz-et kaptam. A megoldás amit a segéd program adott, hogy a 2,2nF kondival párh. be forrasztottam egy 100nF-os kondit. Ezzel már szépen be lehetett állítani a 400Hz-es. frekvenciát.
Ezt a módosítást végrehajtva és a kapcsolást elindítva látható volt, hogy a tesztprogram nem fut rendesen. A hiba az volt, hogy a bekapcsolt oszlop léptetésénél nem kapcsolta ki az előző oszlop ledjeit! A kapcsolást EWB-ben szimulálva látszott, hogy a 4017-es léptetésénél az eprom még nem lép és ezért látszik a dupla oszlop bekapcsolása. Megoldása az lett, hogy egy invertert kellett betenni az orajel generátor kimenete és az LS393 bemenete közé! Innetől már szépen végig léptette a tesztprogramot a kapcsolás! A kapcsolás amúgy úgy működik, hogy egy kép 8 byte, és ezt a képet 8x megjeleníti a mátrixon és utána tölti be a következő képet, amit szintén 8x megjelenít. Most, hogy már működik ez a játék, írtam hozzá egy egyszerű PC-s programot amivel ez az animáció is készült. A cikk szerint 128 kép egy animáció. Ezt nem tudom ,hogy kell értelmezni, mert nekem 2048 kép jött ki! Ebből már elég jó animációt lehet kihozni. Az >>ITT<< található videón meg lehet nézni, csak 683kép! Ja! Az R3 ellenállással párh. még egy 560ohm-os lett betéve, mert nélküle a 4017-es elindul az áramkör bekapcsolásakor! A hozzászólás módosítva: Jan 7, 2021
Szépes! Lehetne többet tudni erről a DAC-ról?
Szerintem úgy jön ki a 128, hogy 7 címbit (A3-A9) jelöli ki a képeket egy animációban, és a felső négy címbittel (A10-A13) pedig 16 animáció közül választhatsz, akár kézzel (jumper felfelé áll). De ha a 4040 hajtja a felső 393-at (jumper lefelé áll), akkor "automatikusan" folytonosan választódnak ki a képek, azaz lehet egyetlen nagy animációd 128*16=2048 képből, ahogy számoltad is.
Igen, valóban! De mivel én felhasználtam a 4011-ből egy nand kaput, ami az animáció váltó kapcsolóhoz volt rendelve, nem lehet ezt a funkciót kihasználni. Köszönöm!
Mindenre. Mit tud? Után építhető e? Forrás?
Köszi.
DIR9001 S/PDIF vevő és PCM1792 DAC OPA1612-es bufferekkel. Teljes egészében saját tervezés, gyártás, az utánépíthetőség még kérdéses, ha igen, akkor cikk formájában fog megjelenni.
Amúgy tervben van SRC4392-es aszinkron mintavételkonverteres verzió is, de majd egyszer talán, ha lesz rá idő és energia.
Az érdekessége, hogy nincs benne ellenállás.
Gondolom a panel alsó oldalán van egy csomó smd ellenállás, mint ahogy a DAC és az OPA is alul lehet, mert a képeken semmi sem látszik belőlük.
Sziasztok!
Elkezdtem építeni egy "számítógépet" kizárólag relékből, úgy ahogyan az 1940-50es években. Szeretném megmutatni nektek, illetve szívesen várok építőjellegű hozzászólást,hogy hogyan és miként lehetne tovább fejleszteni. Videó
Üdv.
Sejtem, hol a chip, de a panel aljáról nincs kép?? A PIC milyen funkciókat lát el? Közös tápon van a DAC-al? Galvanikusan leválasztva esetleg? Csak optikai jelet dolgoz fel úgy látom, mi az interface IC? Annak mi a kimenete? I2S/RJ/LJ? Milyen topológia? Mono/chip vagy sztereó? (Én is évek óta epitgetem a DAC-om az egyik legkritikusabbnak a digitális kommunikációs áramkört látom. Én cs8416-t építettem be, plusz van egy USB bemenet. Ahhoz rendeltem cm6631-en alapuló USB/I2S konverter, de eléggé zajos és sávhatárolt. Rendeltem egy másikat minidsp USB MCH streamer panelt) Egyébként tetszik, szép tiszta, igényes.
A késztetést értem, kapuáramkörökkel én is próbálkoztam Bővebben: Link, de ennyit dolgozni a témán, sejtet némi megszállottságot. Az elvégzett munka mennyiségéhez, kitartásodhoz gratula.
A PIC vezérli az egész berendezést, ki-be kapcsolás, figyeli a DIR9001-ről érkező ERROR jelzést, ha nincs jel stb.. A PCM1792 digitálisan vezérelt I2C buszon, a hangerőszabályzást is a PCM oldja meg, az adatofrmátum 24bit I2S a DAC 128fs oversamplingel dolgozik.
A DIR és a PCM tápja ugyanarról a digitális tápról dolgozik amiről a PIC is megy, a DAC analóg tápjai kaptak külön trafókat. A nyákról néhány hozzászólással korábban raktam fel képet. A hozzászólás módosítva: Jan 8, 2021
Hívd fel Istvánt az üzletében, talán hétfőn, szerdán ott is van kicsit, biztos segít.
Szia!
Spéci lett, gratula! Üdv! manolo
Speciális öntapadó előlapfólia szitázva.
Sajnos ilyen lehetőségem (bár minden előlapom így készült korábban is) már nem lesz. Az szitázó haverom ahol ezek készültek abbahagyta. ![]() Ez volt az utolsó "mohikán".
A electronics szóból kimaradt egy e betű. Ha direkt nem szóltam.
![]() Szuper lett!
És milyen igazad van. Kár érte.
![]() Ha nem szólsz észre sem veszem, de lehet hogy más sem. Lebuktattál.
Bocsánat érte! Tévedni különben emberi dolog. Nem vesz el semmit az értékéből.
Azt hogy "Kár érte" nem neked, hanem magamnak dünnyögtem.
Azt hogy "Lebuktattál" csak viccből írtam. Semmi gond, nincs miért bocsánatot kérni, máskor ilyen bakit nem szabad elkövetni. Ezután legalább jobban fogok figyelni. janigel |
Bejelentkezés
Hirdetés |




























